02014R1302 — LT — 11.03.2020 — 004.001


Šis tekstas yra skirtas tik informacijai ir teisinės galios neturi. Europos Sąjungos institucijos nėra teisiškai atsakingos už jo turinį. Autentiškos atitinkamų teisės aktų, įskaitant jų preambules, versijos skelbiamos Europos Sąjungos oficialiajame leidinyje ir pateikiamos svetainėje „EUR-Lex“. Oficialūs tekstai tiesiogiai prieinami naudojantis šiame dokumente pateikiamomis nuorodomis

►B

KOMISIJOS REGLAMENTAS (ES) Nr. 1302/2014

2014 m. lapkričio 18 d.

dėl Europos Sąjungos geležinkelių sistemos posistemio „Lokomotyvai ir keleiviniai riedmenys“ techninės sąveikos specifikacijos

(Tekstas svarbus EEE)

(OL L 356 2014.12.12, p. 228)

Iš dalies keičiamas:

 

 

Oficialusis leidinys

  Nr.

puslapis

data

 M1

KOMISIJOS REGLAMENTAS (ES) 2016/919 2016 m. gegužės 27 d.

  L 158

1

15.6.2016

►M2

KOMISIJOS ĮGYVENDINIMO REGLAMENTAS (ES) 2018/868 2018 m. birželio 13 d.

  L 149

16

14.6.2018

►M3

KOMISIJOS ĮGYVENDINIMO REGLAMENTAS (ES) 2019/776 2019 m. gegužės 16 d.

  L 139I

108

27.5.2019

►M4

KOMISIJOS ĮGYVENDINIMO REGLAMENTAS (ES) 2020/387 2020 m. kovo 9 d.

  L 73

6

10.3.2020


Pataisytas:

►C1

Klaidų ištaisymas, OL L 010, 16.1.2015, p.  45 (1302/2014)




▼B

KOMISIJOS REGLAMENTAS (ES) Nr. 1302/2014

2014 m. lapkričio 18 d.

dėl Europos Sąjungos geležinkelių sistemos posistemio „Lokomotyvai ir keleiviniai riedmenys“ techninės sąveikos specifikacijos

(Tekstas svarbus EEE)



1 straipsnis

Šiuo reglamentu priimama priede pateikta visos Europos Sąjungos geležinkelių sistemos posistemio „Lokomotyvai ir keleiviniai riedmenys“ techninė sąveikos specifikacija (TSS).

2 straipsnis

1.  TSS taikoma ►M3  Europos Parlamento ir Tarybos direktyvos (ES) 2016/797 II priedo 2.7 punkte ( 1 ) ◄ aprašytam riedmenų posistemiui, kuris yra naudojamas arba skirtas naudoti geležinkelių tinkle, apibrėžtame priedo 1.2 punkte, ir kuris priskiriamas prie vieno iš šių tipų:

a) 

savaeigiai šiluminiai arba elektriniai traukiniai;

b) 

šiluminiai arba elektriniai traukimo agregatai;

c) 

keleiviniai vagonai;

d) 

mobilioji geležinkelių infrastruktūros statybos ir techninės priežiūros įranga.

2.  TSS taikoma 1 dalyje nurodytiems riedmenims, kurie skirti naudoti viename arba daugiau kelių, kurių vardinis vėžės plotis: 1 435 mm, 1 520 mm, 1 524 mm, 1 600 mm arba 1 668 mm, kaip nurodyta priedo 2.3.2 skirsnyje.

3 straipsnis

1.  Nepažeidžiant 8 ir 9 straipsnių ir priedo 7.1.1 punkto, TSS taikoma visiems 2 straipsnio 1 dalyje nurodytiems naujiems Sąjungos geležinkelių sistemos riedmenims, kurie pradedami naudoti nuo 2015 m. sausio 1 d.

▼M4

2.  TSS netaikoma esamiems Sąjungos geležinkelių sistemos riedmenims, kurie 2015 m. sausio 1 d. jau buvo naudojami kurios nors valstybės narės tinkle ar jo dalyje, išskyrus atvejus, kai

a) 

jie atnaujinami arba modernizuojami pagal šio reglamento priedo 7.1.2 skirsnį arba

b) 

pagal Direktyvos (ES) 2016/797 54 straipsnio 3 dalį išplečiama naudojimo teritorija – šiuo atveju taikomos šio reglamento priedo 7.1.4 skirsnio nuostatos.

▼B

3.  Šio reglamento taikymo techninė ir geografinė sritys nurodytos priedo 1.1 ir 1.2 skirsniuose.

4.  Priedo 4.2.8.2.8 punkte apibrėžtą energijos matavimo sistemą privaloma įrengti naujose, modernizuojamose ir atnaujinamose transporto priemonėse, kurias ketinama naudoti tinkluose, kuriuose įrengta antžeminė Komisijos reglamento (ES) Nr. 1301/2014 ( 2 ). 4.2.17 punkte apibrėžta energijos apskaitos duomenų rinkimo sistema (DRS).

4 straipsnis

▼M3

1.  Jei priedo I priedėlyje nurodyta, kad klausimas neišspręstas, tikrinant atitiktį esminiams Direktyvos (ES) 2016/797 III priedo reikalavimams laikomasi valstybės narės, kuri yra transporto priemonių, kurioms taikomas šis reglamentas, naudojimo teritorijoje, galiojančiomis nacionalinėmis taisyklėmis nustatytų sąlygų.

▼B

2.  Per šešis mėnesius nuo šio reglamento įsigaliojimo kiekviena valstybė narė kitoms valstybėms narėms ir Komisijai išsiunčia šią informaciją, jei tokia informacija nebuvo joms išsiųsta pagal sprendimus 2008/232/EB arba 2011/291/ES:

a) 

1 dalyje nurodytas nacionalines taisykles;

b) 

atitikties vertinimo ir patikros procedūras, kurios turi būti įvykdytos taikant 1 dalyje nurodytas nacionalines taisykles;

▼M3

c) 

įstaigos, paskirtos atlikti su neišspręstais klausimais susijusias atitikties vertinimo ir patikros procedūras.

▼B

5 straipsnis

▼M3

1.  Priedo 7.3 skirsnyje nurodytais specifiniais atvejais tikrinant atitiktį esminiams Direktyvos (ES) 2016/797 III priedo reikalavimams laikomasi priedo 7.3 skirsnyje arba valstybės narės, kuri yra transporto priemonių, kurioms taikomas šis reglamentas, naudojimo teritorijoje, galiojančiomis nacionalinėmis taisyklėmis nustatytų sąlygų.

▼B

2.  Per šešis mėnesius nuo šio reglamento įsigaliojimo kiekviena valstybė narė kitas valstybes nares ir Komisiją informuoja apie:

a) 

1 dalyje nurodytas nacionalines taisykles;

b) 

atitikties vertinimo ir patikros procedūras, kurios turi būti įvykdytos taikant 1 dalyje nurodytas nacionalines taisykles;

▼M3

c) 

įstaigas, paskirtas atlikti su priedo 7.3 punkte nurodytais specifiniais atvejais susijusias atitikties nacionalinėms taisyklėms vertinimo ir patikros procedūras.

▼B

6 straipsnis

1.  Per šešis mėnesius nuo šio reglamento įsigaliojimo valstybės narės Komisijai praneša apie visus galiojančius nacionalinius, dvišalius, daugiašalius arba tarptautinius susitarimus (išskyrus susitarimus, apie kuriuos pranešta pagal Komisijos sprendimą 2008/232/EB, todėl dar kartą nepranešama), pagal kuriuos naudojami riedmenys, kuriems taikomas šis reglamentas.

2.  Valstybės narės nedelsdamos praneša Komisijai apie visus būsimus susitarimus arba galiojančių susitarimų pakeitimus.

7 straipsnis

Pagal Direktyvos 2008/57/EB 9 straipsnio 3 dalį kiekviena valstybė narė per vienus metus nuo šio reglamento įsigaliojimo pateikia Komisijai jos teritorijoje vykdomų projektų, kurių įgyvendinimas yra gerokai pažengęs, sąrašą.

8 straipsnis

1.  Jei laikomasi priedo 6.3 skirsnio nuostatų, pereinamuoju laikotarpiu, kuris baigiasi 2017 m. gegužės 31 d., gali būti išduodamas posistemio, kuriame yra EB atitikties arba tinkamumo naudoti deklaracijos neturinčių sąveikos sudedamųjų dalių, EB patikros sertifikatas.

2.  Posistemio gamyba arba modernizavimas (atnaujinimas), kuriems naudojamos nesertifikuotos sąveikos sudedamosios dalys, užbaigiami per 1 dalyje nustatytą pereinamąjį laikotarpį, įskaitant pradėjimą naudoti.

3.  Per 1 dalyje nustatytą pereinamąjį laikotarpį:

a) 

prieš suteikdama EB sertifikatą pagal ►M3  Direktyvos (ES) 2016/797 15 straipsnį ◄ , paskelbtoji įstaiga tinkamai nustato sąveikos sudedamųjų dalių nesertifikavimo priežastis;

b) 

pagal ►M3  Europos Parlamento ir Tarybos direktyvos (ES) 2016/798 ( 3 ) 16 straipsnio 2 dalies d punktą ◄ nacionalinės saugos institucijos praneša apie nesertifikuotų sąveikos sudedamųjų dalių naudojimą, rašydamos apie leidimų išdavimo procedūras savo metinėse ataskaitose, rengiamose pagal ►M3  Direktyvos (ES) 2016/798 19 straipsnį ◄ .

4.  Praėjus metams po šio reglamento įsigaliojimo naujoms pagamintoms sąveikos sudedamosioms dalims taikoma EB atitikties arba tinkamumo naudoti deklaracija.

9 straipsnis

►M3  Direktyvos (ES) 2016/797 13–15 straipsniuose ◄ nurodyta patikros deklaracija ir (arba) ►M3  Direktyvos (ES) 2016/797 24 straipsnyje ◄ nurodyta naujos transporto priemonės atitikties tipui deklaracija, kai ta atitiktis nustatyta pagal Sprendimą 2008/232/EB arba Sprendimą 2011/291/ES, laikoma galiojančia tol, kol valstybės narės nusprendžia, kad tipo arba konstrukcijos sertifikatą reikia atnaujinti, kaip nurodyta šiuose sprendimuose.

10 straipsnis

1.  Siekiant neatsilikti nuo technologijų pažangos, gali prireikti inovacinių sprendimų, kurie neatitinka priede pateiktų specifikacijų ir (arba) kuriems taikyti priede nurodytų vertinimo metodų negalima. Tokiu atveju parengiamos naujos specifikacijos ir (arba) nauji vertinimo metodai, susiję su tais inovaciniais sprendimais.

2.  Inovaciniai sprendimai gali būti susiję su riedmenų posistemiu, jo dalimis arba jo sąveikos sudedamosiomis dalimis.

3.  Kai siūlomas inovacinis sprendimas, gamintojas arba jo įgaliotas atstovas, įsisteigęs Sąjungoje, nurodo, kuo tas sprendimas skiriasi nuo atitinkamų TSS nuostatų arba kuo jas papildo, ir pateikia tuos nukrypimus Komisijai išnagrinėti. Komisija gali prašyti Europos geležinkelio agentūros (toliau – agentūra) pateikti nuomonę apie siūlomą inovacinį sprendimą.

4.  Komisija pateikia nuomonę apie siūlomą inovacinį sprendimą. Jei nuomonė yra palanki, parengiamos ir vėliau įtraukiamos į TSS, ją pagal ►M3  Direktyvos (ES) 2016/797 5 straipsnį ◄ persvarstant, tinkamos funkcinės ir sąsajos specifikacijos ir vertinimo metodai, kuriuos būtina įtraukti į TSS, kad tą inovacinį sprendimą būtų galima taikyti. Jei nuomonė yra nepalanki, siūlomas inovacinis sprendimas negali būti taikomas.

5.  Laukiant TSS persvarstymo Komisijos pateikta palanki nuomonė laikoma tinkama atitikties esminiams ►M3  Direktyvos (ES) 2016/797 ◄ reikalavimams priemone, todėl gali būti naudojama vertinant posistemį.

11 straipsnis

1.  Komisijos sprendimai 2008/232/EB ir 2011/291/ES panaikinami nuo 2015 m. sausio 1 d.

▼M4

Tačiau, nedarant poveikio priedo 7.1.1.4–7.1.1.8 punktų taikymui, jie ir toliau taikomi:

▼B

a) 

posistemiams, kuriuos naudoti leidimas gautas pagal šiuos sprendimus;

b) 

šio reglamento 9 straipsnyje nurodytais atvejais;

c) 

naujų, atnaujinamų arba modernizuojamų posistemių projektams, kurių įgyvendinimas šio reglamento paskelbimo dieną yra pažengęs, kurie yra esamos konstrukcijos arba vykdomi pagal sutartį, įgyvendinamą pagal šio reglamento priedo 7.1.1.2 punktą.

2.  Komisijos sprendimas 2008/232/EB toliau taikomas triukšmo ir šoninio vėjo reikalavimams šio reglamento priedo 7.1.1.6 ir 7.1.1.7 punktuose nurodytomis sąlygomis.

▼M3

3.  Šio reglamento priedo 7.1.3.1 skirsnis netaikomas transporto priemonėms, teikiamoms rinkai po 2028 m. gruodžio 31 d. Po tos datos rinkai teikiamos transporto priemonės turi atitikti šio reglamento priedo 4, 5 ir 6 skyrių reikalavimus.

4.  Valstybės narės tik tinkamai pagrįstais atvejais gali pagal Direktyvos (ES) 2016/797 7 straipsnio 1 dalies a punktą pareiškėjams leisti netaikyti šio reglamento ar jo dalių projektams, kuriems galimybė taikyti priedo 7.1.1.2 arba 7.1.3.1 skirsnius dar yra arba jau nebegalioja. Taikant priedo 7.1.1.2 arba 7.1.3.1 skirsnį taikyti Direktyvos (ES) 2016/797 7 straipsnio 1 dalies a punktą nebūtina.

▼B

12 straipsnis

Šis reglamentas įsigalioja dvidešimtą dieną po jo paskelbimo Europos Sąjungos oficialiajame leidinyje.

Jis taikomas nuo 2015 m. sausio 1 d. Tačiau leidimas pradėti naudoti pagal šio reglamento priede pateiktą TSS gali būti išduodamas iki 2015 m. sausio 1 d.

Šis reglamentas privalomas visas ir tiesiogiai taikomas visose valstybėse narėse.




PRIEDAS

TURINYS

1.

Įvadas

1.1.

Techninė taikymo sritis

1.2.

Geografinė taikymo sritis

1.3.

Šios TSS turinys

2.

Riedmenų posistemis ir funkcijos

2.1.

Riedmenų posistemis kaip Sąjungos geležinkelių sistemos dalis

2.2.

Su riedmenimis susijusios apibrėžtys

2.2.1.

Traukinio sąstatas

2.2.2.

Riedmenys

2.3.

Riedmenys, kuriems taikoma ši TSS

2.3.1.

Geležinkelių riedmenų rūšys

2.3.2.

Vėžės plotis

2.3.3.

Didžiausias greitis

3.

Esminiai reikalavimai

3.1.

Esminiai reikalavimai pagal riedmenų posistemio sudedamąsias dalis

3.2.

Šioje TSS nenagrinėjami esminiai reikalavimai

3.2.1.

Bendrieji reikalavimai ir reikalavimai, susiję su technine priežiūra ir naudojimu

3.2.2.

Kitiems posistemiams keliami specialieji reikalavimai

4.

Riedmenų posistemio apibūdinimas

4.1.

Įvadas

4.1.1.

Bendrosios nuostatos

4.1.2.

Riedmenų, kuriems taikoma ši TSS, apibūdinimas

4.1.3.

Pagrindinės riedmenų kategorijos, nustatomos šios TSS reikalavimų taikymo tikslais

4.1.4.

Riedmenų skirstymas į kategorijas priešgaisrinės saugos tikslais

4.2.

Funkcinė ir techninė posistemio specifikacija

4.2.1.

Bendrosios nuostatos

4.2.2.

Konstrukcija ir mechaninės dalys

4.2.3.

Sąveika su bėgių keliu ir gabaritų nustatymas

4.2.4.

Stabdymas

4.2.5.

Su keleiviais susijusios nuostatos

4.2.6.

Aplinkos sąlygos ir aerodinaminis poveikis

4.2.7.

Išoriniai žibintai ir vaizdino bei garsinio įspėjimo įrenginiai

4.2.8.

Traukos ir elektros įranga

4.2.9.

Mašinisto kabina ir mašinisto ir įrangos sąsaja

4.2.10.

Gaisrinė sauga ir evakuacija

4.2.11.

Paranga

4.2.12.

Naudojimo ir techninės priežiūros dokumentai

4.3.

Funkcinės ir techninės sąsajų specifikacijos

4.3.1.

Sąsaja su energijos posistemiu

4.3.2.

Sąsaja su infrastruktūros posistemiu

4.3.3.

Sąsaja su traukinių eismo organizavimo ir valdymo posistemiu

4.3.4.

Sąsaja su kontrolės, valdymo ir signalizacijos posistemiu

4.3.5.

Sąsaja su telematikos priemonių keleivių vežimo paslaugoms posistemiu

4.4.

Naudojimo taisyklės

4.5.

Techninės priežiūros taisyklės

4.6.

Profesinė kompetencija

4.7.

Sveikatos apsaugos ir saugos sąlygos

4.8.

Europos patvirtintų transporto priemonių tipų registras

▼M3

4.9.

Suderinamumo su maršrutu patikrinimai prieš naudojant patvirtintus riedmenis

▼B

5.

Sąveikos sudedamosios dalys

5.1.

Apibrėžtis

5.2.

Inovacinis sprendimas

5.3.

Sąveikos sudedamosios dalies specifikacija

5.3.1.

Automatinis taukšų centrinis sukabintuvas

5.3.2.

Rankinė galinė sankaba

5.3.3.

Avarinio sukabinimo įtaisai

5.3.4.

Ratai

▼M3

5.3.4a.

Automatinės keičiamojo vėžės pločio sistemos

▼B

5.3.5.

WSP (apsaugos nuo ratų slydimo) sistema

5.3.6.

Priekiniai žibintai

5.3.7.

Gabaritiniai žibintai

5.3.8.

Galiniai žibintai

5.3.9.

Įspėjamojo garso signalo įtaisai

5.3.10.

Pantografas

5.3.11.

Kontaktiniai intarpai

5.3.12.

Pagrindinis srovės išjungiklis

5.3.13.

Mašinisto sėdynė

5.3.14.

Tualeto nuotekų šalinimo jungtis

5.3.15.

Vandens rezervuarų pildymo jungtis

6.

Atitikties arba tinkamumo naudoti vertinimas ir EB patikra

6.1.

Sąveikos sudedamosios dalys

6.1.1.

Atitikties vertinimas

6.1.2.

Modulių taikymas

6.1.3.

Konkrečios sąveikos sudedamųjų dalių vertinimo procedūros

6.1.4.

Projektavimo etapai, kuriais reikia atlikti vertinimą

6.1.5.

Inovaciniai sprendimai

6.1.6.

Tinkamumo naudoti vertinimas

6.2.

Riedmenų posistemis

6.2.1.

EB patikra (bendrosios nuostatos)

6.2.2.

Modulių taikymas

6.2.3.

Konkrečios posistemių vertinimo procedūros

6.2.4.

Projektavimo etapai, kuriais reikia atlikti vertinimą

6.2.5.

Inovaciniai sprendimai

6.2.6.

Reikalaujamų naudojimo ir techninės priežiūros dokumentų vertinimas

6.2.7.

Bendrojo naudojimo paskirties riedmenų vienetų vertinimas

▼M3

6.2.7a.

Papildomi neprivalomi reikalavimai, keliami bendrojo naudojimo paskirties riedmenų vienetams

▼B

6.2.8.

Riedmenų vienetų, numatytų naudoti numatytajame (-uosiuose) sąstate (-uose), vertinimas

6.2.9.

Konkretus atvejis: riedmenų vienetų, numatytų įtraukti į turimą nekintamos sudėties sąstatą, vertinimas

6.3.

Posistemis, kuriame naudojamos sąveikos sudedamosios dalys be EB deklaracijos

6.3.1.

Sąlygos

6.3.2.

Dokumentai

6.3.3.

Pagal 6.3.1 punktą sertifikuotų posistemių techninė priežiūra

7.

Įgyvendinimas

7.1.

Bendrosios įgyvendinimo taisyklės

7.1.1.

Taikymas naujai pagamintiems riedmenims

7.1.2.

Esamų riedmenų arba riedmenų tipo pakeitimai

7.1.2.1.

Įvadas

7.1.2.2.

Riedmenų ir riedmenų tipo pakeitimų valdymo taisyklės

7.1.2.2a.

Specialiosios taisyklės, taikomos esamiems riedmenų vienetams be EB patikros deklaracijos, kuriuos pirmą kartą leista pradėti naudoti iki 2015 m. sausio 1 d.

7.1.2.2b.

Specialiosios taisyklės dėl transporto priemonių, modifikuotų siekiant ribotą laiką išbandyti technologinių naujovių veikimo charakteristikas arba patikimumą.

7.1.3.

Taisyklės, susijusios su EB tipo arba projekto tyrimo sertifikatais

7.1.4.

Esamų riedmenų, kurių leidimas eksploatuoti išduotas pagal Direktyvą 2008/57/EB arba kurie pradėti eksploatuoti iki 2010 m. liepos 19 d., naudojimo teritorijos išplėtimo taisyklės

7.2.

Suderinamumas su kitais posistemiais

7.3.

Specifiniai atvejai

7.3.1.

Bendrosios nuostatos

7.3.2.

Specifinių atvejų sąrašas

7.4.

Specifinės aplinkos sąlygos

7.5.

Aspektai, į kuriuos reikia atsižvelgti atliekant persvarstymo procedūrą arba vykdant kitą agentūros veiklą

7.5.1.

Aspektai, susiję su šioje TSS apibrėžtu pagrindiniu parametru

7.5.2.

Aspektai, nesusiję su šioje TSS apibrėžtu pagrindiniu parametru, bet nagrinėjami įgyvendinant mokslinių tyrimų projektus

7.5.3.

Svarbūs ES geležinkelių sistemos aspektai, neįtraukti į technines sąveikos specifikacijas

▼C1

A PRIEDĖLIS.

Išbraukta sąmoningai

B PRIEDĖLIS.

1 520 mm pločio vėžės sistemos gabaritas „T“

C PRIEDĖLIS.

Specialios nuostatos, taikomos geležinkelio statybos ir priežiūros riedmenims

D PRIEDĖLIS.

Tipinis vagonas lokomotyvams, kuriuose sumontuoti galiniai automatiniai taukšų centriniai sukabintuvai ir kurių sukabintuvą veikianti traukos jėga gali būti didesnė nei 300 kN

E PRIEDĖLIS.

Mašinisto antropometriniai duomenys

F PRIEDĖLIS.

Priekinis matomumas

G PRIEDĖLIS.

Paranga

H PRIEDĖLIS.

Riedmenų posistemio vertinimas

I PRIEDĖLIS.

Techninėmis specifikacijomis neapibrėžti aspektai (neišspręsti klausimai)

J PRIEDĖLIS.

Šioje TSS nurodytos techninės specifikacijos

▼B

1.   ĮVADAS

1.1.    Techninė taikymo sritis

Šioje techninėje sąveikos specifikacijoje (TSS) aprašomas tam tikras posistemis, siekiant įvykdyti Sąjungos geležinkelių sistemos esminius reikalavimus ir užtikrinti jos sąveiką, kaip aprašyta ►M3  Direktyvos (ES) 2016/797 1 straipsnyje ◄ .

Šis posistemis – tai Sąjungos geležinkelių sistemos, nurodytos ►M3  Direktyvos (ES) 2016/797 II priedo 2.7 skirsnyje ◄ , riedmenys.

Ši TSS taikoma riedmenims:

— 
kurie naudojami (arba skirti naudoti) geležinkelių tinkle, apibrėžtame šios TSS 1.2 skirsnyje „Geografinė taikymo sritis“,
ir
— 
kurie yra vieno iš toliau nurodytų tipų (kaip apibrėžta ►M3  Direktyvos (ES) 2016/797 I priedo 2 skirsnyje ◄ ):
— 
savaeigiai šiluminiai arba elektriniai traukiniai,
— 
šiluminiai arba elektriniai traukimo agregatai,
— 
keleiviniai vagonai,
— 
mobilioji geležinkelių infrastruktūros statybos ir techninės priežiūros įranga.

Į šios TSS taikymo sritį nepatenka ►M3  Direktyvos (ES) 2016/797 1 straipsnio 3 ir 4 dalyse ◄ nurodytų tipų riedmenys:

— 
metro, tramvajai ir kitos lengvosios bėginio transporto priemonės,
— 
transporto priemonės, naudojamos vietos, miesto ir priemiesčių keleivių pervežimo paslaugoms teikti tinklais, kurie funkciniu požiūriu nesusiję su likusia geležinkelių sistema,
— 
vien privačioje geležinkelių infrastruktūroje naudojamos transporto priemonės, kuriomis naudojasi tik savininkas savo nuosavoms krovinių pervežimo operacijoms vykdyti,
— 
transporto priemonės, skirtos naudoti tik pervežimui vietoje, ekskursijoms ar turistų vežiojimui.

Išsami riedmenų, kuriems taikoma ši TSS, apibrėžtis pateikiama 2 skyriuje.

▼M3

1.2.    Geografinė taikymo sritis

Geografinė šios TSS taikymo sritis yra Sąjungos geležinkelių sistema, kaip nurodyta Direktyvos (ES) 2016/797 I priede, išskyrus atvejus, nurodytus Direktyvos (ES) 2016/797 1 straipsnio 3 ir 4 dalyse.“;

1.3.    Šios TSS turinys

Pagal Direktyvos (ES) 2016/797 4 straipsnio 3 dalį šioje TSS:

a) 

nurodoma numatyta jos taikymo sritis (2 skyrius);

b) 

nustatomi posistemio „Lokomotyvai ir keleiviniai riedmenys“ esminiai reikalavimai ir jo sąsajos su kitais posistemiais (3 skyrius);

c) 

nustatomos funkcinės ir techninės specifikacijos, kurias turi atitikti posistemis ir jo sąsajos su kitais posistemiais (4 skyrius);

d) 

nustatomos sąveikos sudedamosios dalys ir sąsajos, kurioms turi būti taikomos Europos specifikacijos (įskaitant Europos standartus), būtinos sąveikai Europos Sąjungos geležinkelių sistemoje užtikrinti (5 skyrius);

e) 

kiekvienu nagrinėjamu atveju nurodoma, kokios procedūros turi būti taikomos norint įvertinti sąveikos sudedamųjų dalių atitiktį ar tinkamumą naudoti ir atliekant posistemių EB patikrą (6 skyrius);

f) 

nurodoma šios TSS įgyvendinimo strategija (7 skyrius);

g) 

nurodoma atitinkamų darbuotojų profesinė kvalifikacija, profesinės sveikatos ir darbo saugos sąlygos, būtinos eksploatuojant ir techniškai prižiūrint posistemį, taip pat įgyvendinant šią TSS (4 skyrius);

h) 

nurodomos nuostatos, taikomos esamam riedmenų posistemiui, visų pirma, kai jis tobulinamas ir atnaujinamas, ir tokiais atvejais modifikavimo darbas, dėl kurio reikia teikti paraišką naujam leidimui gauti;

i) 

nurodoma, kokius riedmenų posistemio parametrus tikrina geležinkelio įmonė ir kokios procedūros taikomos siekiant patikrinti tuos parametrus, kai leidimas pateikti transporto priemonę rinkai išduotas, bet prieš panaudojant ją pirmą kartą, kad būtų užtikrintas transporto priemonių ir maršrutų, kuriuose jos bus eksploatuojamos, suderinamumas.

Pagal Direktyvos (ES) 2016/797 4 straipsnio 5 dalį specifinių atvejų nuostatos pateiktos 7 skyriuje.

▼B

2.   RIEDMENŲ POSISTEMIS IR FUNKCIJOS

2.1.    Riedmenų posistemis kaip Sąjungos geležinkelių sistemos dalis

Sąjungos geležinkelių sistema yra padalyta į šiuos posistemius, kaip apibrėžta ►M3  Direktyvos (ES) 2016/797 ◄ II priede (1 skirsnyje):

a) 

pagal struktūrines sritis:

— 
infrastruktūra,
— 
energija,
— 
kelio kontrolė, valdymas ir signalizavimas,
— 
riedmens kontrolė, valdymas ir signalizavimas,
— 
riedmenys;
b) 

pagal funkcines sritis:

— 
traukinių eismo organizavimas ir valdymas,
— 
techninė priežiūra,
— 
telematikos priemonės keleivių ir krovinių vežimo paslaugoms.

Išskyrus techninės priežiūros posistemį, kiekvienas posistemis aprašytas specialioje (-iose) TSS.

Šioje TSS aprašomas riedmenų posistemis (kaip apibrėžta 1.1 skirsnyje) turi sąsajų su kitais pirmiau minėtais Sąjungos geležinkelių sistemos posistemiais; šios sąsajos nagrinėjamos kaip integruota sistema, suderinta su visomis susijusiomis TSS.

Be to, yra dvi TSS, kuriose aprašomi specifiniai geležinkelių sistemos aspektai, susiję su keliais posistemiais (vienas iš jų – riedmenų posistemis):

a) 

geležinkelio tunelių saugos TSS;

b) 

prieinamumo žmonėms su judėjimo negalia TSS

ir dvi TSS, susijusios su konkrečiais riedmenų posistemio aspektais:

c) 

triukšmo TSS ir

d) 

prekinių vagonų TSS.

Riedmenų posistemiui keliami reikalavimai, išdėstyti šiose keturiose TSS, šioje TSS nekartojami. Be to, šios keturios TSS pagal jų atitinkamas taikymo sritis ir įgyvendinimo taisykles taikomos riedmenų posistemiui.

2.2.    Su riedmenimis susijusios apibrėžtys

Šioje TSS vartojamų terminų apibrėžtys:

2.2.1.    Traukinio sąstatas

a) 

Riedmenų vienetas – bendras terminas, kuriuo vadinami riedmenys, kuriems taikoma ši TSS ir atitinkamai EB patikra.

b) 

Riedmenų vienetas gali būti sudarytas iš kelių transporto priemonių (toliau – riedmenų), kaip apibrėžta ►M3  Direktyvos (ES) 2016/797 2 straipsnio 3 punkte ◄ ; atsižvelgiant į šios TSS taikymo sritį, šioje TSS terminas „riedmuo“ taikomas tik 1 skyriuje aprašytam riedmenų posistemiui.

c) 

Traukinys – iš vieno ar kelių riedmenų vienetų sudarytas eksploatuoti tinkamas sąstatas.

d) 

Keleivinis traukinys – eksploatuoti tinkamas sąstatas, į kurį gali patekti keleiviai (iš keleivinių riedmenų sudarytas traukinys, į kurį keleiviai patekti negali, keleiviniu traukiniu nelaikomas).

e) 

Nekintamos sudėties sąstatas – traukinio sąstatas, kurį perstatyti galima tik dirbtuvėse.

f) 

Iš anksto suformuotas (-ieji) sąstatas (-ai) – projektuojant apibrėžtas (-i) kelių sujungtų riedmenų vienetų traukinio sąstatas (-ai), kurį (-iuos) galima perstatyti eksploatuojant.

g) 

Sudėtinis naudojimas eksploatuoti tinkamas sąstatas, kurį sudaro daugiau kaip vienas riedmenų vienetas:

— 
traukinio sąstatai, suprojektuoti taip, kad kelis iš jų (vertinamo tipo) būtų galima sujungti ir naudoti kaip vieną traukinį, valdomą iš pirmojo mašinisto kabinos,
— 
lokomotyvai, suprojektuoti taip, kad kelis iš jų (vertinamo tipo) būtų galima sukabinti į vieną traukinį, valdomą iš pirmojo mašinisto kabinos.
h) 

Bendrasis naudojimas riedmenų vienetas yra bendrojo naudojimo paskirties, jeigu jis skirtas prikabinti prie kito (-ų) riedmenų vieneto (-ų), įeinančio (-ių) į traukinio sąstatą, kuris projektuojant neapibrėžtas.

▼M3

2.2.2.    Riedmenys

Toliau pateiktos apibrėžtys suskirstytos į tris grupes, kaip nustatyta Direktyvos (ES) 2016/797 I priedo 2 skirsnyje.

A) 

Lokomotyvai ir keleiviniai riedmenys, įskaitant šiluminius ir elektrinius traukos agregatus, savaeigius šiluminius ir elektrinius keleivinius traukinius, ir keleiviniai vagonai:

(1)    Šiluminiai arba elektriniai traukos agregatai

Lokomotyvas – traukos riedmuo (arba kelių tokių riedmenų junginys), kuris neskirtas naudingam kroviniui vežti ir kurį įprastomis naudojimo sąlygomis galima atkabinti nuo traukinio ir naudoti atskirai.

Manevrinis lokomotyvas – traukos riedmuo, skirtas naudoti tik manevravimo stotyse, stotyse ir depuose.

Traukinį taip pat gali traukti variklinis riedmuo su mašinisto kabina ar be jos, neskirtas atkabinti įprastomis naudojimo sąlygomis. Toks riedmuo paprastai vadinamas varikliniu riedmenų vienetu (arba varikliniu vagonu), o kai jis yra viename traukinio sąstato gale ir turi mašinisto kabiną – elektrovežiu.

(2)    Savaeigiai šiluminiai arba elektriniai keleiviniai traukiniai

Nekintamos sudėties traukinio sąstatas, kurį galima naudoti kaip traukinį; galimybė jį perstatyti iš esmės nenumatyta, išskyrus perstatymą dirbtuvėse. Jį sudaro tik variklinės arba variklinės ir nevariklinės transporto priemonės.

Elektrinis ir (arba) dyzelinis sudėtinis riedmenų vienetas – traukinio sąstatas, kurio visos transporto priemonės gali vežti keleivius arba bagažą ir (arba) paštą arba krovinius.

Drezina – riedmuo, galintis važiuoti pats ir vežti keleivius, bagažą ir (arba) paštą arba krovinius.

Tramvajus-traukinys – transporto priemonė, sukurta bendrai naudoti tiek lengvojo bėginio transporto infrastruktūroje, tiek sunkiasvorio geležinkelio transporto infrastruktūroje;

(3)    Keleiviniai vagonai ir kiti susiję vagonai

Keleivinis vagonas – nekintamos sudėties arba keičiamo sąstato ne traukos riedmuo, kuriuo galima vežti keleivius (be to, laikoma, kad reikalavimai, taikytini šioje TSS nurodytiems keleiviniams vagonams, taikomi ir vagonams restoranams, miegamiesiems vagonams, vagonams su gultais ir t. t.).

Pašto ir bagažo vagonas – ne traukos riedmuo, kuriuo galima vežti naudingą krovinį (išskyrus keleivius), pvz., bagažą arba paštą, ir kuris numatytas įtraukti į nekintamos sudėties arba keičiamą sąstatą, skirtą keleiviams vežti.

Valdomasis prikabinamasis vagonas – ne traukos riedmuo su mašinisto kabina.

Keleiviniame vagone gali būti įrengta mašinisto kabina; tuo atveju šis keleivinis vagonas vadinamas valdomuoju keleiviniu vagonu.

Pašto ir bagažo vagone gali būti įrengta mašinisto kabina; tuo atveju jis vadinamas valdomuoju prekiniu vagonu.

Vagonas automobiliams vežti – ne traukos riedmuo, kuriuo galima vežti lengvąsias variklines transporto priemones be keleivių, skirtas prikabinti prie keleivinio traukinio.

Nekintama vagonų grupė – sąstatas, sudarytas iš kelių vagonų, kurie beveik neišardomai sujungti, arba tokių vagonų, kurių sąstatą galima perstatyti tik kai jis nenaudojamas.

B) 

Prekiniai vagonai, įskaitant visam tinklui skirtas žemagrindes transporto priemones ir sunkvežimiams vežti skirtas transporto priemones.

Šioms transporto priemonėms ši TSS netaikoma. Joms taikomas Reglamentas (ES) Nr. 321/2013 (prekinių vagonų TSS).

C) 

Specialiosios transporto priemonės, pavyzdžiui, geležinkelio statybos ir priežiūros riedmenys.

Geležinkelio statybos ir priežiūros riedmenys – riedmenys, specialiai skirti geležinkelio kelio ir infrastruktūros statybai ir techninei priežiūrai. Geležinkelio statybos ir priežiūros riedmenys naudojami įvairiais režimais: darbo režimu, važiavimo režimu (kaip savaeigis riedmuo), pervežimo režimu (kaip traukiamas riedmuo).

Infrastruktūros apžiūros riedmenys naudojami infrastruktūros būklei stebėti. Jie naudojami tuo pačiu būdu kaip prekiniai ar keleiviniai traukiniai, neskiriant transporto ir darbo režimo.

▼B

2.3.    Riedmenys, kuriems taikoma ši TSS

▼M3

2.3.1.    Geležinkelių riedmenų rūšys

Toliau nurodoma šios riedmenų, suskirstytų į tris grupes, kaip nustatyta Direktyvos (ES) 2016/797 I priedo 2 skirsnyje, TSS taikymo sritis:

A) 

Lokomotyvai ir keleiviniai riedmenys, įskaitant šiluminius ir elektrinius traukos agregatus, savaeigius šiluminius ir elektrinius keleivinius traukinius, ir keleiviniai vagonai.

(1)    Šiluminiai arba elektriniai traukimo agregatai

Prie šio tipo priskiriami traukos riedmenys, kuriais negalima vežti naudingo krovinio, pvz., šiluminiai arba elektriniai lokomotyvai arba varikliniai riedmenų vienetai.

Šie traukos riedmenys skirti kroviniams ir (arba) keleiviams vežti.

Taikymo srities išimtis

Ši TSS netaikoma manevriniams lokomotyvams (kaip nurodyta 2.2 skirsnyje); tais atvejais, kai jie skirti naudoti Sąjungos geležinkelių tinkle (judėjimui tarp manevravimo stočių, stočių ir depų), taikomas Direktyvos (ES) 2016/797 1 straipsnio 4 dalies b punktas.

(2)    Savaeigiai šiluminiai arba elektriniai keleiviniai traukiniai

Prie šio tipo priskiriami visi nekintamos sudėties arba iš anksto suformuoto sąstato traukiniai, sudaryti iš keleivinių riedmenų ir (arba) nekeleivinių riedmenų.

Kai kuriuose traukinį sudarančiuose riedmenyse sumontuota šiluminė arba elektrinė traukos įranga, traukinyje įrengta mašinisto kabina.

Taikymo srities išimtis

Remiantis Direktyvos (ES) 2016/797 1 straipsnio 3 dalimi, 1 straipsnio 4 dalies d punktu ir 1 straipsnio 5 dalimi, ši TSS netaikoma toliau nurodytiems riedmenims:

— 
Riedmenims, skirtiems naudoti vietos, miesto ir priemiesčių tinkluose, kurie funkciniu požiūriu yra atskirti nuo likusios geležinkelio sistemos.
— 
Riedmenims, kurie visų pirma naudojami lengvojo bėginio transporto infrastruktūroje, tačiau kuriuose yra kai kurių sunkiasvorio geležinkelių transporto komponentų, būtinų galimybei pervažiuoti nedidelę ir ribotą sunkiasvorio geležinkelių transporto infrastruktūros dalį tik sujungiamumo tikslais užtikrinti.
— 
Tramvajai-traukiniai.

(3)    Keleiviniai vagonai ir kiti susiję vagonai

Keleiviniai vagonai:

Prie šio tipo priskiriami ne traukos riedmenys, kuriais vežami keleiviai (keleiviniai vagonai, kurių apibrėžtis pateikta 2.2 skirsnyje) ir kurie naudojami keičiamu sąstatu su riedmenimis, priskiriamais prie pirmiau apibrėžtos šiluminių arba elektrinių traukimo agregatų kategorijos ir atliekančiais traukimo funkciją.

Keleivinio traukinio nekeleiviniai riedmenys:

Prie šio tipo priskiriami prie keleivinio traukinio prikabinami ne traukos riedmenys (pvz., bagažo ar pašto vagonai, vagonai automobiliams vežti, aptarnavimo transporto priemonės ir t. t.); kaip su keleivių vežimu susiję riedmenys jie patenka į šios TSS taikymo sritį.

B) 

Prekiniai vagonai, įskaitant visam tinklui skirtas žemagrindes transporto priemones ir sunkvežimiams vežti skirtas transporto priemones.

Ši TSS netaikoma prekiniams vagonams; jiems taikoma prekinių vagonų TSS, net jei šie vagonai prikabinami prie keleivinio traukinio (šiuo atveju traukinio sudėties parinkimas yra eksploatavimo klausimas).

Ši TSS netaikoma riedmenims, skirtiems lengvosioms variklinėms transporto priemonėms (su keleiviais) vežti.

C) 

Specialiosios transporto priemonės, pavyzdžiui, geležinkelio statybos ir priežiūros riedmenys.

Šio tipo riedmenims ši TSS taikoma tik kai:

1) 

riedmenys rieda ant savo geležinkelio ratų;

2) 

riedmenys yra sukonstruoti ir skirti naudoti taip, kad juos eismo valdymo tikslu atpažintų geležinkelio kelio įranga, ir

3) 

geležinkelio statybos ir priežiūros riedmenims – kai jie parengti važiuoti ant geležinkelio ratų (savo eiga arba traukiami).

Šios TSS taikymo srities išimtis:

geležinkelio statybos ir priežiūros riedmenų atveju ši TSS netaikoma darbinei sąrankai.

▼B

2.3.2.    Vėžės plotis

Ši TSS taikoma riedmenims, skirtiems naudoti 1 435 mm pločio vėžės tinkle arba viename ar daugiau kelių, kurių vardinis vėžės plotis atitinka 1 520 mm, 1 524 mm, 1 600 mm ir 1 668 mm sistemą.

2.3.3.    Didžiausias greitis

Integruotos geležinkelių sistemos, sudarytos iš kelių posistemių (visų pirma stacionarios įrangos, žr. 2.1 skirsnį), atveju laikoma, kad didžiausias projektinis riedmenų greitis lygus 350 km/h arba mažesnis.

Jeigu didžiausias projektinis greitis viršija 350 km/h, ši techninė specifikacija taikoma, tačiau turi būti papildyta greičio kategorija nuo 350 km/h (arba didžiausiu greičiu, susijusiu su konkrečiu parametru, kai tai nurodyta atitinkamame 4.2 skirsnio punkte) iki didžiausio suprojektuoto greičio, taikant 10 straipsnyje aprašytą inovacinių sprendimų procedūrą.

3.   ESMINIAI REIKALAVIMAI

▼M3

3.1.    Esminiai reikalavimai pagal riedmenų posistemio sudedamąsias dalis

Toliau pateiktoje lentelėje nurodyti esminiai reikalavimai, kaip apibrėžta ir sunumeruota Direktyvos (ES) 2016/797 III priede, į kuriuos atsižvelgta šios TSS 4 skyriuje išdėstytomis specifikacijomis.

Esminiai reikalavimai pagal riedmenų sudedamąsias dalis

Pastaba. Nurodyti tik tie 4.2 skirsnio punktai, kuriuose nustatomi reikalavimai.



Nuoroda (papunktis)

Riedmenų posistemio elementas

Sauga

Patikimumas ir prieinamumas

Sveikata

Aplinkos apsauga

Techninis suderinamumas

4.2.2.2.2

Vidinė sankaba

1.1.3

2.4.1

 

 

 

 

4.2.2.2.3

Galinė sankaba

1.1.3

2.4.1

 

 

 

 

4.2.2.2.4

Avarinio sukabinimo įtaisas

 

2.4.2

 

 

2.5.3

4.2.2.2.5

Prieiga darbuotojams atlikti sukabinimą ir (arba) atkabinimą

1.1.5

 

2.5.1

 

2.5.3

4.2.2.3

Keleivinių vagonų perėjos

1.1.5

 

 

 

 

4.2.2.4

Riedmens konstrukcijos tvirtumas

1.1.3

2.4.1

 

 

 

 

4.2.2.5

Pasyvioji sauga

2.4.1

 

 

 

 

4.2.2.6

Kėlimas keltuvu ir kėlikliais

 

 

 

 

2.5.3

4.2.2.7

Įtaisų tvirtinimas prie riedmens kėbulo konstrukcijos

1.1.3

 

 

 

 

4.2.2.8

Traukinio darbuotojams ir prieigai prie krovinių skirtos durys

1.1.5

2.4.1

 

 

 

 

4.2.2.9

Mechaninės stiklo savybės

2.4.1

 

 

 

 

4.2.2.10

Apkrovos sąlygos ir svertinė masė

1.1.3

 

 

 

 

4.2.3.1

Gabaritai

 

 

 

 

2.4.3

4.2.3.2.1

Ašies apkrovos parametras

 

 

 

 

2.4.3

4.2.3.2.2

Rato apkrova

1.1.3

 

 

 

 

4.2.3.3.1

Riedmens savybės suderinamumui su traukinių buvimo vietos nustatymo sistemomis užtikrinti

1.1.1

 

 

 

2.4.3

2.3.2

4.2.3.3.2

Ašies guolių būklės stebėjimas

1.1.1

1.2

 

 

 

4.2.3.4.1

Sauga nuo nuriedėjimo nuo bėgių važiuojant kelio sąsūka

1.1.1

1.1.2

 

 

 

2.4.3

4.2.3.4.2

Važiavimo dinaminės savybės

1.1.1

1.1.2

 

 

 

2.4.3

4.2.3.4.2.1

Važiavimo saugos ribinės vertės

1.1.1

1.1.2

 

 

 

2.4.3

4.2.3.4.2.2

Geležinkelio kelio apkrovos ribinės vertės

 

 

 

 

2.4.3

4.2.3.4.3

Lygiavertis kūgiškumas

1.1.1

1.1.2

 

 

 

2.4.3

4.2.3.4.3.1

Naujų ratų profilių projektinės vertės

1.1.1

1.1.2

 

 

 

2.4.3

4.2.3.4.3.2

Aširačio lygiaverčio kūgiškumo eksploatacinės vertės

1.1.2

1.2

 

 

2.4.3

4.2.3.5.1

Vežimėlio rėmo konstrukcija

1.1.1

1.1.2

 

 

 

 

4.2.3.5.2.1

Aširačių mechaninės ir geometrinės savybės

1.1.1

1.1.2

 

 

 

2.4.3

4.2.3.5.2.2

Ratų mechaninės ir geometrinės savybės

1.1.1

1.1.2

 

 

 

 

4.2.3.5.3

Automatinės keičiamojo vėžės pločio sistemos

1.1.1

1.1.2, 1.1.3

1.2

 

 

1.5

4.2.3.6

Mažiausias kreivės spindulys

1.1.1

1.1.2

 

 

 

2.4.3

4.2.3.7

Apsauginės užtvaros

1.1.1

 

 

 

 

4.2.4.2.1

Stabdymas. Funkciniai reikalavimai

1.1.1

2.4.1

2.4.2

 

 

1.5

4.2.4.2.2

Stabdymas. Saugos reikalavimai

1.1.1

1.2

2.4.2

 

 

 

4.2.4.3

Stabdžių sistemos tipas

 

 

 

 

2.4.3

4.2.4.4.1

Avarinio stabdymo komanda

2.4.1

 

 

 

2.4.3

4.2.4.4.2

Paprastojo stabdymo komanda

 

 

 

 

2.4.3

4.2.4.4.3

Tiesioginė stabdymo komanda

 

 

 

 

2.4.3

4.2.4.4.4

Dinaminio stabdymo komanda

1.1.3

 

 

 

 

4.2.4.4.5

Stovėjimo stabdžio įjungimo komanda

 

 

 

 

2.4.3

4.2.4.5.1

Stabdymo efektyvumas. Bendrieji reikalavimai

1.1.1

2.4.1

2.4.2

 

 

1.5

4.2.4.5.2

Avarinis stabdymas

1.1.2

2.4.1

 

 

 

2.4.3

4.2.4.5.3

Paprastasis stabdymas

 

 

 

 

2.4.3

4.2.4.5.4

Su šilumine talpa susiję skaičiavimai

2.4.1

 

 

 

2.4.3

4.2.4.5.5

Stovėjimo stabdys

2.4.1

 

 

 

2.4.3

4.2.4.6.1

Rato sankybio su bėgiu profilio ribinės vertės

2.4.1

1.2

2.4.2

 

 

 

4.2.4.6.2

Apsaugos nuo ratų slydimo sistema

2.4.1

1.2

2.4.2

 

 

 

4.2.4.7

Dinaminis stabdys. Su traukos sistema susijusios stabdžių sistemos

2.4.1

1.2

2.4.2

 

 

 

4.2.4.8.1.

Nuo sankybio nepriklausoma stabdžių sistema. Bendrieji reikalavimai

2.4.1

1.2

2.4.2

 

 

 

4.2.4.8.2.

Magnetinis bėginis stabdys

 

 

 

 

2.4.3

4.2.4.8.3

Sūkurinių srovių bėginis stabdys

 

 

 

 

2.4.3

4.2.4.9

Stabdžių būsenos ir trikties signalizavimas

1.1.1

1.2

2.4.2

 

 

 

4.2.4.10

Stabdžiams taikomi reikalavimai, susiję su gelbėjimo darbais

 

2.4.2

 

 

 

4.2.5.1

Sanitarinės sistemos

 

 

 

1.4.1

 

4.2.5.2

Garsinio ryšio sistema

2.4.1

 

 

 

 

4.2.5.3

Keleivių pavojaus signalas

2.4.1

 

 

 

 

4.2.5.4

Keleiviams skirti ryšio įtaisai

2.4.1

 

 

 

 

4.2.5.5

Išorinės durys. Įėjimas į riedmenį ir išėjimas iš jo

2.4.1

 

 

 

 

4.2.5.6

Išorinės durys. Sistemos konstrukcija

1.1.3

2.4.1

 

 

 

 

4.2.5.7

Perėjimo iš vieno riedmenų vieneto į kitą durys

1.1.5

 

 

 

 

4.2.5.8

Patalpų oro kokybė

 

 

1.3.2

 

 

4.2.5.9

Kėbulo šoniniai langai

1.1.5

 

 

 

 

4.2.6.1

Aplinkos sąlygos

 

2.4.2

 

 

 

4.2.6.2.1

Sūkurinių oro srovių poveikis perone esantiems keleiviams ir šalia geležinkelio kelio esantiems darbuotojams

1.1.1

 

1.3.1

 

 

4.2.6.2.2

Traukinio priekinės dalies sukelti slėgio pokyčiai

 

 

 

 

2.4.3

4.2.6.2.3

Didžiausi slėgio pokyčiai tuneliuose

 

 

 

 

2.4.3

4.2.6.2.4

Šoninis vėjas

1.1.1

 

 

 

 

4.2.6.2.5

Aerodinaminis poveikis balastuotam geležinkelio keliui

1.1.1

 

 

 

2.4.3

4.2.7.1.1

Priekiniai žibintai

 

 

 

 

2.4.3

4.2.7.1.2

Gabaritiniai žibintai

1.1.1

 

 

 

2.4.3

4.2.7.1.3

Galiniai žibintai

1.1.1

 

 

 

2.4.3

4.2.7.1.4

Lempų valdikliai

 

 

 

 

2.4.3

4.2.7.2.1

Įspėjamojo garso signalo įtaisas. Bendrieji reikalavimai

1.1.1

 

 

 

2.4.3

2.6.3

4.2.7.2.2

Įspėjamojo garso signalo garso slėgio lygiai

1.1.1

 

1.3.1

 

 

4.2.7.2.3

Apsauga

 

 

 

 

2.4.3

4.2.7.2.4

Įspėjamojo garso signalo įtaiso valdikliai

1.1.1

 

 

 

2.4.3

4.2.8.1

Traukos savybės

 

 

 

 

2.4.3

2.6.3

4.2.8.2

4.2.8.2.1–4.2.8.2.9

Elektros energijos tiekimas

 

 

 

 

1.5

2.4.3

2.2.3

4.2.8.2.10

Traukinio elektros įrenginių apsauga

2.4.1

 

 

 

 

4.2.8.3

Dyzelinės ir kitos šiluminės traukos sistemos

2.4.1

 

 

 

1.4.1

4.2.8.4

Apsauga nuo elektros srovės pavojaus

2.4.1

 

 

 

 

4.2.9.1.1

Bendrieji reikalavimai, taikomi mašinisto kabinai

4.2.9.1.2

Įėjimas ir išėjimas

1.1.5

 

 

 

2.4.3

4.2.9.1.3

Išorės matomumas

1.1.1

 

 

 

2.4.3

4.2.9.1.4

Vidaus išplanavimas

1.1.5

 

 

 

 

4.2.9.1.5

Mašinisto sėdynė

 

 

1.3.1

 

 

4.2.9.1.6

Mašinisto pultas. Ergonominės savybės

1.1.5

 

1.3.1

 

 

4.2.9.1.7

Mikroklimato reguliavimas ir oro kokybė

 

 

1.3.1

 

 

4.2.9.1.8

Vidaus apšvietimas

 

 

 

 

2.6.3

4.2.9.2.1

Priekinis stiklas. Mechaninės savybės

2.4.1

 

 

 

 

4.2.9.2.2

Priekinis stiklas. Optinės savybės

 

 

 

 

2.4.3

4.2.9.2.3

Priekinis stiklas. Įranga

 

 

 

 

2.4.3

4.2.9.3.1

Mašinisto veiklos priežiūros funkcija

1.1.1

 

 

 

2.6.3

4.2.9.3.2

Greičio rodymas

1.1.5

 

 

 

 

4.2.9.3.3

Mašinisto vaizduoklis ir ekranai

1.1.5

 

 

 

 

4.2.9.3.4

Valdikliai ir rodytuvai

1.1.5

 

 

 

 

4.2.9.3.5

Ženklinimas

 

 

 

 

2.6.3

4.2.9.3.6

Nuotolinio valdymo radijo bangomis funkcija, kuria naudojasi darbuotojai per manevravimo operacijas

1.1.1

 

 

 

 

4.2.9.4

Transporto priemonėje turimi įrankiai ir kilnojamoji įranga

2.4.1

 

 

 

2.4.3

2.6.3

4.2.9.5

Traukinio darbuotojų reikmėms skirtos sandėliavimo patalpos

4.2.9.6

Registravimo įtaisas

 

 

 

 

2.4.4

4.2.10.2

Gaisrinė sauga. Gaisrinės saugos priemonės

1.1.4

 

1.3.2

1.4.2

 

4.2.10.3

Gaisro aptikimo ir (arba) valdymo priemonės

1.1.4

 

 

 

 

4.2.10.4

Avarijos atvejais taikomi reikalavimai

2.4.1

 

 

 

 

4.2.10.5

Su evakuacija susiję reikalavimai

2.4.1

 

 

 

 

4.2.11.2

Traukinių išorės valymas

 

 

 

 

1.5

4.2.11.3

Jungtis su tualeto nuotekų šalinimo sistema

 

 

 

 

1.5

4.2.11.4

Vandens pildymo įranga

 

 

1.3.1

 

 

4.2.11.5

Vandens pildymo sąsaja

 

 

 

 

1.5

4.2.11.6

Specialūs traukinių statymo į atsarginį kelią reikalavimai

 

 

 

 

1.5

4.2.11.7

Degalų pildymo įranga

 

 

 

 

1.5

4.2.11.8

Traukinio vidaus valymas. Elektros energijos tiekimas

 

 

 

 

2.5.3

4.2.12.2

Bendrieji dokumentai

 

 

 

 

1.5

4.2.12.3

Su technine priežiūra susiję dokumentai

1.1.1

 

 

 

2.5.1

2.5.2

2.6.1

2.6.2

4.2.12.4

Naudojimo dokumentai

1.1.1

 

 

 

2.4.2

2.6.1

2.6.2

4.2.12.5

Kėlimo schema ir nurodymai

 

 

 

 

2.5.3

4.2.12.6

Gelbėjimo darbų aprašymai

 

2.4.2

 

 

2.5.3

▼B

3.2.    Šioje TSS nenagrinėjami esminiai reikalavimai

Kai kurie esminiai reikalavimai, ►M3  Direktyvos (ES) 2016/797 III priede ◄ priskiriami prie bendrųjų reikalavimų arba specifinių kitų posistemių reikalavimų, turi įtakos riedmenų posistemiui; šioje TSS nenagrinėjami arba su tam tikrais apribojimais nagrinėjami reikalavimai nurodyti toliau.

3.2.1.    Bendrieji reikalavimai ir reikalavimai, susiję su technine priežiūra ir naudojimu

Toliau pateiktos straipsnių dalys ir esminiai reikalavimai numeruojami taip, kaip Direktyvos 2008/57/EB III priede.

Į šios TSS taikymo sritį neįtraukiami šie esminiai reikalavimai:

1.4.    Aplinkosauga

1.4.1.  „Geležinkelių sistemos sukūrimo ir eksploatavimo poveikis aplinkai turi būti įvertintas ir į jį atsižvelgta pagal galiojančias Bendrijos nuostatas sistemas dar projektuojant.“

Šis esminis reikalavimas įtrauktas į susijusias Europoje galiojančias nuostatas.

1.4.3.  „Riedmenų ir energijos tiekimo sistemos turi būti suprojektuotos ir pagamintos taip, kad elektromagnetiniu atžvilgiu būtų suderinamos su įrenginiais, įranga ir viešaisiais ar privačiais tinklais, kuriems jos galėtų trukdyti.“

Šis esminis reikalavimas įtrauktas į susijusias Europoje galiojančias nuostatas.

1.4.4.  „Eksploatuojant geležinkelių sistemą turi būti laikomasi esamų akustinės taršos taisyklių.“

Šis esminis reikalavimas yra perteikiamas atitinkamomis galiojančiomis Europos nuostatomis (visų pirma triukšmo TSS ir 2008 m. greitųjų geležinkelių riedmenų TSS iki laiko, kol triukšmo TSS bus taikoma visiems riedmenims).

1.4.5.  „Geležinkelių sistemos eksploatavimas neturi sukelti neleistino lygio žemės virpesių netoli infrastruktūros esančiose tvarkingai prižiūrimose vietose ir jose vykdomai veiklai.“

Šis esminis reikalavimas patenka į infrastruktūros TSS taikymo sritį.

2.5.    Techninė priežiūra

Šios TSS taikymo srityje šie esminiai reikalavimai pagal šios TSS 3.1 skirsnį taikomi tik riedmenų posistemio techninės priežiūros dokumentams, tačiau netaikomi techninės priežiūros įrenginiams.

2.6.    Naudojimas

Atsižvelgiant į šios TSS 3.1 skirsnyje nurodytą šios TSS taikymo sritį, šie esminiai reikalavimai yra susiję su riedmenų posistemio naudojimo dokumentais (2.6.1 ir 2.6.2 skirsnių esminiai reikalavimai) ir su riedmenų technine atitiktimi naudojimo taisyklėms (2.6.3 skirsnio esminiai reikalavimai).

3.2.2.    Kitiems posistemiams keliami specialieji reikalavimai

Norint įgyvendinti minėtus esminius reikalavimus, keliamus visai geležinkelių sistemai, būtina laikytis reikalavimų, keliamų kitiems susijusiems posistemiams.

Riedmenų posistemio reikalavimai, kuriais padedama įvykdyti šiuos esminius reikalavimus, nurodyti šios TSS 3.1 skirsnyje; atitinkami esminiai reikalavimai nurodyti Direktyvos 2008/57/EB III priedo 2.2.3 ir 2.3.2 skirsniuose.

Kiti esminiai reikalavimai į šios TSS taikymo sritį neįtraukti.

4.   RIEDMENŲ POSISTEMIO APIBŪDINIMAS

4.1.    Įvadas

4.1.1.    Bendrosios nuostatos

1) 

Sąjungos geležinkelių sistema, kuriai taikoma ►M3  Direktyva (ES) 2016/797 ◄ ir kuriai priklauso riedmenų posistemis, – tai integruota sistema, kurios nuoseklumas turi būti tikrinamas. Šis nuoseklumas pirmiausia privalo būti tikrinamas atsižvelgiant į riedmenų posistemio specifikacijas, jo sąsajas su kitais Sąjungos geležinkelių sistemos, kuriai jis priklauso, posistemiais, taip pat į naudojimo ir techninės priežiūros taisykles.

2) 

Pagrindiniai riedmenų posistemio parametrai nustatyti šios TSS 4 skyriuje.

3) 

Išskyrus atvejus, kai to tikrai reikia Sąjungos geležinkelių sistemos sąveikai užtikrinti, įgyvendinant 4.2 ir 4.3 skirsniuose išdėstytas funkcines ir technines posistemio ir jo sąsajų specifikacijas, specialių technologijų arba techninių sprendimų taikyti neprivaloma.

4) 

Kai kurios riedmenų savybės, kurias įpareigota įrašyti į Europos patvirtintų tipų transporto priemonių registrą (pagal atitinkamą Komisijos sprendimą), yra aprašytos šios TSS 4.2 ir 6.2 skirsniuose. Be to, šios savybės privalo būti nurodytos riedmenų techniniuose dokumentuose, aprašytuose šios TSS 4.2.12 punkte.

4.1.2.    Riedmenų, kuriems taikoma ši TSS, apibūdinimas

1) 

Riedmenys, kuriems taikoma ši TSS (ir kurie yra riedmenų vienetai, kaip apibrėžta šioje TSS), apibūdinami EB patikros sertifikate nurodant vieną iš šių savybių:

— 
vertinamo tipo sudėtinio naudojimo nekintamos sudėties traukinio sąstatas ir, jeigu reikalaujama, iš anksto suformuotas (-ieji) kelių traukinio sąstatų (tų, kurių sudėtinio naudojimo galimybė vertinama) sąstatas (-ai),
— 
atskiras riedmuo arba nekintamos sudėties riedmenų, skirtų įtraukti į iš anksto suformuotą (-us) sąstatą (-us), grupės,
— 
atskiras riedmuo arba nekintamos sudėties bendrojo naudojimo paskirties riedmenų grupės ir, jei reikalaujama, iš anksto suformuotas (-i) kelių riedmenų (lokomotyvų), kurių sudėtinio naudojimo galimybė vertinama, sąstatas (-ai).

Pastaba. Sudėtinis vertinamo riedmenų vieneto naudojimas su kitų tipų riedmenimis į šios TSS taikymo sritį neįtraukiamas.

2) 

Traukinio sąstato ir riedmenų vienetų apibrėžtys pateiktos šios TSS 2.2 skirsnyje.

3) 

Kai vertinamas riedmenų vienetas, skirtas naudoti nekintamos sudėties arba iš anksto suformuotame (-uose) sąstate (-uose), sąstatą (-us), kuriam (-iems) galima taikyti šį vertinimą, apibrėžia šalis, kuri prašo atlikti vertinimą, nurodant tai EB patikros sertifikate. Pateikiant kiekvieno sąstato apibrėžtį, būtina nurodyti kiekvieno riedmens (arba – lankstinių nekintamos sudėties sąstatų atveju – riedmens kėbulų ir aširačių) tipo ženklinimą ir jų išdėstymą sąstate. Papildoma informacija pateikiama 6.2.8 ir 6.2.9 punktuose.

4) 

Nustatant kai kurias bendrojo naudojimo paskirties riedmenų vieneto savybes ir atliekant kai kuriuos jo vertinimus, reikės nustatyti apribojimus, susijusius su traukinių sąstatais. Šie apribojimai išdėstyti 4.2 skirsnyje ir 6.2.7 punkte.

4.1.3.    Pagrindinės riedmenų kategorijos, nustatomos šios TSS reikalavimų taikymo tikslais

1) 

Tolesniuose šios TSS punktuose riedmenų skirstymo į technines kategorijas sistema taikoma riedmenų vienetui taikytiniems reikalavimams apibrėžti.

2) 

Riedmenų vieneto, kuriam taikoma ši TSS, techninę (-es) kategoriją (-as) nustato šalis, prašanti atlikti vertinimą. Už vertinimą atsakinga paskelbtoji įstaiga naudoja šias kategorijas norėdama įvertinti taikytinus šios TSS reikalavimus ir jas nurodo EB patikros sertifikate.

3) 

Techninės riedmenų kategorijos:

— 
keleiviams vežti skirtas riedmenų vienetas,
— 
su keleiviais susijusiam kroviniui (bagažui, automobiliams ir t. t.) vežti skirtas riedmenų vienetas,
— 
kitam naudingam kroviniui (paštui, kroviniams ir pan.) vežti skirtas riedmenų vienetas savaeigiuose traukiniuose,
— 
riedmenų vienetas su mašinisto kabina,
— 
riedmenų vienetas su traukos įranga,
— 
elektrinis riedmenų vienetas, apibrėžiamas kaip riedmenų vienetas, kuriam iš elektrifikavimo sistemos (-ų), apibūdintos (-ų) energetikos TSS, tiekiama elektros energija,
— 
šiluminis traukos riedmenų vienetas,
— 
prekinis lokomotyvas: prekiniams vagonams traukti skirtas riedmenų vienetas,
— 
keleivinis lokomotyvas: keleiviniams vagonams traukti skirtas riedmenų vienetas,
— 
geležinkelio statybos ir priežiūros riedmenys,
— 
infrastruktūros apžiūros riedmenys.

Riedmenų vienetas priskiriamas prie vienos arba kelių pirmiau nurodytų kategorijų.

4) 

Jeigu 4.2 skirsnio punktuose nenurodyta kitaip, šioje TSS nurodyti reikalavimai taikomi visoms pirmiau apibrėžtoms techninėms riedmenų kategorijoms.

5) 

Vertinant riedmenų vienetą įvertinama ir jo eksploatacinė sąranka; reikėtų skirti:

— 
riedmenų vienetus, kurie gali būti naudojami kaip traukinys,
— 
riedmenų vienetus, kurių negalima naudoti atskirai ir kuriuos reikia sukabinti su kitu (-ais) riedmenų vienetu (-ais), kad juos būtų galima naudoti kaip traukinį (taip pat žr. 4.1.2, 6.2.7 ir 6.2.8 punktus).
6) 

Riedmenų vieneto, kuriam taikoma ši TSS, didžiausią projektinį greitį nustato šalis, prašanti atlikti vertinimą; kai šis greitis viršija 60 km/h, jis turi dalintis iš 5 km/h (taip pat žr. 4.2.8.1.2 punktą). Už vertinimą atsakinga paskelbtoji įstaiga naudoja šį greitį, norėdama įvertinti taikytinus šios TSS reikalavimus, ir jį nurodo EB patikros sertifikate.

4.1.4.    Riedmenų skirstymas į kategorijas priešgaisrinės saugos tikslais

1) 

Priešgaisrinės saugos reikalavimų atžvilgiu geležinkelių tunelių saugos TSS apibrėžiamos ir nurodomos keturios riedmenų kategorijos.

— 
A kategorijos keleiviniai riedmenys (įskaitant keleivinius lokomotyvus),
— 
B kategorijos keleiviniai riedmenys (įskaitant keleivinius lokomotyvus),
— 
prekinis lokomotyvas ir savaeigis riedmenų vienetas suprojektuotas ne keleiviams, o kitam naudingam kroviniui (paštui, prekėms, infrastruktūros apžiūros riedmenims ir pan.) vežti,
— 
geležinkelio statybos ir priežiūros riedmenys.
2) 

Riedmenų vieneto kategorijos ir tuneliuose atliekamos operacijos suderinamumas nustatytas geležinkelių tunelių saugos TSS.

3) 

Keleiviams vežti arba keleiviniams vagonams traukti skirtiems riedmenų vienetams, kuriems taikoma ši TSS, prašanti atlikti vertinimą šalis negali pasirinkti už A kategoriją žemesnės kategorijos; B kategorijos pasirinkimo kriterijai nurodyti geležinkelių tunelių saugos TSS.

4) 

Už vertinimą atsakinga paskelbtoji įstaiga naudoja šias kategorijas, norėdama įvertinti taikytinus šios TSS 4.2.10 punkto reikalavimus, ir jas nurodo EB patikros sertifikate.

4.2.    Funkcinė ir techninė posistemio specifikacija

4.2.1.    Bendrosios nuostatos

4.2.1.1.    Klasifikavimas

1) 

Tolesniuose šio skirsnio punktuose sugrupuotos ir suskirstytos funkcinės ir techninės riedmenų posistemio specifikacijos:

— 
Konstrukcijos ir mechaninės dalys
— 
Sąveika su bėgių keliu ir gabaritų nustatymas
— 
Stabdymas
— 
Su keleiviais susijusios nuostatos
— 
Aplinkos sąlygos
— 
Išoriniai žibintai ir garsinio bei regimojo įspėjimo įrenginiai
— 
Traukos ir elektros įranga
— 
Mašinisto kabina ir mašinisto ir įrangos sąsaja
— 
Gaisrinė sauga ir evakuacija
— 
Paranga
— 
Naudojimo ir techninės priežiūros dokumentai
2) 

Funkcinėje ir techninėje specifikacijoje pateikiama su kai kuriais techniniais aspektais, nurodytais 4, 5 ir 6 skyriuose, susijusi aiški nuoroda į tam tikrą EN standarto arba kito techninio dokumento punktą, kaip numatyta ►M3  Direktyvos (ES) 2016/797 4 straipsnio 8 dalyje ◄ ; šios nuorodos išvardytos šios TSS J priedėlyje.

3) 

Informacija, kuri pateikiama traukinyje, kad traukinio darbuotojai būtų informuoti apie eksploatacinę traukinio būklę (tvarkinga būklė, įranga neveikia, suprastėjusios sąlygos ir t. t.), apibūdinta punkte, kuriame nagrinėjama atitinkama funkcija, ir 4.2.12 punkte „Naudojimo ir techninės priežiūros dokumentai“.

4.2.1.2.    Neišspręsti klausimai

1) 

Kai tam tikro techninio aspekto funkcinė ir techninė specifikacija, būtina esminiams reikalavimams įgyvendinti, dar nėra parengta ir dėl to neįtraukta į šią TSS, šis aspektas atitinkamame punkte nurodomas kaip neišspręstas klausimas; šios TSS I priedėlyje išvardyti visi neišspręsti klausimai, kaip reikalaujama ►M3  Direktyvos (ES) 2016/797 4 straipsnio 6 dalyje ◄ .

Be to, I priedėlyje nurodyta, ar neišspręsti klausimai yra susiję su techniniu suderinamumu su tinklu; šiuo tikslu I priedėlis padalytas į 2 dalis:

— 
neišspręsti klausimai, susiję su riedmens ir tinklo techniniu suderinamumu,
— 
neišspręsti klausimai, nesusiję su riedmens ir tinklo techniniu suderinamumu.
2) 

Kaip reikalaujama ►M3  Direktyvos (ES) 2016/797 4 straipsnio 6 dalyje ir 13 straipsnio 2 dalyje ◄ , neišspręsti klausimai sprendžiami taikant nacionalines technines taisykles.

4.2.1.3.    Saugos aspektai

1) 

Saugos užtikrinimui būtinos funkcijos nustatytos šios TSS 3.1 skirsnyje, jas susiejant su esminiais saugos reikalavimais.

2) 

Saugos reikalavimai, susiję su šiomis funkcijomis, pateikti 4.2 skirsnio atitinkamame punkte išdėstytose techninėse specifikacijose (pvz., „pasyvioji sauga“, „ratai“ ir t. t.).

3) 

Jei šias technines specifikacijas reikia papildyti saugos reikalavimais (poveikio mastas), jie taip pat nurodomi atitinkame 4.2 skirsnio punkte.

4) 

Elektronikos prietaisai ir programinė įranga, naudojami siekiant atlikti saugos užtikrinimui būtinas funkcijas, sukuriami ir įvertinami taikant su sauga susijusiems elektronikos prietaisams ir programinei įrangai tinkamą metodiką.

4.2.2.    Konstrukcija ir mechaninės dalys

4.2.2.1.    Bendrosios nuostatos

1) 

Šioje dalyje pateikiami reikalavimai, susiję su riedmens kėbulo konstrukcijos projektu (transporto priemonės konstrukcijos tvirtumas) ir mechaninėmis jungtimis (mechaninės sąsajos), jungiančiomis riedmenis arba riedmenų vienetus.

2) 

Daugeliu šių reikalavimų siekiama užtikrinti mechaninį eksploatuojamo traukinio vientisumą ir gelbėjimo darbų nuoseklumą, taip pat apsaugoti keleivių ir traukinio darbuotojų patalpas susidūrimo arba nuvažiavimo nuo bėgių atveju.

4.2.2.2.    Mechaninės sąsajos

4.2.2.2.1.   Bendrosios nuostatos ir apibrėžtys

Formuojant traukinio sąstatą (kaip apibrėžta 2.2 skirsnyje), riedmenys sukabinami taip, kad juos būtų galima naudoti kartu. Tai užtikrinti leidžia mechaninė sąsaja – sankaba. Yra keletas sankabų tipų:

1)

vidinė sankaba (dar vadinama „tarpine“ sankaba) – riedmenų sukabinimo įtaisas, leidžiantis iš kelių atskirų riedmenų suformuoti vieną riedmenų vienetą (pvz., nekintamos sudėties vagonų grupę arba traukinio sąstatą);

2)

galinė riedmenų vienetų sankaba („išorinė“ sankaba) – sukabinimo įtaisas, naudojamas dviem (arba keliems) riedmenų vienetams sujungti formuojant traukinį. Galinė sankaba gali būti automatinė, pusiau automatinė arba rankinė. Galinė sankaba gali būti naudojama avariniu atveju (žr. 4.2.2.2.4 punktą). Šioje TSS rankinė sankaba yra galinio sukabinimo sistema, kurią naudojant tarp riedmenų vienetų turi stovėti vienas arba keli žmonės, kad riedmenų vienetus būtų galima mechaniškai sukabinti arba atkabinti;

3)

avarinio sukabinimo įtaisas – sukabinimo įtaisas, leidžiantis atlikti riedmenų vieneto gelbėjimo darbus naudojant variklinį gelbėjimo riedmenų vienetą su standartine rankine sankaba, aprašyta 4.2.2.2.3 punkte, kai riedmenų vienete, kurio gelbėjimo darbus reikia atlikti, sumontuota kitokia sukabinimo sistema arba kai sukabinimo sistema nesumontuota.

4.2.2.2.2.   Vidinė sankaba

1) 

Vidinėse sankabose, jungiančiose atskirus riedmenų vienetą sudarančius riedmenis (kurių kiekvienas laikosi ant savo ratų), sumontuojama sistema, atspari jėgoms, susidarančioms numatytomis naudojimo sąlygomis.

2) 

Jeigu vidinės sukabinimo sistemos, montuojamos tarp riedmenų, išilginis stipris mažesnis už riedmenų vieneto galinės (-ių) sankabos (-ų) stiprį, numatomos priemonės riedmenų vieneto gelbėjimo darbams atlikti sugedus kuriai nors iš šių vidinių sankabų; šios priemonės aprašomos dokumentuose, kuriuos reikalaujama parengti pagal 4.2.12.6 punktą.

3) 

Lankstinių riedmenų atveju dviejų riedmenų ant tos pačios važiuoklės jungtis atitinka standarto J-1 priedėlio 1 rodyklėje nurodytos specifikacijos reikalavimus.

4.2.2.2.3.   Galinė sankaba

a) 

Bendrieji reikalavimai

a-1) 

Galinės sankabos savybėms taikomi reikalavimai

1) 

Jeigu riedmenų vieneto gale sumontuota galinė sankaba, visų rūšių galinėms sankaboms (automatinėms, pusiau automatinėms arba rankinėms) taikomi šie reikalavimai:

— 
galinėse sankabose sumontuojama tamprioji sukabinimo sistema, galinti išlaikyti jėgas, susidarančias numatytomis naudojimo ir gelbėjimo sąlygomis,
— 
galinės sankabos tipas kartu su jos didžiausiomis vardinėmis projektinėmis tempimo ir gniuždymo vertėmis bei jos vidurio linijos aukščiu virš bėgių lygio (naudojant riedmenį su naujais ratais) įrašomas 4.2.12 punkte aprašytuose techniniuose dokumentuose.
2) 

Jeigu nė viename riedmenų vieneto gale sankabos nėra, tokiame gale įrengiamas įtaisas, leidžiantis prikabinti avarinio sukabinimo įtaisą.

a-2) 

Galinės sankabos tipui taikomi reikalavimai

1) 

Riedmenų vienetuose, vertinamuose kaip nekintamos sudėties arba iš anksto suformuoti sąstatai, kurių didžiausias projektinis greitis yra 250 km/h arba didesnis, abiejuose sąstato galuose įrengiamas automatinis taukšų centrinis sukabintuvas, kurio formos ir funkcijos turi būti suderintos su „10 tipo užsklendimo sistemos automatiniu centriniu taukšų sukabintuvu“ (kaip apibrėžta 5.3.1 punkte); jo sankabos vidurio linijos aukštis virš bėgių lygio yra 1 025 mm + 15 mm/– 5 mm (matuojant su naujais ratais, kai apkrovos sąlyga – „projektinė eksploatacinė masė“).

2) 

Riedmenų vienetuose, suprojektuotuose ir vertinamuose bendrojo naudojimo tikslais, taip pat suprojektuotuose naudoti tik 1 520 mm vėžės pločio sistemoje, įrengiamas centrinis taukšų sukabintuvas, kurio formos ir funkcijos turi būti suderintos su SA3 sankaba; jo sankabos vidurio linijos aukštis virš bėgių lygio yra 980–1 080 mm (visomis ratų ir apkrovos sąlygomis).

b) 

Rankinei sukabinimo sistemai taikomi reikalavimai

b-1) 

Riedmenų vienetams taikomos nuostatos

1) 

Riedmenų vienetams, kuriuose sumontuota rankinė sukabinimo sistema, taikomos šios specialiosios nuostatos:

— 
sukabinimo sistema suprojektuojama taip, kad tarp riedmenų vienetų, kuriuos reikia sukabinti arba atkabinti ir iš kurių bent vienas juda, nereikėtų stovėti žmonėms,
— 
riedmenų vienetuose, suprojektuotuose ir vertinamuose bendrojo naudojimo tikslais arba kaip iš anksto suformuoti sąstatai, įrengiama UIC tipo rankinė sukabinimo sistema (kaip apibrėžta 5.3.2 punkte).
2) 

Šie riedmenų vienetai turi atitikti papildomus b-2 punkto reikalavimus.

▼M3

b-2) 

Riedmenų vienetų suderinamumas

Riedmenų vienetams, kuriuose įrengta UIC tipo rankinė sukabinimo sistema (kaip apibrėžta 5.3.2 punkte) ir pneumatinė stabdžių sistema (kaip apibrėžta 4.2.4.3 punkte), taikomi šie reikalavimai:

1) 

Taukšai ir sraigtinė sankaba montuojami pagal J-1 priedėlio 110 rodyklėje nurodytos specifikacijos 5 ir 6 punktus.

2) 

Stabdžių sistemos vamzdelių ir žarnelių, sankabų ir čiaupų matmenys ir išdėstymas atitinka reikalavimus, nustatytus J-1 priedėlio 110 rodyklėje nurodytos specifikacijos 7 ir 8 punktuose.

▼B

4.2.2.2.4.   Avarinio sukabinimo įtaisas

1) 

Imamasi atsargos priemonių, kad avarijos atveju geležinkelio linija būtų atstatyta, ištraukiant arba išstumiant gelbėjamą riedmenų vienetą.

2) 

Jeigu gelbėjamame riedmenų vienete sumontuota galinė sankaba, gelbėjimo darbai atliekami naudojant variklinį riedmenų vienetą su tokio paties tipo galine sukabinimo sistema (įskaitant suderinamą jos vidurio linijos aukštį virš bėgių lygio).

3) 

Visų riedmenų vienetų gelbėjimo darbus galima atlikti naudojant variklinį gelbėjimo riedmenų vienetą, kurio abiejuose gelbėjimo tikslais naudotinuose galuose yra:

a) 

1 435 mm, 1 524 mm 1 600 mm arba 1 668 mm vėžės sistemose:

— 
UIC tipo rankinė sukabinimo sistema (kaip apibrėžta 4.2.2.2.3 ir 5.3.2 punktuose) ir UIC tipo pneumatinė stabdžių sistema (kaip apibrėžta 4.2.4.3 punkte),
— 
skersinė stabdžių sistemos vamzdelių ir čiaupų padėtis, atitinkanti J-1 priedėlio 5 rodyklėje nurodytą specifikaciją,
— 
virš kablio vidurio linijos paliktas 395 mm laisvas tarpas, kad būtų galima pritaisyti toliau aprašytą avarinio sukabinimo adapterį;
b) 

1 520 mm vėžės sistemoje:

— 
centrinis taukšų sukabintuvas, kurio formos ir funkcijos suderintos su SA3 sankaba; jo sankabos vidurio linijos aukštis virš bėgių lygio yra 980–1 080 mm (visomis ratų ir apkrovos sąlygomis).

Tai užtikrinama naudojant stacionarią suderinamą sukabinimo sistemą arba avarinio sukabinimo įtaisą (dar vadinamą avarinio sukabinimo adapteriu). Pastaruoju atveju riedmenų vienetas, kurį reikia įvertinti pagal šią TSS, suprojektuojamas taip, kad jame būtų galima vežti avarinio sukabinimo įtaisą.

4) 

Avarinio sukabinimo įtaisas (apibrėžtas 5.3.3 punkte) atitinka šiuos reikalavimus:

— 
yra suprojektuotas taip, kad užtikrintų bent 30 km/h spartą gelbėjimo darbų metu,
— 
yra toks, kad sumontuotas būtų pritvirtintas prie gelbėjimo riedmenų vieneto taip, kad atliekant gelbėjimo darbus neatsikabintų,
— 
išlaiko jėgas, susidarančias numatytomis gelbėjimo sąlygomis,
— 
yra suprojektuotas taip, kad tarp gelbėjimo riedmenų vieneto ir gelbėjamo riedmenų vieneto nereikėtų stovėti žmonėms, kai bent vienas iš šių riedmenų vienetų juda,
— 
yra toks, kad avarinio sukabinimo įtaisas ir stabdžių sistemos žarnelės netrukdytų judėti į šonus kabliui, pritvirtintam prie gelbėjimo riedmenų vieneto.
5) 

Reikalavimai stabdžių sistemai gelbėjimo tikslu nustatyti šios TSS 4.2.4.10 punkte.

4.2.2.2.5.   Prieiga darbuotojams atlikti sukabinimą ir (arba) atkabinimą

1) 

Riedmenų vienetai ir galinio sukabinimo sistemos projektuojami taip, kad darbuotojams sukabinimo ir atkabinimo metu arba atliekant gelbėjimo darbus negrėstų pernelyg didelis pavojus.

2) 

Kad būtų laikomasi šio reikalavimo, riedmenų vienetai, kuriuose sumontuotos 4.2.2.2.3 punkto b papunktyje aprašytos UIC tipo rankinės sukabinimo sistemos, atitinka šiuos reikalavimus („Berno stačiakampis“):

— 
riedmenų vienetuose, kuriuose sumontuotos sraigtinės sąvaržos ir šoniniai taukšai, darbuotojams numatyta vieta atitinka J-1 priedėlio 6 rodyklėje nurodytą specifikaciją,
— 
jeigu sumontuota kombinuota automatinė sankaba ir sraigtinė sąvarža, leidžiama, kad automatinės sankabos antgalis kirstų Berno stačiakampį kairėje pusėje, kai jis paslėptas ir kai naudojama sraigtinė sąvarža,
— 
po kiekvienu taukšu yra turėklas. Turėklai išlaiko 1,5 kN jėgą.
3) 

4.2.12.4 ir 4.2.12.6 punktuose nurodytuose naudojimo ir gelbėjimo dokumentuose aprašomos priemonės, būtinos šiam reikalavimui įvykdyti. Be to, valstybės narės gali įpareigoti laikytis šių reikalavimų.

4.2.2.3.    Keleivinių vagonų perėjos

1) 

Jeigu įrengtos perėjos, kuriomis keleiviai pereina iš vieno vagono į kitą (arba iš vieno traukinio sąstato į kitą), jos yra atsparios visam susijusiam riedmenų judėjimui įprastinėmis naudojimo sąlygomis ir keleiviams nekelia pernelyg didelio pavojaus.

2) 

Jeigu numatyta galimybė riedmenį naudoti neprijungus perėjos, turi būti įmanoma užtikrinti, kad keleiviai nepatektų į perėją.

3) 

Su keleivinių vagonų perėjų durimis susiję reikalavimai, kurie taikomi, kai perėja nenaudojama, nurodyti 4.2.5.7 punkte „Su keleiviais susijusios nuostatos. Perėjimo iš vieno riedmenų vieneto į kitą durys“.

4) 

Papildomi reikalavimai pateikti žmonių su judėjimo negalia TSS.

5) 

Šio punkto reikalavimai netaikomi riedmenų galinei daliai, kai ši dalis neskirta keleiviams naudoti įprastinėmis sąlygomis.

4.2.2.4.    Riedmens konstrukcijos tvirtumas

1) 

Šis punktas taikomas visiems riedmenų vienetams, išskyrus geležinkelio statybos ir priežiūros riedmenis.

2) 

C priedėlio C.1 punkte geležinkelio statybos ir priežiūros riedmenims nustatyti alternatyvūs reikalavimai, kuriuos galima taikyti vietoje šiame punkte išdėstytų statinės apkrovos, kategorijų ir greitėjimo reikalavimų.

3) 

Riedmenų kėbulų statinis ir dinaminis tvirtumas (nuovargis) yra svarbus aspektas, į kurį būtina atsižvelgti užtikrinant važiuojančių asmenų saugą ir riedmenų, iš kurių sudarytas traukinys, taip pat riedmenų, kurie naudojami atliekant traukinių formavimo darbus, konstrukcinį vientisumą. Todėl kiekvieno riedmens konstrukcija atitinka J-1 priedėlio 7 rodyklėje nurodytos specifikacijos reikalavimus. Riedmenų kategorijos, į kurias reikia atsižvelgti, yra L kategorija, jeigu tai lokomotyvai arba elektrovežiai, ir PI arba PII kategorija, jei tai bet kurio kito tipo riedmenys, kuriems taikoma ši TSS, kaip apibrėžta J-1 priedėlio 7 rodyklėje nurodytos specifikacijos 5.2 punkte.

4) 

Riedmens kėbulo tvirtumą galima patvirtinti skaičiavimais ir (arba) bandymais, atliekamais laikantis sąlygų, nustatytų J-1 priedėlio 7 rodyklėje nurodytos specifikacijos 9.2 punkte.

5) 

Jeigu riedmenų vienetas suprojektuotas taip, kad būtų atsparus didesnei gniuždymo jėgai, nei atitinka J-1 priedėlio 7 rodyklėje nurodytoje specifikacijoje numatytas kategorijas (ne žemesnes, nei būtina atitikti pagal pirmiau nurodytą sąlygą), ši specifikacija siūlomam techniniam sprendimui netaikoma; tokiu atveju leidžiama naudoti kitokią gniuždymo jėgą, nei nurodytoji viešai skelbiamuose norminiuose dokumentuose.

Tuo atveju paskelbtoji įstaiga patvirtina, kad alternatyvūs norminiai dokumentai yra įtraukti į techniškai suderintas taisykles, taikytinas riedmens konstrukcijos projektavimui, konstravimui ir bandymams.

Gniuždymo jėgos vertė įrašoma į 4.2.12 punkte nurodytus techninius dokumentus.

6) 

Taikomos apkrovos sąlygos atitinka šios TSS 4.2.2.10 punkte nurodytas sąlygas.

7) 

Aerodinaminės apkrovos prielaidos yra tokios, kaip aprašyta šios TSS 4.2.6.2.2 punkte (dviejų traukinių prasilenkimas).

8) 

Sukabinimo būdai aprašyti pirmiau pateiktuose reikalavimuose. Nustatoma patikros procedūra, kurią taikant gamybos etape užtikrinama, kad nebūtų trūkumų, dėl kurių pablogėtų konstrukcijos mechaninės savybės.

4.2.2.5.    Pasyvioji sauga

1) 

Šiame punkte nustatyti reikalavimai taikomi visiems riedmenų vienetams, kurie naudojimo metu nėra skirti keleiviams ar darbuotojams vežti, išskyrus geležinkelio statybos ir priežiūros riedmenis.

2) 

Riedmenų vienetams, suprojektuotiems naudoti 1 520 mm vėžės pločio sistemoje, šiame punkte nurodyti pasyviosios saugos reikalavimai gali būti taikomi savanoriškai. Jei pareiškėjas nusprendžia laikytis šiame punkte nurodytų pasyviosios saugos reikalavimų, valstybės narės tai pripažįsta. Be to, valstybės narės gali įpareigoti laikytis šių reikalavimų.

3) 

Lokomotyvams, suprojektuotiems naudoti 1 524 mm vėžės pločio sistemoje, šiame punkte nurodyti pasyviosios saugos reikalavimai gali būti taikomi savanoriškai. Jei pareiškėjas nusprendžia laikytis šiame punkte nurodytų pasyviosios saugos reikalavimų, valstybės narės tai pripažįsta.

4) 

Riedmenų vienetams, kuriuos naudojant negalima pasiekti susidūrimo greičio, nurodyto pagal kurį nors iš toliau aprašytų susidūrimo scenarijų, netaikomos nuostatos, susijusios su tuo susidūrimo scenarijumi.

▼M3

5) 

Pasyviosios saugos tikslas – papildyti aktyviąją saugą, kai visos kitos priemonės nepadeda. Šiuo tikslu riedmenų mechaninė konstrukcija padeda užtikrinti keleivių saugą susidūrimo atveju šiomis priemonėmis:

— 
ribojant lėtėjimą,
— 
išlaikant saugią erdvę ir konstrukcinį keleivių užimamų vietų vientisumą,
— 
sumažinant užvažiavimo ant žemos kliūties riziką,
— 
sumažinant nuriedėjimo nuo bėgių riziką,
— 
ribojant susidūrimo su geležinkelio kelio kliūtimi padarinius.

Kad atitiktų šiuos funkcinius reikalavimus, riedmenų vienetai turi atitikti išsamius reikalavimus, nustatytus J-1 priedėlio 8 rodyklėje nurodytoje specifikacijoje ir susijusius su konstrukcijos atsparumo smūgiams kategorija C-I (nurodyta J-1 priedėlio ►M4  8 rodyklėje nurodytos specifikacijos 4 skirsnio 1 lentelėje ◄ ), išskyrus toliau nurodytus atvejus, kai taikomi kitokie reikalavimai.

Įvertinami šie keturi atskaitos susidūrimo scenarijai:

— 
1 scenarijus – dviejų visiškai vienodų traukinių susidūrimas priekiais,
— 
2 scenarijus – susidūrimas priekiu su prekiniu vagonu,
— 
3 scenarijus – riedmenų vieneto atsitrenkimas į didelę kelių transporto priemonę pervažoje,
— 
4 scenarijus – riedmenų vieneto atsitrenkimas į žemą kliūtį (pvz., į lengvąjį automobilį pervažoje, gyvūną, akmens luitą ir pan.).
6) 

Šie scenarijai aprašyti J-1 priedėlio ►M4  8 rodyklėje nurodytos specifikacijos 5 skirsnio 2 lentelėje ◄ .

▼M4

7) 

Šioje TSS lokomotyvams, kuriuose sumontuoti galiniai automatiniai taukšų centriniai sukabintuvai ir kurių sukabintuvą veikianti traukos jėga gali būti didesnė nei 300 kN, susidūrimo greitis ir susidūrimo dalyvis, taikant J-1 priedėlio 8 rodyklėje nurodytos specifikacijos 2 lentelėje aprašytus 1 ir 2 scenarijus, turi būti:

— 
1 ir 2 scenarijams – 20 km/h, o ne 36 km/h, ir
— 
2 scenarijui – D priedėlyje, o ne J-1 priedėlio 8 rodyklėje nurodytos specifikacijos C.1 priedėlyje aprašytas tipinis vagonas.

Pastaba. Tokios didelės traukimo jėgos reikia didelės galios prekiniams lokomotyvams.

▼M3

8) 

Siekiant sušvelninti atsitrenkimo į geležinkelio kelyje esančią kliūtį padarinius, lokomotyvų, elektrovežių, valdomųjų keleivinių vagonų ir traukinio sąstatų priekinėse dalyse įrengiami kliūčių verstuvai. Kliūčių verstuvams taikytini reikalavimai nustatyti J-1 priedėlio 8 rodyklėje nurodytos specifikacijos 6.5 skirsnyje.

▼B

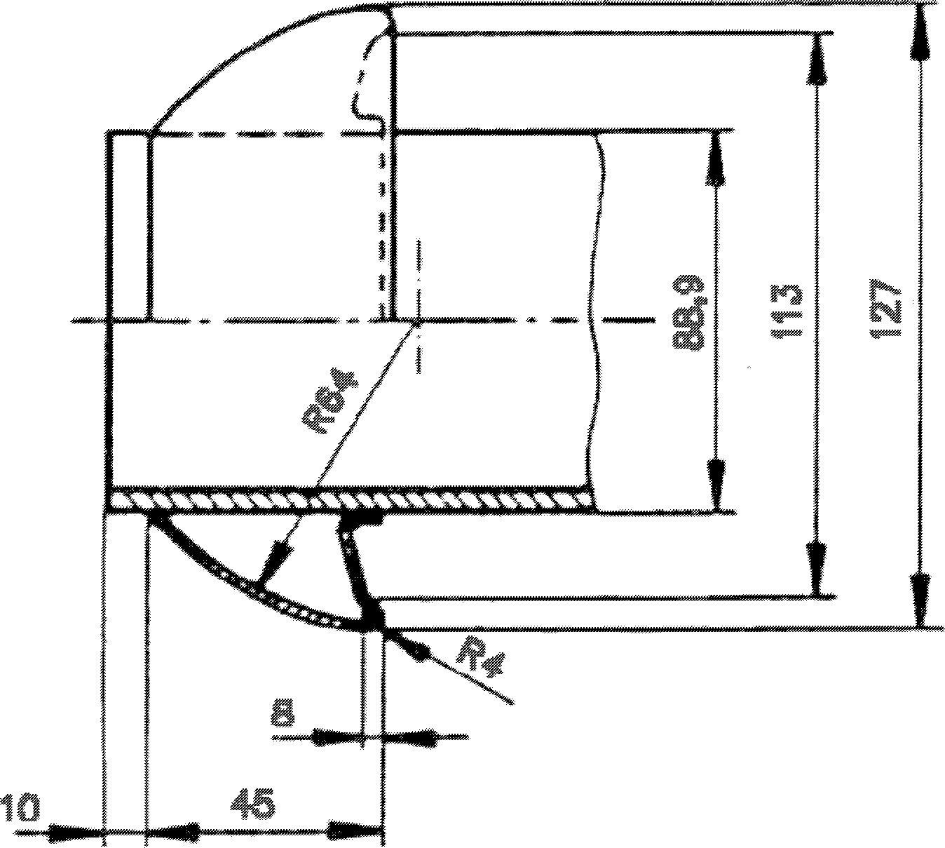
4.2.2.6.    Kėlimas keltuvu ir kėlikliais

1) 

Šis punktas taikomas visiems riedmenų vienetams.

2) 

Papildomos geležinkelio statybos ir priežiūros riedmenų kėlimo keltuvu ir kėlikliais nuostatos išdėstytos C priedėlio C.2 punkte.

3) 

Kiekvieną riedmenį, kuris yra sudedamoji riedmenų vieneto dalis, galima saugiai pakelti keltuvu arba kėlikliais, kad būtų galima atlikti atstatymo (nuriedėjimo nuo bėgių arba kitokios avarijos ar įvykio atveju) arba techninės priežiūros darbus. Šiuo tikslu nustatomos tinkamos riedmens kėbulo konstrukcijos sąsajos (kėlimo keltuvu ir kėlikliais taškai), suteikiančios galimybę naudoti vertikalias arba beveik vertikalias jėgas. Transporto priemonė projektuojama taip, kad ją būtų galima keltuvu ir kėlikliais pakelti visą, įskaitant važiuoklę (pvz., pritvirtinant ir (arba) prijungiant vežimėlius prie riedmens kėbulo). Be to, galima pakelti keltuvu ar kėlikliu bet kurį riedmens galą (įskaitant jo važiuoklę), kitam galui remiantis į likusią važiuoklės dalį (arba likusias važiuokles).

4) 

Rekomenduojama kėlimo kėlikliais taškus suprojektuoti taip, kad juos būtų galima naudoti kaip kėlimo keltuvu taškus, keliant riedmenį su visa važiuokle, prijungta prie riedmens rėmo.

5) 

Kėlimo kėlikliais arba keltuvu taškai turi būti išdėstyti taip, kad riedmenį būtų galima saugiai ir stabiliai pakelti; po kiekvienu kėlimo kėlikliu tašku ir apie jį paliekama pakankamai vietos, kad būtų galima lengvai sumontuoti gelbėjimo įrenginius. Kėlimo kėlikliais arba keltuvu taškai projektuojami taip, kad darbuotojams, atliekantiems įprastus darbus arba naudojantiems gelbėjimo įrenginius, negrėstų pernelyg didelis pavojus.

6) 

Jeigu dėl kėbulo konstrukcijos apatinės dalies savybių stacionarių kėlimo kėlikliais arba keltuvu taškų įrengti neįmanoma, toje konstrukcijoje sumontuojamos tvirtinimo priemonės, kuriose galimi nuimamieji kėlimo kėlikliais arba keltuvu taškai, reikalingi atliekant užkėlimo ant bėgių darbus.

7) 

Stacionarių kėlimo kėlikliais ir keltuvu taškų forma atitinka J-1 priedėlio 9 rodyklėje nurodytos specifikacijos 5.3 punktą; nuimamųjų kėlimo kėlikliais ir keltuvu taškų forma atitinka J-1 priedėlio 9 rodyklėje nurodytos specifikacijos 5.4 punktą.

8) 

Kėlimo keltuvu taškai žymimi ženklais, atitinkančiais J-1 priedėlio 10 rodyklėje nurodytą specifikaciją.

9) 

Konstrukcija projektuojama atsižvelgiant į apkrovas, nurodytas J-1 priedėlio 11 rodyklėje nurodytos specifikacijos 6.3.2 ir 6.3.3 punktuose; riedmens kėbulo tvirtumą galima patvirtinti skaičiavimais arba bandymais, atliekamais laikantis sąlygų, nustatytų J-1 priedėlio 11 rodyklėje nurodytos specifikacijos 9.2 punkte.

Tomis pačiomis 4.2.2.4 punkte nurodytomis sąlygomis galima naudoti alternatyvius norminius dokumentus.

10) 

Dokumentuose pateikiama kiekvienos riedmenų vieneto transporto priemonės kėlimo kėlikliais ir keltuvu schema, kaip aprašyta šios TSS 4.2.12.5 ir 4.2.12.6 punktuose. Jei įmanoma, nurodymai pateikiami piktogramomis.

4.2.2.7.    Įtaisų tvirtinimas prie riedmens kėbulo konstrukcijos

1) 

Šis punktas taikomas visiems riedmenų vienetams, išskyrus geležinkelio statybos ir priežiūros riedmenis.

2) 

Geležinkelio statybos ir priežiūros riedmenų konstrukcijos tvirtumo nuostatos nurodytos C priedėlio C.1 punkte.

3) 

Stacionarūs įtaisai, įskaitant sumontuotus keleivių zonose, pritvirtinami prie riedmens kėbulo konstrukcijos taip, kad neatsikabintų ir negalėtų sužaloti keleivių arba kad riedmenys nenuriedėtų nuo bėgių. Todėl šių įtaisų tvirtinimo priemonės suprojektuojamos pagal J-1 priedėlio 12 rodyklėje nurodytą specifikaciją, atsižvelgiant į L kategoriją lokomotyvų atveju ir P-I arba P-II kategoriją keleivinių riedmenų atveju.

Tomis pačiomis 4.2.2.4 punkte nurodytomis sąlygomis galima naudoti alternatyvius norminius dokumentus.

4.2.2.8.    Traukinio darbuotojams ir prieigai prie krovinių skirtos durys

1) 

Keleiviams skirtos durys aprašytos šios TSS 4.2.5 punkte „Su keleiviais susijusios nuostatos“. Kabinų durys aprašytos šios TSS 4.2.9 punkte. Šiame punkte aprašomos kroviniams ir traukinio brigados nariams skirtos durys, išskyrus kabinų duris.

2) 

Riedmenyse, kuriuose yra įrengta patalpa traukinio brigados nariams arba kroviniui, sumontuojamas įtaisas durims uždaryti ir užrakinti. Durys laikomos uždarytos ir užrakintos; jos atrakinamos tik kilus reikalui.

4.2.2.9.    Mechaninės stiklo (išskyrus priekinį) savybės

1) 

Jeigu įstiklinimui (įskaitant veidrodžius) naudojamas stiklas, jis yra sluoksninis arba grūdintas ir atitinka reikiamą viešą kokybės ir naudojimo srities standartą, taikomą geležinkeliams, taip sumažinant pavojų, kad dužus stiklui bus sužaloti keleiviai ir traukinio darbuotojai.

4.2.2.10.    Apkrovos sąlygos ir pasvertoji masė

1) 

Nustatomos tokios apkrovos sąlygos, nurodytos J-1 priedėlio 13 rodyklėje nurodytos specifikacijos ►M3  4.5 punkte ◄ :

— 
projektinė masė, kai naudingoji apkrova neįprasta,
— 
projektinė masė, kai naudingoji apkrova įprasta,
— 
projektinė eksploatacinė masė.
2) 

Prielaidos, kuriomis remiantis nustatomos minėtos apkrovos sąlygos, yra pagrindžiamos ir įrašomos bendruosiuose dokumentuose, aprašytuose šios TSS 4.2.12.2 punkte.

Prielaidos grindžiamos riedmens kategorijomis (greitieji ir tolimojo susisiekimo traukiniai, kiti traukiniai) ir naudingojo krovinio aprašymu (keleiviai, 1 m2 tenkanti apkrova stovėjimo ir techninio aptarnavimo zonose) pagal J-1 priedėlio 13 rodyklėje nurodytą specifikaciją; pateisinamais atvejais skirtingų parametrų vertės gali skirtis nuo šio standarto.

3) 

Geležinkelio statybos ir priežiūros riedmenims gali būti taikomos kitokios apkrovos sąlygos (mažiausia leidžiama masė, didžiausia leidžiama masė), kad būtų atsižvelgta į papildomą juose sumontuotą įrangą.

4) 

Atitikties vertinimo procedūra aprašyta šios TSS 6.2.3.1 punkte.

5) 

4.2.12 punkte aprašytuose techniniuose dokumentuose pateikiama tokia su kiekviena pirmiau apibrėžta apkrovos sąlyga susijusi informacija:

— 
bendroji riedmens masė (kiekvienos riedmenų vienetą sudarančios transporto priemonės),
— 
ašiai tenkanti masė (kiekvienai ašiai),
— 
ratui tenkanti masė (kiekvienam ratui).

Pastaba. Riedmenų vienetų su nepriklausomai besisukančiais ratais atveju „ašis“ laikoma geometrine sąvoka, o ne fiziniu komponentu; tai taikoma visai TSS, išskyrus atvejus, kai nurodyta kitaip.

4.2.3.    Sąveika su bėgių keliu ir gabaritų nustatymas

4.2.3.1.    Gabaritai

1) 

Šis punktas susijęs su skaičiavimu ir patikrinimu, kuriais remiantis pasirenkami tokio dydžio riedmenys, kurie galėtų važiuoti viena arba keliomis infrastruktūromis be kliūčių rizikos.

Riedmenų vienetų, suprojektuotų naudoti kitos nei 1 520 mm pločio vėžės sistemoje (-se), atveju:

2) 

Pareiškėjas pasirenka numatytąjį etaloninį profilį, įskaitant apatinės riedmenų vieneto dalies etaloninį profilį. Šis etaloninis profilis įrašomas techniniuose dokumentuose, aprašytuose šios TSS 4.2.12 punkte.

3) 

Riedmenų vieneto atitiktis šiam numatytajam etaloniniam profiliui nustatoma vienu iš metodų, nurodytų J-1 priedėlio 14 rodyklėje nurodytoje specifikacijoje.

Siekiant užtikrinti techninį suderinamumą su esamu nacionaliniu tinklu, pereinamuoju laikotarpiu, kuris baigiasi praėjus 3 metams nuo šios TSS taikymo pradžios, leidžiama, kad riedmenų vieneto etaloninis profilis būtų alternatyviai nustatomas pagal nacionalines technines taisykles, apie kurias tuo tikslu pranešta.

Taikant šią nuostatą nedraudžiama TSS atitinkantiems riedmenims važiuoti nacionaliniame tinkle.

4) 

Jeigu nurodoma, kad riedmenų vienetas atitinka vieną ar keletą iš etaloninių kontūrų G1, GA, GB, GC arba DE3, įskaitant apatinės riedmenų vieneto dalies etaloninius kontūrus GI1, GI2 arba GI3, nurodytus J-1 priedėlio 14 rodyklėje nurodytoje specifikacijoje, atitiktis nustatoma taikant kinematinį metodą, kaip nustatyta J-1 priedėlio 14 rodyklėje nurodytoje specifikacijoje.

Atitiktis šiam (-iems) etaloniniam (-s) kontūrui (-ams) įrašoma techniniuose dokumentuose, aprašytuose šios TSS 4.2.12 punkte.

5) 

Elektrinių riedmenų vienetų atveju pantografo gabaritas patikrinamas atliekant skaičiavimus pagal J-1 priedėlio 14 rodyklėje nurodytos specifikacijos A.3.12 punktą, taip siekiant įsitikinti, kad pantografo kontūras atitinka mechaninį kinematinį pantografo gabaritą, nustatytą pagal energijos TSS D priedėlį, ir priklauso nuo pasirinktų pantografo vežimėlio geometrinių savybių – du leidžiami variantai apibrėžti šios TSS 4.2.8.2.9.2 punkte.

Siekiant užtikrinti tinkamus izoliacinius tarpus tarp pantografo ir stacionarių įrenginių, pasirenkama infrastruktūros gabaritą atitinkanti elektros energijos šaltinio įtampa.

6) 

Pantografo svyravimas, apibrėžtas energijos TSS 4.2.10 punkte ir taikomas atliekant mechaninio kinematinio gabarito skaičiavimus, pagrindžiamas skaičiavimais arba matavimais, kaip nustatyta J-1 priedėlio 14 rodyklėje nurodytoje specifikacijoje.

Riedmenų vienetų, suprojektuotų naudoti 1 520 mm pločio vėžės sistemoje, atveju:

7) 

Riedmens statinis kontūras atitinka nekintamą T riedmens gabaritą; infrastruktūros etaloninis kontūras atitinka S gabaritą. Šis kontūras nurodytas B priedėlyje.

8) 

Elektrinių riedmenų vienetų atveju pantografo gabaritas patikrinamas atliekant skaičiavimus ir taip siekiant įsitikinti, kad pantografo kontūras atitinka mechaninį statinį pantografo gabaritą, apibrėžtą energijos TSS D priedėlyje; atsižvelgiama į pasirinktas pantografo vežimėlio geometrinės savybes – leidžiami variantai apibrėžti šios TSS 4.2.8.2.9.2 punkte.

4.2.3.2.    Ašies apkrova ir rato apkrova

4.2.3.2.1.   Ašies apkrovos parametras

1) 

Ašies apkrova yra riedmenų vieneto ir infrastruktūros sąsajos parametras. Ašies apkrova yra techninis infrastruktūros rodiklis, apibrėžtas infrastruktūros TSS 4.2.1 punkte ir priklausantis nuo geležinkelio linijos eismo kodo. Jis vertinamas atsižvelgiant į atstumą tarp ašių, traukinio ilgį ir didžiausią leidžiamą riedmenų vieneto greitį atitinkamoje geležinkelio linijoje.

2) 

Toliau nurodytos savybės, naudojamos kaip infrastruktūros sąsajos parametrai, įtraukiamos į bendruosius dokumentus, rengiamus vertinant riedmenų vienetą ir aprašytus šios TSS 4.2.12.2 punkte:

— 
ašiai tenkanti masė (kiekvienai ašiai) pagal tris apkrovos sąlygas (kaip apibrėžta ir reikalaujama įtraukti į dokumentus šios TSS 4.2.2.10 punkte),
— 
ašių išdėstymas riedmenų vienete (atstumai tarp ašių),
— 
riedmenų vieneto ilgis,
— 
didžiausias projektinis greitis (kurį reikalaujama įtraukti į dokumentus šios TSS 4.2.8.1.2 punkte).
3) 

Šios informacijos naudojimas eksploatavimo tikslais atliekant riedmens ir infrastruktūros suderinamumo patikrą (nepatenka į šios TSS taikymo sritį):

kaip reikalaujama traukinių eismo organizavimo ir valdymo TSS 4.2.2.5 punkte, geležinkelio įmonė, atsižvelgdama į numatomą apkrovą, taikytiną teikiant numatomą paslaugą, kiekvienai riedmenų vieneto ašiai turi nustatyti ašies apkrovą, kuri bus naudojama kaip sąsajos su infrastruktūra parametras (jeigu jis nenustatytas vertinant riedmenų vienetą). Ašies apkrova esant apkrovos sąlygai „projektinė masė, kai naudingoji apkrova neįprasta“ yra pirmiau minėta didžiausia galima ašies apkrovos vertė. Taip pat reikia atsižvelgti į didžiausią apkrovą, numatytą projektuojant stabdžių sistemą, apibrėžtą 4.2.4.5.2 punkte.

4.2.3.2.2.   Rato apkrova

1) 

Santykinis ašiai tenkantis ratų apkrovos skirtumas Δqj = (Ql – Qr)/(Ql + Qr) įvertinamas matuojant ratų apkrovą, atsižvelgiant į apkrovos sąlygą „projektinė eksploatacinė masė“. Rato apkrova gali būti didesnė už to aširačio ašies apkrovą 5 % tik tokiu atveju, jei atlikus šios TSS 4.2.3.4.1 punkte apibrėžtos apsaugos nuo nuvažiavimo nuo bėgių važiuojant kelio sąsūka bandymą įrodoma, kad tai yra priimtina.

2) 

Atitikties vertinimo procedūra aprašyta šios TSS 6.2.3.2 punkte.

3) 

Riedmenų vienetų, kurių ašies apkrova esant projektinei masei, kai naudingoji apkrova įprasta, nesiekia arba yra lygi 22,5 t, o nusidėvėjusio rato skersmuo viršija arba yra lygus 470 mm, rato apkrova per visą rato skersmenį (Q/D) yra 0,15 kN/mm arba mažesnė, matuojant mažiausią rato skersmenį esant projektinei masei, kai naudingoji apkrova įprasta.

4.2.3.3.    Riedmens parametrai, turintys įtakos stacionarioms sistemoms

4.2.3.3.1.   Riedmens savybės suderinamumui su traukinių buvimo vietos nustatymo sistemomis užtikrinti

1) 

Riedmenų vienetų, skirtų naudoti kito nei 1 520 mm pločio vėžės gabarito sistemoje, suderinamumo su atitinkamomis traukinių buvimo vietos nustatymo sistemomis savybių rinkinys pateiktas 4.2.3.3.1.1, 4.2.3.3.1.2 ir 4.2.3.3.1.3 punktuose.

Pateikiama nuoroda į šios TSS J-2 priedėlio 1 rodyklėje nurodytos specifikacijos punktus (taip pat nurodomus kontrolės, valdymo ir signalizacijos posistemių TSS A priedo 77 rodyklėje).

2) 

Savybių, kurias riedmuo atitinka, rinkinys įrašomas į techninius dokumentus, aprašytus šios TSS 4.2.12 punkte.

4.2.3.3.1.1.   Riedmenų suderinamumo su traukinių buvimo vietos nustatymo sistema, pagrįsta geležinkelio kelio elektros grandine, savybės

— 
Riedmens geometrija
1) 

Didžiausias atstumas tarp 2 gretimų ašių nurodytas J-2 priedėlio 1 rodyklėje nurodytos specifikacijos 3.1.2.1 punkte. (a1 atstumas 1 pav.).

2) 

Didžiausias atstumas tarp taukšo ir pirmosios ašies nurodytas J-2 priedėlio 1 rodyklėje nurodytos specifikacijos 3.1.2.5–3.1.2.6 punktuose (b1 atstumas 1 pav.).

3) 

Mažiausias atstumas tarp riedmenų vieneto galinių ašių nurodytas J-2 priedėlio 1 rodyklėje nurodytos specifikacijos 3.1.2.4 punkte.

— 
Riedmens konstrukcija
4) 

Mažiausia ašies apkrova visomis apkrovos sąlygomis nurodyta J-2 priedėlio 1 rodyklėje nurodytos specifikacijos 3.1.7 punkte.

5) 

Elektrinė varža tarp abiejų aširačio ratų važiuojamųjų paviršių nustatyta J-2 priedėlio 1 rodyklėje nurodytos specifikacijos 3.1.9 punkte; matavimo metodas nurodytas tame pačiame punkte.

6) 

Elektrinių riedmenų vienetų, kuriuose įmontuotas pantografas, atveju mažiausia pilnutinė varža tarp pantografo ir kiekvieno traukinio rato yra nustatyta J-2 priedėlio 1 rodyklėje nurodytos specifikacijos 3.2.2.1 punkte.

— 
Izoliuojantieji išmetalai
7) 

Smėlio barstymo įrangos naudojimo apribojimai nustatyti J-2 priedėlio 1 rodyklėje nurodytos specifikacijos 3.1.4 punkte; „smėlio savybės“ šioje specifikacijoje taip pat nurodytos.

Kai smėlio barstymo funkcija yra automatinė, mašinistas turi galimybę laikinai šią funkciją sustabdyti konkrečiose bėgių kelio vietose, kurios naudojimo taisyklėse nurodytos kaip netinkamos smėliui barstyti.

8) 

Kompozicinių stabdžių trinkelių naudojimo apribojimai pateikti J-2 priedėlio 1 rodyklėje nurodytos specifikacijos 3.1.6 punkte.

— 
Elektromagnetinis suderinamumas
9) 

Su elektromagnetiniu suderinamumu susiję reikalavimai nurodyti J-2 priedėlio 1 rodyklėje nurodytos specifikacijos 3.2.1 ir 3.2.2 punktuose.

10) 

Traukos srovės sukeltų elektromagnetinių trukdžių ribinės vertės nurodytos J-2 priedėlio 1 rodyklėje nurodytos specifikacijos 3.2.2 punkte.

4.2.3.3.1.2.   Riedmenų suderinamumo su traukinių buvimo vietos nustatymo sistema, pagrįsta ašių skaitikliais, savybės

— 
Riedmens geometrija
1) 

Didžiausias atstumas tarp 2 gretimų ašių nurodytas J-2 priedėlio 1 rodyklėje nurodytos specifikacijos 3.1.2.1 punkte.

2) 

Mažiausias atstumas tarp dviejų gretimų traukinio ašių nustatytas J-2 priedėlio 1 rodyklėje nurodytos specifikacijos 3.1.2.2 punkte.

3) 

Mažiausias atstumas nuo sukabinti numatyto riedmenų vieneto galo iki pirmosios ašies lygus pusei J-2 priedėlio 1 rodyklėje nurodytos specifikacijos 3.1.2.2 punkte nurodytos vertės.

4) 

Didžiausias atstumas nuo riedmenų vieneto galo iki pirmosios ašies nurodytas J-2 priedėlio 1 rodyklėje nurodytos specifikacijos 3.1.2.5 ir 3.1.2.6 punktuose (b1 atstumas 1 pav.).

— 
Rato geometrija
5) 

Rato geometrinės savybės nustatytos šios TSS 4.2.3.5.2.2 punkte.

6) 

Mažiausias rato skersmuo (atsižvelgiant į greitį) nurodytas J-2 priedėlio 1 rodyklėje nurodytos specifikacijos 3.1.3 punkte.

— 
Riedmens konstrukcija
7) 

Apie ratus esanti erdvė be metalinių dalių nurodyta J-2 priedėlio 1 rodyklėje nurodytos specifikacijos 3.1.3.5 punkte.

8) 

Rato medžiagos savybės, susijusios su magnetiniu lauku, nustatytos J-2 priedėlio 1 rodyklėje nurodytos specifikacijos 3.1.3.6 punkte.

— 
Elektromagnetinis suderinamumas
9) 

Su elektromagnetiniu suderinamumu susiję reikalavimai nurodyti J-2 priedėlio 1 rodyklėje nurodytos specifikacijos 3.2.1 ir 3.2.2 punktuose.

10) 

Ribinės elektromagnetinių trukdžių vertės, susidarančios naudojant sūkurinių srovių arba magnetinius bėginius stabdžius, nurodytos J-2 priedėlio 1 rodyklėje nurodytos specifikacijos 3.2.3 punkte.

4.2.3.3.1.3.   Riedmens suderinamumo su kilpinių aptiktuvų įranga savybės

— 
Riedmens konstrukcija
1) 

Metalinė riedmens konstrukcija nurodyta J-2 priedėlio 1 rodyklėje nurodytos specifikacijos 3.1.7.2 punkte.

4.2.3.3.2.   Ašies guolių būklės stebėjimas

1) 

Ašies guolių būklės stebėjimu siekiama aptikti ašidėžės guolių defektus.

2) 

Riedmenų vienetuose, kurių didžiausias projektinis greitis yra 250 km/h arba didesnis, sumontuojama defektų aptikimo įranga.

3) 

Riedmenų vienetuose, kurių didžiausias projektinis greitis nesiekia 250 km/h ir kurie suprojektuoti naudoti kitose nei 1 520 mm pločio vėžės sistemose, ašies guolių būklės stebėjimas yra numatytas ir atliekamas arba traukinyje sumontuota defektų aptikimo įranga (pagal 4.2.3.3.2.1 punkto specifikaciją), arba geležinkelio kelio įranga (pagal 4.2.3.3.2.2 punkto specifikaciją).

4) 

Informacija apie traukinyje sumontuotą defektų aptikimo įrangą ir (arba) suderinamumą su geležinkelio kelio įranga įrašoma į techninius dokumentus, aprašytus šios TSS 4.2.12 punkte.

4.2.3.3.2.1.   Traukinyje sumontuotai defektų aptikimo įrangai taikomi reikalavimai

1) 

Ši įranga gali aptikti bet kurių riedmenų vieneto ašidėžės guolių būklės suprastėjimą.

2) 

Guolių būklė vertinama arba pagal jų temperatūrą, arba jų dinaminius dažnius, arba kitas guolių būklės būdingąsias savybes.

3) 

Visa aptikimo įranga sumontuojama tik riedmens vienete, o diagnostiniai pranešimai siunčiami į valdymo pultą.

4) 

Siunčiami diagnostiniai pranešimai aprašomi ir į juos atsižvelgiama naudojimo dokumentuose, aprašytuose šios TSS 4.2.12.4 punkte, ir techninės priežiūros dokumentuose, aprašytuose šios TSS 4.2.12.3 punkte.

4.2.3.3.2.2.   Riedmeniui taikomi suderinamumo su geležinkelio kelio įranga reikalavimai

1) 

Riedmenų vienetų, suprojektuotų naudoti 1 435 mm pločio vėžės sistemoje, atveju riedmens zona, kurią galima stebėti naudojant geležinkelio kelio įrangą, yra nustatyta J-1 priedėlio 15 rodyklėje nurodytoje specifikacijoje.

▼M3

2) 

Dėl riedmenų vienetų, skirtų naudoti kito nei 1 435 arba 1 668  mm pločio vėžės tinkle, kai tinkama (atitinkamame tinkle taikoma suderinta taisyklė), deklaruojamas specifinis atvejis.

▼M3

2a) 

Riedmenų vienetuose, skirtuose naudoti 1 668  mm pločio vėžės tinkluose, geležinkelio kelio įranga stebima riedmens zona turi būti J-1 priedėlio 15 rodyklėje nurodytos specifikacijos parametrais nurodyta sritis, nustatyta 1 lentelėje.



1 lentelė

Riedmenų vienetų, kuriuos ketinama naudoti 1 668 mm pločio vėžės tinkluose, tikslinė ir draudžiamoji zonos

Vėžės plotis [mm]

YTA [mm]

WTA [mm]

LTA [mm]

YPZ [mm]

WPZ [mm]

LPZ [mm]

1 668

1 176 ± 10

≥ 55

≥ 100

1 176 ± 10

≥ 110

≥ 500

▼B

4.2.3.4.    Riedmenų dinaminės savybės

4.2.3.4.1.   Sauga nuo nuriedėjimo nuo bėgių važiuojant kelio sąsūka

1) 

Riedmenų vienetas projektuojamas taip, kad važiuojant kelio sąsūka būtų užtikrinama sauga, ypač atsižvelgiant į pervažiavimą iš nuožulnaus bėgių kelio į horizontalų bėgių kelią, taip pat į bėgių kelio skersinio lygio nuokrypius.

2) 

Atitikties vertinimo procedūra aprašyta šios TSS 6.2.3.3 punkte.

Ši atitikties vertinimo procedūra yra taikoma ašių apkrovoms, atitinkančioms intervalą, nurodytą infrastruktūros TSS 4.2.1 punkte ir J-1 priedėlio 16 rodyklėje nurodytoje specifikacijoje.

Ši procedūra netaikoma riedmeniui, suprojektuotam naudoti esant didesnei ašies apkrovai; šiais atvejais galima taikyti nacionalines taisykles arba šios TSS 10 straipsnyje ir 6 skyriuje aprašytą inovacinio sprendimų procedūrą.

4.2.3.4.2.   Važiavimo dinaminės savybės

1) 

Šis punktas taikomas riedmenims, skirtiems važiuoti didesniu nei 60 km/h greičiu, išskyrus geležinkelio statybos ir priežiūros riedmenis, kuriems taikomi reikalavimai nurodyti C priedėlio C.3 punkte, ir riedmenų vienetus, skirtus naudoti 1 520 mm pločio vėžės sistemoje, kuriems taikytini atitinkami reikalavimai yra neišspręstas klausimas.

2) 

Nuo riedmens dinaminių savybių labai priklauso važiavimo sauga ir geležinkelio kelio apkrova. Tai esminė saugos funkcija, kuriai taikomi šio punkto techniniai reikalavimai.

a)   Techniniai reikalavimai

▼M3

3) 

Riedmenų vienetas važiuoja saugiai ir jo sukuriama geležinkelio kelio apkrova yra priimtina, kai J-1 priedėlio 16 rodyklėje nurodytoje specifikacijoje nustatytomis sąlygomis jis valdomas laikantis greičio ir dviejų bėgių aukščių skirtumo horizontalia kryptimi stygiaus derinio (-ių) ribų.

Tai įvertinama patikrinant, ar laikomasi ribinių verčių, toliau nurodytų šios TSS 4.2.3.4.2.1 ir 4.2.3.4.2.2 punktuose; atitikties vertinimo procedūra aprašyta šios TSS 6.2.3.4 punkte.

▼B

4) 

Ribinės vertės ir 3 punkte minėta atitikties vertinimo procedūra yra taikomos ašių apkrovoms, atitinkančioms intervalą, nurodytą infrastruktūros TSS 4.2.1 punkte ir J-1 priedėlio 16 rodyklėje nurodytoje specifikacijoje.

Jos netaikomos transporto priemonėms, skirtoms naudoti esant didesnei ašių apkrovai, nes suderintų geležinkelio kelio apkrovos ribinių verčių nenustatyta; šiais atvejais galima taikyti nacionalines taisykles arba šios TSS 10 straipsnyje ir 6 skyriuje aprašytą inovacinio sprendimo procedūrą.

▼M3

5) 

Važiavimo dinaminių savybių bandymo ataskaita (įskaitant eksploatacines ribas ir geležinkelio kelio apkrovos duomenis) pateikiama šios TSS 4.2.12 punkte nurodytuose techniniuose dokumentuose.

Fiksuojami geležinkelio kelio apkrovos duomenys (atitinkamais atvejais įskaitant papildomus parametrus Ymax, Bmax ir Bqst) yra apibrėžti J-1 priedėlio 16 rodyklėje nurodytoje specifikacijoje.

▼B

b)   Papildomi reikalavimai, taikomi tais atvejais, kai naudojama aktyvi sistema

6) 

Naudojant aktyvias sistemas (kurių jungikliai valdomi programine įranga arba programuojamais įtaisais), funkcinis gedimas paprastai gali kelti tiesioginį mirties atvejų pavojų abiem toliau nurodytais įvykių sekos atvejais:

1. 

aktyvios sistemos gedimas, dėl kurio nebesilaikoma važiavimo saugos ribinių verčių (apibrėžtų pagal 4.2.3.4.2.1 ir 4.2.3.4.2.2 punktus);

2. 

aktyvios sistemos gedimas, dėl kurio išoriniai riedmenų vieneto matmenys išeina už kinematinio etaloninio kėbulo ir pantografo kontūro, todėl dėl pakrypimo kampo (pasvirimo) riedmuo neatitinka 4.2.3.1 punkte nurodytų reikiamų verčių.

Atsižvelgiant į gedimo pasekmių rimtumą, įrodoma, kad rizika yra valdoma taip, kad būtų priimtina.

Atitikties patikrinimas (atitikties vertinimo procedūra) aprašytas šios TSS 6.2.3.5 punkte.

c)   Papildomi reikalavimai, taikomi tais atvejais, kai sumontuota (neprivaloma) nestabilumo aptikimo sistema

7) 

Nestabilumo aptikimo sistema praneša apie poreikį imtis veiklos priemonių (kaip antai sumažinti greitį ir pan.); ji aprašyta techniniuose dokumentuose. Veiklos priemonės aprašomos naudojimo dokumentuose, nurodytuose šios TSS 4.2.12.4 punkte.

4.2.3.4.2.1.   Važiavimo saugos ribinės vertės

▼M3

1) 

Važiavimo saugos ribinės vertės, kurių negalima viršyti naudojant riedmenų vienetą, nurodytos J-1 priedėlio 17 rodyklėje nurodytoje specifikacijoje.

▼B

4.2.3.4.2.2.   Geležinkelio kelio apkrovos ribinės vertės

▼M3

1) 

Geležinkelio kelio apkrovos ribinės vertės, kurias turi atitikti riedmenų vienetas (vertinant įprastu metodu), yra nurodytos J-1 priedėlio 19 rodyklėje nurodytoje specifikacijoje.

▼B

2) 

Jeigu nustatytos vertės viršija pirmiau nurodytąsias, riedmens veiklos sąlygas (pvz., didžiausią greitį, išorinio bėgio pakylos nepakankamumą) galima koreguoti, atsižvelgiant į geležinkelio kelio savybes (pvz., kreivės spindulį, bėgių skerspjūvį, tarpus tarp pabėgių, geležinkelio kelio priežiūros periodiškumą).

4.2.3.4.3.   Lygiavertis kūgiškumas

4.2.3.4.3.1.   Naujų ratų profilių projektinės vertės

1) 

4.2.3.4.3 punktas taikomas visiems riedmenų vienetams, išskyrus riedmenis, skirtus naudoti 1 520 mm arba 1 600 mm pločio vėžės sistemoje, kuriems taikomi reikalavimai yra neišspręstas klausimas.

2) 

Siekiant nustatyti naujo siūlomo ratų profilio tinkamumą infrastruktūrai pagal infrastruktūros TSS, naujas ratų profilis ir atstumas tarp aktyviųjų ratų paviršių tikrinami pagal taikytiną lygiaverčio kūgiškumo parametrą, taikant skaičiavimo scenarijų, nustatytą šios TSS 6.2.3.6 punkte.

3) 

Šie reikalavimai netaikomi riedmenų vienetams su nepriklausomai besisukančiais ratais.

4.2.3.4.3.2.   Aširačio lygiaverčio kūgiškumo eksploatacinės vertės

1) 

Kombinuotas lygiavertis kūgiškumas, į kurį atsižvelgiant suprojektuotas riedmuo, kaip patvirtinta važiavimo dinaminių savybių atitikties patikrinimu, nurodytu šios TSS 6.2.3.4 punkte, nurodomas 4.2.12.3.2 nustatytų techninės priežiūros dokumentų eksploatacinėse sąlygose, atsižvelgiant į ratų ir bėgių profilių įtaką.

2) 

Jei nustatomas riedėjimo nestabilumas, geležinkelio įmonė ir infrastruktūros valdytojas bendru tyrimu nustato susijusią linijos dalį.

3) 

Geležinkelio įmonė išmatuoja ratų profilius ir atstumą tarp susijusių ratlankių antbriaunių aktyviųjų paviršių. Siekiant nustatyti, ar laikomasi didžiausio lygiaverčio kūgiškumo, atsižvelgiant į kurį suprojektuotas ir išbandytas riedmuo, lygiavertis kūgiškumas apskaičiuojamas taikant 6.2.3.6 punkte nurodytus skaičiavimo scenarijus. Jei didžiausio lygiaverčio kūgiškumo nesilaikoma, reikia koreguoti ratų profilius.

4) 

Jeigu aširačių kūgiškumas atitinka didžiausią lygiavertį kūgiškumą, atsižvelgiant į kurį riedmuo suprojektuotas ir išbandytas, nestabilumo priežasčiai išaiškinti geležinkelio įmonė ir infrastruktūros valdytojas atlieka bendrą tyrimą.

5) 

Šie reikalavimai netaikomi riedmenų vienetams su nepriklausomai besisukančiais ratais.

4.2.3.5.    Važiuoklė

4.2.3.5.1.   Vežimėlio rėmo konstrukcija

1) 

Jeigu viena iš riedmenų vieneto sudedamųjų dalių yra vežimėlio rėmas, vežimėlio rėmo konstrukcijos, ašidėžės, korpuso ir visos pritaisytos įrangos vientisumas patvirtinamas taikant metodus, nustatytus J-1 priedėlio 20 rodyklėje nurodytoje specifikacijoje.

2) 

Korpuso ir vežimėlio jungtis atitinka J-1 priedėlio 21 rodyklėje nurodytos specifikacijos reikalavimus.

3) 

Prielaidos, kuriomis remiantis vertinamos apkrovos, susidarančios vežimėliui važiuojant (formulės ir koeficientai) taip, kaip nustatyta J-1 priedėlio 20 rodyklėje nurodytoje specifikacijoje, pagrindžiamos techniniuose dokumentuose, aprašytuose šios TSS 4.2.12 punkte.

4.2.3.5.2.   Aširačiai

1) 

Šioje TSS aširačiai apibrėžiami kaip sudaryti iš pagrindinių dalių, užtikrinančių mechaninę sąsają su bėgių keliu, (ratų ir jungiamųjų elementų, pvz., skersinės ašies, nepriklausomo rato ašies) ir papildomų dalių (ašių guolių, ašidėžių, pavarų dėžių ir stabdžių diskų).

2) 

Aširatis suprojektuojamas ir pagaminamas pagal nuoseklią metodiką, taikant įvairias apkrovas, atitinkančias apkrovos sąlygas, nustatytas šios TSS 4.2.2.10 punkte.

4.2.3.5.2.1.   Aširačių mechaninės ir geometrinės savybės

Aširačių mechaninės savybės

1) 

Aširačių mechaninės savybės leidžia užtikrinti saugų riedmenų judėjimą.

Mechaninės savybės – tai:

— 
surinkimo savybės,
— 
mechaninio atsparumo ir nuovargio savybės.

Atitikties vertinimo procedūra aprašyta šios TSS 6.2.3.7 punkte.

Ašių mechaninės savybės

2) 

Ašies savybėmis užtikrinamas jėgų ir sukimo momento perdavimas.

Atitikties vertinimo procedūra aprašyta šios TSS 6.2.3.7 punkte.

Riedmenų vienetų su nepriklausomai besisukančiais ratais atvejis

3) 

Galinės ašies (sąsajos tarp rato ir važiuoklės) savybėmis užtikrinamas jėgų ir sukimo momento perdavimas.

Atitikties vertinimo procedūra atliekama pagal šios TSS 6.2.3.7 punkto 7 papunktį.

Ašidėžių mechaninės savybės

4) 

Ašidėžė suprojektuojama atsižvelgiant į mechaninio atsparumo ir nuovargio savybes.

Atitikties vertinimo procedūra aprašyta šios TSS 6.2.3.7 punkte.

5) 

Eksploatacinės temperatūros ribos nustatomos bandymais ir įrašomos šios TSS 4.2.12 punkte aprašytuose techniniuose dokumentuose.

Ašies guolio būklės stebėjimas apibrėžtas šios TSS 4.2.3.3.2 punkte.

Aširačių geometriniai matmenys

6) 

Aširačių geometriniai matmenys, kaip nurodyta 1 paveiksle, atitinka 1 lentelėje nurodytas vėžės pločiui taikomas ribines vertes.

Šios ribinės vertės taikomos kaip projektinės vertės (naujo aširačio) ir kaip eksploatacinės ribinės vertės (taikytinos techninės priežiūros tikslais; dar žr. šios TSS 4.5 punktą).



1 lentelė

Aširačių geometrinių matmenų eksploatacinės ribos

Apibūdinimas

Rato skersmuo D [mm]

Mažiausia vertė [mm]

Didžiausia vertė [mm]

1 435 mm

Atstumas tarp ratlankių antbriaunių (SR)

SR = AR + Sd,left + S d, right

330 ≤ D ≤ 760

1 415

1 426

760 < D ≤ 840

1 412

D > 840

1 410

Atstumas tarp ratų vidinių briaunų (AR)

330 ≤ D ≤ 760

1 359

1 363

760 < D ≤ 840

1 358

D > 840

1 357

1 524 mm

Atstumas tarp ratlankių antbriaunių (SR)

SR = AR + Sd,left + S d, right

400 ≤ D < 725

1 506

1 509

D ≥ 725

1 487

1 514

Atstumas tarp ratų vidinių briaunų (AR)

400 ≤ D < 725

1 444

1 446

D ≥ 725

1 442

1 448

1 520 mm

Atstumas tarp ratlankių antbriaunių (SR)

SR = AR + Sd,left + S d, right

400 ≤ D ≤ 1 220

1 487

1 509

 

 

 

Atstumas tarp ratų vidinių briaunų (AR)

400 ≤ D ≤ 1 220

1 437

1 443

1 600 mm

Atstumas tarp ratlankių antbriaunių (SR)

SR = AR + Sd,left + S d, right

690 ≤ D ≤ 1 016

1 573

1 592

Atstumas tarp ratų vidinių briaunų (AR)

690 ≤ D ≤ 1 016

1 521

1 526

1 668 mm

Atstumas tarp ratlankių antbriaunių (SR)

SR = AR + Sd,left + S d, right

330 ≤ D < 840

1 648

1 659

840 ≤ D ≤ 1 250

1 643

1 659

Atstumas tarp ratų vidinių briaunų (AR)

330 ≤ D < 840

1 592

1 596

840 ≤ D ≤ 1 250

1 590

1 596

Dydis AR matuojamas ties viršutine bėgio riba. Ir pakrauto, ir nepakrauto riedmens dydžiai AR ir SR turi atitikti reikalavimus. Gamintojas techninės priežiūros dokumentuose, kuriuose nurodomos eksploatacinės vertės, gali nurodyti mažesnes leidžiamas paklaidas, neviršijančias pirmiau nurodytų ribų. Dydis SR matuojamas 10 mm virš rato riedėjimo paviršiaus (kaip parodyta 2 pav.).

1 pav.
Aširačių ženklai image

4.2.3.5.2.2.   Ratų mechaninės ir geometrinės savybės

Ratų mechaninės savybės

1) 

Ratų savybės užtikrina saugų riedmens judėjimą ir padeda nukreipti riedmenį.

Atitikties vertinimo procedūra aprašyta šios TSS 6.1.3.1 punkte.

Ratų geometriniai matmenys

2) 

2 pav. apibrėžti ratų geometriniai matmenys atitinka 2 lentelėje nurodytas ribines vertes. Šios ribinės vertės taikomos kaip projektinės vertės (naujo rato) ir kaip eksploatacinės ribinės vertės (taikytinos techninės priežiūros tikslais; dar žr. 4.5 punktą).



2 lentelė

Rato geometrinių matmenų eksploatacinės vertės

Apibūdinimas

Rato skersmuo D (mm)

Mažiausia vertė (mm)

Didžiausia vertė (mm)

Ratlankio plotis (BR + Burr)

D ≥ 330

133

145

Ratlankio antbriaunio storis (Sd)

D > 840

22

33

760 < D ≤ 840

25

330 ≤ D ≤ 760

27,5

Ratlankio antbriaunio aukštis (Sh)

D > 760

27,5

36

630 < D ≤ 760

29,5

330 ≤ D ≤ 630

31,5

Rato antbriaunio paviršius (qR)

≥ 330

6,5

 

2 pav.
Ratų ženklai image

3) 

Be šiame punkte ratams keliamų reikalavimų, riedmenų vienetai su nepriklausomai besisukančiais ratais atitinka šios TSS reikalavimus, taikomus 4.2.3.5.2.1 punkte apibrėžtoms aširačių geometrinėms savybėms.

▼M3 —————

▼M3

4.2.3.5.3.    Automatinės keičiamojo vėžės pločio sistemos

1) Šis reikalavimas taikomas riedmenų vienetams, kuriuose įrengta automatinė keičiamojo vėžės pločio sistema su ratų ašinės padėties perjungimo mechanizmu, dėl kurios riedmenų vienetas yra suderinamas su 1 435  mm pločio vėže ir kito pločio vėže (-ėmis), atitinkančia (-omis) šią TSS, pervažiuojant kelio vėžės pakeitimo įrenginį.

2) Naudojant perjungimo mechanizmą užtikrinamas saugus rato fiksavimas reikiamoje padėtyje ant ašies.

3) Pervažiavus kelio vėžės pakeitimo įrenginį, vienu ar keliais iš toliau nurodytų būdų atliekama fiksavimo sistemos būklės (užfiksuota ar neužfiksuota) ir ratų padėties patikra: vizuali patikra, riedmens kontrolės sistema arba infrastruktūros/įrenginio kontrolės sistema. Jei naudojama riedmens kontrolės sistema, turi būti įmanomas nuolatinis stebėjimas.

4) Jei važiuoklėje įrengta stabdymo įranga, kurios padėtis keičiasi vėžės pakeitimo operacijos metu, automatinė keičiamojo vėžės pločio sistema turi užtikrinti saugų šios įrangos užfiksavimą reikiamoje padėtyje kartu su ratų padėtimi.

5) Ratų ir stabdymo įrangos (jei taikoma) padėties neužfiksavimas operacijos metu paprastai kelia tikėtiną pavojų tiesiogiai lemti pražūtingą avariją (dėl kurios žūtų daug žmonių); atsižvelgiant į gedimo pasekmių sunkumą, įrodoma, kad rizika yra valdoma taip, kad būtų priimtina.

6) Automatinė keičiamojo vėžės pločio sistema apibrėžta kaip sąveikos sudedamoji dalis (5.3.4b punktas). Atitikties vertinimo tvarka nurodyta šios TSS 6.1.3.1a punkte (SSD lygmuo), 6.2.3.5 punkte (saugos reikalavimas) ir 6.2.3.7b punkte (posistemio lygmuo).

7) Kelio vėžės pločiai, su kuriais suderinamas riedmenų vienetas, nurodomi techniniuose dokumentuose. Techniniuose dokumentuose reikia aprašyti perjungimo veikimą įprastu režimu, įskaitant kelio vėžės pakeitimo įrenginio (-ių), su kuriuo (-iais) suderinamas riedmenų vienetas, tipą (-us) (dar žr. šios TSS 4.2.12.4 skirsnio 1 punktą).

8) Reikalavimai ir atitikties vertinimai, reikalaujami kituose šios TSS skirsniuose, atskirai taikomi kiekvienai ratų padėčiai, atitinkančiai vieną kelio vėžės plotį, ir turi būti atitinkamai dokumentuoti.

▼B

4.2.3.6.    Mažiausias kreivės spindulys

1) 

Visiems riedmenų vienetams taikomas mažiausias įveikiamos kreivės spindulys yra 150 m.

4.2.3.7.    Apsauginės užtvaros

1) 

Šis reikalavimas taikomas riedmenų vienetams su mašinisto kabina.

2) 

Ratai apsaugomi nuo pažeidimų, kuriuos gali sukelti ant bėgių esantys nedideli daiktai. Šio reikalavimo laikymąsi galima užtikrinti priešais ratus, sumontuotus ant priekinės ašies, įrengiant apsaugines užtvaras.

3) 

Apsauginės užtvaros apatinio krašto aukštis virš lygaus bėgio yra:

— 
ne mažesnis kaip 30 mm (bet kokiomis sąlygomis),
— 
ne didesnis kaip 130 mm (bet kokiomis sąlygomis),

pirmiausia atsižvelgiant į rato nusidėvėjimą ir pakabos apkrovą.

4) 

Jeigu 4.2.2.5 punkte nurodytų kliūčių verstuvų apatinis kraštas bet kokiomis sąlygomis yra žemiau kaip per 130 mm nuo lygaus bėgio, jis atitinka apsauginėms užtvaroms keliamą funkcinį reikalavimą, todėl apsauginių užtvarų leidžiama neįrengti.

5) 

Apsauginė užtvara suprojektuojama taip, kad nepatirdama nuolatinės deformacijos išlaikytų ne mažesnę kaip 20 kN išilginę statinę jėgą. Atitiktis šiam reikalavimui tikrinama atliekant skaičiavimus.

6) 

Apsauginė užtvara suprojektuojama taip, kad plastmasei deformuojantis užtvara neįstrigtų geležinkelio kelyje arba važiuoklėje ir kad dėl užtvaros sąlyčio su rato riedėjimo paviršiumi, jeigu toks sąlytis įvyktų, negrėstų nuvažiavimas nuo bėgių.

4.2.4.    Stabdymas

4.2.4.1.    Bendrosios nuostatos

1) 

Traukinio stabdžių sistemos paskirtis – užtikrinti, kad būtų galima sumažinti traukinio greitį, jį išlaikyti važiuojant nuokalne arba kad traukinį būtų galima sustabdyti neviršijant didžiausio leidžiamo stabdymo kelio. Be to, stabdžiais užtikrinamas traukinio stovėjimas vietoje.

2) 

Pagrindiniai veiksniai, turintys įtakos stabdymo efektyvumui, yra stabdymo galia (išvystoma stabdymo jėga), traukinio masė, pasipriešinimas traukinio riedėjimui, greitis ir esamas sankybis.

3) 

Atskirų riedmenų vienetų, naudojamų įvairaus sąstato traukiniuose, eksploatacinės savybės apibrėžiamos taip, kad būtų galima išvesti bendrąjį traukinio stabdymo efektyvumą.

4) 

Stabdymo efektyvumas apibrėžiamas lėtėjimo funkcijomis (lėtėjimas = F (greitis) ir lygiavertė atsako trukmė).

Taip pat galima naudoti tokius dydžius, kaip stabdymo kelias, stabdymo svorio procentinė dalis (dar vadinama „lambda“ arba „stabdymo masės procentine dalimi“) ir stabdymo masė; šiuos dydžius galima nustatyti (tiesiogiai arba remiantis stabdymo keliu) atliekant lėtėjimo funkcijomis pagrįstus skaičiavimus.

Stabdymo efektyvumas gali skirtis atsižvelgiant į traukinio arba riedmens masę.

5) 

Būtinasis traukinio stabdymo efektyvumas, kurį būtina užtikrinti norint eksploatuoti traukinį geležinkelio linijoje numatomu greičiu, priklauso nuo geležinkelio linijos savybių (signalizavimo sistemos, didžiausio greičio, nuolydžio, geležinkelio linijos saugos atsargos dydžio) ir yra priskiriamos infrastruktūros savybėms.

Pagrindiniai traukinio arba riedmens duomenys, kuriais apibūdinamas stabdymo efektyvumas, nurodyti šios TSS 4.2.4.5 punkte.

4.2.4.2.    Pagrindiniai funkciniai ir saugos reikalavimai

4.2.4.2.1.   Funkciniai reikalavimai

Toliau pateikti reikalavimai taikomi visiems riedmenų vienetams.

Riedmenų vienetuose sumontuojama:

1) 

pagrindinio stabdžio funkciją atliekanti įranga, naudojama paprastajam ir avariniam naudojamų riedmenų stabdymui;

2) 

stovėjimo stabdžio funkciją atliekanti įranga, naudojama traukiniui stovint ir leidžianti neribotą laikotarpį perduoti stabdymo jėgą nenaudojant traukinyje sukauptos energijos.

Pagrindinė traukinio stabdymo funkcija yra:

3) 

ištisinė – stabdymo signalas centrine komanda valdymo linija perduodamas visam traukiniui;

4) 

automatinė – netyčia nutraukus valdymo linijos laidus (juos pažeidus arba nutrūkus energijos tiekimui) turi suveikti stabdžiai visuose traukinį sudarančiuose riedmenyse.

5) 

Pagrindinę stabdymo funkciją leidžiama sustiprinti papildomomis stabdžių sistemomis, aprašytomis 4.2.4.7 punkte („Dinaminis stabdys. Su traukos sistema susijusi stabdžių sistema“) ir (arba) 4.2.4.8 punkte („Nuo sankybio nepriklausoma stabdžių sistema“).

6) 

Stabdymo energijos sklaida įvertinama projektuojant stabdžių sistemą ir neturi daryti žalos įprastomis sąlygomis veikiančios stabdžių sistemos sudedamosioms dalims; tai patikrinama skaičiavimais, kaip nurodyta šios TSS 4.2.4.5.4 punkte.

Projektuojant riedmenis taip pat įvertinama šalia sudedamųjų stabdžių dalių susidaranti temperatūra.

7) 

Projektuojant stabdžių sistemą būtina numatyti stebėjimo ir bandymo priemones, kaip nurodyta šios TSS 4.2.4.9 punkte.

Toliau 4.2.4.2.1 punkte pateikti reikalavimai taikomi traukinio lygmeniu riedmenų vienetams, kurių eksploatacinis sąstatas (-ai) yra nustatytas (-i) projektuojant (t. y. riedmenų vienetams, vertinamiems kaip nekintamos sudėties; riedmenų vienetams, vertinamiems kaip iš anksto suformuotas sąstatas; atskirai naudojamiems lokomotyvams).

8) 

Stabdymo efektyvumas atitinka saugos reikalavimus, nurodytus 4.2.4.2.2 punkte tokiems atvejams, kaip netyčinis stabdžių valdymo linijos nutraukimas, stabdymo energijos tiekimo nutrūkimas, elektros ar kitokios energijos tiekimo sutrikimas.

9) 

Pirmiausia traukinyje būtina sukaupti pakankamai stabdymo energijos (saugoma energija), kuri paskirstoma po visą traukinį atsižvelgiant į stabdymo sistemos sąrangą, taip užtikrinant reikiamos stabdymo jėgos panaudojimą.

10) 

Projektuojant stabdžių sistemą įvertinamas poreikis įjungti ir išjungti stabdžius kelis kartus iš eilės (neišeikvojamumas).

11) 

Netyčia atsiskyrus tam tikrai traukinio daliai, abi traukinio dalys sustabdomos; abiejų traukinio dalių stabdymo efektyvumas nebūtinai turi būti tapatus stabdymo efektyvumui įprastomis sąlygomis.

12) 

Nutrūkus stabdymo energijos tiekimui arba sutrikus elektros energijos tiekimui, didžiausios stabdymo apkrovos (pagal 4.2.4.5.2 punktą) riedmenų vienetą ne mažiau kaip dvi valandas galima išlaikyti nejudantį 40 ‰ nuokalnėje naudojant tik pagrindinės stabdžių sistemos trintinį stabdį.

13) 

Riedmenų vieneto stabdžių valdymo sistema turi tris valdymo režimus:

avarinio stabdymo – iš anksto nustatytos stabdymo jėgos panaudojimas per iš anksto nustatytą ilgiausią atsako laiką, kad traukinys būtų sustabdytas taikant nustatytą stabdžių efektyvumą,

paprastojo stabdymo – reguliuojamos stabdymo jėgos naudojimas siekiant kontroliuoti traukinio greitį, įskaitant sustabdymą ir laikiną stovėjimą vietoje,

stovėjimo stabdžio naudojimo – stabdymo jėgos naudojimas siekiant užtikrinti, kad traukinys (arba riedmuo) stovėtų nejudėdamas, tam nenaudojant traukinyje sukauptos energijos.

14) 

Naudojant stabdymo komandą, kad ir kokiu valdymo režimu ji būtų perduodama, perimamas stabdžių sistemos valdymas – net jei stabdžio išjungimo komanda tuo metu yra aktyvi; šio reikalavimo gali būti nesilaikoma, kai mašinistas tyčia atšaukia stabdymo komandą (pvz., kai išjungiamas keleivių perduodamas pavojaus signalas, atjungiami riedmenys ir t. t.).

15) 

Kai greitis viršija 5 km/h, stipriausias trūktelėjimas stabdant neviršija 4 m/s3.Trūktelėjimo savybes galima įvertinti atliekant skaičiavimus ir įvertinant lėtėjimo savybes, išmatuotas atlikus stabdymo bandymus (kaip aprašyta 6.2.3.8 ir 6.2.3.9 punktuose).

4.2.4.2.2.   Saugos reikalavimai

1) 

Stabdžių sistema yra traukinio stabdymo priemonė, taigi ji padeda užtikrinti tam tikrą geležinkelių sistemos saugos lygį.

4.2.4.2.1 punkte išdėstyti funkciniai reikalavimai padeda užtikrinti saugų stabdžių sistemos veikimą; nepaisant to, stabdymo efektyvumui įvertinti būtina atlikti rizikos analizę, nes stabdymas yra susijęs su įvairiais veiksniais.

2) 

Pagal skirtingus pavojingų įvykių scenarijus laikomasi atitinkamų saugos reikalavimų, nurodytų 3 lentelėje toliau.

Kai šioje lentelėje nurodytas poveikio mastas, įrodoma, kad atitinkama rizika kontroliuojama priimtinu mastu, atsižvelgiant į funkcinio gedimo būdingą tikėtiną potencialą tiesiogiai lemti tą poveikio mastą, nurodytą lentelėje.



3 lentelė

Stabdžių sistemos saugos reikalavimai

 

 

Saugos reikalavimas, kurio reikia laikytis

 

Funkcinis gedimas ir jo sukeltų pavojingų įvykių scenarijus

Susijęs poveikio mastas/padarinys, kurio reikėtų išvengti

Mažiausias leidžiamas gedimų derinių kiekis

Nr. 1

 

Taikoma riedmenų vienetams su kabina (stabdymo komanda)

Davus avarinio stabdymo komandą, traukinys nepradeda lėtėti dėl stabdžių sistemos gedimo (visiškas ilgalaikis stabdymo jėgos praradimas).

Pastaba. Būtina atsižvelgti į mašinisto arba CCS sistemos duodamą komandą. Šiam scenarijui keleivių duodama komanda (pavojaus signalas) neaktuali.

Mirties atvejai

2 (vienas gedimas nepriimtinas)

Nr. 2

 

Taikoma visiems riedmenų vienetams su traukos įranga

Davus avarinio stabdymo komandą, traukinys nepradeda lėtėti dėl traukos sistemos gedimo (kai traukos jėga ne mažesnė už stabdymo jėgą).

Mirties atvejai

2 (vienas gedimas nepriimtinas)

Nr. 3

 

Taikoma visiems riedmenų vienetams

Davus avarinio stabdymo komandą, stabdymo kelias yra ilgesnis nei įprasto veikimo atveju dėl stabdžių sistemos gedimo (-ų).

Pastaba. Įprasto veikimo savybės nustatytos 4.2.4.5.2 punkte.

Netaikoma

Nustatomas (-i) pavienio (-ių) mazgo (-ų) gedimas (-ai), lemiantis (-ys) ilgiausią apskaičiuotą stabdymo kelią, ir stabdymo kelio pailgėjimas, palyginti su įprasto veikimo (kai gedimo nėra) atveju.

Nr. 4

 

Taikoma visiems riedmenų vienetams

Davus stovėjimo stabdžio įjungimo komandą, stovėjimo stabdžio jėga nepanaudojama (visiškas ilgalaikis stovėjimo stabdžio jėgos praradimas).

Netaikoma

2 (vienas gedimas nepriimtinas)

Atsižvelgiant į 4.2.4.7 ir 4.2.4.8 punktuose nustatytas sąlygas, atliekant saugos tyrimą įvertinamos papildomos stabdžių sistemos.

Atitikties patikrinimas (atitikties vertinimo procedūra) aprašytas šios TSS 6.2.3.5 punkte.

4.2.4.3.    Stabdžių sistemos tipas

1) 

Bendrojo naudojimo paskirties riedmenų vienetuose (įvairiuose skirtingos kilmės riedmenų sąstatuose; traukinių sąstatuose, kurie nebuvo apibrėžti projektuojant) kitose nei 1 520 mm pločio vėžės sistemose ir vertinamuose pagal bendrojo naudojimo reikalavimus, sumontuojama stabdžių sistema su stabdžių vamzdeliais, atitinkančiais UIC stabdžių sistemą. Tam taikomi J-1 priedėlio 22 rodyklėje nurodytoje specifikacijoje „Lokomotyvo traukiamų sąstatų stabdžių sistemai keliami reikalavimai“ nustatyti principai.

Šis reikalavimas nustatytas siekiant užtikrinti techninį įvairios kilmės traukinį sudarančių riedmenų stabdymo funkcijos suderinamumą.

2) 

Riedmenų vienetų (traukinio sąstatų arba riedmenų), kurie vertinami kaip nekintamos sudėties arba iš anksto suformuoti sąstatai, stabdžių sistemos tipui taikytinų reikalavimų nenustatyta.

4.2.4.4.    Stabdymo komanda

4.2.4.4.1.   Avarinio stabdymo komanda

1) 

Šis punktas taikomas riedmenų vienetams su mašinisto kabina.

2) 

Sumontuojami ne mažiau kaip du nepriklausomi avarinio stabdymo valdymo įtaisai, kuriais naudodamasis mašinistas, įprastai valdydamas traukinį, gali viena ranka ir vienu judesiu paprastai įjungti avarinį stabdį.

Siekiant patvirtinti, kad laikomasi 4.2.4.2.2 punkto 3 lentelėje pateikto saugos reikalavimo Nr. 1, gali būti apsvarstyta galimybė paeiliui įjungti abu šiuos įtaisus.

Vienas iš šių įtaisų yra „raudonasis mygtukas“ (grybo pavidalo mygtukas).

Avarinio stabdžio padėtis, įjungiama šiais dviem įtaisais, užfiksuojama savaiminės fiksacijos mechaniniu įtaisu; išjungti šioje padėtyje esantį įtaisą galima tik sąmoningu veiksmu.

3) 

Be to, įjungti avarinio stabdymo stabdį galima naudojant traukinyje įrengtą valdymo komandų ir signalizavimo sistemą, kaip apibrėžta valdymo ir signalizacijos TSS.

4) 

Jeigu komanda neatšaukiama, įjungus avarinio stabdymo stabdį automatiškai atliekami šie neatšaukiami veiksmai:

— 
avarinio stabdymo komanda stabdžių valdymo linija perduodama visam traukiniui,
— 
per mažiau kaip 2 sekundes nutraukiamas visų traukos jėgų perdavimas; šios nutraukimo komandos negalima atšaukti tol, kol traukos komandos neatšaukia mašinistas,
— 
blokuojamos visos stabdžio išjungimo komandos arba veiksmai.

4.2.4.4.2.   Paprastojo stabdymo komanda

1) 

Šis punktas taikomas riedmenų vienetams su mašinisto kabina.

2) 

Paprastojo stabdžio funkcija leidžia mašinistui nustatyti stabdymo jėgą (ją didinant arba mažinant) mažiausios ir didžiausios verčių intervale, kurį sudaro ne mažiau kaip septynios pakopos (įskaitant stabdžio išjungimą ir didžiausią stabdymo jėgą), ir taip kontroliuoti traukinio greitį.

3) 

Paprastojo stabdymo komanda įjungiama tik vienoje traukinio vietoje. Įgyvendinant šį reikalavimą, galima atskirti paprastojo stabdymo funkciją nuo kitos (-ų) paprastojo stabdymo komandos (-ų), kurią (-as) duoda riedmenų vienetas (-i), kuris (-ie) yra sudedamoji (-osios) traukinio sąstato dalis (-ys), kaip nustatyta nekintamos sudėties ir iš anksto suformuotiems sąstatams.

4) 

Kai traukinio greitis didesnis kaip 15 km/h, įjungus paprastąjį stabdį automatiškai nutraukiamas visų traukos jėgų perdavimas; šios nutraukimo komandos negalima atšaukti tol, kol traukos komandos neatšaukia mašinistas.

Pastabos

— 
Jei paprastasis stabdys ir trauka valdomi automatinio greičio reguliavimo funkcija, mašinistui nereikia atšaukti traukos nutraukimo komandos.
— 
Kai trauka reikalinga specifiniam tikslui pasiekti (ledui pašalinti, stabdžių sudedamosioms dalims nuvalyti ir t. t.), traukiniui važiuojant didesniu kaip 15 km/h greičiu leidžiama tyčia įjungti trintinį stabdį; šių specialių funkcinių galimybių negalima naudoti, kai įjungiamas avarinis arba paprastasis stabdys.

4.2.4.4.3.   Tiesioginė stabdymo komanda

1) 

Bendrojo naudojimo tikslais vertinamuose lokomotyvuose (riedmenų vienetuose, skirtuose prekiniams arba keleiviniams vagonams traukti) sumontuojama tiesioginio stabdymo sistema.

2) 

Nepriklausomai nuo stabdymo komandos tiesioginio stabdymo sistema leidžia panaudoti stabdymo jėgą tik reikiamame (-uose) riedmenų vienete (-uose), nenaudojant stabdžių kitame (-uose) traukinio riedmenų vienete (-uose).

4.2.4.4.4.   Dinaminio stabdymo komanda

Jeigu riedmenų vienete sumontuota dinaminio stabdymo sistema:

1) 

įmanoma neleisti naudoti rekuperacinio stabdžio elektriniuose riedmenų vienetuose, kad energija nebūtų grąžinama į kontaktinį tinklą, kai važiuojama geležinkelio linija, kurioje to daryti nėra galimybės.

Dar žr. 4.2.8.2.3 punkte pateiktas rekuperacinių stabdžių nuostatas;

2) 

dinaminį stabdį leidžiama naudoti kaip nuo kitų stabdžių sistemų nepriklausomą stabdį arba kaip su kitomis stabdžių sistemomis susijusį stabdį (derinimas).

3) 

Jei lokomotyvuose dinaminis stabdys naudojamas nepriklausomai nuo kitų stabdžių sistemų, turi būti galima riboti didžiausią dinaminio stabdymo vertę ir jos kitimo spartą iki iš anksto nustatytų verčių.

Pastaba. Šis apribojimas yra susijęs jėgomis, kurias traukinyje esantis (-ys) lokomotyvas (-ai) perduoda geležinkelio keliui. Jis gali būti taikomas eksploataciniu lygmeniu nustatant vertes, būtinas suderinamumui su tam tikra linija (pvz., didelio nuolydžio ir mažo kreivės spindulio linija) užtikrinti.

4.2.4.4.5.   Stovėjimo stabdžio įjungimo komanda

1) 

Šis punktas taikomas visiems riedmenų vienetams.

2) 

Davus stovėjimo stabdžio įjungimo komandą, nustatyta stabdymo jėga naudojama neapibrėžtą laikotarpį, kurį gali būti eikvojama transporto priemonėje sukaupta energija.

3) 

Stovint, įskaitant gelbėjimo darbus, galima išjungti stovėjimo stabdį.

4) 

Riedmenų vienetų, kurie vertinami sukabinti į nekintamos sudėties arba iš anksto suformuotus sąstatus, ir lokomotyvų, vertinamų bendrojo naudojimo tikslais, atveju stovėjimo stabdymo komanda įsijungia automatiškai, kai riedmenų vienetas atjungiamas. Kitų riedmenų vienetų atveju stovėjimo stabdymo komanda duodama rankiniu būdu arba automatiškai, kai riedmenų vienetas atjungiama.

Pastaba. Galimybė įjungti stovėjimo stabdį gali priklausyti nuo pagrindinio stabdžio funkcijos būsenos; jį turi būti galima įjungti, kai riedmenyje prarandama pagrindinio stabdžio funkcijai įjungti būtina energija arba numatoma, kad ji padidės arba sumažės (įjungus arba išjungus riedmenų vienetą).

4.2.4.5.    Stabdymo efektyvumas

4.2.4.5.1.   Bendrieji reikalavimai

1) 

Riedmenų vieneto (traukinio sąstato arba riedmens) stabdymo efektyvumas (lėtėjimas = F(greitis) ir lygiavertė atsako trukmė) nustatomas atliekant skaičiavimus, kaip apibrėžta J-1 priedėlio 23 rodyklėje nurodytoje specifikacijoje, darant prielaidą, kad geležinkelio kelias yra horizontalus.

Kiekvienas skaičiavimas atliekamas pagal ratų skersmenis, atitinkančius naujų, pusiau nudėvėtų ir nudėvėtų ratų skersmenį; taip pat apskaičiuojamas reikiamas rato ir bėgio sankybio lygis (žr. 4.2.4.6.1).

2) 

Trinties koeficientai, taikomi trintinių stabdžių įrenginiams ir naudojami atliekant skaičiavimus yra pagrindžiami (žr. J-1 priedėlio 24 rodyklėje nurodytą specifikaciją).

3) 

Stabdymo savybių skaičiavimai atliekami pagal du valdymo režimus: avarinio stabdymo ir stipriausio paprastojo stabdymo.

4) 

Stabdymo efektyvumo skaičiavimai atliekami projektavimo etapu ir peržiūrimi (parametrų pataisos) baigus fizinius bandymus, privalomus pagal 6.2.3.8 ir 6.2.3.9 punktus, siekiant užtikrinti atitiktį bandymų rezultatams.

Galutiniai stabdymo efektyvumo skaičiavimai (atitinkantys bandymų rezultatus) įtraukiami į techninius dokumentus, nurodytus 4.2.12 punkte.

5) 

Didžiausias vidutinis lėtėjimas, išvystytas naudojant visus stabdžius, įskaitant nuo rato ir bėgio sankybio nepriklausomą stabdymą, yra mažesnis kaip 2,5 m/s2; šis reikalavimas susijęs su išilginiu geležinkelio kelio atsparumu.

4.2.4.5.2.   Avarinis stabdymas

Atsako trukmė:

1) 

Riedmenų vienetų, kurie vertinami sukabinti į nekintamos sudėties arba iš anksto suformuotą (-us) sąstatą (-us), lygiavertė atsako trukmė ( *1 ) ir vėlinimo trukmė (*1) , įvertintos esant bendrajai avarinio stabdymo jėgai, išvystytai davus avarinio stabdymo komandą, yra mažesnės už šias vertes:

— 
lygiavertė atsako trukmė:
— 
3 sekundės riedmenų vienetams, kurių didžiausias projektinis greitis yra 250 km/h arba didesnis;
— 
5 sekundės kitiems riedmenų vienetams.
— 
Delsos trukmė – 2 sekundės.
2) 

Vertinamų bendrosios paskirties riedmenų vienetų atsako trukmė yra tokia, kokia nustatyta UIC stabdžių sistemai (taip pat žr. 4.2.4.3 punktą – stabdžių sistema yra suderinama su UIC stabdžių sistema).

Lėtėjimo apskaičiavimas

3) 

Visų riedmenų vienetų avarinio stabdymo efektyvumas apskaičiuojamas pagal J-1 priedėlio 26 rodyklėje nurodytą specifikaciją; nustatoma lėtėjimo funkcija ir stabdymo keliai esant šiems pradiniams greičiams (jeigu jie mažesni už riedmenų vieneto didžiausią projektinį greitį): 30 km/h, 100 km/h, 120 km/h, 140 km/h, 160 km/h, 200 km/h, 230 km/h, 300 km/h, didžiausiam projektiniam riedmenų vieneto greičiui.

4) 

Taip pat nustatoma riedmenų vienetų, suprojektuotų ir vertinamų bendrojo naudojimo tikslais, stabdymo svorio procentinė dalis (lambda).

J-1 priedėlio 25 rodyklėje nurodytos specifikacijos 5.12 punkte nustatyta, kaip galima apskaičiuoti kitus parametrus (stabdymo svorio procentinę dalį (lambdą), stabdymo masę), remiantis lėtėjimo skaičiavimais arba riedmenų vieneto stabdymo keliu.

5) 

Avarinio stabdymo efektyvumas skaičiuojamas stabdžių sistemai veikiant dviem skirtingais režimais ir atsižvelgiant į suprastėjusias sąlygas:

— 
įprastu režimu – stabdžių sistema veikia be gedimų ir užtikrinamos vardinės trintinių stabdžių įrenginių trinties koeficientų vertės (atitinkančios sausas sąlygas). Atlikus šį skaičiavimą gaunamas stabdymo efektyvumas įprastu režimu,
— 
suprastėjusių sąlygų režimu – atsižvelgiama į gedimus, nustatytus 4.2.4.2.2 punkte, pavojų Nr. 3, trintinių stabdžių įrenginių vardinę trinties koeficiento vertę. Suprastėjusių sąlygų režimu atsižvelgiama į galimus pavienius gedimus; šiuo tikslu avarinio stabdymo efektyvumas nustatomas atsižvelgiant į pavienio (-ių) mazgo (-ų) gedimą (-us), lemiantį (-čius) ilgiausią stabdymo kelią; aiškiai nurodomas kiekvienas susijęs gedimas (sugedusi sudedamoji dalis, gedimo pobūdis ir, jeigu galima, gedimų rodiklis),
— 
suprastėjusios sąlygos – avarinio stabdymo efektyvumas taip pat apskaičiuojamas naudojant mažesnes trinties koeficiento vertes, atsižvelgiant į ribines temperatūros ir drėgnio vertes (žr. J-1 priedėlio 27 rodyklėje nurodytos specifikacijos 5.3.1.4 punktą).

Pastaba. Į šiuos skirtingus režimus ir sąlygas pirmiausia būtina atsižvelgti diegiant pažangias kontrolės, valdymo ir signalizavimo sistemas (pvz., ETCS), kuriomis siekiama optimizuoti geležinkelių sistemą.

6) 

Avarinio stabdymo efektyvumo skaičiavimai atliekami pagal tris apkrovos būdus:

— 
mažiausia apkrova: „projektinė eksploatacinė masė“ (kaip aprašyta 4.2.2.10 punkte),
— 
įprastinė apkrova: „projektinė masė, kai naudingoji apkrova įprasta“ (kaip aprašyta 4.2.2.10 punkte),
— 
didžiausia stabdymo apkrova – apkrova, mažesnė nei „projektinė masė esant išimtinei naudingajai apkrovai“ arba jai lygi (kaip aprašyta 4.2.2.10 punkte).
Jei ši apkrova mažesnė nei „projektinė masė esant išimtinei naudingajai apkrovai“, ji pagrindžiama ir nurodoma bendruosiuose dokumentuose, aprašytuose 4.2.12.2 punkte.
7) 

Avarinio stabdymo skaičiavimams pagrįsti atliekami bandymai pagal atitikties vertinimo procedūrą, nurodytą 6.2.3.8 straipsnyje.

8) 

Techniniuose dokumentuose, aprašytuose 4.2.12.2 punkte, registruojamas kiekvienas apkrovos sąlygą atitinkantis mažiausias „avarinio stabdymo efektyvumo įprastu režimu“ skaičiavimų rezultatas (t. y. susijęs su ilgiausiu stabdymo keliu) esant didžiausiam projektiniam greičiui (patikslintam atsižvelgiant į pirmiau nustatytų privalomų bandymų rezultatus).

9) 

Be to, riedmenų vienetų, vertinamų kaip nekintamos sudėties arba iš anksto suformuoti sąstatai, kurių didžiausias projektinis greitis yra 250 km/h arba didesnis, stabdymo kelias „avarinio stabdymo efektyvumo įprastu režimu“ neviršija toliau pateiktų verčių esant „įprastai apkrovai“:

— 
5 360 m, kai greitis viršija 350 km/h (jeigu < = didžiausias projektinis greitis),
— 
3 650 m, kai greitis viršija 300 km/h (jeigu < = didžiausias projektinis greitis),
— 
2 430 m, kai greitis viršija 250 km/h,
— 
1 500 m, kai greitis viršija 200 km/h.

4.2.4.5.3.   Paprastasis stabdymas

Lėtėjimo apskaičiavimas

1) 

Visų riedmenų vienetų didžiausias paprastojo stabdymo efektyvumas apskaičiuojamas pagal J-1 priedėlio 28 rodyklėje nurodytą specifikaciją, atsižvelgiant į įprastinį stabdžių sistemos režimą, trintinių stabdžių įrenginiams taikant vardines trinties koeficientų vertes didžiausiu projektiniu greičiu, kai apkrovos sąlyga – „projektinė masė, kai naudingoji apkrova įprasta“.

2) 

Didžiausio paprastojo stabdymo efektyvumo skaičiavimams pagrįsti atliekami bandymai pagal atitikties vertinimo procedūrą, nurodytą 6.2.3.9 straipsnyje.

Didžiausias paprastojo stabdymo efektyvumas

3) 

Kai projektinis paprastojo stabdymo efektyvumas yra didesnis už avarinio stabdymo efektyvumą, didžiausią paprastojo stabdymo efektyvumą galima apriboti (projektuojant stabdžių valdymo sistemą arba atliekant techninės priežiūros darbus) tiek, kad jis būtų mažesnis už avarinio stabdymo efektyvumą.

Pastaba. Valstybė narė saugos sumetimais gali reikalauti, kad avarinio stabdymo efektyvumas būtų mažesnis už didžiausią paprastojo stabdymo efektyvumą, tačiau ji vis tiek negali drausti naudotis geležinkelio įmonės, kurioje didžiausias taikomas paprastojo stabdymo efektyvumas yra didesnis, paslaugomis, nebent ta valstybė narė gali įrodyti, kad tokiu būdu stabdant pažeidžiami nacionaliniai saugos reikalavimai.

4.2.4.5.4.   Su šilumine talpa susiję skaičiavimai

1) 

Šis punktas taikomas visiems riedmenų vienetams.

2) 

Geležinkelio statybos ir priežiūros riedmenų atitiktį šiam reikalavimui leidžiama tikrinti matuojant ratų ir stabdžių įrangos temperatūrą.

3) 

Stabdžių energijos absorbavimo geba tikrinama atliekant skaičiavimus, kuriais patvirtinama, kad stabdžių sistema suprojektuota taip veikti įprastiniu režimu, kad būtų atspari stabdymo energijos sklaidai. Atliekant šiuos skaičiavimus standartinės vertės, naudojamos energiją perduodančioms sudedamosioms stabdžių sistemos dalims, tikrinamos atliekant šiluminį bandymą arba remiantis įgyta patirtimi.

Šis skaičiavimas apima scenarijų, kai du kartus iš eilės (taikomas laiko intervalas, lygus laikotarpiui, kurio reikia traukinio greičiui padidinti iki didžiausio greičio) įjungiamas avarinis stabdys traukiniui didžiausiu greičiu važiuojant lygiu geležinkelio keliu, kai apkrovos sąlyga – „didžiausia stabdymo apkrova“.

Jeigu riedmenų vieneto negalima atskirai valdyti kaip traukinio, nurodomas atliekant skaičiavimus naudojamas laiko intervalas tarp dviejų avarinio stabdžio įjungimų.

4) 

Be to, kai paprastasis stabdys naudojamas vienodam traukinio važiavimo greičiui išlaikyti, atliekant skaičiavimus (taikoma sąlyga – „didžiausia stabdymo apkrova“) nustatomas didžiausias geležinkelio linijos nuolydis, susijęs ilgis ir darbinis greitis, kuriam yra skirta stabdžių sistema, atsižvelgiant į stabdžių šiluminės energijos talpą.

Rezultatas (didžiausias geležinkelio linijos nuolydis, susijęs ilgis ir darbinis greitis) registruojamas riedmenų dokumentuose, apibrėžtuose šios TSS 4.2.12 punkte.

Atsižvelgiant į nagrinėjamą nuolydį, siūloma taikyti tokį „etaloninį atvejį“: 46 km važiuojant tolygaus 21 ‰ nuolydžio geležinkelio keliu, išlaikomas 80 km/h greitis. Jeigu taikomas toks etaloninis atvejis, dokumentuose pakanka nurodyti, kad jo laikomasi.

5) 

Be to, riedmenų vienetai, vertinami kaip nekintamos sudėties arba iš anksto suformuoti sąstatai, kurių didžiausias projektinis greitis yra 250 km/h arba didesnis, suprojektuojami taip, kad galėtų leistis stabdžių sistemai veikiant įprastu režimu ir esant apkrovos sąlygai „didžiausia stabdymo apkrova“ greičiu, lygiu 90 % didžiausio darbinio greičio, 10 km didžiausiu geležinkelio linijos nuolydžiu (25 ‰) ir 6 km didžiausiu geležinkelio linijos nuolydžiu (35 %).

4.2.4.5.5.   Stovėjimo stabdys

Savybės:

1) 

Riedmenų vienetas (traukinys arba riedmuo), pakrautas pagal sąlygą „projektinė eksploatacinė masė“ ir neturintis elektros energijos šaltinio, pastatytas ilgalaikiam stovėjimui 40 ‰ nuolydžio geležinkelio kelyje, stovi vietoje.

2) 

Stovėjimas vietoje užtikrinamas naudojant stovėjimo stabdžio funkciją ir papildomas priemones (pvz., ratstabdį), jeigu vien stovėjimo stabdys tokių savybių užtikrinti negali; reikiamos papildomos priemonės laikomos traukinyje.

Apskaičiavimas:

3) 

Riedmenų vieneto (traukinio arba riedmens) stovėjimo stabdžio savybės apskaičiuojamos pagal J-1 priedėlio 29 rodyklėje nurodytą specifikaciją. Rezultatas (nuolydis, kuriam esant riedmenų vieneto stovėjimas vietoje užtikrinamas naudojant tik stovėjimo stabdį) įrašomas techniniuose dokumentuose, nustatytuose šios TSS 4.2.12 punkte.

4.2.4.6.    Rato sankybio su bėgiu profilis. Apsaugos nuo ratų slydimo sistema

4.2.4.6.1.   Rato sankybio su bėgiu profilio ribinės vertės

1) 

Riedmenų vieneto stabdžių sistema projektuojama taip, kad avarinio stabdžio efektyvumas (įskaitant dinaminį stabdį, jei jis tą efektyvumą didina) ir paprastojo stabdžio efektyvumas (be dinaminio stabdžio) būtų toks, kad apskaičiuotas kiekvieno aširačio rato sankybis su bėgiu, kai greitis yra 30–250 km/h, neviršytų 0,15, su tokiomis išimtimis:

— 
vertinamo riedmenų vieneto, skirto naudoti nekintamos sudėties arba iš anksto suformuotame (-uose) sąstate (-uose), su 7 arba mažiau ašių atveju sankybis neviršija 0,13,
— 
vertinamo riedmenų vieneto, skirto naudoti nekintamos sudėties arba iš anksto suformuotame (-uose) sąstate (-uose), su 20 arba daugiau ašių atveju apskaičiuotas rato sankybis su bėgiu esant mažiausiai apkrovai gali būti didesnis už 0,15, bet negali viršyti 0,17.

Pastaba. Jei apkrova įprastinė, išimtis netaikoma; galioja 0,15 ribinė vertė.

Šis mažiausias ašių kiekis gali būti sumažintas iki 16 ašių, jeigu 4.2.4.6.2 skirsnyje nustatyto privalomo bandymo, susijusio su WSP veiksmingumu ir atlikto esant mažiausiai apkrovai, rezultatai yra teigiami.

Kai greičio intervalas yra 250–350 km/h, pirmiau nurodytos trys ribinės vertės yra linijiniu būdu mažinamos, kad vertė esant 350 km/h greičiui būtų mažesnė 0,05 dydžiu.

2) 

Minėtasis reikalavimas taip pat taikomas tiesioginio stabdymo komandai, aprašytai 4.2.4.4.3 punkte.

3) 

Skaičiuojant stovėjimo stabdžio efektyvumą, riedmenų vienetas suprojektuojamas taip, kad rato sankybis su bėgiu būtų ne didesnis nei 0,12.

4) 

Šios rato sankybio su bėgiu ribinės vertės patikrinamos atliekant skaičiavimus su mažiausiu rato skersmeniu ir taikant tris apkrovos sąlygas, nustatytas 4.2.4.5.2 punkte.

Visos sankybio vertės suapvalinamos šimtųjų tikslumu.

4.2.4.6.2.   Apsaugos nuo ratų slydimo sistema

1) 

Apsaugos nuo ratų slydimo sistema (angl. WSP) – sistema, skirta geriausiai išnaudoti esamą sankybį, kontroliuojamai mažinant arba didinant stabdymo jėgą, kad aširačiai nesiblokuotų ir neslystų nekontroliuojami, taip mažinant papildomą stabdymo kelią ir ratų sugadinimo tikimybę.

WSP įrengimo ir naudojimo riedmenų vienete reikalavimai

2) 

Riedmenų vienetuose, kurių projektinis didžiausias eksploatacinis greitis didesnis kaip 150 km/h, įrengiama apsaugos nuo ratų slydimo sistema.

3) 

Riedmenų vienetuose, ant kurių ratų važiuojamojo paviršiaus sumontuotos stabdžių trinkelės ir kurių stabdymo savybės tokios, kad apskaičiuotas rato sankybis su bėgiu, kai greitis viršija 30 km/h, yra didesnis kaip 0,12, įrengiama apsaugos nuo ratų slydimo sistema.

Riedmenų vienetuose, ant kurių ratų važiuojamojo paviršiaus nesumontuotos stabdžių trinkelės ir kurių stabdymo savybės tokios, kad apskaičiuotas rato sankybis su bėgiu, kai greitis viršija 30 km/h, yra didesnis kaip 0,11, įrengiama apsaugos nuo ratų slydimo sistema.

4) 

Pirmiau nurodytas reikalavimas dėl apsaugos nuo ratų slydimo sistemos taikomas abiem stabdymo režimams – avarinio stabdymo ir paprastojo stabdymo.

Jis taikomas ir dinaminio stabdymo sistemai, kuri yra sudedamoji paprastojo stabdžio dalis ir gali būti sudedamoji avarinio stabdžio dalis (žr. 4.2.4.7 punktą).

WSP sistemos eksploatacinėms savybėms taikomi reikalavimai

5) 

Riedmenų vienetuose, kuriuose sumontuota dinaminio stabdymo sistema, WSP sistema (jeigu ji sumontuota pagal ankstesnį punktą) kontroliuoja dinaminio stabdymo jėgą; jeigu WSP sistema nenaudojama, dinaminio stabdymo jėga sumažinama arba apribojama tiek, kad reikalingas rato sankybis su bėgiu būtų ne didesnis kaip 0,15.

6) 

Apsaugos nuo ratų slydimo sistema projektuojama pagal J-1 priedėlio 30 rodyklėje nurodytos specifikacijos 4 punktą; atitikties vertinimo procedūra nurodyta 6.1.3.2 punkte.

7) 

Reikalavimai, taikomi riedmenų vieneto lygmens savybėms:

Jeigu riedmenų vienete sumontuota WSP sistema, atliekamas bandymas riedmenų vienete sumontuotos WSP sistemos veiksmingumui patikrinti (didžiausias papildomas stabdymo kelias, palyginti su stabdymo keliu ant sausų bėgių); atitikties vertinimo procedūra nurodyta 6.2.3.10 punkte.

Susijusios apsaugos nuo ratų slydimo sistemos sudedamosios dalys išnagrinėjamos atliekant avarinio stabdymo funkcijos saugos analizę, nustatytą 4.2.4.2.2 punkte.

8) 

Ratų sukimosi stebėjimo sistema (angl. WRM):

Riedmenų vienetuose, kurių didžiausias projektinis greitis yra 250 km/h arba didesnis, sumontuojama ratų sukimosi stebėjimo sistema, pranešanti mašinistui, kad ašis užsikirto; ratų sukimosi stebėjimo sistema projektuojama pagal J-1 priedėlio 30 rodyklėje nurodytos specifikacijos 4.2.4.3 punktą.

4.2.4.7.    Dinaminis stabdys. Su traukos sistema susijusi stabdžių sistema

Jeigu su traukos sistema susijusio dinaminio stabdžio arba stabdymo sistemos efektyvumas įtraukiamas į 4.2.4.5.2 punkte apibrėžtą avarinio stabdymo įprastu režimu efektyvumą, su trauka susijęs dinaminis stabdys arba stabdymo sistema yra:

1) 

valdomi per pagrindinę stabdžių sistemos valdymo liniją (žr. 4.2.4.2.1 punktą);

2) 

vertinami taikant saugos analizę, kurios metu įvertinamas pavojus „visiškas dinaminio stabdymo jėgos praradimas davus avarinio stabdymo komandą“.

Ši saugos analizė įtraukiama į saugos analizę, privalomą pagal avarinio stabdymo funkcijai 4.2.4.2.2 punkte nustatytą saugos reikalavimą Nr. 3.

Kai elektriniuose riedmenų vienetuose dinaminio stabdžio veikimui yra būtina elektros įtampa, tiekiama iš išorinio elektros energijos šaltinio, atliekant saugos analizę vertinami gedimai, dėl kurių riedmenų vienete gali nutrūkti tokia elektros įtampa.

Jeigu riedmenų vieneto lygmeniu minėtas pavojus (elektros įtampos, tiekiamos iš išorinio elektros energijos šaltinio, nutrūkimas) nekontroliuojamas, dinaminio stabdžio arba su traukos sistemomis susietos stabdžių sistemos stabdymo efektyvumas neįtraukiamas į 4.2.4.5.2 punkte apibrėžtą avarinio stabdymo efektyvumą įprastu režimu.

4.2.4.8.    Nuo sankybio nepriklausoma stabdžių sistema

4.2.4.8.1.   Bendrosios nuostatos

1) 

Stabdžių sistemos, galinčios išvystyti bėgius veikiančią stabdymo jėgą ir nepriklausomos nuo rato sankybio su bėgiu, leidžia užtikrinti papildomą stabdymo efektyvumą, kai privalomas efektyvumas yra didesnis už efektyvumą, atitinkantį esamo ratų ir bėgio sankybio ribinę vertę (žr. 4.2.4.6 punktą).

2) 

Nustatant 4.2.4.5 punkte apibrėžtą avarinio stabdymo efektyvumą įprastu režimu, leidžiama įtraukti nuo rato sankybio su bėgiu nepriklausomą stabdymo efektyvumą; tokiu atveju nuo sankybio nepriklausoma stabdžių sistema yra:

3) 

valdoma per pagrindinę stabdžių sistemos valdymo liniją (žr. 4.2.4.2.1 punktą);

4) 

vertinama taikant saugos analizę, kurios metu įvertinamas pavojus „visiškas stabdymo jėgos praradimas davus avarinio stabdymo komandą nepriklausomai nuo rato sankybio su bėgiu“.

Ši saugos analizė įtraukiama į saugos analizę, privalomą pagal avarinio stabdymo funkcijai 4.2.4.2.2 punkte nustatytą saugos reikalavimą Nr. 3.

▼M3

4.2.4.8.2.   Magnetinis bėginis stabdys

1) Magnetiniams stabdžiams keliami reikalavimai suderinamumui su traukinių buvimo vietos nustatymo sistema, grindžiama ašių skaitikliais, užtikrinti nurodyti šios TSS 4.2.3.3.1.2 skirsnio 10 punkte.

2) Magnetinis bėginis stabdys gali būti naudojamas kaip avarinio stabdymo stabdys, kaip nurodyta infrastruktūros TSS 4.2.6.2.2 punkte.

3) Bėgį veikiančių apatinių magneto sudedamųjų dalių geometrinės savybės nurodomos pagal vieną iš tipų, aprašytų J-1 priedėlio 31 rodyklėje nurodytoje specifikacijoje.

4) Magnetinis bėginis stabdys nenaudojamas, kai greitis viršija 280 km/h.

5) Riedmenų vieneto stabdymo efektyvumas, nurodytas šios TSS 4.2.4.5.2 punkte, nustatomas naudojant magnetinius bėginius stabdžius ir jų nenaudojant.

4.2.4.8.3.   Sūkurinių srovių bėginis stabdys

1) Šis punktas taikomas tik sūkurinių srovių bėginiam stabdžiui, išvystančiam stabdymo jėgą, veikiančią tarp riedmenų vieneto ir bėgio.

2) Sūkurinių srovių bėginiams stabdžiams keliami reikalavimai suderinamumui su traukinių buvimo vietos nustatymo sistema, grindžiama ašių skaitikliais, geležinkelio kelio elektros grandinėmis, ratų detektoriais ir indukcinėmis kilpomis grindžiamais ratų detektoriais, užtikrinti nurodytos šios TSS 4.2.3.3.1.2 skirsnio 10 punkte.

3) Jei sūkurinių srovių bėginiam stabdžiui būtinas jo magnetų poslinkis kai stabdys įjungiamas, netrukdomas tokių magnetų judėjimas tarp padėčių „stabdys išjungtas“ ir „stabdys įjungtas“ įrodomas skaičiavimu pagal J-1 priedėlio 14 rodyklėje nurodytą specifikaciją.

4) Didžiausias atstumas tarp sūkurinių srovių bėginio stabdžio ir bėgio, atitinkantis padėtį „stabdys išjungtas“, bus registruojamas techniniuose dokumentuose, nurodytuose šios TSS 4.2.12 punkte.

5) Sūkurinių srovių bėginis stabdys iki nustatytos greičio ribinės vertės turi neveikti.

6) Sūkurinių srovių bėginio stabdžio naudojimo sąlygos techniniam suderinamumui su bėgiu užtikrinti nėra suderintos (dėl jų poveikio bėgių įkaitimui ir vertikalios jėgos) ir yra neišspręstas klausimas.

7) Infrastruktūros registre nurodomas kelio ruožas, kuriame juos naudoti leidžiama, ir tokiu atveju nurodomos jų naudojimo sąlygos:

— 
didžiausias atstumas tarp sūkurinių srovių bėginio stabdžio ir bėgio, atitinkantis padėtį „stabdys išjungtas“, nurodytas 4 punkte,
— 
nustatyta greičio ribinė vertė, nurodyta 5 punkte,
— 
vertikali jėga kaip traukinio greičio funkcija, kai sūkurinių srovių bėginis stabdys nuspaudžiamas iki galo (avarinis stabdymas) ir kai jis naudojamas ribotai (paprastasis stabdymas),
— 
stabdymo jėga kaip traukinio greičio funkcija, kai sūkurinių srovių bėginis stabdys nuspaudžiamas iki galo (avarinis stabdymas) ir kai jis naudojamas ribotai (paprastasis stabdymas).

8) Riedmenų vieneto stabdymo efektyvumas, nurodytas šios TSS 4.2.4.5.2 ir 4.2.4.5.3 punktuose, nustatomas naudojant sūkurinių srovių bėginius stabdžius ir jų nenaudojant.

▼B

4.2.4.9.    Stabdžių būsenos ir trikties signalizavimas

1) 

Traukinio darbuotojams teikiama informacija suteikia galimybę nustatyti suprastėjusias sąlygas, susijusias su riedmenimis, kuriems taikomos specialios naudojimo taisyklės (stabdymo efektyvumas prastesnis nei reikalaujama). Šiuo tikslu traukinio darbuotojai turi galimybę tam tikrais eksploatavimo etapais nustatyti pagrindinių (avarinio ir paprastojo stabdymo) stabdžių ir stovėjimo stabdžių sistemų būseną (įjungta, išjungta, atjungta) ir kiekvienos šių sistemų sudedamosios dalies (įskaitant vieną arba kelis jungiklius), kurią galima nepriklausomai valdyti ir (arba) atjungti, būseną.

2) 

Jeigu stovėjimo stabdys visada tiesiogiai priklauso nuo pagrindinės stabdžių sistemos būsenos, papildomų ir specialių stovėjimo stabdžių sistemos rodmenų nereikalaujama.

3) 

Etapai, į kuriuos reikėtų atsižvelgti eksploatuojant, yra stovėjimas ir važiavimas.

4) 

Kai traukinys stovi, traukinio darbuotojai gali iš traukinio vidaus ir (arba) išorės patikrinti:

— 
ar traukinio stabdžių valdymo komandų perdavimo linija nenutrūkstamai sujungta,
— 
ar stabdymo energija perduodama per visą traukinį,
— 
pagrindinių stabdžių ir stovėjimo stabdžių sistemų būseną ir kiekvienos šių sistemų sudedamosios dalies (įskaitant vieną arba kelis jungiklius), kurią galima nepriklausomai valdyti ir (arba) atjungti (kaip jau aprašyta šio punkto pirmoje pastraipoje), išskyrus dinaminio stabdžio ir su traukos sistemomis susijusias stabdžių sistemas, būseną.
5) 

Kai traukinys važiuoja, mašinistas vairuodamas traukinį gali patikrinti:

— 
traukinio stabdžių valdymo komandų perdavimo linijos būseną,
— 
traukinio stabdymo energijos tiekimo būseną,
— 
dinaminio stabdžio ir su traukos sistema susijusios stabdymo sistemos, jeigu į juos atsižvelgiama vertinant avarinio stabdymo įprastu režimu efektyvumą, būseną,
— 
įjungtos arba išjungtos bent vienos sudedamosios pagrindinės stabdžių sistemos dalies (jungiklio), kuri valdoma nepriklausomai (pvz., sudedamoji dalis, sumontuota riedmenyje su aktyvia kabina), būseną.
6) 

Funkcija, kurią naudojant traukinio darbuotojams teikiama pirmiau aprašyta informacija, yra susijusi su sauga, nes ją traukinio darbuotojai naudoja traukinio stabdymo efektyvumui įvertinti.

Kai rodmenimis teikiama vietos informacija, reikiamas saugos lygis užtikrinamas naudojant suderintus rodmenis.

Kai nustatyta centrinė kontrolės sistema, sudaranti sąlygas traukinio darbuotojams atlikti visus patikrinimus iš vienos vietos (t. y. mašinisto kabinos vidaus), šios sistemos patikimumas tikrinamas atsižvelgiant į sudedamųjų dalių gedimų pobūdį, dubliavimą, periodinius patikrinimus ir kitas nuostatas; remiantis šiuo tyrimu centrinės kontrolės sistemos naudojimo sąlygos apibrėžiamos ir nustatomos 4.2.12.4 punkte aprašytuose naudojimo dokumentuose.

7) 

Taikymas bendrojo naudojimo paskirties riedmenų vienetams

Atsižvelgiama tik į tas funkcines galimybes, kurios yra susijusios su riedmenų vieneto projektinėmis savybėmis (pvz., ar įrengta kabina ir t. t.).

Į dokumentuose nurodomą informaciją apie stabdžių sistemą, kuri turi būti sumontuota traukinyje, įtraukiamas reikalingų signalų (jeigu tokių yra) perdavimas iš riedmenų vieneto į kitą (-us) prikabintą (-us) traukinio riedmenų vienetą (-us), aprašomas atsižvelgiant į funkcinius aspektus.

Šioje TSS nepateikiama techninio sprendimo, kaip užtikrinti fizines riedmenų vienetų sąsajas.

4.2.4.10.    Stabdžiams taikomi reikalavimai, susiję su gelbėjimo darbais

1) 

Visuose (avariniame, paprastajame, stovėjimo) stabdžiuose sumontuojami įtaisai, suteikiantys galimybę išjungti ir atjungti stabdžius. Šie įtaisai pasiekiami ir veikia, kai traukinys arba riedmuo yra su varikliu, be variklio arba stovi vietoje nenaudodamas (-a) transporto priemonėje sukauptos energijos.

2) 

Riedmenų vienetų, kurie suprojektuoti naudoti kitose nei 1 520 mm pločio vėžės sistemose, atveju numatoma galimybė įvykus gedimui naudojimo metu išgelbėti traukinį, kuriam netiekiama energija, naudojant variklinį gelbėjimo riedmenų vienetą, kuriame sumontuota pneumatinė stabdžių sistema, suderinama su UIC stabdžių sistema (stabdymo valdymo komandos perduodamos stabdžių vamzdeliais).

Pastaba. Gelbėjimo riedmenų vieneto mechaninę ir pneumatinę sąsajas žr. šios TSS 4.2.2.2.4 punkte.

3) 

Gelbėjimo darbų metu numatoma galimybė dalį gelbėjimo traukinio stabdžių sistemos valdyti naudojant sąsajos įtaisą; siekiant įvykdyti šį reikalavimą leidžiama gelbėjamo traukinio valdymo grandinei žemą įtampą tiekti iš akumuliatoriaus.

4) 

Stabdymo efektyvumas, kurį šiuo eksploatavimo režimu pasiekia gelbėjamas traukinys, įvertinamas atliekant skaičiavimus, tačiau neprivalo būti toks pats, kaip aprašyta 4.2.4.5.2 punkte. Apskaičiuotas stabdymo efektyvumas ir gelbėjimo naudojimo sąlygos įtraukiami į 4.2.12 punkte nurodytus techninius dokumentus.

5) 

Šis reikalavimas netaikomas riedmenų vienetams, kurie naudojami mažesnės kaip 200 tonų masės traukinio sąstate (apkrovos sąlyga – „projektinė eksploatacinė masė“).

4.2.5.    Su keleiviais susijusios nuostatos

Tolesniame negalutiniame sąraše, pateikiamame tik informavimo tikslu, apžvelgiami pagrindiniai parametrai, nustatyti keleiviniams riedmenų vienetams taikomoje žmonių su judėjimo negalia TSS:

— 
sėdimosios vietos, įskaitant pirmumo tvarka žmonėms su judėjimo negalia skirtas sėdimąsias vietas,
— 
neįgaliųjų vežimėlių vietos,
— 
išorinės durys, įskaitant matmenis, keleivių sąsaja su valdikliais,
— 
vidinės durys, įskaitant matmenis, keleivių sąsaja su valdikliais,
— 
tualetai,
— 
erdvės keleiviams praeiti,
— 
apšvietimas,
— 
keleivių informavimas,
— 
grindų aukščių skirtumai,
— 
turėklai,
— 
neįgaliųjų vežimėliui pritaikytos miegamosios vietos,
— 
laiptelio padėtis įlipant į riedmenį ir išlipant iš jo, įskaitant laiptelius ir padedančias įlipti priemones.

Papildomi reikalavimai nurodyti toliau šiame punkte.

4.2.5.1.    Sanitarinės sistemos

1) 

Jeigu riedmenų vienete įrengtas vandens čiaupas, iš kurio vanduo tiekiamas ne taip, kaip nustatyta Tarybos direktyvoje 98/83/EB ( 4 ), vaizdiniu ženklu aiškiai nurodoma, kad iš čiaupo tiekiamas vanduo netinkamas gerti.

2) 

Naudojant sanitarines sistemas (tualetus, prausyklas, barų ir (arba) restoranų įrenginius), jei jos įrengtos, užkertama galimybė išleisti medžiagų, kurios galėtų būti kenksmingos žmonių sveikatai arba aplinkai. Išleidžiamos medžiagos (t. y. apdorotas vanduo; išskyrus muiliną vandenį tiesiai iš prausyklų) atitinka toliau nurodomas direktyvas:

— 
iš sanitarinių sistemų išleidžiamo vandens bakteriologinis užterštumas jokiu būdu neviršija bakteriologinio užterštumo Intestinal enterococci ir Escherichia coli bakterijomis verčių, atitinkančių Europos Parlamento ir Tarybos direktyvoje 2006/7/EB ( 5 ) dėl maudyklų vandens kokybės valdymo vidaus vandenims nustatytą tinkamą lygį,
— 
pagal valymo technologiją nenaudojamos medžiagos, nurodytos Europos Parlamento ir Tarybos direktyvos 2006/11/EB ( 6 ) dėl tam tikrų į Bendrijos vandenis išleidžiamų pavojingų medžiagų sukeltos taršos I priede.
3) 

Siekiant riboti ant geležinkelio kelio išleidžiamo skysčio sklaidą, nekontroliuojamas išleidimas iš bet kokio šaltinio yra nukreiptas tik į apačią, po riedmens kėbulo rėmu, ne didesniu kaip 0,7 m atstumu nuo išilginės riedmens vidurio linijos.

4) 

4.2.12 punkte aprašytuose techniniuose dokumentuose pateikiama ši informacija:

— 
ar riedmenų vienete įrengti tualetai ir, jei taip, jų tipas,
— 
nuleidžiamosios medžiagos, jeigu tai ne švarus vanduo, savybės,
— 
išleidžiamo vandens valymo sistemos pobūdis ir standartai, pagal kuriuos vertinama atitiktis.

4.2.5.2.    Garsinio ryšio sistema

1) 

Šis punktas taikomas visiems riedmenų vienetams, skirtiems vežti keleivius, ir riedmenų vienetams, skirtiems traukti keleivinius traukinius.

2) 

Traukiniuose įrengiamos šios būtinosios garsinio ryšio priemonės:

— 
skirtos traukinio brigados nariams kreiptis į traukinio keleivius,
— 
vidaus ryšiui tarp traukinio brigados narių, o pirmiausia tarp mašinisto ir keleivių zonoje (jeigu tokia yra) esančių traukinio darbuotojų.
3) 

Atjungta nuo pagrindinio energijos šaltinio ši įranga ne mažiau kaip tris valandas išlieka parengties būsenos. Būdama parengties būsenos ji gali aktyviai veikti įvairiais laiko intervalais ir laikotarpiais (iš viso – 30 minučių).

4) 

Ryšio sistema suprojektuojama taip, kad sugedus vienai iš informacijos perdavimo sistemos sudedamųjų dalių toliau veiktų ne mažiau kaip pusė jos garsiakalbių (išdėstytų po visą traukinį) arba kad veiktų alternatyvios priemonės, kuriomis gedimo atveju būtų galima informuoti keleivius.

5) 

Priemonės, kuriomis keleiviai galėtų susisiekti su traukinio brigados nariais, nustatytos 4.2.5.3 punkte (keleivių pavojaus signalas) ir 4.2.5.4 punkte (keleiviams skirti ryšio įtaisai).

6) 

Taikymas bendrojo naudojimo paskirties riedmenų vienetams

Atsižvelgiama tik į tas funkcines galimybes, kurios yra susijusios su riedmenų vieneto projektinėmis savybėmis (pvz., ar įrengta kabina, traukinio brigados narių ryšio sistema ir t. t.).

Ryšio sistemai, kuri turėtų būti sumontuota traukinyje, reikalingų signalų perdavimas iš riedmenų vieneto į kitą (-us) prikabintą (-us) traukinio riedmenų vienetą (-us) atliekamas ir dokumentuose aprašomas atsižvelgiant į funkcinius aspektus.

Šioje TSS nepateikiama techninio sprendimo, kaip užtikrinti fizines riedmenų vienetų sąsajas.

4.2.5.3.    Keleivių pavojaus signalas

4.2.5.3.1.   Bendrosios nuostatos

1) 

Šis punktas taikytinas visiems riedmenų vienetams, skirtiems vežti keleivius, ir riedmenų vienetams, skirtiems traukti keleivinius traukinius.

2) 

Keleivių pavojaus signalo funkcija suteikia galimybę visiems traukinyje esantiems asmenims pranešti mašinistui apie galimą pavojų; jos panaudojimas turi pasekmių eksploataciniu lygmeniu (pvz., mašinistui nereaguojant įjungiami stabdžiai); tai yra su sauga susijusi funkcija, kuriai taikomi reikalavimai, įskaitant saugos aspektus, nustatyti šiame punkte.

4.2.5.3.2.   Informacinės sąsajos reikalavimai

1) 

Išskyrus tualetus ir keleivinių vagonų perėjas, kiekvienoje patalpoje, kiekvienoje keleivinio vagono angainėje ir kitose atskirtose keleivių zonose įrengiamas bent vienas aiškiai matomas ir pažymėtas pavojaus signalo perdavimo įtaisas, kuriuo galima informuoti mašinistą apie galimą pavojų.

2) 

Pavojaus signalo perdavimo įtaisas suprojektuojamas taip, kad jį įjungę keleiviai jo negalėtų išjungti.

3) 

Apie įjungtą keleivių pavojaus signalą mašinistui pranešama vaizdiniais ir garsiniai signalais.

4) 

Kabinoje esantis įtaisas mašinistui suteikia galimybę patvirtinti, kad jis signalą gavo. Mašinisto patvirtinimas perduodamas į tą vietą, kurioje buvo įjungtas keleivių pavojaus signalas; tuo pačiu išjungiamas garsinis signalas kabinoje.

5) 

Riedmenų vienetuose, suprojektuotuose naudoti be traukinio darbuotojų (išskyrus mašinistą), sistema leidžia mašinisto iniciatyva užmegzti ryšį tarp mašinisto kabinos ir vietos, kurioje buvo įjungtas (-i) signalas (-ai). Riedmenų vienetuose, suprojektuotuose naudoti su kitais traukinio darbuotojais (be mašinisto), sistema leidžia užmegzti ryšį tarp mašinisto kabinos ir traukinio darbuotojų.

Sistema mašinistui suteikia galimybę nutraukti šį ryšį.

6) 

Įtaisas traukinio brigados nariams suteikia galimybę atnaujinti keleivių pavojaus signalą.

4.2.5.3.3.   Stabdžių įjungimo keleivių pavojaus signalo perdavimo įtaisu reikalavimai

1) 

Kai traukinys yra sustojęs prie perono arba nuo jo nuvažiuoja, įjungus keleivių pavojaus signalą tiesiogiai įsijungia paprastasis arba avarinis stabdys, kuris visiškai sustabdo traukinį. Tokiu atveju sistema leidžia mašinistui atšaukti keleivių pavojaus signalo perdavimo įtaisu įjungtą automatinio stabdymo funkciją tik traukiniui visiškai sustojus.

2) 

Kitais atvejais automatinis stabdymas paprastuoju stabdžiu pradedamas per 10 +/–1 sekundžių nuo (pirmojo) keleivių pavojaus signalo įjungimo, jeigu mašinistas per tą laiką nepatvirtina pavojaus signalo gavimo. Sistema mašinistui suteikia galimybę bet kuriuo metu išjungti automatinį stabdymą, pradėtą įjungus keleivių pavojaus signalo perdavimo įtaisą.

4.2.5.3.4.   Traukinio išriedėjimo už perono ribų kriterijai

1) 

Traukinio išriedėjimo už perono laikotarpiu laikomas laikotarpis nuo momento, kai durų būsena „atrakinta“ pakeičiama būsena „uždaryta ir užrakinta“, iki momento, kai už perono ribų atsiduria dalis traukinio.

2) 

Apie šį momentą pranešama traukinio valdymo pulte (funkcija, kuri leidžia fiziškai nustatyti peroną arba remiasi greičio arba atstumo kriterijais, arba kitais alternatyviais kriterijais).

3) 

Riedmenų vienetų, kuriuos numatoma naudoti linijose, kuriose įrengta geležinkelio kelio ETCS sistema valdymo ir signalizavimo informacijai (įskaitant informaciją apie keleiviams skirtas duris, kaip aprašyta kontrolės, valdymo ir signalizacijos TSS A priedo 7 rodyklėje) perduoti, šis riedmenyse įrengtas įtaisas gali iš ETCS sistemos priimti su peronu susijusią informaciją.

4.2.5.3.5.   Saugos reikalavimai

1) 

Susiklosčius aplinkybėms pagal scenarijų „keleivių pavojaus signalo perdavimo sistemos gedimas, dėl kurio keleivis negali inicijuoti stabdymo, kad sustabdytų nuo perono išvykstantį traukinį“, įrodoma, kad rizika kontroliuojama priimtinu mastu, atsižvelgiant į funkcinio gedimo būdingą tikėtiną potencialą tiesiogiai lemti „vieną mirties atvejį ir (arba) sunkų sužalojimą“.

2) 

Susiklosčius aplinkybėms pagal scenarijų „keleivių pavojaus signalo perdavimo sistemos gedimas, dėl kurio įjungus keleivių pavojaus signalą mašinistui neperduodama jokios informacijos“, įrodoma, kad rizika kontroliuojama priimtinu mastu, atsižvelgiant į funkcinio gedimo būdingą tikėtiną potencialą tiesiogiai lemti „vieną mirties atvejį ir (arba) sunkų sužalojimą“.

3) 

Atitikties patikrinimas (atitikties vertinimo procedūra) aprašytas šios TSS 6.2.3.5 punkte.

4.2.5.3.6.   Suprastėjusių sąlygų režimas

1) 

Riedmenų vienetuose su mašinisto kabina sumontuojamas įtaisas, kuriuo įgalioti traukinio darbuotojai gali atjungti keleivių pavojaus signalo perdavimo sistemą.

2) 

Jeigu keleivių pavojaus signalo perdavimo sistema neveikia dėl to, kad ją tyčia atjungė traukinio darbuotojai, ji sugedo arba riedmenų vienetas buvo sukabintas su nesuderinamu riedmenų vienetu, mašinistui, esančiam naudojamoje mašinisto kabinoje, nuolat apie tai pranešama, o įjungus keleivių pavojaus signalą iš karto įsijungia stabdžiai.

3) 

Traukinys su atjungta keleivių pavojaus signalo perdavimo sistema neatitinka šioje TSS nustatytų minimalių saugos ir sąveikos reikalavimų, todėl laikoma, kad jis veikia suprastėjusių sąlygų režimu.

4.2.5.3.7.   Taikymas bendrojo naudojimo paskirties riedmenų vienetams

1) 

Atsižvelgiama tik į tas funkcines galimybes, kurios yra susijusios su riedmenų vieneto projektinėmis savybėmis (pvz., ar įrengta kabina, traukinio brigados narių ryšio sistema ir t. t.).

2) 

Keleivių pavojaus signalo perdavimo sistemai, kuri sumontuojama traukinyje, reikalingų signalų perdavimas iš riedmenų vieneto į kitą (-us) prikabintą (-us) traukinio riedmenų vienetą (-us) atliekamas ir dokumentuose aprašomas atsižvelgiant į pirmiau šiame punkte nurodytus funkcinius aspektus.

3) 

Šioje TSS nepateikiama techninio sprendimo, kaip užtikrinti fizines riedmenų vienetų sąsajas.

4.2.5.4.    Keleiviams skirti ryšio įtaisai

1) 

Šis punktas taikomas visiems riedmenų vienetams, skirtiems vežti keleivius, ir riedmenų vienetams, skirtiems traukti keleivinius traukinius.

2) 

Riedmenų vienetuose, skirtuose naudoti be traukinio darbuotojų (išskyrus mašinistą), sumontuojamas keleiviams skirtas ryšio įtaisas, kuriuo keleiviai galėtų informuoti asmenį, galintį imtis reikiamų veiksmų.

3) 

Keleiviams skirto ryšio įtaiso vietai keliami reikalavimai yra tokie patys, kaip keleivių pavojaus signalui keliami reikalavimai, nustatyti 4.2.5.3 punkte „Keleivių pavojaus signalas. Funkciniai reikalavimai“.

4) 

Sistemoje numatyta galimybė ryšį užmegzti keleivio iniciatyva. Sistema suteikia galimybę asmeniui, su kuriuo ryšys užmegztas (t. y. mašinistui), šį ryšį savo iniciatyva nutraukti.

5) 

Ryšio įtaiso sąsaja su keleiviais aiškiai pažymima suderintu ženklu, kurį sudaro vaizdiniai ir apčiuopiamieji simboliai, ir skleidžia vizualinį ir girdimą signalą, rodantį, kad įtaisu pasinaudota. Šie elementai atitinka žmonių su judėjimo negalia TSS reikalavimus.

6) 

Taikymas bendrojo naudojimo paskirties riedmenų vienetams

Atsižvelgiama tik į tas funkcines galimybes, kurios yra susijusios su riedmenų vieneto projektinėmis savybėmis (pvz., ar įrengta kabina, traukinio brigados narių ryšio sistema ir t. t.).

Ryšio sistemai, kuri turėtų būti sumontuota traukinyje, reikalingų signalų perdavimas iš riedmenų vieneto į kitą (-us) prikabintą (-us) traukinio riedmenų vienetą (-us) atliekamas ir dokumentuose aprašomas atsižvelgiant į funkcinius aspektus.

Šioje TSS nepateikiama techninio sprendimo, kaip užtikrinti fizines riedmenų vienetų sąsajas.

4.2.5.5.    Išorinės durys. keleiviams skirtas įėjimas į riedmenį ir išėjimas iš jo

4.2.5.5.1.   Bendrosios nuostatos

1) 

Šis punktas taikomas visiems riedmenų vienetams, skirtiems vežti keleivius, ir riedmenų vienetams, skirtiems traukti keleivinius traukinius.

2) 

Traukinio darbuotojams ir kroviniams skirtos durys aprašytos šios TSS 4.2.2.8 ir 4.2.9.1.2 punktuose.

3) 

Keleiviams įlipti skirtų išorinių durų valdymas yra esminė saugos funkcija; šiame punkte išdėstyti funkciniai ir saugos reikalavimai yra būtini reikiamam saugos lygiui užtikrinti.

4.2.5.5.2.   Vartojami terminai

1) 

Šiame punkte durys – išorinės keleiviams įeiti skirtos durys (iš vienos ar daugiau sąvarų), pirmiausia numatytos keleiviams įlipti į riedmenų vienetą ir iš jo išlipti.

2) 

Užrakintos durys – durys, laikomos uždarytos fiziniu durų užraktu.

3) 

Nenaudojamos užrakintos durys – durys, tvirtai uždarytos rankiniu būdu valdomu mechaniniu užraktu.

4) 

Atrakinamos durys – durys, kurias galima atidaryti vietos arba centriniu (jeigu toks įrengtas) durų valdymo įtaisu.

5) 

Šiame punkte traukinys laikomas stovinčiu, kai jo greitis sumažėja iki 3 km/h ar dar labiau.

6) 

Šiame punkte traukinio brigada – vienas traukinio darbuotojas, atsakingas už durų sistemos patikrinimus; šią užduotį gali atlikti mašinistas arba kitas traukinio darbuotojas.

4.2.5.5.3.   Durų uždarymas ir rakinimas

1) 

Durų valdymo įtaisas traukinio brigados nariams suteikia galimybę uždaryti ir užrakinti visas duris prieš traukinio išvykimą.

2) 

Kai reikia įtraukti kilnojamuosius laiptelius, durų uždarymo seka papildoma laiptelių pakėlimu į įtrauktą padėtį.

3) 

Kai centrinis durų uždarymo ir užrakinimo įtaisas įjungiamas šalia durų įrengtu vietos valdymo įtaisu, šios durys gali būti paliktos atidarytos, kai kitos durys uždaromos ir užrakinamos. Durų valdymo sistema traukinio darbuotojams suteikia galimybę uždaryti ir užrakinti šias duris prieš traukinio išvykimą.

4) 

Durys yra uždarytos ir užrakintos tol, kol jos neatrakinamos pagal 4.2.5.5.6 punktą „Durų atidarymas“. Nutrūkus energijos tiekimui į durų valdymo įtaisus, durys lieka užrakintos užrakinimo mechanizmu.

Pastaba. Durų atidarymo perspėjimo signalą žr. žmonių su judėjimo negalia TSS 4.2.2.3.2 punkte.

Kliūčių uždaryti duris aptikimas

5) 

Keleiviams įlipti skirtose išorinėse duryse yra įtaisai, leidžiantys aptikti kliūtį (pvz., keleivį) durims užsidarant. Aptikusios kliūtį durys automatiškai sustoja ir lieka atviros tam tikrą laikotarpį arba pakartotinai atsidaro. Sistemos jautrumas yra pakankamas, kad būtų galima aptikti kliūtį pagal J-1 priedėlio 32 rodyklėje nurodytos specifikacijos 5.2.1.4.1 punktą, atsitrenkiant į kliūtį ne didesne jėga, nei nurodytoji J-1 priedėlio 32 rodyklėje nurodytos specifikacijos 5.2.1.4.2.1 punkte.

4.2.5.5.4.   Nenaudojamų durų užrakinimas

1) 

Įrengiamas rankiniu būdu valdomas mechaninis įtaisas, suteikiantis galimybę (traukinio brigadai arba techninės priežiūros darbuotojams) užrakinti nenaudojamas duris.

2) 

Nenaudojamų durų užrakinimo įtaisu įmanoma:

— 
užtikrinti, kad durims jokios atidarymo komandos nebūtų taikomos,
— 
uždarytas duris užrakinti mechaniniu būdu,
— 
rodyti izoliavimo įtaiso būseną,
— 
suteikti galimybę netikrinti durų naudojant durų uždarymo patvirtinimo sistemą.

4.2.5.5.5.   Traukinio brigadai prieinama informacija

1) 

Tinkama durų uždarymo patvirtinimo sistema traukinio brigadai suteikia galimybę bet kuriuo metu patikrinti, ar visos durys yra uždarytos ir užrakintos.

2) 

Jeigu kurios nors durys neužrakintos, apie tai traukinio brigadai nenutrūkstamai teikiama informacija.

3) 

Traukinio brigadai rodomos visos durų uždarymo ir (arba) užrakinimo operacijų triktys.

4) 

Avarinio kurių nors durų atidarymo atveju traukinio brigadai duodamas garsinis ir vaizdinis pavojaus signalas.

5) 

Naudojant durų uždarymo patvirtinimo sistemą leidžiama netikrinti nenaudojamų užrakintų durų.

4.2.5.5.6.   Durų atidarymas

1) 

Traukinyje įrengiamos durų atrakinimo priemonės, kad traukinio brigada galėtų arba naudojant automatinį įtaisą, susijusį su sustojimu prie perono, būtų galima atskirai valdyti abiejų pusių durų atrakinimą, taip suteikiant galimybę patiems keleiviams arba siunčiant centrinę durų atidarymo komandą, jeigu tokia naudojama, jas atidaryti traukiniui stovint.

2) 

Riedmenų vienetų, kuriuos numatoma naudoti linijose, kuriose įrengta geležinkelio kelio ETCS sistema valdymo ir signalizavimo informacijai (įskaitant informaciją apie keleiviams skirtas duris, kaip aprašyta kontrolės, valdymo ir signalizacijos TSS A priedo 7 rodyklėje) perduoti, ši durų atrakinimo valdymo sistema gali iš ETCS sistemos priimti informaciją apie peroną.

3) 

Prie kiekvienų durų keleiviams iš riedmens vidaus ir išorės prieinamos vietinės atidarymo priemonės arba įtaisai.

4) 

Kai reikia išskleisti kilnojamuosius laiptelius, durų atidarymo seka papildoma laiptelių ištraukimu į išskleistą padėtį.

Pastaba. Durų atidarymo perspėjimo signalą žr. žmonių su judėjimo negalia TSS 4.2.2.4.2 punkte.

4.2.5.5.7.   Durų ir traukos apsauginė blokuotė

1) 

Traukos jėga perduodama tik kai visos durys yra uždarytos ir užrakintos. Tai užtikrinama naudojant automatinę durų ir traukos apsauginės blokuotės sistemą. Durų ir traukos apsauginės blokuotės sistema traukos jėgos neleidžia perduoti, jei uždarytos ir užrakintos ne visos durys.

2) 

Mašinistui suteikiama galimybė ypatingomis aplinkybėmis rankiniu būdu išjungti traukos blokavimo sistemą ir panaudoti traukos jėgą, kai ne visos durys uždarytos ir užrakintos.

4.2.5.5.8.   4.2.5.5.2–4.2.5.5.7 punktams taikomi saugos reikalavimai

1) 

Susiklosčius aplinkybėms pagal scenarijų „vienos durys neužrakintos (ir traukinio brigada apie šių durų būklę nėra teisingai informuota), atrakintos arba atidarytos netinkamose traukinio vietose (pvz., ne toje traukinio pusėje) arba netinkamais atvejais (pvz., traukiniui važiuojant)“ įrodoma, kad rizika kontroliuojama priimtinu mastu, atsižvelgiant į tikėtiną funkciniam gedimui būdingą galimybę tiesiogiai lemti:

— 
„vieną mirties atvejį ir (arba) sunkų sužalojimą“ (tolimųjų reisų) riedmenų vienetuose, kuriuose keleiviai neturi stovėti durų zonoje, arba
— 
„vieną mirties atvejį ir (arba) sunkų sužalojimą“ riedmenų vienetuose, kuriuose kai kurie keleiviai įprastomis sąlygomis stovi durų zonoje.
2) 

Susiklosčius aplinkybėms pagal scenarijų „kelios durys neužrakintos (ir traukinio brigada apie šių durų būklę nėra teisingai informuota), atrakintos arba atidarytos netinkamose traukinio vietose (pvz., ne toje traukinio pusėje) arba netinkamais atvejais (pvz., traukiniui važiuojant)“ įrodoma, kad rizika kontroliuojama priimtinu mastu, atsižvelgiant į tikėtiną funkciniam gedimui būdingą galimybę tiesiogiai lemti:

— 
„mirties atvejį ir (arba) sunkų sužalojimą“ (tolimųjų reisų) riedmenų vienetuose, kuriuose keleiviai neturi stovėti durų zonoje, arba
— 
„mirties atvejus ir (arba) sunkius sužalojimus“ riedmenų vienetuose, kuriuose kai kurie keleiviai įprastomis sąlygomis stovi durų zonoje.
3) 

Atitikties patikrinimas (atitikties vertinimo procedūra) aprašytas šios TSS 6.2.3.5 punkte.

4.2.5.5.9.   Avarinis durų atidarymas

Avarinis vidaus durų atidarymas

1) 

Kiekvienose duryse sumontuojamas keleiviams prieinamas atskiras vidinis avarinio atidarymo įtaisas, kuriuo galima atidaryti duris; šis įtaisas veikia, kai greitis nesiekia 10 km/h.

2) 

Jį leidžiama aktyvinti esant bet kokiam greičiui (nepriklausomai nuo greičio signalo); tokiu atveju šis įtaisas turi pradėti veikti nuosekliai atlikus bent dviejų veiksmų seką.

3) 

Juo neturi būti atidaromos „užrakintos nenaudojamos durys“. Norint atidaryti tokias duris, pirmiausia reikia jas atrakinti.

Saugos reikalavimas

4) 

Susiklosčius aplinkybėms pagal scenarijų „dvejų gretimų durų, esančių išilgai perėjimo tako, avarinio vidaus durų atidarymo sistemos gedimas (kaip apibrėžta šios TSS 4.2.10.5 punkte), bet veikiant kitų durų avarinio atidarymo sistemai“, įrodoma, kad rizika kontroliuojama priimtinu mastu, atsižvelgiant į funkcinio gedimo būdingą tikėtiną potencialą tiesiogiai lemti „vieną mirties atvejį ir (arba) sunkų sužalojimą“.

Atitikties patikrinimas (atitikties vertinimo procedūra) aprašytas šios TSS 6.2.3.5 punkte.

Avarinis išorės durų atidarymas

5) 

Kiekvienoms durims turi būti numatytas gelbėjimo darbuotojams prieinamas atskiras išorinis avarinio atidarymo įtaisas, kuris leidžia atidaryti duris susiklosčius avarinei padėčiai. Juo neturi būti atidaromos „užrakintos nenaudojamos durys“. Norint atidaryti tokias duris, pirmiausia reikia išjungti durų blokavimą.

Rankinis durų atidarymas

6) 

Atidarydamas duris rankiniu būdu, asmuo naudoja jėgą, atitinkančią J-1 priedėlio 33 rodyklėje nurodytą specifikaciją.

4.2.5.5.10.   Taikymas bendrojo naudojimo paskirties riedmenų vienetams

1) 

Atsižvelgiama tik į tas funkcines galimybes, kurios yra susijusios su riedmenų vieneto projektinėmis savybėmis (pvz., ar įrengta kabina, traukinio brigados narių ryšio sistema, skirta durų kontrolei ir t. t.).

2) 

Durų sistemai, kuri turėtų būti sumontuota traukinyje, reikalingų signalų perdavimas iš riedmenų vieneto į kitą (-us) prikabintą (-us) traukinio riedmenų vienetą (-us) atliekamas ir dokumentuose aprašomas atsižvelgiant į funkcinius aspektus.

3) 

Šioje TSS nepateikiama techninio sprendimo, kaip užtikrinti fizines riedmenų vienetų sąsajas.

4.2.5.6.    Išorinių durų sistemos konstrukcija

1) 

Jeigu riedmenų vienete įrengtos durys, skirtos keleiviams įlipti į traukinį arba iš jo išlipti, taikomos toliau išdėstytos nuostatos.

2) 

Duryse sumontuojami skaidrūs langai, per kuriuos keleiviai galėtų matyti peroną.

3) 

Išorinis keleivinių riedmenų vienetų paviršius suprojektuojami taip, kad nebūtų galima keliauti traukinio išorėje, kai durys uždarytos ir užrakintos.

4) 

Siekiant sutrukdyti keliauti traukinio išorėje, reikėtų vengti ant išorinio durų sistemos paviršiaus montuoti rankenas arba jas reikėtų montuoti taip, kad jų nebūtų galima suimti, kai durys uždarytos.

5) 

Turėklai ir rankenos pritvirtinami taip, kad išlaikytų juos veikiančias jėgas, susidarančias naudojant riedmenį.

4.2.5.7.    Perėjimo iš vieno riedmenų vieneto į kitą durys

1) 

Šis punktas taikomas visiems riedmenų vienetams, skirtiems vežti keleivius.

2) 

Jeigu vagonų arba riedmenų vienetų galuose yra įrengtos perėjimo iš vieno riedmenų vieneto į kitą durys, jose sumontuojamas įtaisas, suteikiantys galimybę jas užrakinti (pvz., kai durys nesujungtos keleivinių vagonų perėjomis, skirtomis keleiviams pereiti į gretimą vagoną arba riedmenų vienetą, ir t. t.).

4.2.5.8.    Patalpų oro kokybė

1) 

Oro, tiekiamo į riedmenų, kuriais važiuoja keleiviai ir (arba) traukinio darbuotojai, kiekis ir kokybė yra tokie, kad keleivių arba traukinio darbuotojų sveikatai nekiltų rizikos, didesnės už tą, kuri kyla dėl aplinkos oro kokybės. Tai įgyvendinama laikantis pirmiau nustatytų reikalavimų.

Įprastomis naudojimo sąlygomis vėdinimo sistema leidžia patalpose užtikrinti priimtiną CO2 lygį.

2) 

CO2 lygis visomis naudojimo sąlygomis neviršija 5 000 ppm, išskyrus 2 toliau nurodytus atvejus:

— 
kai vėdinimo sistema išsijungia dėl pagrindinio elektros energijos šaltinio trikties arba sistemos gedimo ir avarinė priemonė užtikrina išorės oro tiekimą į visas keleiviams ir traukinio darbuotojams skirtas zonas.
Jeigu ši avarinė priemonė užtikrinama akumuliatorių maitinamu dirbtiniu vėdinimu, nustatomas laikotarpis, per kurį CO2 lygis išlieka mažesnis kaip 10 000 ppm, darant prielaidą, kad keleivių skaičius atitinka apkrovos sąlygą „projektinė masė, kai naudingoji apkrova įprasta“.
Atitikties vertinimo procedūra nurodyta 6.2.3.12 punkte.
Šis laikotarpis yra ne trumpesnis kaip 30 minučių.
Laikotarpis nurodomas techniniuose dokumentuose, aprašytuose šios TSS 4.2.12 punkte,
— 
kai, siekiant apsaugoti keleivius nuo iš išorės patenkančių dūmų, ypač tuneliuose, ir gaisro atvejais, kaip aprašyta 4.2.10.4.2 punkte, išjungiamos arba uždaromos visos išorinio ventiliavimo priemonės arba išjungiama oro kondicionavimo sistema.

4.2.5.9.    Kėbulo šoniniai langai

1) 

Jeigu keleiviai gali atidaryti kėbulo šoninius langus ir jeigu traukinio darbuotojai negali jų užrakinti, atviros angos yra tokio dydžio, kad per jas nebūtų galima perduoti 10 cm skersmens rutulio pavidalo daikto.

4.2.6.    Aplinkos sąlygos ir aerodinaminis poveikis

4.2.6.1.    Bendrosios aplinkos sąlygos

1) 

Aplinkos sąlygos – tai fizinės, cheminės ar biologinės sąlygos, susidarančios gaminio išorėje ir jį veikiančios.

2) 

Riedmenį veikiančios aplinkos sąlygos daro įtaką riedmens ir jo sudedamųjų dalių projektavimui.

3) 

Aplinkos parametrai aprašyti tolesniuose punktuose; kiekvienam parametrui nustatytas vardinis intervalas, atitinkantis Europoje dažniausiai pasitaikančias sąlygas; šis intervalas yra riedmens suderinamumo pagrindas.

4) 

Tam tikriems aplinkos parametrams nustatyti nevardiniai intervalai; tokiu atveju intervalas parenkamas atsižvelgiant į riedmens projektą.

Pagal tolesniuose punktuose nurodytas funkcijas techniniuose dokumentuose aprašomos projektavimo ir (arba) bandymo nuostatos, taikomos siekiant užtikrinti riedmens atitiktį TSS reikalavimams šiame intervale.

5) 

Pasirinktas (-i) intervalas (-ai), kaip riedmens savybė, įrašomas (-i) šios TSS 4.2.12 punkte nurodytuose techniniuose dokumentuose.

6) 

Atsižvelgiant į pasirinktus intervalus ir į taikomas nuostatas (aprašytas techniniuose dokumentuose), gali reikėti nustatyti atitinkamas naudojimo taisykles, kuriomis būtų užtikrintas techninis riedmens ir aplinkos sąlygų, su kuriomis galima susidurti tam tikrose geležinkelių tinklo dalyse, suderinamumas.

Pirmiausia naudojimo taisyklės reikalingos tada, kai vardiniam intervalui suprojektuotas riedmuo naudojamas tam tikroje linijoje, kurioje vardinis intervalas tam tikru metų laiku yra viršijamas.

7) 

Intervalus (jeigu jie skiriasi nuo vardinių), kuriuos reikia pasirinkti siekiant išvengti ribojamųjų naudojimo taisyklių, susijusių su geografine vietove ir klimato sąlygomis, nustato valstybės narės; šie intervalai pateikti šios TSS 7.4 punkte.

4.2.6.1.1.   Temperatūra

1) 

Riedmuo atitinka šios TSS reikalavimus, taikomus vienai (arba kelioms) iš šių temperatūrų intervalų: T1 (– 25 °C – + 40 °C; vardinis), T2 (– 40 °C – + 35 °C) arba T3 (– 25 °C – + 45 °C), kaip nustatyta J-1 priedėlio 34 rodyklėje nurodytoje specifikacijoje.

2) 

Pasirinktas temperatūros intervalas įrašomas šios TSS 4.2.12 punkte aprašytuose techniniuose dokumentuose.

3) 

Temperatūra, į kurią reikia atsižvelgti projektuojant riedmens sudedamąsias dalis, įvertinama pagal tai, kaip šios sudedamosios dalys bus montuojamos riedmenyje.

4.2.6.1.2.   Sniegas, ledas ir kruša

1) 

Riedmuo atitinka šios TSS reikalavimus sniego, ledo ir krušos sąlygomis, apibrėžtomis J-1 priedėlio 35 rodyklėje nurodytoje specifikacijoje ir atitinkančiomis vardines sąlygas (intervalą).

2) 

Sniego, ledo ir krušos poveikis, į kurį reikia atsižvelgti projektuojant riedmens sudedamąsias dalis, įvertinamas pagal tai, kaip šios sudedamosios dalys bus montuojamos riedmenyje.

3) 

Pasirinkus sunkesnes sniego, ledo ir krušos poveikio sąlygas, riedmuo ir sudedamosios posistemio dalys suprojektuojamos taip, kad atitiktų TSS reikalavimus atsižvelgiant į šiuos scenarijus:

— 
pusnys (lengvas sniegas, kurio kiekis pagal vandens ekvivalentą yra mažas), ištisai dengiančios geležinkelio kelią ne didesne kaip 80 cm virš bėgių lygio danga,
— 
smulkus sniegas, didelis iškritusio lengvo sniego kiekis, kurio kiekis pagal vandens ekvivalentą yra mažas,
— 
temperatūrų skirtumas, temperatūros ir drėgnio kaita per vieną nepertraukiamo važiavimo etapą, dėl kurių ant riedmens susidaro ledas,
— 
bendras žemos temperatūros poveikis pasirinktoje temperatūros zonoje, kaip apibrėžta 4.2.6.1.1 punkte.
4) 

Atsižvelgiant į šios TSS 4.2.6.1.1 punktą (klimato zona T2) ir šį 4.2.6.1.2 punktą (sunkios sniego, ledo ir krušos poveikio sąlygos), nustatomos ir patikrinamos priemonės, šiomis sunkiomis sąlygomis taikomos TSS reikalavimams įgyvendinti, pirmiausia projektavimo ir (arba) bandymų priemonės, kurių reikia vykdant šiuos TSS reikalavimus:

— 
kliūčių verstuvas, kaip apibrėžta šios TSS 4.2.2.5 punkte; be to, turėtų būti numatyta galimybė pašalinti priešais traukinį esantį sniegą.
Sniegas laikomas kliūtimi, kurią reikia pašalinti kliūčių verstuvu; toliau pateikiami reikalavimai yra apibrėžti 4.2.2.5 punkte (pateikiant nuorodą į J-1 priedėlio 36 rodyklėje nurodytą specifikaciją):

„Kliūčių verstuvas yra pakankamai didelis, kad galėtų švariai nuvalyti vežimėlio kelyje esančias kliūtis. Jis yra ištisinės konstrukcijos ir suprojektuotas taip, kad nekreiptų objektų į viršų arba į apačią. Įprastomis naudojimo sąlygomis apatinis kliūčių verstuvo kraštas yra kuo arčiau geležinkelio kelio, atsižvelgiant į riedmens judėjimą ir geležinkelio linijos vėžę.

Kliūčių verstuvo projekcija plokštumoje yra V raidės pavidalo, vidaus kampas – ne didesnis kaip 160°. Jis gali būti suprojektuotas užtikrinant suderinamą geometrinį pavidalą, kad verstuvą būtų galima naudoti kaip sniego valytuvą.“

Šios TSS 4.2.2.5 punkte nurodytos jėgos yra pakankamai didelės, kad būtų galima pašalinti sniegą:
— 
važiuoklė, kaip apibrėžta šios TSS 4.2.3.5 punkte – atsižvelgiama į sniego ir ledo susikaupimą ant važiuoklės ir galimas tokio susikaupimo pasekmes važiavimo stabilumui ir stabdymo funkcijai,
— 
stabdymo funkcija ir stabdymo energijos tiekimas, kaip apibrėžta TSS 4.2.4 punkte,
— 
signalizavimas apie traukinį kitiems subjektams, kaip apibrėžta TSS 4.2.7.3 punkte,
— 
priekinio matomumo užtikrinimas, kaip apibrėžta šios TSS 4.2.7.3.1.1 punkte (priekiniai žibintai) ir 4.2.9.1.3.1 punkte (priekinis matomumas), naudojant priekinio stiklo įrangą, kaip apibrėžta 4.2.9.2 punkte,
— 
dirbti tinkamų mikroklimato sąlygų sudarymas mašinistui, kaip apibrėžta TSS 4.2.9.1.7 punkte.
5) 

Pasirinktas sniego, ledo ir krušos poveikio sąlygų intervalas (vardinis arba sunkių sąlygų) ir taikomos priemonės įrašomi šios TSS 4.2.12.2 punkte aprašytuose techniniuose dokumentuose.

4.2.6.2.    Aerodinaminis poveikis

▼M3

1) 

Šio punkto reikalavimai taikomi visiems riedmenų vienetams. Riedmenų vienetams, naudojamiems 1 520  mm ir 1 600  mm pločio vėžės sistemose, jei didžiausias greitis viršija ribas, nurodytas 4.2.6.2.1–4.2.6.2.5 punktuose, taikoma inovacinio sprendimo tvarka.

▼B

2) 

Pravažiuojant traukiniui susidaro netolygi oro banga, kuriai būdingas kintamas slėgis ir sklidimo greitis. Tokia slėgio ir sklidimo greičio kaita veikia šalia geležinkelio kelio esančius asmenis, daiktus ir pastatus; be to, tai daro poveikį riedmeniui (pvz., riedmens konstrukcijos aerodinaminė apkrova, įrengimų sumėtymas), tad projektuojant riedmenį reikia į tai atsižvelgti.

3) 

Bendras traukinio ir oro greičio poveikis sukelia momentinę aerodinaminę bangą, kuri gali turėti įtakos riedmens stabilumui.

▼M3

4.2.6.2.1.   Sūkurinių oro srovių poveikis perone esantiems keleiviams ir šalia geležinkelio kelio esantiems darbuotojams

1) Riedmenų vienetų, kurių didžiausias projektinis greitis vtr, max > 160 km/h, atviroje erdvėje važiuojančių atskaitos greičiu vtr,ref, sukeltos oro srovės greitis kiekvienoje matavimo vietoje, apibrėžtoje J-1 priedėlio 108 rodyklėje nurodytos specifikacijos 4.2.2.1 punkte ir 5 lentelėje, turi neviršyti vertės u95 %,max, nurodytos J-1 priedėlio 108 rodyklėje nurodytos specifikacijos 5 lentelėje.

2) Jei riedmenų vienetą ketinama naudoti 1 524  mm ir 1 668  mm vėžės pločio tinkluose, taikomos atitinkamos 4 lentelės vertės, susijusios su specifikacijos, nurodytos J-1 priedėlio 108 rodyklėje, parametrais.



4 lentelė

Ribiniai kriterijai

Vėžės plotis

(mm)

Didžiausias projektinis greitis vtr,max (km/h)

Matavimo vieta

Didžiausias leidžiamas oro srauto greitis geležinkelio kelyje (u95 %,max (m/s) ribinės vertės)

Atskaitos greitis vtr,ref (km/h)

Matavimo aukštis virš bėgio viršaus

Matavimo atstumas nuo geležinkelio kelio centro

1 524

160 < vtr,max < 250

0,2 m

3,0 m

22,5

Didžiausiasis projektinis greitis

1,4 m

3,0 m

18

200 km/h arba didžiausiasis projektinis greitis, atsižvelgiant į tai, kuris iš jų mažesnis

1 668

160 < vtr,max < 250

0,2 m

3,1 m

20

Didžiausiasis projektinis greitis

1,4 m

3,1 m

15,5

200 km/h arba didžiausiasis projektinis greitis, atsižvelgiant į tai, kuris iš jų mažesnis

250 ≤ vtr,max

0,2 m

3,1 m

22

300 km/h arba didžiausiasis projektinis greitis, atsižvelgiant į tai, kuris iš jų mažesnis

1,4 m

3,1 m

15,5

200 km/h

3) Bandomasis nekintamos sudėties/iš anksto suformuotas sąstatas ir bandomieji riedmenų vienetai, vertinami bendrojo naudojimo tikslais, nustatyti J-1 priedėlio 108 rodyklėje nurodytos specifikacijos atitinkamai 4.2.2.2 ir 4.2.2.4 punktuose. Pavieniai riedmenų vienetai su mašinisto kabina bandomi sąstate, atitinkančiame reikalavimus, nustatytus J-1 priedėlio 108 rodyklėje nurodytos specifikacijos 4.2.2.3 punkte.

4) Atitikties vertinimo procedūra aprašyta šios TSS 6.2.3.13 punkte.

▼B

4.2.6.2.2.   Traukinio priekinės dalies sukelti slėgio pokyčiai

▼M3

1) 

Prasilenkiant dviem traukiniams, susidaro aerodinaminė apkrova, veikianti juos abu. Reikalavimas, taikomas traukinio priekinės dalies atviroje erdvėje sukeliamiems slėgio pokyčiams, suteikia galimybę nustatyti ribinę aerodinaminę apkrovą, kurią sukelia riedmuo atviroje erdvėje, pagal atstumą nuo geležinkelio kelio, lygų atstumui tarp kelių centrų atkarpoje, kurioje ketinama naudoti traukinį.

Atstumas tarp kelių centrų priklauso nuo linijos greičio ir vėžės pločio. Mažiausiosios atstumo tarp kelių centrų vertės, priklausomai nuo greičio ir vėžės pločio, nustatytos infrastruktūros TSS.

2) 

Riedmenų vienetų, kurių didžiausias projektinis greitis yra didesnis kaip 160 km/h, važiuojančių atviroje erdvėje atskaitos greičiu vtr,ref 1 435  mm pločio vėže, priekinės dalies sukelto dvipusio slėgio pokyčio vertė turi neviršyti didžiausio leidžiamojo slėgio pokyčio, apibrėžto J-1 priedėlio 109 rodyklėje nurodytos specifikacijos 2 lentelėje, kai vertinama matavimo padėtyse, apibrėžtose J-1 priedėlio 109 rodyklėje nurodytos specifikacijos 4.1.2 punkte.

3) 

Jei riedmenų vienetą ketinama naudoti 1 524  mm ir 1 668  mm vėžės pločio tinkluose, taikomos atitinkamos 4a lentelės vertės, susijusios su specifikacijos, nurodytos J-1 priedėlio 109 rodyklėje, parametrais.



4a lentelė

Ribiniai kriterijai

Vėžės plotis

Didžiausiasis projektinis greitis vtr,max (km/h)

Matavimo vieta

Leidžiamasis slėgio pokytis (Δp95 %,max)

Atskaitos greitis vtr,ref (km/h)

Matavimo aukštis virš bėgio viršaus

Matavimo atstumas nuo geležinkelio kelio centro

1 524 mm

160 < vtr,max < 250

nuo 1,5 m iki 3,0 m

2,5 m

1 600 Pa

Didžiausiasis projektinis greitis

1 668 mm

160 < vtr,max < 250

nuo 1,5 m iki 3,0 m

2,6 m

800 Pa

Didžiausiasis projektinis greitis

250 ≤ vtr,max

nuo 1,5 m iki 3,0 m

2,6 m

800 Pa

250 km/h

▼B

4) 

Sąstatas, su kuriuo atliekami bandymai, apibūdintas toliau pagal skirtingus riedmenų tipus:

— 
riedmenų vienetas, vertinamas kaip nekintamos sudėties arba iš anksto suformuotas sąstatas:
— 
atskiras nekintamos sudėties sąstato riedmenų vienetas arba bet kokios sudėties iš anksto suformuotas sąstatas,
— 
riedmenų vienetas, vertinamas bendrojo naudojimo tikslais (projektavimo etape traukinio sąstatas neapibrėžtas):
— 
riedmenų vienetas su mašinisto kabina vertinamas atskirai,
— 
kitiems riedmenų vienetams reikalavimai netaikomi.
5) 

Atitikties vertinimo procedūra aprašyta šios TSS 6.2.3.14 punkte.

4.2.6.2.3.   Didžiausi slėgio pokyčiai tuneliuose

1) 

Projektuojamų riedmenų vienetų, kurių didžiausias projektinis greitis yra 200 km/h arba didesnis, aerodinaminės savybės turi būti tokios, kad duotuoju (etaloninis atvejis) traukinio greičio ir tunelio skerspjūvio derinio atveju, pravažiuojant vienam traukiniui paprastu, nenuožulniu vamzdžio tipo tuneliu (be jokių šachtų ir t. t.), atitiktų slėgio pokyčių reikalavimus. Šie reikalavimai pateikti 5 lentelėje.



5 lentelė

Reikalavimai taikomi vieno traukinio važiavimui nenuožulniu vamzdžio tipo tuneliu

 

Etaloninis atvejis

Etaloninio atvejo kriterijai

Vtr

Atu

ΔpN

ΔpN + ΔpFr

ΔpN + ΔpFr + ΔpT

< 250 km/h

200 km/h

53,6 m2

≤ 1 750 Pa

≤ 3 000 Pa

≤ 3 700 Pa

≥ 250 km/h

250 km/h

63,0 m2

≤ 1 600 Pa

≤ 3 000 Pa

≤ 4 100 Pa

Kai vtr yra traukinio greitis, o Atu – tunelio skerspjūvio plotas.

2) 

Sąstatas, su kuriuo atliekami bandymai, apibūdintas toliau pagal skirtingus riedmenų tipus:

— 
riedmenų vienetas, vertinamas kaip nekintamos sudėties arba kaip iš anksto suformuotas sąstatas – vertinamas ilgiausio sąstato traukinys (įskaitant traukinių sąstatų sudėtinį naudojimą),
— 
riedmenų vienetas su mašinisto kabina, vertinamas bendrojo naudojimo tikslais (projektavimo etape traukinio sąstatas neapibrėžtas) – du pasirinkti ne trumpesnio kaip 150 m ilgio traukinio sudėties variantai; vieno varianto atveju riedmenų vienetas yra priekyje, kito – gale,
— 
kiti riedmenų vienetai (bendrojo naudojimo vagonai) – remiantis vienu traukinio sąstatu, ne trumpesniu kaip 400 m.
3) 

Atitikties vertinimo procedūra, įskaitant pirmiau nurodytų parametrų apibrėžtį, nurodyta šios TSS 6.2.3.15 punkte.

4.2.6.2.4.   Šoninis vėjas

1) 

Šis reikalavimas taikomas riedmenų vienetams, kurių didžiausias projektinis greitis yra didesnis nei 140 km/h.

2) 

Riedmenų vienetų, kurių didžiausias projektinis greitis yra didesnis kaip 140 km/h, bet mažesnis nei 250 km/h, labiausiai vėjui jautraus riedmens būdingoji vėjo kreivė (CWC) nustatoma pagal J-1 priedėlio 37 rodyklėje nurodytą specifikaciją ir įrašoma į 4.2.12 punkte nurodytą techninę bylą.

3) 

Šoninio vėjo poveikis riedmenų vienetams, kurių didžiausias projektinis greitis yra 250 km/h arba didesnis, vertinamas vienu iš toliau nurodytų būdų:

a) 

nustatomas ir atitinka 2008 m. greitųjų geležinkelių riedmenų TSS 4.2.6.3 punktą

arba

b) 

nustatomas taikant vertinimo metodą pagal J-1 priedėlio 37 rodyklėje nurodytą specifikaciją. Apskaičiuota vertinamo riedmenų vieneto labiausiai vėjui jautraus riedmens būdingoji vėjo kreivė įrašoma į 4.2.12 punkte nustatytus techninius dokumentus.

▼M3

4.2.6.2.5.   Aerodinaminis poveikis balastuotiems geležinkelio keliams

1) Šis reikalavimas taikomas riedmenų vienetams, kurių didžiausiasis projektinis greitis yra didesnis nei 250 km/h.

2) Traukinių aerodinaminio poveikio balastuotiems geležinkelio keliams reikalavimai, kuriais siekiama apriboti riziką dėl skriejančio balasto (balasto išjudinimas oro srautu), yra neišspręstas klausimas.

▼B

4.2.7.    Išoriniai žibintai ir vaizdino bei garsinio įspėjimo įrenginiai

4.2.7.1.    Išoriniai žibintai

1) 

Išoriniuose žibintuose arba apšvietimo lempose negalima naudoti žalios spalvos; šis reikalavimas taikomas siekiant išvengti painiavos su stacionariais signalizavimo įrenginiais.

▼M3

2) 

Šis reikalavimas netaikomas keleiviams skirtų durų valdymo nuspaudžiamųjų mygtukų lemputėms (kurios šviečia ne nuolat), kurių šviesos stipris ne didesnis kaip 100 cd.

▼B

4.2.7.1.1.   Priekiniai žibintai

1) 

Šis punktas taikomas riedmenų vienetams su mašinisto kabina.

2) 

Kad traukinio mašinistui būtų užtikrintas matomumas, traukinio priekinėje dalyje įrengiami du baltos šviesos priekiniai žibintai.

3) 

Šie priekiniai žibintai įrengiami:

— 
tame pačiame aukštyje virš bėgių lygio, kad jų centrai būtų 1 500 –2 000 mm virš bėgių lygio,
— 
simetriškai, palyginti su centrine bėgių kelio linija, o atstumas tarp jų centrų negali būti mažesnis kaip 1 000 mm.
4) 

Priekinių žibintų spalva atitinka vertes, nustatytas J-1 priedėlio 38 rodyklėje nurodytos specifikacijos 5.3.3 punkto 1 lentelėje.

5) 

Priekiniais žibintais užtikrinami du šviesos stiprio lygiai: artimoji šviesa ir tolimoji šviesa.

Priekinių žibintų artimosios šviesos stipris, išmatuotas priekinio žibinto optinėje ašyje, atitinka vertes, nustatytas J-1 priedėlio 38 rodyklėje nurodytos specifikacijos 5.3.4 punkto 2 lentelės pirmojoje eilutėje.

Priekinių žibintų tolimosios šviesos stipris, išmatuotas žibinto optinėje ašyje, atitinka vertes, nustatytas J-1 priedėlio 38 rodyklėje nurodytos specifikacijos 5.3.4 punkto 2 lentelės pirmojoje eilutėje.

6) 

Riedmenų vienete montuojant priekinius žibintus numatomos jų optinės ašies lygiavimo koregavimo priemonės pagal J-1 priedėlio 38 rodyklėje nurodytos specifikacijos 5.3.5 punktą, naudotinos atliekant techninę priežiūrą.

7) 

Gali būti numatyti papildomi priekiniai žibintai (pvz., viršutiniai priekiniai žibintai). Šie papildomi priekiniai žibintai atitinka pirmiau šiame punkte nustatytus priekinių žibintų spalvos reikalavimus.

Pastaba. Papildomi priekiniai žibintai yra neprivalomi; jų naudojimui eksploataciniu lygiu gali būti taikomi apribojimai.

4.2.7.1.2.   Gabaritiniai žibintai

1) 

Šis punktas taikomas riedmenų vienetams su mašinisto kabina.

2) 

Kad traukinys būtų matomas, traukinio priekinėje dalyje sumontuojami trys baltos spalvos gabaritiniai žibintai.

3) 

Du apatiniai gabaritiniai žibintai įrengiami:

— 
tame pačiame aukštyje virš bėgių lygio, kad jų centrai būtų 1 500 –2 000 mm virš bėgių lygio;
— 
simetriškai, palyginti su centrine bėgių kelio linija, o atstumas tarp jų centrų negali būti mažesnis kaip 1 000 mm.
4) 

Trečias gabaritinis žibintas įrengiamas per vidurį tarp dviejų apatinių gabaritinių žibintų taip, kad aukščių skirtumas tarp jų centrų būtų 600 mm arba didesnis.

5) 

Tiek priekiniams žibintams, tiek gabaritiniams žibintams gali būti naudojamos tokios pačios sudedamosios dalys.

6) 

Gabaritinių žibintų spalva atitinka vertes, nustatytas J-1 priedėlio 39 rodyklėje nurodytos specifikacijos 5.4.3.1 punkto 4 lentelėje.

7) 

Gabaritinių žibintų skleidžiamos šviesos spinduliuotės spektrinis pasiskirstymas atitinka vertes, nustatytas J-1 priedėlio 39 rodyklėje nurodytos specifikacijos 5.4.3.2 punkte.

8) 

Gabaritinių žibintų šviesos stipris atitinka J-1 priedėlio 39 rodyklėje nurodytos specifikacijos 5.4.4 punkto 6 lentelę.

4.2.7.1.3.   Galiniai žibintai

1) 

Kad traukinys būtų matomas, riedmenų vienetų, kuriuos ketinama naudoti traukinio gale, užpakalinėje dalyje sumontuojami du raudonos spalvos galiniai žibintai.

2) 

Jeigu riedmenų vienetai vertinami bendrojo naudojimo tikslais, žibintai gali būti nešiojamieji; tokiu atveju nešiojamieji žibintai naudojami pagal šios TSS E priedėlį „Prekiniai vagonai“; jų veikimas tikrinamas nagrinėjant jų projektą ir atliekant tipo bandymą sudedamųjų dalių lygmeniu (sąveikos sudedamoji dalis „nešiojamasis galinis žibintas“), tačiau įrengti nešiojamuosius žibintus neprivaloma.

3) 

Galiniai žibintai įrengiami:

— 
tame pačiame aukštyje virš bėgių lygio, kad jų centrai būtų 1 500 –2 000 mm virš bėgių lygio,
— 
simetriškai, palyginti su centrine bėgių kelio linija, o atstumas tarp jų centrų negali būti mažesnis kaip 1 000 mm.
4) 

Galinių žibintų spalva atitinka J-1 priedėlio 40 rodyklėje nurodytos specifikacijos 5.5.3 punkto 7 lentelę.

5) 

Galinių žibintų šviesos stipris atitinka J-1 priedėlio 40 rodyklėje nurodytos specifikacijos 5.5.4 punkto 8 lentelę.

4.2.7.1.4.   Lempų valdikliai

1) 

Šis punktas taikomas riedmenų vienetams su mašinisto kabina.

2) 

Mašinistui suteikiama galimybė valdyti:

— 
riedmenų vieneto priekinius ir gabaritinius žibintus iš įprastos vairavimo vietos,
— 
riedmenų vieneto galinius žibintus iš kabinos.

Šis valdymas gal būti užtikrinamas atskira komanda arba komandų deriniu.

Pastaba. Kai ketinama naudoti žibintus informavimo tikslu susiklosčius avarinei padėčiai (naudojimo taisyklė, žr. traukinių eismo organizavimo ir valdymo TSS), tai reikėtų atlikti tik žybčiojant/mirksint priekiniais žibintais.

4.2.7.2.    Įspėjamojo garso signalo įtaisas

4.2.7.2.1.   Bendrosios nuostatos

1) 

Šis punktas taikomas riedmenų vienetams su mašinisto kabina.

2) 

Traukiniuose sumontuojami įspėjamojo garso signalo įtaisai traukinių garsiniam signalui perduoti.

3) 

Įspėjamojo garso signalo įtaiso skleidžiamas garsas atpažįstamas kaip traukinio perduodamas signalas ir yra nepanašus į kelių transporte arba gamyklose naudojamus įspėjamojo garso signalo įtaisų signalus arba į bendro pobūdžio įspėjamojo garso signalo įtaisų skleidžiamus garsus. Įspėjamojo garso signalo įtaisas skleidžia bent vieną iš toliau nurodytų skirtingų garsų:

1 garso tonas – pagrindinis atskirai skleidžiamo garso dažnis yra 660 Hz ± 30 Hz (aukštas tonas),

2 garso tonas – pagrindinis atskirai skleidžiamo garso dažnis yra 370 Hz ± 20 Hz (žemas tonas).

4) 

Jeigu savanoriškai numatomi papildomi įspėjamieji garso tonai (atskiri arba perduodami kartu), jų garso slėgio lygis neviršija tolesniame 4.2.7.2.2 punkte nustatytų verčių.

Pastaba. Jų naudojimui eksploataciniu lygiu gali būti taikomi apribojimai.

4.2.7.2.2.   Įspėjamojo garso signalo garso slėgio lygiai

1) 

Svertinis garso slėgio lygis C, išgaunamas kiekvienu riedmenų vienete sumontuotu įspėjamojo garso signalo įtaisu (arba jų grupės, jeigu jie turi skambėti kartu kaip akordas), yra nurodytas J-1 priedėlio 41 rodyklėje nurodytoje specifikacijoje.

2) 

Atitikties vertinimo procedūra nurodyta 6.2.3.17 punkte.

4.2.7.2.3.   Apsauga

1) 

Įspėjamojo garso signalo įtaisai ir jų valdymo sistemos, jeigu tai įmanoma, suprojektuojamos arba apsaugomos taip, kad jų veikimas nenutrūktų dėl ore esančių objektų, pavyzdžiui, nuolaužų, dulkių, sniego, krušos arba paukščių, poveikio.

4.2.7.2.4.   Įspėjamojo garso signalo įtaiso valdikliai

1) 

Mašinistas turi galimybę įjungti įspėjamąjį garso signalą būdamas visose šios TSS 4.2.9 punkte nustatytose traukinio vairavimo vietose.

4.2.8.    Traukos ir elektros įranga

4.2.8.1.    Traukos savybės

4.2.8.1.1.   Bendrosios nuostatos

1) 

Traukinio traukos sistemos paskirtis – užtikrinti galimybę eksploatuoti traukinį įvairiu greičiu, įskaitant didžiausią eksploatacinį greitį. Pagrindiniai veiksniai, turintys įtakos traukos savybėms, yra traukos galia, traukinio sudėtis ir masė, sankybis, geležinkelio kelio nuolydis ir pasipriešinimas traukinio judėjimui.

2) 

Įvairaus sąstato traukiniuose naudojamų riedmenų vienetų su traukos įranga eksploatacinės savybės apibrėžiamos taip, kad būtų galima išvesti bendrąsias traukinio traukos savybes.

3) 

Traukai apibūdinti naudojami didžiausio eksploatacinio greičio ir traukos jėgos funkcijos rodikliai (jėga ties ratlankiu = F (greitis)).

4) 

Riedmenų vienetui apibūdinti naudojami pasipriešinimo judėjimui ir masės rodikliai.

5) 

Didžiausias eksploatacinis greitis, traukos jėgos funkcija ir pasipriešinimas judėjimui yra riedmenų vieneto pridėtiniai parametrai, kuriuos reikia nustatyti norint sudaryti tvarkaraštį, pagal kurį traukinys galėtų būti įtrauktas į tam tikros geležinkelio linijos bendrąją eismo sistemą ir kurie įrašomi į to riedmenų vieneto techninius dokumentus, aprašytus šios TSS 4.2.12.2 punkte.

4.2.8.1.2.   Eksploatacinių savybių reikalavimai

1) 

Šis punktas taikomas riedmenų vienetams su traukos įranga.

2) 

Riedmenų vieneto traukos jėgos funkcijos (jėga ties ratlankiu = F(greitis)) nustatomos atliekant skaičiavimą; pasipriešinimas riedmenų vieneto judėjimui nustatomas atliekant skaičiavimą, kai apkrovos sąlyga –„projektinė masė, kai naudingoji apkrova įprasta“, kaip apibrėžta 4.2.2.10 punkte.

3) 

Riedmenų vieneto traukos jėgos funkcijos ir pasipriešinimas judėjimui įrašomi į techninius dokumentus (žr. 4.2.12.2 punktą).

4) 

Didžiausias projektinis greitis nustatomas remiantis pirmiau nurodytais duomenimis, atitinkančiais apkrovos sąlygą „projektinė masė, kai naudingoji apkrova įprasta“, taikomą važiuojant lygiu geležinkelio keliu; didesnis nei 60 km/h didžiausias projektinis greitis dalinasi iš 5 km/h.

5) 

Riedmenų vienetai, vertinami kaip nekintamos sudėties arba iš anksto suformuoti sąstatai, važiuodami didžiausiu eksploataciniu greičiu lygiu geležinkelio keliu, gali išvystyti bent 0,05 m/s2 pagreitį, kai apkrovos sąlyga yra „projektinė masė, kai naudingoji apkrova įprasta“. Šio reikalavimo, kuris taikomas didžiausiam projektiniam greičiui iki 350 km/h, laikymąsi galima patikrinti apskaičiavimais arba bandymais (pagreičio matavimas).

6) 

Traukos nutraukimui stabdant taikomi reikalavimai pateikti šios TSS 4.2.4 punkte.

7) 

Traukos funkcijos užtikrinimui traukinyje kilus gaisrui taikomi reikalavimai yra nurodyti 4.2.10.4.4 punkte.

Papildomi reikalavimai, taikomi riedmenų vienetams, vertinamiems kaip nekintamos sudėties arba iš anksto suformuoti sąstatai, kurių didžiausias projektinis greitis yra 250 km/h arba didesnis:

8) 

Vidutinis pagreitis važiuojant lygiu geležinkelio keliu, kai apkrovos sąlyga –„projektinė masė, kai naudingoji apkrova įprasta“, yra bent:

— 
0,40 m/s2, kai greitis 0–40 km/h,
— 
0,32 m/s2, kai greitis 0–120 km/h,
— 
0,17 m/s2, kai greitis 0–160 km/h.

Šio reikalavimo laikymąsi galima patikrinti apskaičiavimais arba bandymais (pagreičio matavimas), atliekamais kartu su apskaičiavimais.

9) 

Projektuojant traukos sistemą, atsižvelgiama į ne didesnį apskaičiuotą rato sankybį su bėgiu, kaip:

— 
0,30 pajudant iš vietos ir važiuojant labai lėtai,
— 
0,275, kai greitis yra 100 km/h,
— 
0,19, kai greitis yra 200 km/h,
— 
0,10, kai greitis yra 300 km/h.
10) 

Dėl vieno elektros įrangos, darančios poveikį traukos efektyvumui, gedimo riedmenų vienetas neturi prarasti daugiau kaip 50 % traukos jėgos.

4.2.8.2.    Elektros energijos tiekimas

4.2.8.2.1.   Bendrosios nuostatos

1) 

Šiame punkte nagrinėjami riedmenims keliami reikalavimai, susiję su energijos posistemiu; todėl šis 4.2.8.2 punktas taikomas elektriniams riedmenų vienetams.

2) 

Energijos TSS nurodomos šios elektros energijos sistemos: kintamosios srovės 25 kV 50 Hz sistema, kintamosios srovės 15 kV 16,7 Hz sistema, nuolatinės srovės 3 kV sistema ir 1,5 kV sistema. Taigi toliau pateikti reikalavimai yra susiję tik su šiomis keturiomis sistemomis, nuorodos į standartus taip pat taikomos tik šioms keturioms sistemoms.

4.2.8.2.2.   Naudojimas tam tikrame įtampų ir dažnių intervale

1) 

Elektrinius riedmenų vienetus galima naudoti bent viename „įtampos ir dažnio“ intervale, apibrėžtame energijos TSS 4.2.3 punkte.

2) 

Naudojama geležinkelio linijos įtampos vertė nurodoma važiuoti parengtoje mašinisto kabinoje.

3) 

„Įtampos ir dažnio“ sistemos, kurioms riedmuo yra skirtas, užregistruojamos riedmenų registre, apibrėžtame šios TSS 4.2.12.2 punkte.

4.2.8.2.3.   Rekuperacinis stabdys, perduodantis energiją į orinę kontaktinę liniją

1) 

Elektriniai riedmenų vienetai, kurie, veikdami rekuperacinio stabdymo režimu, grąžina elektros energiją į orinę kontaktinę liniją, atitinka J-1 priedėlio 42 rodyklėje nurodytą specifikaciją.

2) 

Įmanoma užtikrinti rekuperacinio stabdžio naudojimo kontrolę.

4.2.8.2.4.   Didžiausia galia ir stipriausia srovė iš orinės kontaktinės linijos

1) 

Elektriniuose riedmenų vienetuose, kurių galingumas didesnis kaip 2 MW (naudojant nurodytus nekintamos sudėties ir iš anksto suformuotus sąstatus), numatoma galios arba srovės ribojimo funkcija.

2) 

Elektriniuose riedmenų vienetuose sumontuojama automatinio srovės reguliavimo sistema, suveikianti susidarius įtampos atžvilgiu neįprastoms naudojimo sąlygoms; reguliuojant srovę galima apriboti iki vertės „stipriausia srovė pagal įtampą“, nurodytos J-1 priedėlio 43 rodyklėje nurodytoje specifikacijoje.

Pastaba. Jei infrastruktūros valdytojas sutinka, konkrečiame geležinkelių tinkle arba linijoje eksploataciniu lygmeniu galima taikyti ne tokį griežtą ribojimą (mažesnę a koeficiento vertę).

3) 

Stipriausia srovė, įvertinta kaip nurodyta pirmiau (vardinis srovės stipris), įrašoma į techninius dokumentus, nurodytus šios TSS 4.2.12.2 punkte.

4.2.8.2.5.   Stipriausia nuolatinės srovės sistemų srovė traukiniui stovint

1) 

Apskaičiuojama ir atliekant matavimus patikrinama stipriausia kiekvieno pantografo perduodama nuolatinė srovė traukiniui stovint.

2) 

Ribinės vertės nurodytos energijos TSS 4.2.5 punkte.

3) 

Išmatuota vertė ir matavimo sąlygos, susijusios su kontaktinio laido medžiaga, įrašomos į techninius dokumentus, nurodytus šios TSS 4.2.12.2 punkte.

4.2.8.2.6.   Galios faktorius

1) 

Traukinio galios faktoriaus projektiniai duomenys (įskaitant kelių riedmenų vienetų sudėtinį naudojimą, kaip nustatyta šios TSS 2.2 punkte) tikrinami atliekant apskaičiavimus, kad būtų nustatytas priimtinumo kriterijų, nurodytų J-1 priedėlio 44 rodyklėje nurodytoje specifikacijoje, laikymasis.

4.2.8.2.7.   Kintamosios srovės sistemų energijos tiekimo triktys

1) 

Elektrinis riedmenų vienetas kontaktiniame tinkle nesukelia nepriimtinų įtampos šuolių ir kitokių reiškinių, aprašytų J-1 priedėlio 45 rodyklėje nurodytos specifikacijos 10.1 punkte (harmonikos ir dinaminis poveikis).

2) 

Suderinamumo vertinimas atliekamas taikant metodiką, nustatytą J-1 priedėlio 45 rodyklėje nurodytos specifikacijos 10.3 punkte. Vertinimo etapus ir prielaidas, aprašytas tos pačios specifikacijos 5 lentelėje, nustato pareiškėjas (3 skiltis „Susijusi šalis“ netaikoma), atsižvelgdamas į pradinius duomenis, pateiktus tos pačios specifikacijos D priede; priimtinumo kriterijai nustatomi taip, kaip apibrėžta tos pačios specifikacijos 10.4 punkte.

3) 

Visos prielaidos ir duomenys, naudojami atliekant šį suderinamumo vertinimą, įrašomi į techninius dokumentus (žr. 4.2.12.2 punktą).

▼M2

4.2.8.2.8.   Riedmenyje įrengta energijos matavimo sistema

4.2.8.2.8.1.   Bendrosios nuostatos

1) Riedmenyje įrengta energijos matavimo sistema – sistema, skirta visai elektrinio riedmenų vieneto iš orinės kontaktinės linijos imamai arba į orinę kontaktinę liniją grąžinamai (rekuperacinio stabdymo metu) aktyviajai ir reaktyviajai elektros energijai matuoti.

2) Energijos matavimo sistemoje turi būti įdiegtos bent šios funkcijos: 4.2.8.2.8.2 punkte nustatyta energijos matavimo funkcija ir 4.2.8.2.8.3 punkte nustatytos duomenų tvarkymo sistemos funkcija.

3) Naudojant tinkamą ryšio sistemą kompiliuoti energijos sąskaitų išrašymo duomenų rinkiniai nusiunčiami į antžeminę duomenų rinkimo sistemą. Energijos matavimo sistemos ir duomenų rinkimo sistemos sąsajos protokolai ir perduodamų duomenų formatas turi atitikti 4.2.8.2.8.4 punkto reikalavimus.

4) Ši sistema gali būti naudojama sąskaitoms išrašyti; šios sistemos teikiami 4.2.8.2.8.3 punkto 4 papunktyje nustatyti duomenų rinkiniai pripažįstami tinkamais sąskaitoms išrašyti visose valstybėse narėse.

5) Energijos matavimo sistemos vardinė srovė ir įtampa atitinka elektrinio riedmenų vieneto vardinę srovę ir įtampą; ji tinkamai ir nenutrūkstamai veikia pervažiuojant iš vienos traukos energijos tiekimo sistemos į kitą.

6) Energijos matavimo sistemoje saugomi duomenys turi būti apsaugoti nuo elektros energijos tiekimo sutrikimų, o energijos matavimo sistema turi būti apsaugota nuo neleistinos prieigos.

7) Riedmenyje įdiegta buvimo vietos nustatymo funkcija, teikianti iš išorės šaltinio gautus buvimo vietos duomenis į duomenų tvarkymo sistemą, turi būti užtikrinama tinkluose, kuriuose tokia funkcija būtina tik sąskaitų išrašymo tikslais. Bet kuriuo atveju energijos matavimo sistema turi būti suderinama su tinkama buvimo vietos nustatymo funkcija. Jei buvimo vietos nustatymo funkcija užtikrinama, ji turi atitikti J priedėlio 1 punkto 116 rodyklėje nurodytos specifikacijos reikalavimus.

8) Energijos matavimo sistemos įrengimas, jos buvimo vietos nustatymo funkcija, transporto priemonės ir antžeminių tarnybų ryšio apibūdinimas ir metrologinė patikra, įskaitant energijos matavimo funkcijos tikslumo klasę, registruojami šios TSS 4.2.12.2 punkte apibūdintuose techniniuose dokumentuose.

9) Šios TSS 4.2.12.3 punkte nurodytuose techninės priežiūros dokumentuose aprašomos visos periodiškai atliekamos patikros procedūros, kuriomis užtikrinamas energijos matavimo sistemos tikslumo lygis visą jos naudojimo trukmę.

4.2.8.2.8.2.   Energijos matavimo funkcija

1) Energijos matavimo funkcija turi užtikrinti įtampos ir srovės matavimą, energijos apskaičiavimą ir energijos duomenų teikimą.

2) Energijos matavimo funkcijos teikiamų energijos duomenų atskaitos laikotarpis 5 minutės; pagal suderintąjį pasaulinį laiką (UTC) nurodomas kiekvieno atskaitos laikotarpio pabaigos laikas; laikas nurodomas pagal šabloną 00:00:00. Leidžiama naudoti trumpesnį matavimo laikotarpį, jeigu duomenis transporto priemonėje galima apibendrinti pagal 5 minučių atskaitos laikotarpį.

3) Energijos matavimo funkcijos aktyviosios energijos matavimo tikslumas turi atitikti J priedėlio 1 punkto 117 rodyklėje nurodytos specifikacijos 4.2.3.1–4.2.3.4 punktus.

4) Ant kiekvieno įrenginio, atliekančio vieną ar daugiau energijos matavimo funkcijų, nurodoma: metrologinė patikra ir įrenginio tikslumo klasė pagal J priedėlio 1 punkto 117 rodyklėje nurodytos specifikacijos 4.3.3.4, 4.3.4.3 ir 4.4.4.2 punktuose nurodytą specifikaciją.

5) Tikslumo atitikties vertinimas nustatytas 6.2.3.19a punkte.

4.2.8.2.8.3.   Duomenų tvarkymo sistema

1) Duomenų tvarkymo sistema turi užtikrinti kompiliuotų energijos apskaitos duomenų rinkinių pateikimą sąskaitų už energiją išrašymo tikslais, t. y. sujungti energijos matavimo funkcijos duomenis su laiko ir geografinės padėties duomenimis ir juos saugoti, kad naudojantis ryšio sistema juos būtų galima išsiųsti į antžeminę duomenų rinkimo sistemą.

2) Duomenų tvarkymo sistema turi sukompiliuoti duomenis jų nesugadindama ir joje turi būti pakankamos talpos duomenų kaupiklis, kad būtų galima saugoti kompiliuotus bent 60 nepertraukiamo veikimo parų duomenis. Laiko atskaita turi būti ta pati kaip energijos matavimo funkcijos.

3) Duomenų tvarkymo sistemoje turi būti galimybė skaityti duomenis vietoje transporto priemonėje audito ir duomenų atkūrimo tikslais.

4) Duomenų tvarkymo sistema turi generuoti kompiliuotų energijos apskaitos duomenų rinkinius, kuriuose sujungiami šie kiekvieno atskaitos laikotarpio duomenys:

— 
unikalus energijos matavimo sistemos suvartojimo vietos identifikatorius, apibrėžtas J priedėlio 1 punkto 118 rodyklėje nurodytoje specifikacijoje,
— 
kiekvieno laikotarpio pabaigos laikas – metai, mėnuo, diena, valanda, minutė ir sekundė,
— 
buvimo vietos duomenys kiekvieno laikotarpio pabaigos momentu,
— 
per kiekvieną laikotarpį sunaudota/regeneruota aktyvioji ir reaktyvioji (jei taikoma) energija vatvalandėmis (aktyvioji energija) ir voltampervalandėmis (reaktyvioji energija) arba jų dešimtainiais kartotiniais.

5) Duomenų tvarkymo sistemos kompiliuotų duomenų ir jų tvarkymo atitiktis vertinama pagal 6.2.3.19a punktą.

4.2.8.2.8.4.   Energijos matavimo sistemos ir duomenų rinkimo sistemos sąsajos protokolai ir perduodamų duomenų formatas

Energijos matavimo sistemos ir duomenų rinkimo sistemos duomenų mainai turi atitikti šiuos reikalavimus:

— 
Energijos matavimo sistemos taikomosios paslaugos (paslaugų lygmuo) turi atitikti J priedėlio 1 punkto 119 rodyklėje nurodytos specifikacijos 4.3.3.1 punkto reikalavimus.
— 
Šių taikomųjų paslaugų naudotojų prieigos teisės turi atitikti J priedėlio 1 punkto 119 rodyklėje nurodytos specifikacijos 4.3.3.3 punkto reikalavimus.
— 
Šių taikomųjų paslaugų struktūra (duomenų lygmuo) turi atitikti XML schemą, apibrėžtą J priedėlio 1 punkto 119 rodyklėje nurodytos specifikacijos 4.3.4 punkte.
— 
Šioms taikomosioms paslaugoms skirtas pranešimų siuntimo mechanizmas (pranešimų lygmuo) turi atitikti metodus ir XML schemą, nustatytus J priedėlio 1 punkto 119 rodyklėje nurodytos specifikacijos 4.3.5 punkte.
— 
Pranešimų siuntimo mechanizmui skirti programų protokolai turi atitikti J priedėlio 1 punkto 119 rodyklėje nurodytos specifikacijos 4.3.6 punkto reikalavimus.
— 
Energijos matavimo sistemoje turi būti naudojama bent viena iš J priedėlio 1 punkto 119 rodyklėje nurodytos specifikacijos 4.3.7 punkte nurodytų ryšio architektūrų.

▼B

4.2.8.2.9.   Su pantografu susiję reikalavimai

4.2.8.2.9.1.   Pantografo veikimo aukščio intervalas

4.2.8.2.9.1.1.   Sąveikos su kontaktiniais laidais aukštis (riedmenų lygmuo)

Pantografas elektriniame riedmenų vienete sumontuojamas taip, kad būtų galima užtikrinti jo mechaninį sąlytį su kuriais nors kontaktiniais laidais, įrengtais tokiuose aukščio intervaluose:

1) 

4 800 –6 500 mm virš bėgių lygio geležinkelio keliuose, suprojektuotuose pagal GC gabaritą;

2) 

4 500 –6 500 mm virš bėgių lygio geležinkelio keliuose, suprojektuotuose pagal GA ir (arba) GB gabaritą;

3) 

5 550 –6 800 mm virš bėgių lygio geležinkelio keliuose, suprojektuotuose pagal T gabaritą (1 520 mm pločio vėžės sistema);

4) 

5 600 –6 600 mm virš bėgių lygio geležinkelio keliuose, suprojektuotuose pagal FIN1 gabaritą (1 524 mm pločio vėžės sistema).

▼M3

5) 

3 920  mm–5 700  mm virš bėgių lygio elektriniams riedmenų vienetams, skirtiems naudoti 1 500  V nuolatinės srovės sistemoje pagal IRL gabaritą (1 600  mm pločio vėžės sistema).

▼B

Pastaba. Srovės ėmimas tikrinamas pagal šios TSS 6.1.3.7 ir 6.2.3.21 punktus, nurodant bandymams naudojamų kontaktinių laidų aukštį; tačiau laikoma, kad srovės ėmimas važiuojant lėtai yra galimas iš bet kuriame aukštyje esančių kontaktinių laidų.

4.2.8.2.9.1.2.   Pantografo veikimo aukščio intervalas (sąveikos sudedamųjų dalių lygmuo)

1) 

Pantografų veikimo intervalas yra bent 2 000 mm.

2) 

Tikrinamos savybės atitinka J-1 priedėlio 46 rodyklėje nurodytos specifikacijos reikalavimus.

4.2.8.2.9.2.   Pantografo vežimėlio geometrinės savybės (sąveikos sudedamųjų dalių lygmuo)

▼M3

1) 

Elektrinių riedmenų vienetų, skirtų naudoti kito nei 1 520  mm arba 1 600  mm pločio vėžės sistemoje, bent vieno iš numatomų įrengti pantografų vežimėlių geometrijos tipas turi atitikti vieną iš dviejų specifikacijų, nurodytų 4.2.8.2.9.2.1 ir 4.2.8.2.9.2.2 punktuose.

▼B

2) 

Elektriniuose riedmenų vienetuose, skirtuose naudoti tik 1 520 mm pločio vėžės sistemoje, įrengiamas bent vienas pantografo vežimėlis, kurio geometrinių savybių tipas atitinka vieną iš trijų specifikacijų, toliau nurodytų 4.2.8.9.2.1, 4.2.8.9.2.2 ir 4.2.8.9.2.3 punktuose.

▼M3

2a) 

Elektrinių riedmenų vienetų, skirtų naudoti tik 1 600  mm pločio vėžės sistemoje, bent vieno iš numatomų įrengti pantografų vežimėlių geometrijos tipas turi atitikti specifikaciją, nurodytą 4.2.8.9.2.3a punkte.

▼B

3) 

Elektriniame riedmenų vienete sumontuotų pantografo vežimėlių geometrinių savybių tipas (-ai) įrašomas (-i) į techninius dokumentus, nurodytus šios TSS 4.2.12.2 punkte.

4) 

Pantografo vežimėlio plotis neviršija 0,65 m.

5) 

Pantografo vežimėliai, kuriuose sumontuoti kontaktiniai intarpai su nepriklausomomis pakabomis, atitinka J-1 priedėlio 47 rodyklėje nurodytą specifikaciją.

6) 

Nepalankiomis sąlygomis, pavyzdžiui, riedmeniui siūbuojant ir kartu pučiant stipriam vėjui, nedideliuose geležinkelių linijų ruožuose kontaktinio laido ir pantografo vežimėlio sąlyčio vieta gali būti už kontaktinio intarpo ribų, visame laidumo diapazone.

Kontaktinio intarpo laidusis intervalas ir mažiausias ilgis nurodyti toliau, aprašant pantografo vežimėlio geometrines savybes.

4.2.8.2.9.2.1.   1 600 mm ilgio pantografo vežimėlio geometrinės savybės

1) 

Pantografo vežimėlio geometrinės savybės aprašomos J-1 priedėlio 48 rodyklėje nurodytoje specifikacijoje.

4.2.8.2.9.2.2.   1 950 mm ilgio pantografo vežimėlio geometrinės savybės

1) 

Pantografo vežimėlio geometrinės savybės aprašomos J-1 priedėlio 49 rodyklėje nurodytoje specifikacijoje.

2) 

Ragams gali būti naudojamos izoliacinės arba neizoliacinės medžiagos.

4.2.8.2.9.2.3.   2 000 ir 2 260 mm ilgio pantografo vežimėlio geometrinės savybės

1) 

Jo profilio požymiai yra aprašyti toliau:

image

▼M3

4.2.8.2.9.3.   1 800  mm ilgio pantografo vežimėlio geometrinės savybės

1) Pantografo vežimėlio profilis turi atitikti šį brėžinį:

image

▼B

►M3  4.2.8.2.9.3a. ◄    Pantografo srovės pralaidumas (SSD lygmuo)

1) 

Pantografai projektuojami taip, kad jais į elektrinį riedmenų būtų galima perduoti vardinio stiprio srovę (kaip apibrėžta 4.2.8.2.4 punkte).

2) 

Tyrimu patvirtinama, kad pantografas yra pajėgus perduoti vardinę srovę; atliekant šį tyrimą patikrinama, ar laikomasi J-1 priedėlio 50 rodyklėje nurodytos specifikacijos reikalavimų.

3) 

Nuolatinės srovės sistemoms skirti pantografai suprojektuojami stipriausiai srovei, perduodamai traukiniui stovint (kaip apibrėžta šios TSS 4.2.8.2.5 punkte).

4.2.8.2.9.4.   Kontaktinis intarpas (sąveikos sudedamųjų dalių lygmuo)

1) 

Kontaktiniai intarpai yra keičiamos pantografo vežimėlio dalys, betarpiškai liečiančios kontaktinį laidą.

4.2.8.2.9.4.1.   Kontaktinio intarpo geometrinės savybės

1) 

Kontaktinių intarpų geometrinė konstrukcija yra tokia, kad atitiktų vieną iš pantografo vežimėlių geometrinių profilių, nurodytų 4.2.8.2.9.2 punkte.

4.2.8.2.9.4.2.   Kontaktinio intarpo medžiaga

1) 

Siekiant užtikrinti tinkamą srovės ėmimą ir išvengti pernelyg spartaus kontaktinių laidų paviršiaus dilimo, kad kontaktiniai laidai bei kontaktiniai intarpai kuo mažiau dėvėtųsi, kontaktiniams intarpams naudojama medžiaga mechaniniu ir elektriniu aspektais suderinama su kontaktinių laidų medžiaga (kaip nurodyta energijos TSS 4.2.14 punkte).

2) 

Leidžiama naudoti paprastą anglį arba impregnuotą anglį su priedais.

Jeigu kaip priedas naudojamas metalas, metalinę iš anglies pagamintų kontaktinių intarpų dalį sudaro varis arba vario lydinys, kuris neviršija 35 % intarpo svorio kintamosios srovės linijų atveju ir 40 % nuolatinės srovės linijų atveju.

Pagal šią TSS vertinamuose pantografuose sumontuojami pirmiau minėtų medžiagų kontaktiniai intarpai.

3) 

Be to, leidžiama sumontuoti kontaktinius intarpus iš kitos medžiagos arba medžiagos, kurios sudėtyje yra didesnė dalis metalo, arba variu padengtos impregnuotos anglies (jeigu tai leidžiama infrastruktūros registre) su sąlyga, kad:

— 
šios medžiagos numatytos pripažintuose standartuose, nurodant joms taikomus apribojimus (jei yra), arba
— 
šios medžiagos pripažintos tinkamomis naudoti atlikus bandymus (žr. 6.1.3.8 punktą).

4.2.8.2.9.5.   Pantografo vežimėlio statinė prispaudžiamoji jėga (sąveikos sudedamųjų dalių lygmuo)

1) 

Statinė prispaudžiamoji jėga yra vertikali prispaudžiamoji jėga, kuria pantografo vežimėlis, veikiamas pantografo keliamojo įtaiso, į viršų spaudžia kontaktinį laidą, kai pantografas pakeltas, o riedmuo stovi.

2) 

Statinė prispaudžiamoji jėga, kuria pantografas spaudžia kontaktinį laidą taip, kaip apibrėžta pirmiau, reguliuojama bent šiuose intervaluose (pagal pantografo naudojimo sritį):

— 
60–90 N, jei tai kintamosios srovės tiekimo sistemos,
— 
90–120 N, jei tai 3 kV nuolatinės srovės tiekimo sistemos,
— 
70–140 N, jei tai 1,5 kV nuolatinės srovės tiekimo sistemos.

4.2.8.2.9.6.   Pantografo prispaudžiamoji jėga ir dinaminės savybės

1) 

Vidutinė prispaudžiamoji jėga Fm yra vidutinė statistinė pantografo prispaudimo jėgos vertė, susidedanti iš statinių ir aerodinaminių prispaudimo jėgos su dinamine pataisa dedamųjų.

2) 

Veiksniai, nuo kurių priklauso vidutinė prispaudžiamoji jėga, yra pats pantografas, jo padėtis traukinyje, jo vertikalus pailginimas ir riedmuo, ant kurio pantografas sumontuotas.

3) 

Geležinkelių riedmenys ir ant geležinkelių riedmenų sumontuoti pantografai projektuojami taip, kad kontaktinį laidą veiktų energijos TSS 4.2.12 punkte nurodyto intervalo vidutinė prispaudžiamoji jėga Fm, siekiant užtikrinti kokybišką srovės ėmimą, išvengti pernelyg didelio kibirkščiavimo ir apriboti susidėvėjimą ir kenksmingą poveikį kontaktiniams intarpams. Prispaudžiamoji jėga sureguliuojama atliekant dinaminius bandymus.

4) 

Atliekant patikrą sąveikos sudedamųjų dalių lygmeniu, patvirtinamos dinaminės paties pantografo savybės ir jo gebėjimas imti srovę iš TSS reikalavimus atitinkančio kontaktinio tinklo; atitikties vertinimo procedūra nurodyta 6.1.3.7 punkte.

5) 

Riedmenų posistemio lygmens patikra (integravimas konkrečioje transporto priemonėje) suteikia galimybę sureguliuoti prispaudžiamąją jėgą, atsižvelgiant į aerodinaminį poveikį, susijusį su riedmenimis, ir į pantografo padėtį nekintamos sudėties arba iš anksto suformuoto sąstato riedmenų vienete arba traukinyje; atitikties vertinimo procedūra nurodyta 6.2.3.20 punkte.

6) 

Pagal energijos TSS vidutinės prispaudžiamosios jėgos Fm intervalas nėra suderintas su orinėmis kontaktinėmis linijomis, suprojektuotoms didesniam nei 320 km/h greičiui.

Todėl elektrinių riedmenų vienetų pantografo dinaminės savybės, kai greitis neviršija 320 km/h, gali būti vertinamos tik pagal šią TSS.

Greičio intervale nuo daugiau kaip 320 km/h iki didžiausio greičio (jei jis didesnis nei 320 km/h) taikoma šios TSS 10 straipsnyje ir 6 skyriuje aprašyta inovacinių sprendimų procedūra.

4.2.8.2.9.7.   Pantografų išdėstymas (riedmenų lygmuo)

1) 

Kontaktinio tinklo įrangą vienu metu gali liesti daugiau kaip vienas pantografas.

2) 

Pantografų skaičius ir tarpai tarp jų projektuojami atsižvelgiant į srovės ėmimo veiksmingumo reikalavimus, kaip apibrėžta 4.2.8.2.9.6 punkte.

3) 

Jeigu tarpas tarp dviejų gretimų pantografų, sumontuotų vertinamame nekintamos sudėties arba iš anksto suformuoto sąstato riedmenų vienete, yra mažesnis už energijos TSS 4.2.13 punkte pasirinktam kontaktinio tinklo projektinio atstumo tipui nurodytą tarpą arba jeigu kontaktinio tinklo įrangą vienu metu liečia daugiau kaip du pantografai, bandymu patvirtinama, kad prasčiausiai veikiantis pantografas (nustatomas iki to bandymo atliktu modeliavimo testu) atitinka 4.2.8.2.9.6 punkte nustatytus srovės ėmimo kokybės reikalavimus.

4) 

Pasirinktas (ir atitinkamai per bandymus naudotas) kontaktinio tinklo projektinio atstumo tipas (A, B arba C, kaip apibrėžta energijos TSS 4.2.13 punkte) įrašomas į techninius dokumentus (žr. 4.2.12.2 punktą).

4.2.8.2.9.8.   Važiavimas per fazių arba sistemų atskyrimo ruožus (riedmenų lygmuo)

1) 

Traukiniai projektuojami taip, kad būtų tinkami judėti nuo vienos elektros energijos tiekimo sistemos iki gretimos arba nuo vieno fazių atskyrimo ruožo iki greta esančio (kaip aprašyta energijos TSS 4.2.15 ir 4.2.16 punktuose), nešuntuojant nei sistemos, nei fazių atskyrimo ruožų.

2) 

Elektriniai riedmenų vienetai, suprojektuoti naudoti keliose elektros energijos tiekimo sistemose, važiuodami per sistemų atskyrimo ruožus automatiškai nustato, kokia elektros energijos tiekimo sistemos įtampa perduodama pantografui.

3) 

Važiuodamas per fazių arba sistemų atskyrimo ruožus riedmenų vienetas gali nevartoti energijos. Infrastruktūros registre pateikiama informacija apie pantografų padėtis (nuleista arba pakelta (atsižvelgiant į leidžiamą pantografų išdėstymą)), – leidžiamas važiuojant per sistemų arba fazių atskyrimo ruožus.

4) 

Elektriniuose riedmenų vienetuose, kurių didžiausias projektinis greitis yra 250 km/h arba didesnis, įrengiama traukinio kontrolės ir stebėjimo sistema (TCMS), kuri iš dispečerinės gali gauti informaciją apie atskyrimo ruožo vietą ir be mašinisto įsikišimo automatiškai perduoti komandas, kuriomis valdomas pantografas ir pagrindinis srovės išjungiklis.

5) 

Riedmenų vienetuose, skirtuose naudoti linijose, kuriose įrengta geležinkelio kelio ETCS sistema kontrolės, valdymo ir signalizavimo informacijai perduoti, įrengiama traukinio kontrolės ir stebėjimo sistema (TCMS), kuri iš ETCS sistemos gali priimti informaciją apie atskyrimo ruožo vietą, kaip aprašyta kontrolės, valdymo ir signalizacijos TSS A priedo 7 rodyklėje; riedmenų vienetuose, kurių didžiausias projektinis greitis nesiekia 250 km/h, tolesnės komandos neprivalo būti automatinės – ETCS sistemos pateikta informacija apie atskyrimo ruožo vietą rodoma mašinistui, kad šis imtųsi veiksmų.

4.2.8.2.9.9.   Pantografo izoliavimas nuo riedmens (riedmenų lygmuo)

1) 

Pantografai ant elektrinio riedmenų vieneto sumontuojami taip, kad srovė tarp imtuvo vežimėlio ir transporto priemonės įrangos būtų izoliuota. Izoliacija yra pakankama bet kokiai sistemos įtampai, į kurią atsižvelgiant suprojektuotas riedmenų vienetas.

4.2.8.2.9.10.   Pantografo nuleidimas (riedmenų lygmuo)

1) 

Elektriniuose riedmenų vienetuose numatoma galimybė mašinisto iniciatyva arba panaudojus traukinio valdymo funkciją (įskaitant kontrolės, valdymo ir signalizacijos posistemių funkcijas) nuleisti pantografą laikotarpiui, atitinkančiam J-1 priedėlio 51 rodyklėje nurodytos specifikacijos 4.7 punkto reikalavimus (trims sekundėms), dinaminiu izoliaciniu atstumu, nurodytu J-1 priedėlio 52 rodyklėje.

2) 

Pantografas nuleidžiamas į sudedamąją padėtį per mažiau kaip dešimt sekundžių.

Prieš nuleidžiant pantografą automatiškai suveikia pagrindinis srovės išjungiklis.

3) 

Jeigu elektriniame riedmenų vienete sumontuotas automatinis nuleidimo įtaisas (ANĮ), nuleidžiantis pantografą sugedus srovės ėmikliui, ANĮ atitinka J-1 priedėlio 51 rodyklėje nurodytos specifikacijos 4.8 punkto reikalavimus.

4) 

ANĮ įrengiamas elektriniuose riedmenų vienetuose, kurių didžiausias projektinis greitis yra daugiau nei 160 km/h.

5) 

ANĮ įrengiamas elektriniuose riedmenų vienetuose, kuriems reikia daugiau nei vieno pakelto veikiančio pantografo ir kurių didžiausias projektinis greitis yra daugiau nei 120 km/h.

6) 

ANĮ leidžiama įrengti ir kituose elektriniuose riedmenų vienetuose.

4.2.8.2.10.   Traukinio elektros įrenginių apsauga

1) 

Elektriniai riedmenų vienetai apsaugomi nuo vidinio trumpojo jungimo (riedmenų vieneto viduje).

2) 

Pagrindinis srovės išjungiklis sumontuojamas tokioje vietoje, kad apsaugotų riedmenų vienete sumontuotas aukštos įtampos grandines, įskaitant aukštos įtampos jungtis tarp riedmenų. Pantografas, pagrindinis srovės išjungiklis ir aukštos įtampos jungtis tarp jų yra tame pačiame riedmenyje.

3) 

Elektriniuose riedmenų vienetuose įdiegiama apsauga nuo trumpų įtampos šuolių, laikino įtampos padidėjimo ir stipriausios avarinės srovės. Siekiant įgyvendinti šį reikalavimą, riedmens vieneto elektros įrenginių apsaugos derinimo priemonės atitinka J-1 priedėlio 53 rodyklėje nurodytos specifikacijos reikalavimus.

4.2.8.3.    Dyzelinės ir kitos šiluminės traukos sistemos

1) 

Dyzeliniai varikliai atitinka išmetamiesiems teršalams (sudėtis, ribinės vertės) taikomus Sąjungos teisės aktus.

4.2.8.4.    Apsauga nuo elektros srovės pavojaus

1) 

Riedmuo ir elektros srovę naudojančios jo sudedamosios dalys suprojektuojami taip, kad įprastai naudojant ir įrangos gedimo atveju būtų išvengta traukinio darbuotojų ir keleivių tyčinio arba netyčinio (tiesioginio arba netiesioginio) sąlyčio su jomis. Šiam reikalavimui įgyvendinti taikomos J-1 priedėlio 54 rodyklėje nurodytos specifikacijos nuostatos.

4.2.9.    Mašinisto kabina ir mašinisto ir įrangos sąsaja

(1) 

Šiame punkte nustatyti reikalavimai taikomi riedmenų vienetams su mašinisto kabina.

4.2.9.1.    Mašinisto kabina

4.2.9.1.1.   Bendrosios nuostatos

1) 

Mašinisto kabina suprojektuojama taip, kad traukinį galėtų valdyti vienas mašinistas.

2) 

Didžiausias mašinisto kabinoje leidžiamas triukšmo lygis nurodytas triukšmo TSS.

4.2.9.1.2.   Įėjimas ir išėjimas

4.2.9.1.2.1.   Įėjimas ir išėjimas naudojimo sąlygomis

1) 

Į mašinisto kabiną galima patekti iš abiejų traukinio pusių (nuo lygio, esančio 200 mm žemiau bėgių viršaus).

2) 

Šis įėjimas gali būti įrengtas tiesiai iš išorės per kabinos išorines duris arba iš kabinos gale esančios zonos. Pastaruoju atveju šiame punkte nustatyti reikalavimai taikomi išoriniams įėjimams, skirtiems patekti į kabiną, abiejose riedmens pusėse.

3) 

Traukinio brigados nariams skirtos įėjimo į kabiną ir išėjimo iš jos priemonės, pvz., laipteliai, turėklai arba atidarymo rankenos, yra matmenų (aukštis, plotis, tarpai, pavidalas), kuriuos galima įvertinti pagal pripažintus standartus; jos suprojektuojamos atsižvelgiant į ergonominius naudojimo kriterijus. Laiptelių kraštai yra neaštrūs, kad už jų nekliūtų traukinio brigados narių batai.

4) 

Riedmenyse su išoriniais takeliais sumontuojami turėklai ir pakopos su atitvaromis, kad mašinistas galėtų saugiai įlipti į kabiną.

5) 

Mašinisto kabinos išorinės durys atsidaro taip, kad atidarytos (riedmens vienetui stovint) jos nekyšotų už nustatyto etaloninio profilio (žr. šios TSS 4.2.3.1 punktą).

6) 

Mašinisto kabinos išorinių durų anga yra ne mažesnė kaip 1 675 × 500 mm, jeigu įlipama laipteliais, arba ne mažesnė kaip 1 750 × 500 mm, jeigu įlipama nuo grindų lygio.

7) 

Vidinių durų, per kurias traukinio brigados nariai patenka į kabiną, anga yra ne mažesnė kaip 1 700 × 430 mm.

8) 

Kai mašinisto kabinos išorinės arba vidinės durys yra įrengtos statmenai riedmeniui jo šone, leidžiama durų viršuje sumažinti durų plotį (užapvalinti viršutinį išorinį durų kampą) priklausomai nuo riedmens gabarito; sumažinimas griežtai ribojamas gabarito susiaurėjimu viršutinėje dalyje; mažinant durų viršuje būtina palikti ne mažiau kaip 280 mm pločio angą.

9) 

Mašinisto kabina ir durys į ją suprojektuojamos taip, kad traukinio brigados nariai galėtų neleisti į kabiną patekti leidimo neturintiems asmenims (nepaisant to, ar kabinoje kas nors yra) ir kad kabinoje esantis asmuo galėtų išlipti iš kabinos nenaudodamas jokių įrankių ar raktų.

10) 

Į mašinisto kabiną galima patekti nenaudojant riedmenyje esančio energijos šaltinio. Kabinos išorinės durys netyčia atsidaryti negali.

4.2.9.1.2.2.   Avarinis išėjimas iš mašinisto kabinos

1) 

Avarijos atveju traukinio brigados nariai turi galimybę evakuotis iš mašinisto kabinos, o gelbėjimo tarnybos – patekti į kabiną iš abiejų kabinos pusių, pro vieną iš šių avarinio išėjimo priemonių: kabinos išorines duris (priėjimas tiesiai iš lauko, kaip nustatyta pirmiau 4.2.9.1.2.1 punkte) arba šoninius langus ar avarines angas.

2) 

Kad įstrigusius asmenis būtų galima išvaduoti, avarinio išėjimo priemonės visais atvejais užtikrina ne mažesnę kaip 2 000 cm2 ploto angą (atvirą zoną), kurios vidinis matmuo ne mažesnis kaip 400 mm.

3) 

Priekyje įrengtose mašinisto kabinose yra bent vidinis išėjimas; per šį išėjimą galima patekti į zoną, kurios ilgis ne mažesnis kaip 2 m, kiti išmatavimai – ne mažesni nei nurodytieji 4.2.9.1.2.1 punkto 7 ir 8 papunkčiuose, be to, šioje zonoje (įskaitant grindis) mašinistui išsigelbėti nėra jokių kliūčių; ši zona yra pačiame riedmenų vienete, ji gali būti uždara arba su išėjimu į išorę.

4.2.9.1.3.   Išorės matomumas

4.2.9.1.3.1.   Priekinis matomumas

1) 

Mašinisto kabina suprojektuojama taip, kad F priedėlyje nustatytomis sąlygomis mašinisto, kuris traukinį vairuoja sėdėdamas, regėjimo lauke nebūtų kliūčių ir kad jis galėtų aiškiai matyti stacionarius signalus abiejose geležinkelio kelio pusėse, kai traukinys važiuoja tiesiu geležinkelio keliu ir vingiuose, kurių spindulys yra 300 m arba didesnis.

2) 

Šio reikalavimo pagal F priedėlyje apibrėžtas sąlygas, taikomas lokomotyvams ir valdomiesiems keleiviniams vagonams, laikomasi ir tais atvejais, kai mašinistas traukinį vairuoja stovėdamas, jeigu numatyta galimybė tuos vagonus valdyti ir stovint.

3) 

Siekiant užtikrinti žemai rodomų signalų matomumą lokomotyvuose su centrinėmis kabinomis ir geležinkelio statybos ir priežiūros riedmenyse ir pirmiau pateikto reikalavimo atitikčiai užtikrinti mašinistui kabinoje leidžiama būti keliose skirtingose padėtyse ir nereikalaujama, kad pirmiau nurodyto reikalavimo būtų laikomasi, kai mašinistas traukinį vairuoja sėdėdamas.

4.2.9.1.3.2.   Galinis ir šoninis vaizdas

1) 

Kabina suprojektuojama taip, kad mašinistas galėtų matyti galinį vaizdą abiejose stovinčio traukinio pusėse; šio reikalavimo laikymąsi leidžiama užtikrinti taikant vieną iš šių priemonių: abiejuose kabinos šonuose atidarant šoninius langus arba skydus, naudojant išorinius veidrodžius ar vaizdo kamerų sistemą.

2) 

Jeigu siekiant įvykdyti 1 punkte nustatytą reikalavimą atidaromi šoniniai langai arba skydai, anga yra pakankami didelė, kad mašinistas galėtų per ją iškišti galvą; be to, projektuojant lokomotyvus ir valdomuosius keleivinius vagonus, numatytus naudoti traukinio sąstate su lokomotyvu, numatoma galimybė mašinistui tuo pačiu metu įjungti avarinį stabdį.

4.2.9.1.4.   Vidaus išplanavimas

1) 

Numatant vidaus planą reikia atsižvelgti į mašinisto antropometrinius duomenis, nurodytus E priedėlyje.

2) 

Mašinisto kabinoje esantiems traukinio brigados nariams nėra kliūčių laisvai judėti.

3) 

Kabinos grindų plote, kuris yra mašinisto darbo zona (išskyrus įėjimą į kabiną ir pėdų atramą), nėra laiptelių.

4) 

Lokomotyvų ir valdomųjų keleivinių vagonų vidaus plane numatoma sėdima ir stovima mašinisto padėtis, jeigu numatyta, kad tuos vagonus mašinistas taip pat valdo stovėdamas.

5) 

Kabinoje įrengiama bent viena mašinisto sėdynė (žr. 4.2.9.1.5 punktą) ir viena sėdynė, skirta ne mašinistui, o galimam lydinčiam traukinio brigados nariui.

4.2.9.1.5.   Mašinisto sėdynė

Sudedamosioms dalims keliami reikalavimai

1) 

Mašinisto sėdynė suprojektuojama taip, kad joje sėdėdamas mašinistas galėtų atlikti visas įprastas traukinio valdymo funkcijas, atsižvelgiant į antropometrinius duomenis, nurodytus E priedėlyje. Sėdynė leidžia užtikrinti fiziologiškai taisyklingą mašinisto laikyseną.

2) 

Mašinistas gali sureguliuoti sėdynės padėtį taip, kad akių padėtis atitiktų standartinę padėtį, reikalingą išorės matomumui užtikrinti, kaip apibrėžta 4.2.9.1.3.1 punkte.

3) 

Projektuojant sėdynę įvertinami ergonominiai ir sveikatos aspektai ir kaip ja naudosis mašinistas.

Įrengimo mašinisto kabinoje reikalavimai

4) 

Sėdynė kabinoje įrengiama taip, kad būtų galima užtikrinti atitiktį pirmiau 4.2.9.1.3.1 punkte nustatytiems išorės matomumo reikalavimams naudojantis sėdynės (sudedamųjų dalių) reguliavimo intervalais; įrengiant sėdynę neturi pasikeisti jos ergonominiai ir sveikatos aspektai ir tai, kaip ja naudosis mašinistas.

5) 

Sėdynė netrukdo mašinistui evakuotis avarijos atveju.

6) 

Lokomotyvuose ir valdomuosiuose keleiviniuose vagonuose, kuriuos, kaip numatyta, mašinistas gali vairuoti ir stovėdamas, mašinisto sėdynė montuojama taip, kad būtų galima pakeisti jos padėtį ir atlaisvinti vietos traukinį vairuoti stovinčiam mašinistui.

4.2.9.1.6.   Mašinisto pultas. Ergonominės savybės

1) 

Ergonominės savybės Mašinisto pultas, naudojama įranga ir valdikliai sumontuojami taip, kad mašinistas, įprastai vairuodamas traukinį, galėtų išlaikyti taisyklingą laikyseną ir kad nebūtų kliudoma jam laisvai judėti, atsižvelgiant į mašinisto antropometrinius duomenis, nurodytus E priedėlyje.

2) 

Kad mašinistas galėtų matyti ant mašinisto pulto paviršiaus padėtus dokumentus, kurių reikia vairuojant, prieš mašinisto sėdynę įrengiama ne mažesnė kaip 30 cm pločio ir 21 cm aukščio skaitymo zona.

3) 

Naudojama įranga ir valdikliai aiškiai pažymimi, kad mašinistas juos galėtų atpažinti.

4) 

Jeigu trauka ir (arba) stabdžiai įjungiami svirtimi (bendra arba atskiromis), traukos jėga didėja stumiant svirtį į priekį, o stabdymo – traukiant ją į save.

Jeigu tam tikra svirties padėtis yra skirta avariniam stabdymui, ji aiškiai atskiriama nuo kitų svirties padėčių (pvz., įpjova).

4.2.9.1.7.   Mikroklimato reguliavimas ir oro kokybė

1) 

Kabinos oras atšviežinamas taip, kad CO2 koncentracija atitiktų šios TSS 4.2.5.8 punkte nurodytą lygį.

2) 

Kai mašinistas traukinį vairuoja sėdėdamas (kaip apibrėžta 4.2.9.1.3 punkte), į jo galvą ir pečius nepučia vėdinimo sistemos sukeltos oro srovės, kurių greitis viršija tinkamų darbo sąlygų ribinę vertę.

4.2.9.1.8.   Vidaus apšvietimas

1) 

Mašinistas atitinkama komanda visomis įprastomis riedmens naudojimo sąlygomis (įskaitant režimą „išjungta“) gali įjungti bendrą kabinos apšvietimą. Jo užtikrinama apšvieta mašinisto pulto lygyje yra didesnė kaip 75 liuksai, išskyrus geležinkelių statybos ir priežiūros riedmenyse – pastaruosiuose apšvieta yra didesnė kaip 60 liuksų.

2) 

Mašinistas atitinkama komanda gali įjungti atskirą mašinisto pulto skaitymo zonos apšvietimą, kurio užtikrinamą apšvietą galima reguliuoti iki didesnės nei 150 liuksų vertės.

3) 

Turi būti įrengtas atskiras reguliuojamas prietaisų apšvietimas.

4) 

Siekiant išvengti pavojingos painiavos su išoriniais valdymo signalais, mašinisto kabinoje negalima naudoti žalios spalvos šviesų arba apšvietimo, išskyrus įrengtas B klasės kabinos signalizavimo sistemas (kaip apibrėžta kontrolės, valdymo ir signalizacijos TSS).

4.2.9.2.    Priekinis stiklas

4.2.9.2.1.   Mechaninės savybės

1) 

Langų matmenys, vieta, forma ir apdaila (įskaitant apdailą priežiūros tikslais) yra tokie, kad netrukdytų mašinistui matyti išorės vaizdo (kaip apibrėžta 4.2.9.1.3.1 punkte) ir padėtų valdyti traukinį.

2) 

Mašinisto kabinos priekiniai stiklai yra atsparūs ore esančių objektų poveikiui, kaip nustatyta J-1 priedėlio 55 rodyklėje nurodytos specifikacijos 4.2.7 punkte, ir skilimui, kaip nustatyta tos pačios specifikacijos 4.2.9 punkte.

4.2.9.2.2.   Optinės savybės

1) 

Mašinisto kabinos priekinių stiklų kokybė yra tokia, kad šie stiklai neblogintų ženklų matomumo (neiškraipytų jų pavidalo ir spalvos) bet kokiomis naudojimo sąlygomis (pvz., įskaitant atvejus, kai priekinis stiklas šildomas siekiant pašalinti rasą ir šerkšną).

2) 

Sumontavus stiklą susidarantis kampas tarp pirminio ir antrinio vaizdo atitinka verčių ribas, nustatytas J-1 priedėlio 56 rodyklėje nurodytos specifikacijos 4.2.2 punkte.

3) 

Leidžiami optiniai vaizdo iškraipymai nustatyti J-1 priedėlio 56 rodyklėje nurodytos specifikacijos 4.2.3 punkte.

4) 

Stiklo drumstumas nustatytas J-1 priedėlio 56 rodyklėje nurodytos specifikacijos 4.2.4 punkte.

5) 

Šviesos pralaidumas nustatytas J-1 priedėlio 56 rodyklėje nurodytos specifikacijos 4.2.5 punkte.

6) 

Spalvis nustatytas J-1 priedėlio 56 rodyklėje nurodytos specifikacijos 4.2.6 punkte.

4.2.9.2.3.   Įranga

1) 

Turi būti įrengtos mašinisto valdomos priekinio stiklo ledo ir rasos pašalinimo, taip pat išorinės valymo priemonės.

2) 

Priekinio stiklo valymo įtaisų vieta, tipas ir kokybė mašinistui užtikrina galimybę aiškiai matyti išorės vaizdą beveik visomis orų ir naudojimo sąlygomis ir netrukdo jį matyti.

3) 

Įrengiama apsauga nuo saulės, kuri nuleista netrukdo mašinistui matyti išorinius ženklus, signalus ir kitą vaizdinę informaciją.

4.2.9.3.    Mašinisto ir įrangos sąsaja

4.2.9.3.1.   Mašinisto veiklos priežiūros funkcija

1) 

Mašinisto kabinoje įrengiama priemonė mašinisto veiklai stebėti ir traukiniui automatiškai sustabdyti, kai nustatoma, kad mašinistas nevykdo veiksmų. Naudodamasi šiomis riedmenyje esančiomis techninėmis priemonėmis, geležinkelio įmonė užtikrina, kad būtų įvykdytas traukinių eismo organizavimo ir valdymo TSS 4.2.2.9 punkto reikalavimas.

2) 

Mašinisto veiklos stebėjimo (ir veiksmų stokos nustatymo) priemonės specifikacija

Kai parengtas važiuoti traukinys juda (kaip judėjimo nustatymo kriterijus taikoma mažo greičio riba), stebima mašinisto veikla; stebint kontroliuojama, kaip mašinistas valdo pripažintas mašinisto sąsajas, kaip antai specialius įtaisus (pedalą, nuspaudžiamuosius arba liečiamuosius mygtukus ir t. t.) ir (arba) mašinisto sąsajas su traukinio valdymo ir stebėjimo sistema.

Jei ilgiau kaip X sekundžių nenustatoma jokių mašinisto veiksmų pripažintose mašinisto sąsajose, įjungiamas mašinisto veiksmų stokos režimas.

Sistemoje numatoma galimybė nustatyti (dirbtuvėse, atliekant techninės priežiūros darbus) X laikotarpį, kuris gali būti nuo 5 iki 60 sekundžių.

Mašinisto veiksmų stokos režimas įjungiamas ir tada, kai nustatoma, kad pripažintoje mašinisto sąsajoje nuolat atliekamas tas pats veiksmas ilgiau nei laikotarpį, kuris turi būti ne ilgesnis kaip 60 sekundžių, ir neatliekama jokių kitų veiksmų.

Prieš įjungiant mašinisto veiksmų stokos režimą, mašinistui duodamas įspėjamasis signalas, kad jis galėtų imtis atitinkamų veiksmų ir atstatyti pradinę sistemos būseną.

Sistemoje parengiamas pranešimas „nustatyta mašinisto veiksmų stoka“, kurį būtų galima perduoti kitoms sistemoms (pvz., radijo sistemai).

3) 

Papildomas reikalavimas

Bus atliekamas mašinisto veiksmų stokos nustatymo funkcijos patikimumo tyrimas, kurį vykdant bus atsižvelgiama į sudedamųjų dalių gedimų pobūdį, dubliavimą, programinę įrangą, periodinius patikrinimus ir kitas nuostatas, ir numatomas funkcijos trikčių dažnis (kai pirmiau nurodyta mašinisto veiksmų stoka nenustatoma) nurodomas 4.2.12 punkte nustatytuose techniniuose dokumentuose.

4) 

Veiksmų, kurie atliekami traukinyje įjungus mašinisto veiksmų stokos režimą, specifikacija

Kai parengtas važiuoti traukinys juda (kaip judėjimo nustatymo kriterijus taikoma mažo greičio ribinė vertė), nustačius mašinisto veiksmų stoką traukinyje visu pajėgumu įjungiamas paprastasis arba avarinis stabdys.

Jeigu visu pajėgumu įjungiamas paprastasis stabdys, jo veiksmingumas valdomas automatiškai, o jeigu jis neįsijungia, tuomet įsijungia avarinis stabdys.

5) 

Pastabos

— 
Leidžiama, kad šiame punkte aprašyta funkcija būtų vykdoma naudojant kontrolės, valdymo ir signalizacijos posistemį.
— 
Laiko X vertę turi nustatyti ir pagrįsti geležinkelio įmonė (taikoma traukinių eismo organizavimo ir valdymo TSS ir bendrasis saugos būdas ir atsižvelgiama į jos taikomą praktikos kodeksą ar atitikties reikalavimams priemones; neatitinka šios TSS taikymo srities).
— 
Kaip pereinamojo laikotarpio priemonę leidžiama įrengti fiksuoto X laikotarpio sistemą (kurioje laikotarpio keisti negalima), su sąlyga, kad tas laikotarpis X yra nuo 5 iki 60 sekundžių ir kad geležinkelio įmonė gali tą fiksuotą laikotarpį pagrįsti (kaip aprašyta pirmiau).
— 
Valstybė narė savo teritorijoje veikiančioms geležinkelio įmonėms gali nustatyti reikalavimą pritaikyti savo riedmenis, kad jie atitiktų didžiausią X laiko ribą, jei valstybė narė gali įrodyti, kad tai būtina siekiant išlaikyti joje esamą saugos lygį. Visais kitais atvejais valstybės narės negali neleisti naudotis tinklu geležinkelio įmonei, kuri taiko ilgesnį Z laiką (nustatytame intervale).

4.2.9.3.2.   Greičio rodymas

1) 

Ši funkcija ir atitinkamas atitikties vertinimas nustatyti kontrolės, valdymo ir signalizacijos TSS.

4.2.9.3.3.   Mašinisto vaizduoklis ir ekranai

1) 

Funkciniai reikalavimai, susiję su informacija ir komandomis, numatytomis mašinisto kabinoje, kartu su kitais reikalavimais, taikytinais konkrečiai funkcijai, nustatyti punkte, kuriame aprašoma atitinkama funkcija. Tas pats taikytina informacijai ir komandoms, kurios gali būti perduodamos naudojant vaizduoklius ir ekranus.

Europos geležinkelių eismo valdymo sistemos (ERTMS) informacija ir komandos, įskaitant perduodamas naudojant vaizduoklį, nustatytos kontrolės, valdymo ir signalizacijos TSS.

2) 

Informacija ir komandos, susijusios su šios TSS taikymo sritimi ir skirtos naudoti mašinistui, kad jis galėtų valdyti traukinį ir perduoti atitinkamas komandas, ir perduodamos naudojant vaizduoklius arba ekranus, suprojektuojamos taip, kad mašinistas galėtų tinkamai jas naudoti ir į jas reaguoti.

4.2.9.3.4.   Valdikliai ir rodytuvai

1) 

Funkciniai reikalavimai kartu su kitais reikalavimais, taikytinais konkrečiai funkcijai, nustatyti punkte, kuriame aprašoma atitinkama funkcija.

2) 

Visi šviesiniai rodytuvai suprojektuojami taip, kad juos būtų galima teisingai suprasti esant natūraliam arba dirbtiniam apšvietimui, įskaitant šalutinį apšvietimą.

3) 

Galimi šviečiančių rodytuvų ir mygtukų atspindžiai ant mašinisto kabinos langų nepatenka į įprastoje darbo vietoje esančio mašinisto apžvalgos lauką.

4) 

Siekiant išvengti pavojingos painiavos su išoriniais valdymo signalais, mašinisto kabinoje negalima naudoti žalios spalvos šviesų ir apšvietimo, išskyrus įrengtą B klasės kabinos signalizavimo sistemą (kaip nustatyta kontrolės, valdymo ir signalizacijos TSS).

5) 

Mašinisto kabinoje sumontuotos įrangos teikiamos garsinės informacijos garso lygis ne mažiau kaip 6 dB(A) viršija vidutinį kabinoje girdimo triukšmo lygį (šis triukšmo atskaitos lygis matuojamas triukšmo TSS nustatytomis sąlygomis).

4.2.9.3.5.   Ženklinimas

1) 

Mašinistų kabinose pateikiama tokia informacija:

— 
didžiausias greitis (Vmax),
— 
riedmens registracijos numeris (traukos riedmens numeris),
— 
nešiojamos įrangos (pvz., gelbėjimosi įrenginio, signalizavimo priemonių) vieta,
— 
avarinis išėjimas.
2) 

Valdikliams ir rodytuvams pažymėti kabinoje naudojamos suderintos piktogramos.

4.2.9.3.6.   Nuotolinio valdymo radijo bangomis funkcija, kuria naudojasi darbuotojai per manevravimo operacijas

1) 

Jeigu per manevravimo operacijas darbuotojas riedmenų vienetą gali valdyti nuotolinio valdymo radijo bangomis funkcija, ši funkcija suprojektuojama taip, kad darbuotojas galėtų saugiai valdyti traukinio judėjimą ir išvengti klaidų.

2) 

Daroma prielaida, kad nuotolinio valdymo funkcija besinaudojantis darbuotojas gali matyti traukinio judėjimą.

3) 

Nuotolinio valdymo funkcijos konstrukcija, įskaitant saugos aspektus, įvertinama pagal pripažintus standartus.

4.2.9.4.    Transporto priemonėje turimi įrankiai ir kilnojamoji įranga

1) 

Mašinisto kabinoje arba šalia jos paliekama vietos toliau nurodytai įrangai, kuri gali būti reikalinga mašinistui avarinėmis aplinkybėmis:

— 
nešiojamas žibintas, skleidžiantis raudoną ir baltą šviesą,
— 
trumpojo jungimo įranga, skirta geležinkelio kelio grandinėms,
— 
ratstabdžiai, jeigu stovėjimo stabdžio efektyvumo nepakanka dėl geležinkelio kelio nuolydžio (žr. 4.2.4.5.5 punktą „Stovėjimo stabdys“),
— 
gesintuvas (turi būti laikomas kabinoje; dar žr. 4.2.10.3.1 punktą),
— 
žmonių valdomuose prekinių traukinių traukos riedmenyse – gelbėjimosi aparatas, kaip nurodyta Geležinkelių tunelių saugos TSS (žr. Geležinkelių tunelių saugos TSS 4.7.1 punktą).

4.2.9.5.    Traukinio darbuotojų reikmėms skirtos sandėliavimo patalpos

1) 

Kiekvienoje mašinisto kabinoje yra:

— 
du kabliai drabužiams arba niša su drabužių pakaba,
— 
laisvas plotas 300 mm × 400 mm × 400 mm dydžio lagaminui arba krepšiui.

4.2.9.6.    Registravimo įtaisas

1) 

Informacijos, kuri turi būti registruojama, sąrašas nustatytas traukinių eismo organizavimo ir valdymo TSS.

2) 

Šiai informacijai registruoti riedmenų vienete įrengiamos priemonės, atitinkančios šiuos reikalavimus:

3) 

J-1 priedėlio 57 rodyklėje nurodytos specifikacijos 4.2.1, 4.2.2, 4.2.3 ir 4.2.4 punktuose nustatytus funkcinius reikalavimus.

4) 

Registravimo veikimo charakteristikos atitinka J-1 priedėlio 57 rodyklėje nurodytos specifikacijos 4.3.1.2.2 punkte nustatytas R1 klasės veikimo charakteristikas.

5) 

Užregistruotų ir nuskaitytų duomenų vientisumas (nuoseklumas, teisingumas) atitinka J-1 priedėlio 57 rodyklėje nurodytos specifikacijos 4.3.1.4 punkto reikalavimus.

6) 

Duomenų vientisumas užtikrinamas pagal J-1 priedėlio 57 rodyklėje nurodytos specifikacijos 4.3.1.5 punktą.

7) 

Apsaugotos laikmenos apsaugos lygis atitinka J-1 priedėlio 57 rodyklėje nurodytos specifikacijos 4.3.1.7 punkte nustatytą A lygį.

4.2.10.    Gaisrinė sauga ir evakuacija

4.2.10.1.    Bendrosios nuostatos ir skirstymas į kategorijas

1) 

Šis punktas taikomas visiems riedmenų vienetams.

2) 

Riedmenys turi būti suprojektuoti taip, kad kilus gaisro pavojui būtų užtikrinta riedmenyse esančių keleivių ir traukinio darbuotojų apsauga ir būtų užtikrinta galimybė veiksmingai juos evakuoti ir gelbėti įvykus avarijai. Laikoma, kad ši nuostata įvykdoma laikantis šios TSS reikalavimų.

3) 

Šios TSS 4.1.4 punkte apibrėžta riedmenų vieneto gaisrinės saugos kategorija, į kurią atsižvelgta projektuojant riedmenų vienetą, įrašoma šios TSS 4.2.12 punkte nurodytuose techniniuose dokumentuose.

4.2.10.2.    Gaisrinės saugos priemonės

4.2.10.2.1.   Reikalavimai medžiagoms

1) 

Medžiagos ir sudedamosios dalys pasirenkamos atsižvelgiant į jų savybes, kaip antai degumą, dūmų neskaidrumą ir toksiškumą.

2) 

Medžiagos, iš kurių gaminamas riedmenų vienetas, pagal J-1 priedėlio 58 rodyklėje nurodytos specifikacijos reikalavimus atitinka šias eksploatacines kategorijas:

— 
A kategorijos keleivinių riedmenų vienetų (įskaitant keleivinius lokomotyvus) – 2 eksploatacinę kategoriją,
— 
B kategorijos keleivinių riedmenų vienetų (įskaitant keleivinius lokomotyvus) – 3 eksploatacinę kategoriją,
— 
prekinių lokomotyvų ir savaeigių riedmenų vienetų, skirtų kitiems naudingiems kroviniams (paštui, kroviniams ir t. t.) vežti – 2 eksploatacinę kategoriją,
— 
geležinkelių statybos ir priežiūros riedmenų (reikalavimai taikomi tik srityse, kurios yra prieinamos traukinio darbuotojams, kai riedmenų vienetas yra parengtas važiuoti, žr. šios TSS 2.3 skirsnį) – 1 eksploatacinę kategoriją.
3) 

Siekiant užtikrinti pastovias gaminio savybes ir gamybos proceso nuoseklumą, reikalaujama, kad:

— 
sertifikatas, kuriuo įrodoma medžiagos atitiktis standartui ir kuris išduodamas iškart po tos medžiagos išbandymo, būtų peržiūrimas kas 5 metai,
— 
jei nepakito gaminio savybės ir gamybos procesas ir nebuvo pakeisti reikalavimai (TSS), atlikti naujus tos medžiagos bandymus nereikalaujama; reikia atnaujinti tik sertifikato išdavimo datą.

4.2.10.2.2.   Specialiosios degiesiems skysčiams taikomos priemonės

1) 

Geležinkelių riedmenyse turi būti numatytos priemonės, neleidžiančios kilti ir plėstis gaisrui dėl degiųjų skysčių arba dujų nutekėjimo.

2) 

Degieji skysčiai, naudojami kaip prekinių lokomotyvų aukštosios įtampos įrangos aušinamoji terpė, atitinka J-1 priedėlio 59 rodyklėje nurodytos specifikacijos R14 reikalavimą.

4.2.10.2.3.   Įkaitusių ašidėžių aptikimas

Reikalavimai nustatyti šios TSS 4.2.3.3.2 punkte.

4.2.10.3.    Gaisro aptikimo ir (arba) kontrolės priemonės

4.2.10.3.1.   Nešiojamieji gesintuvai

1) 

Šis punktas taikomas visiems riedmenų vienetams, kurie yra skirti keleiviams ir (arba) traukinio darbuotojams vežti.

2) 

Riedmenų vienete keleivių ir (arba) traukinio darbuotojų buvimo vietose įrengiami tinkami ir pakankami nešiojamieji gesintuvai.

3) 

Vandens ir priedų tipo gesintuvai laikomi tinkamais įrengti riedmenyse.

4.2.10.3.2.   Gaisro aptikimo sistemos

1) 

Riedmenų vieneto įrenginiuose ir srityse, kuriems būdingas gaisro pavojus, įrengiama ankstyvojo gaisro aptikimo sistema.

2) 

Aptikus gaisrą informuojamas mašinistas ir automatiškai pradedami tinkamai veiksmai, kad būtų kuo labiau sumažintas vėlesnis pavojus keleiviams ir traukinio darbuotojams.

3) 

Miegamosiose kupė aptikus gaisrą atitinkamoje srityje suaktyvinamas garsinis ir optinis vietos pavojaus signalas. Garsinis signalas turi būti pakankamas keleiviams pažadinti. Optinis signalas turi būti aiškiai matomas ir jo neturi užstoti kliūtys.

4.2.10.3.3.   Automatinė prekinių dyzelinių riedmenų vienetų gaisro gesinimo sistema

1) 

Šis punktas taikomas dyzeliniams prekiniams lokomotyvams ir dyzeliniams prekiniams savaeigiams riedmenų vienetams.

2) 

Šiuose riedmenų vienetuose įrengiama automatinė sistema, galinti aptikti dyzelino gaisrą, išjungti visus atitinkamus įrenginius ir nutraukti degalų tiekimą.

4.2.10.3.4.   Keleivinių riedmenų vienetų gaisro lokalizavimo ir valdymo sistemos

1) 

Šis punktas taikomas B kategorijos keleiviniams riedmenų vienetams.

2) 

Riedmenų vienete įrengiamos tinkamos karščio ir gaisro išlakų plitimo traukinyje valdymo priemonės.

3) 

Laikoma, kad atitiktis šiam reikalavimui užtikrinta, jei užtikrinama atitiktis šiems reikalavimams:

— 
Kiekvieno riedmenų vieneto kiekvienos transporto priemonės keleivių ir (arba) traukinio darbuotojų buvimo vietose ne rečiau kaip kas 30 metrų per visą skerspjūvį turi būti turi įrengtos pertvaros, kurių vientisumas išsaugomas bent 15 minučių (darant prielaidą, kad gaisras gali kilti bet kurioje pertvaros pusėje), arba kitos gaisro lokalizavimo ir valdymo sistemos (GLVS).
— 
Priešgaisrinės užtvaros, kurių atitiktis vientisumo ir karščio izoliacijos reikalavimams užtikrinama bent 15 minučių, riedmenų vienete įrengiamos šiose vietose (jei taikoma atitinkamam riedmenų vienetui):
— 
tarp mašinisto kabinos ir už jos esančios patalpos (daroma prielaida, kad gaisras kils už kabinos esančioje patalpoje),
— 
tarp vidaus degimo variklio skyriaus ir greta jo esančios keleivių ir (arba) traukinio darbuotojų patalpos (daroma prielaida, kad gaisras kyla vidaus degimo variklio skyriuje),
— 
tarp skyriaus, kuriame įrengta elektros tiekimo linija ir (arba) traukos grandinės įranga ir keleivių ir (arba) traukinio darbuotojų patalpos (daroma prielaida, kad gaisras kils elektros tiekimo linijos ir (arba) traukos grandinės įrangos skyriuje).
— 
Bandymas atliekamas pagal J-1 priedėlio 60 rodyklėje nurodytos specifikacijos reikalavimus.
4) 

Jeigu keleivių ir (arba) traukinio darbuotojų buvimo vietose įrengiamos ne pertvaros per visą skerspjūvį, o kitos GLVS, taikomi šie reikalavimai:

— 
jos įrengiamos kiekvienoje riedmenų vieneto transporto priemonėje, skirtoje keleiviams ir (arba) traukinio darbuotojams vežti,
— 
jos užtikrina, kad pavojingos koncentracijos liepsna ir dūmai riedmenų vienete esančiose keleivių ir (arba) traukinio darbuotojų zonose per 15 minučių nuo gaisro pradžios neišplis daugiau kaip 30 m.

Šio parametro vertinimas – neišspręstas klausimas.

5) 

Jei naudojamos kitos GLVS ir jų veikimas grindžiamas sistemų, sudedamųjų dalių arba funkcijų patikimumu ir prieinamumu, bus atliekamas jų patikimumo tyrimas, kurį vykdant bus atsižvelgiama į sudedamųjų dalių gedimų pobūdį, dubliavimą, programinę įrangą, periodinius patikrinimus ir kitas nuostatas, ir numatomas funkcijos trikčių dažnis (kai karščio ir gaisro išlakų plitimas nevaldomas) nurodomas 4.2.12 punkte aprašytuose techniniuose dokumentuose.

Remiantis šiuo tyrimu bus nustatytos ir 4.2.12.3 ir 4.2.12.4 punktuose aprašytuose techniniuose dokumentuose pateiktos GLVS naudojimo ir techninės priežiūros sąlygos.

4.2.10.3.5.   Prekinių lokomotyvų ir prekinių savaeigių riedmenų vienetų apsaugos nuo gaisro plitimo priemonės

1) 

Šis punktas taikomas prekiniams lokomotyvams ir prekiniams savaeigiams riedmenų vienetams.

2) 

Šiuose riedmenų vienetuose turi būti priešgaisrinė užtvara mašinisto kabinai apsaugoti.

3) 

Šių priešgaisrinių užtvarų atitiktis vientisumo ir karščio izoliacijos reikalavimams užtikrinama bent 15 minučių; jų bandymas atliekamas pagal J-1 priedėlio 61 rodyklėje nurodytos specifikacijos reikalavimus.

4.2.10.4.    Avarijos atvejais taikomi reikalavimai

4.2.10.4.1.   Avarinis apšvietimas

1) 

Kad avarijos atveju traukinyje būtų užtikrinama apsauga ir sauga, traukiniuose įrengiama avarinio apšvietimo sistema. Ši sistema užtikrina tinkamą keleivių ir tarnybinių zonų apšvietimo lygį:

2) 

riedmenų vienetuose, kurių projektinis greitis 250 km/h arba didesnis – ne trumpiau kaip tris valandas po pagrindinio energijos tiekimo nutrūkimo;

3) 

riedmenų vienetuose, kurių projektinis greitis mažesnis kaip 250 km/h – ne trumpiau kaip 90 minučių po pagrindinio energijos tiekimo nutrūkimo;

4) 

grindų lygyje užtikrina bent 5 liuksų apšviestumo lygį;

5) 

konkrečių sričių apšviestumo lygio vertės ir atitikties vertinimo metodai nustatyti J-1 priedėlio 62 rodyklėje nurodytoje specifikacijoje.

6) 

Gaisro atveju avarinė apšvietimo sistema turi bent 20 minučių užtikrinti bent 50 % avarinio apšvietimo transporto priemonėse, kurių nepaveikė gaisras. Laikoma, kad atitiktis šiam reikalavimui užtikrinta, jei gedimo pobūdžio analizės rezultatas yra teigiamas.

4.2.10.4.2.   Dūmų kontrolė

1) 

Šis punktas taikomas visiems riedmenų vienetams. Kad kilus gaisrui dūmų plitimas į keleivių ir (arba) traukinio darbuotojų buvimo vietas būtų kuo labiau sumažintas, taikomi šie reikalavimai:

2) 

Kad dūmai iš lauko nepatektų į riedmenų vienetą, turi būti galima išjungti arba uždaryti visas išorinio vėdinimo priemones.

Riedmenų posistemio atitiktis šiam reikalavimui tikrinama riedmenų vieneto lygmeniu.

3) 

Kad neplistų transporto priemonėje esantys dūmai, turi būti galima išjungti transporto priemonės vėdinimą ir recirkuliaciją – tai gali būti pasiekta išjungiant ventiliaciją.

4) 

Leidžiama, kad šiuos veiksmus rankiniu būdu atliktų traukinio darbuotojai, arba atlikti juos naudojant nuotolinį valdymą; šie veiksmai gali būti aktyvinami traukinio arba transporto priemonės lygmeniu.

5) 

Riedmenų vienetų, kuriuos numatoma naudoti linijose, kuriose įrengta geležinkelio kelio ETCS sistema valdymo ir signalizavimo informacijai (įskaitant sandarumo informaciją, kaip aprašyta kontrolės, valdymo ir signalizacijos TSS A priedo 7 rodyklėje) perduoti, riedmenų vienete įrengta valdymo sistema turi galėti iš ETCS sistemos priimti informaciją apie sandarumą.

4.2.10.4.3.   Pavojaus signalas keleiviams ir ryšio priemonės

Reikalavimai nustatyti šios TSS 4.2.5.2, 4.2.5.3 ir 4.2.5.4 punktuose.

4.2.10.4.4.   Tinkamumas važiuoti

1) 

Šis punktas taikomas A ir B kategorijų keleiviniams riedmenų vienetams (įskaitant keleivinius lokomotyvus).

2) 

Riedmenų vienetas suprojektuojamas taip, kad, jame kilus gaisrui, būtų užtikrinamas traukinio tinkamumas važiuoti iki tinkamo gaisro gesinimo punkto.

3) 

Atitiktis įrodoma taikant J-1 priedėlio 63 rodyklėje nurodytą specifikaciją; sistemos funkcijos, kurioms daro poveikį 2 tipo gaisras:

— 
A kategorijos gaisrinės saugos riedmenų stabdymas – vertinant šios funkcijos veikimo trukmė yra 4 minutės,
— 
B kategorijos gaisrinės saugos riedmenų vienetų stabdymas ir trauka – vertinant šių funkcijų veikimo trukmė yra 15 minučių važiuojant bent 80 km/h greičiu.

4.2.10.5.    Su evakuacija susiję reikalavimai

4.2.10.5.1.   Avariniai keleivių išėjimai

1) 

Šis skirsnis taikomas riedmenų vienetams, skirtiems vežti keleivius.

Apibrėžtys ir paaiškinimai

2) 

Avarinis išėjimas – traukinyje įrengta priemonė, traukinyje esantiems žmonėms suteikianti galimybę išlipti iš traukinio įvykus avarijai. Vienas iš tipinių avarinių išėjimų yra išorinės keleiviams skirtos durys.

3) 

Perėjimo takas – per visą traukinį įrengtas takas, į kurį galima patekti iš įvairių pusių ir išeiti į skirtingas puses ir kuriuo keleiviai ir traukinio darbuotojai gali nekliudomai judėti išilgai traukinio. Laikoma, kad perėjimo take įrengtos vidinės durys, kuriomis įprastai naudojasi keleiviai ir kurias galima atidaryti ir tada, kai energijos tiekimas nutrūksta, netrukdo laisvai judėti keleiviams ir traukinio darbuotojams.

4) 

Keleivių zona – zona, į kurią keleiviai gali patekti be specialaus leidimo.

5) 

Kupė – keleiviams arba traukinio darbuotojams skirta zona, kurios negalima naudoti kaip atitinkamai keleiviams arba traukinio darbuotojams skirto perėjimo tako.

Reikalavimai

6) 

Išilgai perėjimo tako abiejose riedmenų vieneto pusėse įrengiama pakankamai avarinių išėjimų; jie atitinkamai pažymimi. Jie turi būti prieinami ir pakankamo dydžio, kad pro juos galėtų išsilaisvinti žmonės.

7) 

Keleivis turi turėti galimybę atidaryti traukinio avarinį išėjimą iš vidaus.

8) 

Visose išorinėse keleiviams skirtose duryse turi būti avariniai atidarymo įtaisai, suteikiantys galimybę naudotis tomis durimis kaip avariniu išėjimu (žr. 4.2.5.5.9 punktą).

9) 

Kiekvienoje transporto priemonėje, kurios projektinė talpa ne daugiau kaip 40 keleivių, turi būti ne mažiau kaip du avariniai išėjimai.

10) 

Kiekvienoje transporto priemonėje, kurios projektinė talpa daugiau kaip 40 keleivių, turi būti ne mažiau kaip trys avariniai išėjimai.

11) 

Kiekvienoje vežti keleivius skirtoje transporto priemonėje turi būti bent po vieną avarinį išėjimą kiekvienoje transporto priemonės pusėje.

12) 

Durų skaičius ir matmenys yra tokie, kad keleiviams būtų užtikrinta galimybė visiškai evakuotis per tris minutes be savo bagažo. Leidžiama daryti prielaidą, kad keleiviams su judėjimo negalia padės kiti keleiviai arba traukinio darbuotojai, ir kad invalido vežimėliais besinaudojantys asmenys bus evakuoti be savo vežimėlių.

Atitiktis šiam reikalavimui patikrinama atliekant fizinį bandymą įprastomis veiklos sąlygomis.

4.2.10.5.2.   Mašinisto kabinos avariniai išėjimai

Reikalavimai nustatyti šios TSS 4.2.9.1.2.2 punkte.

4.2.11.    Paranga

4.2.11.1.    Bendrosios nuostatos

1) 

Siekiant užtikrinti saugų naudojimą nuo vienos techninės priežiūros iki kitos, turi būti įmanoma atlikti parangos ir smulkaus remonto darbus traukiniui stovint atsarginiame kelyje toli nuo įprasto parangos centro.

2) 

Šioje dalyje pateikti reikalavimai, susiję su geležinkelių tinkle naudojamų arba šio tinklo atsarginiuose keliuose stovinčių traukinių parangos darbais. Daugeliu šių reikalavimų siekiama užtikrinti, kad riedmenyse būtų įranga, kurios reikia, kad riedmenys atitiktų kituose šios TSS ir infrastruktūros TSS skirsniuose nustatytus reikalavimus.

3) 

Traukinius turi būti galima palikti atsarginiame bėgių kelyje be traukinio ir lokomotyvo brigados narių, jiems tiekiant elektrą iš kontaktinio tinklo ar pagalbinio elektros šaltinio, kad veiktų apšvietimo, oro kondicionavimo sistemos, šaldytuvai ir t. t.

4.2.11.2.    Traukinių išorės valymas

4.2.11.2.1.   Mašinisto kabinos priekinio stiklo valymas

1) 

Šis punktas taikomas visiems riedmenų vienetams su mašinisto kabina.

2) 

Mašinistų kabinų priekinius langus turi būti įmanoma nuvalyti iš išorės, nenuimant nė vienos sudedamosios dalies ar dangčio.

4.2.11.2.2.   Išorės valymas plovykloje

1) 

Šis punktas taikomas visiems riedmenų vienetams, kuriuose yra traukos įranga ir kurių išorę numatyta valyti plovykloje.

2) 

Užtikrinama, kad traukiniai, kuriuos ketinama plauti lygiame geležinkelio kelyje įrengtose plovyklose, galėtų važiuoti 2–5 km/h greičiu. Šiuo reikalavimu siekiama užtikrinti suderinamumą su plovyklomis.

4.2.11.3.    Jungtis su tualeto nuotekų šalinimo sistema

1) 

Šis punktas taikomas riedmenų vienetams su sandariomis laikymo sistemomis (jose naudojamas švarus arba recirkuliacijos vanduo), kurias reikia ištuštinti pakankamais intervalais pagal tvarkaraštį paskirtuose depuose.

2) 

Toliau išvardytos riedmenų vieneto jungtys su tualeto nuotekų šalinimo sistema atitinka šias specifikacijas:

— 
3 colių nuotekų šalinimo atvamzdis (vidinė dalis) – žr. G-1 priedėlį.
— 
Tualeto bakelio (vidinės dalies) nuplovimo jungtis, kurią naudoti neprivaloma – žr. G-1 priedėlį.

4.2.11.4.    Vandens pildymo įranga

1) 

Šis punktas taikomas visiems riedmenų vienetams, kuriuose įrengti šios TSS 4.2.5.1 punkte nurodyti vandens čiaupai.

2) 

Sąveiką užtikrinančiame tinkle iki riedmens pildymo sąsajos įrenginio į traukinį tiekiamas vanduo laikomas geriamu vandeniu, atitinkančiu Direktyvos 98/83/EB reikalavimus, kaip nurodyta INF TSS 4.2.12.4 punkte.

Traukinyje sumontuota vandens laikymo įranga turi nekelti didesnės rizikos žmonių sveikatai, nei rizika, susijusi su vandens laikymu pagal pirmiau nurodytas nuostatas. Atitiktis šiam reikalavimui nustatoma vertinant vamzdžių ir sandarinimo įtaisų medžiagas ir kokybę. Medžiagos turi būti pritaikytos geriamajam vandeniui gabenti ir laikyti.

4.2.11.5.    Vandens pildymo sąsaja

1) 

Šis punktas taikomas visiems riedmenų vienetams, kuriuose įrengtas vandens bakas, iš kurio tiekiamas vanduo šios TSS 4.2.5.1 punkte nurodytoms sanitarinėms sistemoms.

2) 

Vandens bakų įleidžiamoji jungtis atitinka J-1 priedėlio 64 rodyklėje nurodytos specifikacijos 1 pav.

4.2.11.6.    Specialūs traukinių statymo į atsarginį kelią reikalavimai

1) 

Šis punktas taikomas visiems riedmenų vienetams, kuriems numatyta tiekti energiją kai jie stovi atsarginiame kelyje.

2) 

Riedmenų vienetas turi būti suderinamas bent su viena iš toliau išvardytų išorės energijos tiekimo sistemų, ir jame turi būti įrengta (kai taikoma) atitinkamos elektrinės jungties sąsaja su ta išorės energijos tiekimo sistema (kištukas):

3) 

elektros energijos tiekimo kontaktine linija (žr. 4.2.8.2.9 punktą „Su pantografu susiję reikalavimai“;

▼M3

4) 

Vienpolė energijos tiekimo linija (1 kV kintamosios srovės, 1,5 kV kintamosios arba nuolatinės srovės, 3 kV nuolatinės srovės) pagal J-1 priedėlio 111 rodyklėje nurodytą specifikaciją.

▼B

5) 

vietos išorine pagalbine 400 V energijos tiekimo sistema, kurioje naudojami lizdai „3 fazės ir įžeminimas“ pagal J-1 priedėlio 65 rodyklėje nurodytą specifikaciją.

4.2.11.7.    Degalų pildymo įranga

1) 

Šis punktas taikomas visiems riedmenų vienetams, kuriuose įrengta degalų pildymo sistema.

2) 

Traukiniuose, kuriuose naudojami dyzeliniai degalai pagal Europos Parlamento ir Tarybos direktyvos 2009/30/EB ( 7 ) II priedą, abiejose transporto priemonės pusėse ne didesniame kaip 1 500 mm aukštyje nuo bėgių lygio įrengiamos degalų pildymo jungtys; jos yra apskritos, ne mažesnio kaip 70 mm skersmens.

3) 

Traukiniuose, kuriuose naudojami kitos rūšies dyzeliniai degalai, anga ir degalų bakas įrengiami taip, kad nebūtų galima netyčia pripildyti netinkamos rūšies degalų.

4) 

Degalų pildymo jungties tipas nurodomas techniniuose dokumentuose.

4.2.11.8.    Traukinio vidaus valymas. Elektros energijos tiekimas

1) 

Riedmenų vienetuose, kurių projektinis greitis 250 km/h arba didesnis, įrengiamos vidinės 3 000 VA galios 230 V 50 Hz elektros energijos tiekimo jungtys; jos išdėstomos taip, kad bet kuri riedmenų vieneto dalis, kurią reikia valyti, būtų ne toliau kaip 12 metrų nuo vieno iš lizdų.

4.2.12.    Naudojimo ir techninės priežiūros dokumentai

1) 

Šiame (4.2.12) punkte nustatyti reikalavimai taikomi visiems riedmenų vienetams.

4.2.12.1.    Bendrosios nuostatos

1) 

Šiame (4.2.12) TSS punkte aprašomi dokumentai, kurių reikalaujama pagal ►M3  Direktyvos 2008/57/EB VI priedo 2.4 punktą ◄ (punktas „Techninė byla“): „su projektu susijusios techninės charakteristikos, įskaitant atitinkamo posistemio bendruosius ir detalius projektinius brėžinius, elektrines ir hidraulines schemas, valdymo grandynus, duomenų apdorojimo ir automatinių sistemų aprašymą, eksploatavimo ir techninės priežiūros dokumentus ir t. t.“

▼M3

2) 

Šiuos dokumentus, kaip techninės bylos dalį, parengia pareiškėjas, ir jie turi būti pridėti prie EB patikros deklaracijos. Juos visą posistemio naudojimo laikotarpį saugo pareiškėjas.

▼M3

3) 

Šių dokumentų dalį, būtiną techninės priežiūros dokumentavimui valdyti, kaip apibrėžta Europos Parlamento ir Tarybos direktyvos (ES) 2016/798 ( 8 ) 14 straipsnio 3 dalies b punkte, pareiškėjas arba bet kuris jo įgaliotas subjektas (pvz., prižiūrėtojas) nedelsdamas pateikia už techninę priežiūrą atsakingam subjektui, kai tik šis paskiriamas vykdyti riedmenų vieneto techninę priežiūrą.

▼M3

4) 

Į dokumentus įtraukiamas ir saugai kritiškai svarbių sudedamųjų dalių sąrašas. Saugai kritiškai svarbios sudedamosios dalys yra tos, kurių pavienis gedimas gali tiesiogiai lemti katastrofą, apibrėžtą Direktyvos (ES) 2016/798 3 straipsnio 12 dalyje.

5) 

Dokumentų turinys aprašytas tolesniuose punktuose.

▼B

4.2.12.2.    Bendrieji dokumentai

Turi būti pateikti šie riedmens apibūdinimo dokumentai:

1) 

bendrieji brėžiniai;

2) 

elektrinės, pneumatinės ir hidraulinės schemos, valdymo grandynų schemos, reikalingos atitinkamų sistemų veikimui ir naudojimui paaiškinti;

3) 

riedmenyje įdiegtų kompiuterizuotų sistemų aprašymas, įskaitant funkcinių galimybių aprašymą, sąsajų, duomenų apdorojimo ir protokolų specifikacijas;

▼M3

3a) 

jei riedmenų vienetai yra skirti ir vertinami bendrojo naudojimo tikslais, tai apima elektros sąsajos tarp riedmenų vienetų ir ryšio protokolų aprašymą remiantis standartais arba kitais naudotais normatyviniais dokumentais. Ryšio protokolai (jei naudojami) atitinka J-1 priedėlio 112 rodyklėje nurodytą specifikaciją.

▼B

4) 

etaloninis profilis ir atitiktis pagal sąveikumo etaloninius gabaritus G1, GA, GB, GC ar DE3, kaip reikalaujama 4.2.3.1 punkte;

5) 

masės balansas su atitinkamų apkrovos sąlygų prielaidomis, kaip reikalaujama 4.2.2.10 punkte;

6) 

ašių apkrova ir tarpai tarp ašių, kaip reikalaujama 4.2.3.2.1 punkte;

7) 

dinaminių važiavimo savybių bandymo ataskaita, įskaitant įrašą apie bandomojo kelio kokybę ir kelio apkrovos parametrus, taip pat galimus naudojimo apribojimus, jei riedmenų vieneto bandymas apima tik dalį 4.2.3.4.2 punkte reikalaujamų bandymo sąlygų;

8) 

važiuojant vežimėliui susidarančių apkrovų vertinimo prielaidos, kaip reikalaujama 4.2.3.5.1 punkte ir 6.2.3.7 punkte (aširačiams);

9) 

stabdymo efektyvumas, įskaitant gedimo pobūdžio analizę (suprastėjusių sąlygų režimas), kaip reikalaujama 4.2.4.5 punkte;

▼M3

9a) 

didžiausias atstumas tarp sūkurinių srovių bėginio stabdžio ir bėgio, atitinkantis padėtį „stabdys išjungtas“, nustatyta greičio ribinė vertė, vertikali jėga ir stabdymo jėga kaip traukinio greičio funkcija, kai sūkurinių srovių bėginis stabdys nuspaudžiamas iki galo (avarinis stabdymas) ir kai jis naudojamas ribotai (paprastasis stabdymas), kaip reikalaujama 4.2.4.8.3 punkte.

▼B

10) 

tualetų buvimas riedmenų vienete ir jų tipas, nuleidžiamosios medžiagos savybės (jeigu tai nėra švarus vanduo), išleidžiamo vandens valymo sistemos pobūdis ir atitikties vertinimo standartai, kaip reikalaujama 4.2.5.1 punkte;

11) 

priemonės, kurių imtasi atsižvelgiant į pasirinktą aplinkosaugos parametrų intervalą, jeigu jis skiriasi nuo vardinio, kaip reikalaujama 4.2.6.1 punkte;

12) 

būdingoji vėjo kreivė (CWC), kaip reikalaujama 4.2.6.2.4 punkte;

13) 

traukos savybės, kaip reikalaujama 4.2.8.1.1 punkte;

▼M2

14) 

ar riedmenų vienete įrengta energijos matavimo sistema ir riedmens buvimo vietos nustatymo funkcija (neprivaloma), kaip reikalaujama 4.2.8.2.8 punkte; riedmens ir antžeminių tarnybų ryšio apibūdinimas ir metrologinė kontrolė, įskaitant funkcijas, susijusias su įtampos ir srovės matavimo ir energijos apskaičiavimo tikslumo klasėmis;

▼B

15) 

prielaidos ir duomenys, naudojami atliekant suderinamumo su kintamosios srovės sistemomis tyrimą, kaip reikalaujama 4.2.8.2.7 punkte;

16) 

pantografų, kurie vienu metu liečia orinės kontaktinės linijos (OKL) įrangą, tarpai tarp jų ir OKL projektinio atstumo tipas (A, B arba C), taikyti atliekant vertinimo bandymus, kaip reikalaujama 4.2.8.2.9.7 punkte.

4.2.12.3.    Su technine priežiūra susiję dokumentai

1) 

Techninė priežiūra – tai veiksmai, kuriais siekiama išsaugoti arba atkurti tam tikrą riedmenų vieneto funkcinių savybių lygį, kuriam esant riedmenų vienetas galėtų atlikti reikiamą funkciją, nuolat užtikrinant saugos sistemų vientisumą ir atitiktį taikomiems standartams.

Kad būtų galima atlikti riedmens techninės priežiūros darbus, pateikiama tokia informacija:

▼M3

2) 

Techninės priežiūros planą pagrindžiantis dokumentų rinkinys – jame paaiškinta, kaip apibrėžiami ir planuojami techninės priežiūros darbai, kuriais siekiama užtikrinti, kad riedmens savybės per visą naudojimo laikotarpį atitiktų priimtinas eksploatacines ribas.

Techninės priežiūros planą pagrindžiančiame dokumentų rinkinyje pateikiami duomenys, kuriais remiantis būtų galima nustatyti patikros kriterijus ir techninės priežiūros darbų periodiškumą;

3) 

Techninės priežiūros darbų aprašomųjų dokumentų rinkinys – jame paaiškinta, kaip rekomenduojama atlikti techninės priežiūros darbus.

▼B

4.2.12.3.1.   Techninės priežiūros planą pagrindžiantis dokumentų rinkinys

Techninės priežiūros planą pagrindžiančiame dokumentų rinkinyje pateikiama:

1) 

precedentai, principai ir metodai, kuriais remiamasi planuojant riedmenų vieneto techninės priežiūros darbus;

▼M3

1a) 

precedentai, principai ir metodai, kuriais remiantis nustatomos saugai svarbios sudedamosios dalys ir konkretūs joms keliami naudojimo, techninės priežiūros, priežiūros ir atsekamumo reikalavimai.

▼B

2) 

naudojimo modelis – riedmenų vieneto įprasto naudojimo ribos (pvz., km/mėn., klimato apribojimai, leidžiamų apkrovų tipai ir t. t.);

3) 

svarbūs duomenys, naudoti planuojant techninės priežiūros darbus, ir jų kilmė (sukaupta patirtis);

4) 

planuojant techninės priežiūros darbus atlikti bandymai, tyrimai ir skaičiavimai.

Techninės priežiūros darbams reikalingos priemonės (įrenginiai, įrankiai ir t. t.) aprašytos 4.2.12.3.2 punkte („Techninės priežiūros darbų aprašomųjų dokumentų rinkinys“).

4.2.12.3.2.   Techninės priežiūros darbų aprašomųjų dokumentų rinkinys

1) 

Techninės priežiūros darbų aprašomųjų dokumentų rinkinyje paaiškinama, kaip atlikti techninės priežiūros darbus.

2) 

Techninės priežiūros darbai apima visus reikiamus darbus, pavyzdžiui, patikras, stebėjimą, bandymus, dalių keitimą, reguliavimą, taisymą.

3) 

Techninės priežiūros darbai skirstomi į:

— 
profilaktinę techninę priežiūrą, kuri vykdoma pagal numatytą tvarkaraštį ir kontroliuojama,
— 
korekcinę techninę priežiūrą.

Techninės priežiūros darbų aprašomųjų dokumentų rinkinyje pateikiama:

4) 

sudedamųjų dalių hierarchijos ir funkcijų aprašas – hierarchija nustatomos geležinkelių riedmenų ribos pagal visų to geležinkelių riedmens gaminio struktūros priklausinių sąrašą, taikant atitinkamus diskrečius lygius. Žemiausias hierarchijos elementas turi būti keičiamas įrenginys;

5) 

grandynų schemos, sujungimo schemos ir elektrinės schemos;

6) 

dalių sąrašas – jame pateikiamas techninis ir funkcinis atsarginių dalių (keičiamų vienetų) aprašymas.

Sąraše turi būti nurodytos visos dalys, kurias reikia pakeisti pagal tam tikrą sąlygą, gali reikėti pakeisti po elektrinio arba mechaninio gedimo arba numatyta pakeisti dėl atsitiktinio pažeidimo (pvz., priekinis stiklas).

Sąveikos sudedamosios dalys nurodomos pateikiant nuorodą į atitinkamą jų atitikties deklaraciją;

▼M3

6a) 

saugai svarbių sudedamųjų dalių sąrašas: Saugai svarbių sudedamųjų dalių sąraše reikia nurodyti konkrečius techninei priežiūrai, priežiūrai ir techninės priežiūros/priežiūros atsekamumui keliamus reikalavimus.

▼B

7) 

nurodomos sudedamųjų dalių ribinės vertės, kurių naudojant negalima viršyti; leidžiama nurodyti naudojimo apribojimus, taikomus suprastėjusių sąlygų režimu (pasiekus ribinę vertę);

8) 

Europos teisiniai įpareigojimai – jeigu sistemoms arba jų sudedamosioms dalims taikomi specialūs Europos teisiniai įpareigojimai, jie išvardijami;

9) 

pareiškėjo siūlomas techninei priežiūrai įgyvendinti taikytinas struktūrinis užduočių rinkinys, įskaitant darbus, procedūras ir priemones;

10) 

techninės priežiūros darbų aprašymas.

Dokumentuose turi būti nurodomi šie aspektai (kai jie yra specifiniai):

— 
išmontavimo ir (arba) surinkimo instrukcijos ir brėžiniai, reikalingi norint tinkamai surinkti ir (arba) išmontuoti keičiamas dalis,
— 
techninės priežiūros kriterijai,
— 
tikrinimai ir bandymai,
— 
užduočiai atlikti būtini įrankiai ir medžiagos (specialieji įrankiai),
— 
užduočiai atlikti būtinos sunaudojamosios medžiagos,
— 
asmens saugos nuostatos ir individualios saugos priemonės (specialiosios);
11) 

būtini bandymai ir procedūros, kuriuos reikia atlikti po kiekvienos techninės priežiūros operacijos prieš vėl pradedant riedmenį naudoti;

12) 

visomis pagrįstai numatomomis aplinkybėmis pasitaikančių gedimų šalinimo (gedimų nustatymo) vadovai arba priemonės, įskaitant sistemų funkcines diagramas ir schemas arba informacinėmis technologijomis grindžiamas gedimų paieškos sistemas.

4.2.12.4.    Naudojimo dokumentai

Riedmenų vienetui naudoti būtinus techninius dokumentus sudaro:

▼M3

1) 

naudojimo įprastu režimu aprašymas, įskaitant riedmenų vieneto eksploatacines savybes ir naudojimo apribojimus (pvz., transporto priemonės gabaritą, didžiausią projektinį greitį, ašių apkrovas, stabdymo efektyvumą, kelio vėžės pakeitimo įrenginio (-ių), su kuriuo (-iais) riedmenų vienetas yra suderinamas, tipą (-us) ir naudojimą...);

▼B

2) 

įvairių pagrįstai tikėtinų suprastėjusių sąlygų režimų, taikomų saugos požiūriu svarbių šioje TSS aprašytų įrangos arba funkcijų trikčių atveju, aprašymas, nurodant susijusias priimtinas ribas ir galimas riedmenų vieneto naudojimo sąlygas;

3) 

valdymo ir stebėjimo sistemų, kuriomis užtikrinama galimybė nustatyti svarbius šioje TSS (pvz., su stabdymo funkcija susijusiame 4.2.4.9 punkte) aprašytos įrangos gedimus arba funkcijų sutrikimus, aprašymas.

▼M3

3a) 

Saugai svarbių sudedamųjų dalių sąrašas: Saugai svarbių sudedamųjų dalių sąraše reikia nurodyti konkrečius naudojimui ir atsekamumui keliamus reikalavimus.

▼B

4) 

Šie techniniai naudojimo dokumentai įtraukiami į techninę bylą.

4.2.12.5.    Kėlimo schema ir nurodymai

Dokumentuose pateikiama:

1) 

kėlimo keltuvu ir kėlikliais aprašymas ir susiję nurodymai;

2) 

kėlimo keltuvu ir kėlikliais sąsajų aprašymas.

4.2.12.6.    Gelbėjimo darbų aprašymai

Dokumentuose pateikiama:

1) 

avarinių priemonių ir susijusių atsargumo priemonių taikymo procedūrų, pavyzdžiui, avarinių išėjimų naudojimo, įėjimo į riedmenis gelbėjimo tikslais, stabdžių atjungimo, elektros įžeminimo, vilkimo, aprašymas;

2) 

aprašytų avarinių priemonių taikymo poveikis, pavyzdžiui, stabdymo efektyvumo pablogėjimas atjungus stabdžius.

4.3.    Funkcinės ir techninės sąsajų specifikacijos

4.3.1.    Sąsaja su energijos posistemiu



6 lentelė

Sąsaja su energijos posistemiu

Lokomotyvų ir keleivinių riedmenų TSS nuoroda

 

Energijos TSS nuoroda

 

Parametras

Punktas

Parametras

Punktas

Gabaritai

4.2.3.1

Pantografo gabaritas

4.2.10

Pantografo vežimėlio geometrinės savybės

4.2.8.2.9.2

D priedėlis

Naudojimas tam tikrame įtampų ir dažnių intervale

4.2.8.2.2

Įtampa ir dažnis

4.2.3

 

 

Su tiekimo sistemos eksploatacinėmis savybėmis susiję parametrai:

 

—  Stipriausia srovė, tiekiama iš OKL

4.2.8.2.4

—  Didžiausia traukinio srovė

4.2.4

—  Galios faktorius

4.2.8.2.6

—  Galios faktorius

4.2.4

 

 

—  Vidutinė naudingoji įtampa

4.2.4

—  Stipriausia srovė traukiniui stovint

4.2.8.2.5

—  Srovė traukiniui stovint (NS sistema)

4.2.5

Rekuperacinis stabdys, atiduodantis energiją į orinę kontaktinę liniją

4.2.8.2.3

Rekuperacinis stabdymas

4.2.6

Elektros energijos suvartojimo matavimo funkcija

4.2.8.2.8

Antžeminė energijos apskaitos duomenų rinkimo sistema

4.2.17

—  Pantografo aukštis

4.2.8.2.9.1

Orinės kontaktinės linijos geometrija

4.2.9

—  Pantografo vežimėlio geometrinės savybės

4.2.8.2.9.2

Kontaktinio intarpo medžiaga

4.2.8.2.9.4

Kontaktinio tinklo laido medžiaga

4.2.14

Statinė pantografo prispaudžiamoji jėga

4.2.8.2.9.5

Vidutinė pantografo prispaudžiamoji jėga

4.2.11

Pantografo prispaudžiamoji jėga ir dinaminės savybės

4.2.8.2.9.6

Dinaminės savybės ir srovės ėmimo kokybė

4.2.12

Pantografų išdėstymas

4.2.8.2.9.7

Atstumas tarp pantografų

4.2.13

Važiavimas per fazių arba sistemų atskyrimo ruožus

4.2.8.2.9.8

Atskyrimo ruožai:

 

—  fazių

4.2.15

—  sistemų

4.2.16

Traukinio elektros įrenginių apsauga

4.2.8.2.10

Elektros įrenginių apsaugos koordinavimo priemonės

4.2.7

Kintamosios srovės sistemų energijos tiekimo triktys

4.2.8.2.7

Harmonikos ir dinaminis poveikis KS traukos elektros energijos tiekimo sistemoms

4.2.8

4.3.2.    Sąsaja su infrastruktūros posistemiu

▼M3



7 lentelė

Sąsaja su infrastruktūros posistemiu

Lokomotyvų ir keleivinių riedmenų TSS nuoroda

 

Infrastruktūros TSS nuoroda

 

Parametras

Punktas

Parametras

Punktas

Riedmenų kinematinis gabaritas

4.2.3.1

Inžinerinių statinių artumo gabaritas

4.2.3.1

Atstumas tarp gretimų kelių ašių

4.2.3.2

Mažiausias stačiosios kreivės spindulys

4.2.3.5

Ašies apkrovos parametras

4.2.3.2.1

Kelio atsparumas vertikaliosioms apkrovoms

4.2.6.1

Šoninis kelio atsparumas

Naujų tiltų atsparumas eismo apkrovoms

4.2.6.3

4.2.7.1

Ekvivalentinė vertikalioji naujų sankasų apkrova ir grunto slėgio poveikis

4.2.7.2

Eksploatuojamų tiltų ir sankasų atsparumas eismo apkrovoms

4.2.7.4

Važiavimo dinaminės savybės

4.2.3.4.2.

Dviejų bėgių aukščių skirtumo horizontalia kryptimi stygius

4.2.4.3

Važiavimo dinaminių savybių ribinės vertės atsižvelgiant į geležinkelio kelio apkrovą

4.2.3.4.2.2

Kelio atsparumas vertikaliosioms apkrovoms

4.2.6.1

Šoninis kelio atsparumas

4.2.6.3

Lygiavertis kūgiškumas

4.2.3.4.3

Lygiavertis kūgiškumas

4.2.4.5

Aširačių geometrinės savybės

4.2.3.5.2.1

Nominalus vėžės plotis

4.2.4.1

Ratų geometrinės savybės

4.2.3.5.2.2

Kelio atkarpos be iešmų ir kryžmių bėgio galvutės profilis

4.2.4.6

Automatinės keičiamojo vėžės pločio sistemos

4.2.3.5.3

Naudojamų iešmų ir kryžmių geometrija

4.2.5.3

Mažiausias kreivės spindulys

4.2.3.6

Mažiausias gulsčiosios kreivės spindulys

4.2.3.4

Didžiausias vidutinis lėtėjimas

4.2.4.5.1

Išilginis kelio atsparumas

Veiksmai dėl traukos ir stabdymo (išilginės apkrovos)

4.2.6.2

4.2.7.1.5

Sūkurinių oro srovių poveikis

4.2.6.2.1

Virš kelių ar greta jų pastatytų naujų statinių atsparumas kelio poveikiui

4.2.7.3

Traukinio priekinės dalies sukelti slėgio pokyčiai

4.2.6.2.2

Didžiausi slėgio pokyčiai tuneliuose

4.2.10.1

Didžiausi slėgio pokyčiai tuneliuose

4.2.6.2.3

Atstumas tarp gretimų kelių ašių

4.2.3.2

Šoninis vėjas

4.2.6.2.4

Šoninio vėjo poveikis

4.2.10.2

Aerodinaminis poveikis balastuotam geležinkelio keliui

4.2.6.2.5

Balasto išjudinimas oro srautu

4.2.10.3

Tualeto nuotekų šalinimo sistema

4.2.11.3

Tualetų nuotekų šalinimas

4.2.12.2

Išorės valymas plovykloje

4.2.11.2.2

Traukinių išorės valymo įrenginiai

4.2.12.3

Vandens pildymo įranga:

Vandens pildymo sąsaja

4.2.11.4

4.2.11.5

Vandens papildymas

4.2.12.4

Degalų pildymo įranga

4.2.11.7

Degalų pylimas

4.2.12.5

Specialūs traukinių statymo į atsarginį kelią reikalavimai

4.2.11.6

Elektros energijos tiekimas iš stacionariojo šaltinio

4.2.12.6

▼B

4.3.3.    Sąsaja su traukinių eismo organizavimo ir valdymo posistemiu



8 lentelė

Sąsaja su traukinių eismo organizavimo ir valdymo posistemiu

Lokomotyvų ir keleivinių riedmenų TSS nuoroda

 

Traukinių eismo organizavimo ir valdymo TSS nuoroda

 

Parametras

Punktas

Parametras

Punktas

Avarinio sukabinimo įtaisas

4.2.2.2.4

Nepaprastosios padėties atveju taikomos priemonės

4.2.3.6.3

Ašies apkrovos parametras

4.2.3.2

Traukinio formavimas

4.2.2.5

Stabdymo efektyvumas

4.2.4.5

Traukinio stabdymas

4.2.2.6

Išoriniai priekiniai ir galiniai žibintai

4.2.7.1

Traukinio matomumas

4.2.2.1

Įspėjamojo garso signalo įtaisas

4.2.7.2

Traukinio girdimumas

4.2.2.2

Išorės matomumas

4.2.9.1.3

Signalų ir geležinkelio kelio žymų matomumo reikalavimai

4.2.2.8

Priekinio stiklo optinės savybės

4.2.9.2.2

Vidaus apšvietimas

4.2.9.1.8

Mašinisto veiklos priežiūros funkcija

4.2.9.3.1

Mašinisto budrumas

4.2.2.9

Registravimo įtaisas

4.2.9.6

Priežiūros duomenų registravimas traukinyje

4.2.3.5.2

4.3.4.    Sąsaja su kontrolės, valdymo ir signalizacijos posistemiu



9 lentelė

Sąsaja su kontrolės, valdymo ir signalizacijos posistemiu

Lokomotyvų ir keleivinių riedmenų TSS nuoroda

 

Kontrolės, valdymo ir signalizacijos TSS nuoroda

 

Parametras

Punktas

Parametras

Punktas

Riedmenų suderinamumo su traukinių buvimo vietos nustatymo sistema, pagrįsta geležinkelio kelio elektros grandine, savybės

4.2.3.3.1.1

Riedmens geometrija

Riedmens konstrukcija

Izoliuojantieji išmetalai

EMS

Kontrolės, valdymo ir signalizacijos TSS A priedo 77 rodyklėje nurodyta specifikacija

Riedmenų savybės suderinamumui su ašių skaitikliais pagrįsta traukinių buvimo vietos nustatymo sistema užtikrinti

4.2.3.3.1.2

Riedmens geometrija

Rato geometrija

Riedmens konstrukcija

EMS

Kontrolės, valdymo ir signalizacijos TSS A priedo 77 rodyklėje nurodyta specifikacija

Riedmenų savybės suderinamumui su kilpiniais aptiktuvais pagrįsta traukinio buvimo vietos nustatymo sistema užtikrinti

4.2.3.3.1.3

Riedmens konstrukcija

Kontrolės, valdymo ir signalizacijos TSS A priedo 77 rodyklėje nurodyta specifikacija

Avarinio stabdymo komanda

4.2.4.4.1

Riedmens ETCS funkcijos

4.2.2

Avarinio stabdymo efektyvumas

4.2.4.5.2

Garantuojamieji traukinio darbiniai stabdymo parametrai ir charakteristikos

4.2.2

Traukinio išriedėjimas už perono ribų

4.2.5.3

Traukinio sąsajos FSS

Kontrolės, valdymo ir signalizacijos TSS A priedo 7 rodyklėje nurodyta specifikacija

Durų atidarymas

4.2.5.5

Atskyrimo ruožai

4.2.8.2.9.8

Dūmų kontrolė

4.2.10.4.2

Išorės matomumas

4.2.9.1.3

Geležinkelio kelio kontrolės, valdymo ir signalizacijos objektų matomumas

4.2.15

4.3.5.    Sąsaja su telematikos priemonių keleivių vežimo paslaugoms posistemiu



10 lentelė

Sąsaja su telematikos priemonių keleivių vežimo paslaugoms posistemiu

Lokomotyvų ir keleivinių riedmenų TSS nuoroda

 

Telematikos priemonių keleivių vežimo paslaugoms TSS nuoroda

 

Parametras

Punktas

Parametras

Punktas

Keleivių informavimas (žmonės su judėjimo negalia)

4.2.5

Riedmenyje įrengtas vaizdavimo įrenginys

4.2.13.1

Keleivių informavimo sistema

4.2.5.2

Automatinės balso pranešimų sistemos

4.2.13.2

Keleivių informavimas (žmonės su judėjimo negalia)

4.2.5

4.4.    Naudojimo taisyklės

1) 

Atsižvelgiant į 3 skirsnyje nurodytus esminius reikalavimus, šios TSS taikymo sritį atitinkančios geležinkelių riedmenų naudojimo nuostatos aprašytos:

— 
4.3.3 punkte „Sąsaja su traukinių eismo organizavimo ir valdymo posistemiu“, kuriame nurodyti susiję šios TSS 4.2 skirsnio punktai,
— 
4.2.12 punkte „Naudojimo ir techninės priežiūros dokumentai“.
2) 

Naudojimo taisyklės rengiamos pagal geležinkelių įmonės saugos valdymo sistemą, atsižvelgiant į šias nuostatas.

3) 

Pirmiausia naudojimo taisyklės reikalingos siekiant užtikrinti, kad traukinys, sustojęs ant nuolydžio, kaip nurodyta šios TSS 4.2.4.2.1 ir 4.2.4.5.5 punktuose (su stabdymu susiję reikalavimai), neriedėtų.

Naudojimo taisyklės, kuriose nustatyta, kaip naudoti keleivių informavimo sistemą, keleivių pavojaus signalą, avarinius išėjimus ir valdyti duris, rengiamos atsižvelgiant į susijusias šios TSS nuostatas ir naudojimo dokumentus.

▼M3

3a) 

Saugai svarbių sudedamųjų dalių atveju konkrečius naudojimui ir naudojimo atsekamumui keliamus reikalavimus rengia projektuotojai ar gamintojai projektavimo etapo metu, be to, jie rengiami projektuotojams ar gamintojams bendradarbiaujant su atitinkamomis geležinkelio įmonėmis pradėjus riedmenų eksploataciją.

▼B

4) 

4.2.12.4 punkte aprašytuose techniniuose naudojimo dokumentuose nurodytos riedmenų savybės, į kurias reikia atsižvelgti nustatant naudojimo suprastėjusių sąlygų režimu taisykles.

5) 

Kėlimo ir gelbėjimo procedūros (įskaitant nuo bėgių nuriedėjusio traukinio arba traukinio, kuris negali važiuoti įprastu režimu, gelbėjimo metodą ir priemones) nustatomos atsižvelgiant į:

— 
kėlimo keltuvu ir kėlikliais nuostatas, aprašytas šios TSS 4.2.2.6 ir 4.2.12.5 punktuose,
— 
su stabdžių sistema susijusias gelbėjimo nuostatas aprašytas šios TSS 4.2.4.10 ir 4.2.12.6 punktuose.
6) 

Greta geležinkelio kelio esančių darbuotojų ir peronuose esančių keleivių saugos taisykles rengia subjektas (-ai), atsakingas (-i) už stacionarius įrenginius, atsižvelgdamas (-i) į susijusias šios TSS ir techninių dokumentų nuostatas (pvz., greičio poveikį).

▼M3

4.5.   Techninės priežiūros taisyklės

1) Atsižvelgiant į 3 skirsnyje nurodytus esminius reikalavimus, šios TSS taikymo sritį atitinkančios geležinkelių riedmenų techninės priežiūros nuostatos aprašytos:

— 
4.2.11 punkte „Paranga“;
— 
4.2.12 punkte „Naudojimo ir techninės priežiūros dokumentai“.

2) Kitose 4.2 skirsnio nuostatose (4.2.3.4 ir 4.2.3.5 punktuose) nurodytos konkrečių savybių verčių ribos, kurias reikia patikrinti atliekant techninės priežiūros darbus.

2a) Saugai svarbias sudedamąsias dalis ir konkrečius jų techninei priežiūrai, priežiūrai ir techninės priežiūros atsekamumui keliamus reikalavimus nustato projektuotojai ar gamintojai projektavimo etapu, be to, jie nustatomi projektuotojams ar gamintojams bendradarbiaujant su atitinkamais už techninę priežiūrą atsakingais subjektais pradėjus riedmenų eksploataciją.

3) Remiantis pirmiau nurodyta ir 4.2 skirsnyje pateikta informacija, techninės priežiūros vykdymo lygmeniu nustatomos leidžiamosios nuokrypos ir intervalai, kuriais per visą riedmens naudojimo laikotarpį siekiama užtikrinti atitiktį esminiams reikalavimams; tai vien savo atsakomybe daro už techninę priežiūrą atsakingi subjektai (neatitinka vertinimo pagal šią TSS taikymo srities); šiuo tikslu:

— 
nustatomos eksploatacinės vertės, jei šioje TSS jos nenurodytos arba jei atsižvelgiant į naudojimo sąlygas galima taikyti kitokias nei šioje TSS nustatytąsias ribines eksploatacines vertes;
— 
pagrindžiamos eksploatacinės vertės, t. y. pateikiama informacija, lygiavertė reikalaujamai 4.2.12.3.1 punkte „Techninės priežiūros planą pagrindžiantis dokumentų rinkinys“.

4) Remiantis pirmiau šiame punkte nurodyta informacija, techninės priežiūros vykdymo lygmeniu už techninę priežiūrą atsakingų subjektų vien jų atsakomybe parengiamas techninės priežiūros planas (neatitinka vertinimo pagal šią TSS taikymo srities), kuriame pateikiamas struktūrinis techninės priežiūros darbų sąrašas, apimantis veiksmus, bandymus, procedūras, priemones, techninės priežiūros kriterijus, periodiškumą ir techninės priežiūros darbams atlikti reikalingą darbo laiką.

5) Jei naudojama riedmens programinė įranga, projektuotojas ar gamintojas visų riedmens programinės įrangos modifikacijų atveju nurodo visus techninės priežiūros reikalavimus ir procedūras (įskaitant įrangos techninės būklės stebėjimą, įvykių diagnozavimą, bandymo metodus ir priemones, būtiną profesinę kvalifikaciją), būtinas, kad visą įrangos naudojimo laiką (įrengiant, įprastai naudojant, esant gedimams, atliekant remonto darbus ir patikros bei techninės priežiūros darbus, nutraukus naudojimą ir t. t.) būtų laikomasi esminių reikalavimų ir šios TSS privalomuose reikalavimuose nurodytų verčių.

▼B

4.6.    Profesinė kompetencija

1) 

Darbuotojų profesinė kompetencija, kurios reikia naudojant geležinkelių riedmenis, kuriems taikoma ši TSS, šioje TSS nenustatoma.

2) 

Ji iš dalies nustatyta traukinių eismo organizavimo ir valdymo TSS ir Europos Parlamento ir Tarybos direktyva 2007/59/EB ( 9 ).

4.7.    Sveikatos apsaugos ir saugos sąlygos

1) 

Darbuotojų, reikalingų geležinkelių riedmenims, kuriems taikoma ši TSS, naudoti ir jų techninei priežiūrai atlikti, sveikatos ir saugos nuostatos pateiktos esminiuose reikalavimuose Nr. 1.1, 1.3, 2.5.1, 2.6.1 (numeravimas pagal ►M3  Direktyvą (ES) 2016/797 ◄ ); 3.2 punkte pateiktoje lentelėje nurodyti su šiais esminiais reikalavimais susiję šios TSS techniniai punktai.

2) 

Visų pirma darbuotojų sveikatos ir saugos nuostatos pateiktos šiuose 4.2 skirsnio punktuose:

— 
4.2.2.2.5 punkte – prieiga darbuotojams atlikti sukabinimą ir (arba) atkabinimą,
— 
4.2.2.5 punkte – pasyvioji sauga,
— 
4.2.2.8 punkte – traukinio darbuotojams ir prieigai prie krovinių skirtos durys,
— 
4.2.6.2.1 punkte – sūkurinių oro srovių poveikis šalia geležinkelio kelio esantiems darbuotojams,
— 
4.2.7.2.2 punkte – įspėjamojo garso signalo garso slėgis,
— 
4.2.8.4 punkte – apsauga nuo elektros srovės pavojaus,
— 
4.2.9 punkte – mašinisto kabina,
— 
4.2.10 punkte – gaisrinė sauga ir evakuacija.

4.8.    Europos patvirtintų transporto priemonių tipų registras

1) 

Riedmenų charakteristikos, kurios turi būti registruojamos Europos patvirtintų transporto priemonių tipų registre, nurodytos 2011 m. spalio 4 d. Komisijos įgyvendinimo sprendime 2011/665/ES dėl Europos patvirtintų geležinkelio transporto priemonių tipų registro ( 10 ).

2) 

Pagal sprendimo dėl Europos patvirtintų transporto priemonių tipų registro II priedą ir ►M3  Direktyvos (ES) 2016/797 48 straipsnio 3 dalies a punktą ◄ registruojamos su techninėmis geležinkelių riedmenų savybėmis susijusių parametrų vertės, kurios nurodomos prie tipo tyrimo sertifikato pridedamuose techniniuose dokumentuose. Todėl šioje TSS reikalaujama, kad atitinkamos charakteristikos būtų registruojamos 4.2.12 punkte nurodytuose techniniuose dokumentuose.

3) 

Pagal šio (4.8) skirsnio 1 punkte nurodyto sprendimo 5 straipsnį jo taikymo vadove pateikiama kiekvieno parametro nuoroda į techninių sąveikos specifikacijų punktus, kuriuose nurodomi šio parametro reikalavimai.

▼M3

4.9.    Suderinamumo su maršrutu patikrinimai prieš naudojant patvirtintus riedmenis

Posistemio „Lokomotyvai ir keleiviniai riedmenys“ parametrai, pagal kuriuos geležinkelio įmonė turi tikrinti suderinamumą su maršrutu, aprašyti Komisijos įgyvendinimo reglamento (ES) 2019/773 ( 11 ) D1 priedėlyje.

▼B

5.   SĄVEIKOS SUDEDAMOSIOS DALYS

5.1.    Apibrėžtis

1) 

Pagal ►M3  Direktyvos (ES) 2016/797 2 straipsnio 7 dalį ◄ sąveikos sudedamosios dalys – „bet kuri nedaloma sudedamoji dalis, sudedamųjų dalių grupė, mazgas, sukomplektuotas blokas, įtraukti arba ketinami įtraukti į posistemį, nuo kurių tiesiogiai ar netiesiogiai priklauso geležinkelių sistemos sąveika“.

2) 

Sąvoka „sudedamoji dalis“ apima ir materialius objektus, ir nematerialius objektus, pavyzdžiui, programinę įrangą.

3) 

Sąveikos sudedamosios dalys (SSD), toliau aprašytos 5.3 skirsnyje, yra sudedamosios dalys:

— 
kurių specifikacijoje nurodomas reikalavimas, nustatytas šios TSS 4.2 skirsnyje; 5.3 skirsnyje pateikiama nuoroda į susijusį 4.2 skirsnio punktą; jame apibrėžta, kaip nuo tam tikros sudedamosios dalies priklauso geležinkelių sistemos sąveika,
Jeigu 5.3 skirsnyje nurodyta, kad atitiktis reikalavimui vertinama SSD lygmeniu, nereikia atlikti vertinimo pagal tą patį reikalavimą posistemio lygmeniu,
— 
kurių specifikacijoje gali reikėti nustatyti papildomus reikalavimus, pavyzdžiui, sąsajos reikalavimus; šie papildomi reikalavimai taip pat nustatyti 5.3 skirsnyje,
— 
ir kurių vertinimo procedūra, nepriklausomai nuo susijusio posistemio, aprašyta 6.1 skirsnyje.
4) 

Kiekvienos sąveikos sudedamosios dalies naudojimo sritis nustatoma ir nurodoma taip, kaip aprašyta 5.3 skirsnyje.

5.2.    Inovacinis sprendimas

5) 

1) Kaip nurodyta 10 straipsnyje, dėl inovacinių sprendimų gali reikėti naujos specifikacijos ir (arba) naujų vertinimo metodų. Šios specifikacijos ir vertinimo metodai parengiami pagal 6.1.5 punkte aprašytą procedūrą kaskart, kai numatoma taikyti su sąveikos sudedamąja dalimi susijusį inovacinį sprendimą.

5.3.    Sąveikos sudedamosios dalies specifikacija

Toliau išvardijamos ir apibūdinamos sąveikos sudedamosios dalys:

5.3.1.    Automatinis taukšų centrinis sukabintuvas

Automatinis sukabinimo įtaisas projektuojamas ir vertinamas atsižvelgiant į jo naudojimo sritį, kuri apibrėžiama:

1) 

galinės sankabos tipu (mechaninė ir pneumatinė galvutės sąsajos);

Automatinė 10 tipo galinė sankaba atitinka J-1 priedėlio 66 rodyklėje nurodytą specifikaciją.

Pastaba. Kitų tipų (išskyrus 10) automatinės sankabos nelaikomos sąveikos sudedamąja dalimi (specifikacija nėra viešai prieinama).

2) 

tempimo ir gniuždymo jėgomis, kurias gali išlaikyti sukabinimo įtaisas.

3) 

Šios savybės vertinamos SSD lygmeniu.

5.3.2.    Rankinė galinė sankaba

Rankinė galinė sankaba projektuojama ir vertinama atsižvelgiant į jos naudojimo sritį, kuri apibrėžiama:

1) 

galinės sankabos tipu (mechaninė sąsaja);

UIC tipo sankabą sudaro taukšas, traukimo įtaisas ir sraigtinė sukabinimo sistema, atitinkantys J-1 priedėlio 67 rodyklėje nurodytos specifikacijos dalis, susijusias su keleiviniais vagonais, ir J-1 priedėlio 68 rodyklėje nurodytą specifikaciją; riedmenų vienetuose, išskyrus keleivinius vagonus su rankinėmis sukabinimo sistemomis, sumontuojamas taukšas, traukimo įtaisas ir sraigtinė sukabinimo sistema, atitinkantys J-1 priedėlio 67 rodyklėje nurodytos specifikacijos atitinkamas dalis ir J-1 priedėlio 68 rodyklėje nurodytą specifikaciją (atitinkamai);

Pastaba. Kitų tipų rankinės galinės sankabos nelaikomos sąveikos sudedamąja dalimi (specifikacija nėra viešai prieinama).

2) 

tempimo ir gniuždymo jėgomis, kurias gali išlaikyti sukabinimo įtaisas.

3) 

Šios savybės vertinamos SSD lygmeniu.

5.3.3.    Avarinio sukabinimo įtaisai

Avarinio sukabinimo įtaisas projektuojamas ir vertinamas atsižvelgiant į jo naudojimo sritį, kuri apibrėžiama:

1) 

galinės sankabos, su kuria užtikrinamas avarinio sukabinimo įtaiso sukabinimas, tipu.

Avarinio sukabinimo įtaisas, skirtas sukabinti su automatine 10 tipo galine sankaba, atitinka J-1 priedėlio 69 rodyklėje nurodytą specifikaciją.

Pastaba. Kitų tipų avarinio sukabinimo įtaisai nelaikomi sąveikos sudedamąja dalimi (specifikacija nėra viešai prieinama);

2) 

tempimo ir gniuždymo jėgomis, kurias gali išlaikyti sukabinimo įtaisas;

3) 

būdu, kuriuo jį numatyta montuoti gelbėjimo riedmenų vienete;

4) 

šios savybės ir atitiktis šios TSS 4.2.2.2.4 punkte nurodytiems reikalavimams vertinami SSD lygmeniu.

5.3.4.    Ratai

Ratas projektuojamas ir vertinamas atsižvelgiant į jo naudojimo sritį, kuri apibrėžiama:

1) 

geometrinėmis savybėmis – vardiniu bandažo skersmeniu;

2) 

mechaninėmis savybėmis: didžiausia vertikalia statine jėga ir didžiausiu greičiu;

3) 

šiluminėmis mechaninėmis savybėmis – didžiausia stabdymo energija;

4) 

ratas turi atitikti geometrinių, mechaninių ir termomechaninių savybių reikalavimus, nustatytus 4.2.3.5.2.2 punkte; atitiktis šiems reikalavimams vertinama SSD lygmeniu.

▼M3

5.3.4a.    Automatinės keičiamojo vėžės pločio sistemos

1) SSD „automatinės keičiamojo vėžės pločio sistemos“ projektuojama ir vertinama atsižvelgiant į jos naudojimo sritį, apibrėžiamą pagal šiuos veiksnius:

— 
Vėžės pločiai, kuriems sistema skirta.
— 
Didžiausių statinių ašies apkrovų intervalas (atitinkantis projektinę masę esant įprastai naudingajai apkrovai, kaip apibrėžta šios TSS 4.2.2.10 punkte).
— 
Vardinių rato riedėjimo paviršiaus skersmenų intervalas.
— 
Riedmenų vieneto didžiausias projektinis greitis.
— 
Kelio vėžės pakeitimo įrenginio (-ių), kuriam (-iems) sistema yra skirta, tipas (-ai), įskaitant vardinį greitį važiuojant per kelio vėžės pakeitimo įrenginį (-ius) ir didžiausias ašines jėgas automatinio vėžės pločio pakeitimo metu.

2) Automatinė keičiamojo vėžės pločio sistema turi atitikti reikalavimus, nustatytus 4.2.3.5.2.3 punkte; atitiktis šiems reikalavimams vertinama SSD lygmeniu, kaip nustatyta 6.1.3.1a punkte.

▼B

5.3.5.    WSP (apsaugos nuo ratų slydimo) sistema

SSD WSP sistema projektuojama ir vertinama atsižvelgiant į jos naudojimo sritį, kuri apibrėžiama:

1) 

pneumatinio tipo stabdžių sistema;

Pastaba. Kitose stabdžių sistemose, pavyzdžiui, hidraulinėse, dinaminėse ir mišriose, WSP nelaikoma sąveikos sudedamąja dalimi, todėl šis punktas tais atvejais netaikomas;

2) 

didžiausiu darbiniu greičiu;

3) 

WSP sistema turi atitikti apsaugos nuo ratų slydimo sistemai keliamus reikalavimus, išdėstytus šios TSS 4.2.4.6.2 punkte.

Kaip neprivaloma įranga gali būti įrengiama ratų sukimosi stebėjimo sistema.

5.3.6.    Priekiniai žibintai

1) 

Priekinis žibintas projektuojamas ir vertinamas netaikant jokių apribojimų, susijusių su jo naudojimo sritimi.

2) 

Priekinis žibintas turi atitikti spalvos ir šviesos stiprio reikalavimus, nustatytus 4.2.7.1.1 punkte. Atitiktis šiems reikalavimams vertinama SSD lygmeniu.

5.3.7.    Gabaritiniai žibintai

1) 

Gabaritinis žibintas projektuojamas ir vertinamas netaikant jokių apribojimų, susijusių su jo naudojimo sritimi.

2) 

Gabaritinis žibintas turi atitikti spalvos ir šviesos stiprio reikalavimus, nustatytus 4.2.7.1.2 punkte. Atitiktis šiems reikalavimams vertinama SSD lygmeniu.

5.3.8.    Galiniai žibintai

1) 

Galinis žibintas projektuojamas ir vertinamas atsižvelgiant į jo naudojimo sritį: stacionarus ar nešiojamasis žibintas.

2) 

Galinis žibintas turi atitikti spalvos ir šviesos stiprio reikalavimus, nustatytus 4.2.7.1.3 punkte. Atitiktis šiems reikalavimams vertinama SSD lygmeniu.

3) 

Nešiojamųjų žibintų tvirtinimo prie riedmens sąsaja atitinka prekinių vagonų TSS E priedėlį.

5.3.9.    Įspėjamojo garso signalo įtaisai

1) 

Įspėjamojo garso signalo įtaisas projektuojamas ir vertinamas atsižvelgiant į jo naudojimo sritį, kuri apibrėžiama jo garso slėgio lygiu etaloniniame riedmenyje (arba įmontuoto etaloniniu būdu); ši savybė gali priklausyti nuo įspėjamojo garso signalo įtaiso įmontavimo konkrečiame riedmenyje būdo.

2) 

Įspėjamojo garso signalo įtaisas turi atitikti garsinių signalo savybių reikalavimus, nustatytus 4.2.7.2.1 punkte. Atitiktis šiems reikalavimams vertinama SSD lygmeniu.

5.3.10.    Pantografas

Pantografas projektuojamas ir vertinamas atsižvelgiant į jo naudojimo sritį, kuri apibrėžiama:

1) 

įtampos sistemos (-ų) tipu, kaip apibrėžta 4.2.8.2.1 punkte;

Jei jis skirtas naudoti skirtingose įtampos sistemose, turi būti atsižvelgiama į įvairius reikalavimų derinius.

2) 

vienu iš trijų gabaritų, apibrėžiamų pantografo vežimėlio geometrinėmis savybėmis, nurodytomis 4.2.8.2.9.2 punkte;

3) 

srovės pralaidumu, kaip apibrėžta 4.2.8.2.4 punkte;

4) 

stipriausia srove traukiniui stovint kiekviename nuolatinės srovės sistemų orinių kontaktinių linijų kontaktiniame laide;

Pastaba. Stipriausia srovė traukiniui stovint, kaip apibrėžta 4.2.8.2.5 punkte, suderinama su pirmiau nurodyta verte, atsižvelgiant į orinės kontaktinės linijos savybes (vienas ar du kontaktiniai laidai).

5) 

didžiausiu darbiniu greičiu: didžiausias darbinis greitis matuojamas taip, kaip nustatyta 4.2.8.2.9.6 punkte;

6) 

pantografo aukščio intervalu, kuriame užtikrinamos dinaminės savybės: standartiniu ir (arba) 1 520 mm arba 1 524 mm pločio vėžės sistemose.

7) 

Atitiktis pirmiau išvardytiems reikalavimams vertinama SSD lygmeniu.

8) 

4.2.8.2.9.1.2 punkte nurodytas pantografo veikimo aukščio intervalas, 4.2.8.2.9.2 punkte nurodytos pantografo vežimėlio geometrinės savybės, 4.2.8.2.9.3 punkte nurodytas pantografo srovės pralaidumas, 4.2.8.2.9.5 punkte nurodyta pantografo statinė prispaudžiamoji jėga ir 4.2.8.2.9.6 punkte nurodytos paties pantografo dinaminės savybės vertinamos SSD lygmeniu.

5.3.11.    Kontaktiniai intarpai

1) 

Kontaktiniai intarpai yra keičiamos pantografo vežimėlio dalys, liečiančios kontaktinį laidą.

Kontaktiniai intarpai projektuojami ir vertinami atsižvelgiant į jų naudojimo sritį, kuri apibrėžiama:

2) 

intarpų geometrinėmis savybėmis, kaip apibrėžta 4.2.8.2.9.4.1 punkte;

3) 

kontaktinių intarpų medžiaga, kaip apibrėžta 4.2.8.2.9.4.2 punkte;

4) 

įtampos sistemos (-ų) tipu, kaip apibrėžta 4.2.8.2.1 punkte;

5) 

srovės pralaidumu, kaip apibrėžta 4.2.8.2.4 punkte;

6) 

stipriausia nuolatinės srovės sistemos srove traukiniui stovint, kaip apibrėžta 4.2.8.2.5 punkte;

7) 

atitiktis pirmiau išvardytiems reikalavimams vertinama SSD lygmeniu.

5.3.12.    Pagrindinis srovės išjungiklis

Pagrindinis srovės išjungiklis projektuojamas ir vertinamas atsižvelgiant į jo naudojimo sritį, kuri apibrėžiama:

1) 

įtampos sistemos (-ų) tipu, kaip apibrėžta 4.2.8.2.1 punkte;

2) 

srovės pralaidumu, kaip apibrėžta 4.2.8.2.4 punkte (stipriausia srove).

3) 

atitiktis pirmiau išvardytiems reikalavimams vertinama SSD lygmeniu;

4) 

įjungimas turi atitikti J-1 priedėlio 70 rodyklėje nurodytą specifikaciją (žr. šios TSS 4.2.8.2.10 punktą); atitiktis vertinama SSD lygmeniu.

5.3.13.    Mašinisto sėdynė

1) 

Mašinisto sėdynė projektuojama ir vertinama atsižvelgiant į jos naudojimo sritį, kuri apibrėžiama aukščio ir padėties išilgine kryptimi reguliavimo intervalais.

2) 

Mašinisto sėdynė atitinka reikalavimus, sudedamosios dalies lygmeniu nustatytus 4.2.9.1.5 punkte. Atitiktis šiems reikalavimams vertinama SSD lygmeniu.

5.3.14.    Tualeto nuotekų šalinimo jungtis

1) 

Tualeto nuotekų šalinimo jungtis projektuojama ir vertinama netaikant jokių apribojimų, susijusių su jos naudojimo sritimi.

2) 

Tualeto nuotekų šalinimo jungtis atitinka matmenų reikalavimus, kaip nustatyta 4.2.11.3 punkte. Atitiktis šiems reikalavimams vertinama SSD lygmeniu.

5.3.15.    Vandens rezervuarų pildymo jungtis

1) 

Vandens rezervuarų pildymo jungtis projektuojama ir vertinama netaikant jokių apribojimų, susijusių su jos naudojimo sritimi.

2) 

Vandens rezervuarų pildymo jungties matmenys atitinka reikalavimus, kaip nustatyta 4.2.11.5 punkte. Atitiktis šiems reikalavimams vertinama SSD lygmeniu.

6.   ATITIKTIES ARBA TINKAMUMO NAUDOTI VERTINIMAS IR EB PATIKRA

1) 

Atitikties ir tinkamumo naudoti vertinimo, taip pat EB patikros procedūrų moduliai aprašyti Komisijos sprendime 2010/713/ES ( 12 ).

6.1.    Sąveikos sudedamosios dalys

6.1.1.    Atitikties vertinimas

1) 

Kaip nustatyta ►M3  Direktyvos (ES) 2016/797 10 straipsnyje ◄ , prieš pateikdamas sąveikos sudedamąją dalį rinkai, gamintojas arba Europos Sąjungoje įsisteigęs jo atstovas parengia EB atitikties arba tinkamumo naudoti deklaraciją.

2) 

Sąveikos sudedamosios dalies atitikties arba tinkamumo naudoti vertinimas atliekamas pagal konkrečiai sudedamajai daliai nustatytą (-us) modulį (-ius), nurodytą (-us) šios TSS 6.1.2 punkte.

▼M3

3) 

Jei sudedamajai daliai, šios TSS 5.3 skirsnyje apibrėžtai kaip sąveikos sudedamoji dalis, taikomas specifinis atvejis, atitinkamas reikalavimas gali būti patikros sąveikos sudedamųjų dalių lygmeniu dalis tik jei sudedamoji dalis ir toliau atitinka šios TSS 4 ir 5 skyrius ir jei specifiniame atvejyje nenurodoma nacionalinė taisyklė (t. y. papildomas reikalavimas, suderinamas su pagrindine TSS ir išsamiai aprašytas TSS).

Kitais atvejais patikrą reikia atlikti posistemio lygmeniu; jei sudedamajai daliai taikoma nacionalinė taisyklė, suinteresuota valstybė narė gali nustatyti susijusias taikomas atitikties vertinimo procedūras.

▼B

6.1.2.    Modulių taikymas

Sąveikos sudedamųjų dalių EB atitikties patvirtinimo moduliai:



CA modulis

Gamybos vidaus kontrolė

CA1 modulis

Gamybos vidaus kontrolė ir individuali gaminių patikra

CA2 modulis

Gamybos vidaus kontrolė ir gaminių patikra atsitiktiniais intervalais

CB modulis

EB tipo tyrimas

CC modulis

Atitiktis tipui, pagrįsta gamybos vidaus kontrole

CD modulis

Atitiktis tipui, pagrįsta gamybos proceso kokybės valdymo sistema

CF modulis

Atitiktis tipui, pagrįsta gaminio patikra

CH modulis

Atitiktis, pagrįsta visiško kokybės valdymo sistema

CH1 modulis

Atitiktis, pagrįsta visiško kokybės valdymo sistema ir projekto tyrimu

CV modulis

Tipo patvirtinimas eksploataciniais bandymais (tinkamumas naudoti)

1) 

Gamintojas arba Europos Sąjungoje įsisteigęs jo įgaliotasis atstovas pasirenka tam tikrą sudedamąją dalį atitinkantį modulį arba modulių derinį iš nurodytų toliau pateiktoje lentelėje.



Punktas

Sudedamosios dalys, kurias reikia įvertinti

CA modulis

CA1 arba CA2 modulis

CB ir CC moduliai

CB ir CD moduliai

CB ir CF moduliai

CH modulis

CH1 modulis

5.3.1

Automatinis taukšų centrinis sukabintuvas

 

(*1)

 

X

X

(*1)

X

5.3.2

Rankinė galinė sankaba

 

(*1)

 

X

X

(*1)

X

5.3.3

Avarinio sukabinimo vilkties įtaisas

 

(*1)

 

X

X

(*1)

X

5.3.4

Ratas

 

(*1)

 

X

X

(*1)

X

▼M3

5.3.4a

Automatinės keičiamojo vėžės pločio sistemos

 

(*1)

 

X

X

(*1)

X

▼B

5.3.5

Apsaugos nuo ratų slydimo sistema

 

(*1)

 

X

X

(*1)

X

5.3.6

Priekinis žibintas

 

(*1)

X

X

 

(*1)

X

5.3.7

Gabaritinis žibintas

 

(*1)

X

X

 

(*1)

X

5.3.8

Galinis žibintas

 

(*1)

X

X

 

(*1)

X

5.3.9

Įspėjamojo garso signalo įtaisai

 

(*1)

X

X

 

(*1)

X

5.3.10

Pantografas

 

(*1)

 

X

X

(*1)

X

5.3.11

Pantografo kontaktiniai intarpai

 

(*1)

 

X

X

(*1)

X

5.3.12

Pagrindinis srovės išjungiklis

 

(*1)

 

X

X

(*1)

X

5.3.13

Mašinisto sėdynė

 

(*1)

 

X

X

(*1)

X

5.3.14

Tualeto nuotekų šalinimo jungtis

X

 

X

 

 

X

 

5.3.15

Vandens rezervuarų pildymo jungtis

X

 

X

 

 

X

 

(*1)   Modulius CA1, CA2 ir CH galima naudoti tik tuo atveju, kai gaminiai gaminami pagal projektą, kuris buvo sukurtas ir jau naudotas pateikiant gaminius rinkai prieš įsigaliojant tiems gaminiams taikomai TSS, jeigu gamintojas įrodo paskelbtajai įstaigai, kad anksčiau taikant tuos gaminius panašiomis sąlygomis buvo atlikta projekto peržiūra ir tipo tyrimas ir kad tie gaminiai atitinka šios TSS reikalavimus; šie įrodymai turi būti pagrįsti dokumentais ir laikomi CB modulio taikymui arba projekto patikrai pagal CH1 modulį lygiaverčiais įrodymais.

2) 

Kai taikoma tam tikra vertinimo procedūra, be šios TSS 4.2 punkte išdėstytų reikalavimų, jos taikymas nustatytas toliau pateiktame 6.1.3 punkte.

6.1.3.    Konkrečios sąveikos sudedamųjų dalių vertinimo procedūros

6.1.3.1.    Ratai (5.3.4 punktas)

1) 

Rato mechaninės savybės patvirtinamos mechaninio tvirtumo skaičiavimais, atsižvelgiant į tris apkrovos sąlygas: važiavimas tiesiu geležinkelio keliu (aširatis centrinėje padėtyje), važiavimas kreive (antbriaunis prispaustas prie bėgio) ir geležinkelio kelio sandūrų bei pervažų įveikimas (vidinis antbriaunio paviršius prispaustas prie bėgio), kaip nurodyta J-1 priedėlio 71 rodyklėje nurodytos specifikacijos 7.2.1 ir 7.2.2 punktuose.

2) 

Sprendimo dėl kaltinių ir valcuotų ratų kriterijai nustatyti standarto J-1 priedėlio 71 rodyklėje nurodytos specifikacijos 7.2.3 punkte; jeigu atlikus skaičiavimus gaunamos sprendimo kriterijų neatitinkančios vertės, atitikčiai įrodyti būtina atlikti lyginamąjį bandymą pagal J-1 priedėlio 71 rodyklėje nurodytos specifikacijos 7.3 punktą.

3) 

Tik nacionaliniu mastu naudojamuose riedmenyse leidžiama naudoti kitų tipų ratus. Tokiu atveju nacionalinėse taisyklėse nurodomi sprendimo kriterijai ir nuovargį sukeliančio slėgio kriterijai. Valstybės narės paskelbia šias nacionalines taisykles.

4) 

Prielaidos dėl didžiausios statinės vertikaliosios apkrovos aiškiai nurodomos techniniuose dokumentuose, kaip nustatyta šios TSS 4.2.12 punkte.

Termomechaninės savybės:

5) 

Jeigu ratas naudojamas riedmenų vienetui stabdyti trinkelėmis, veikiančiomis rato važiuojamąjį paviršių, turi būti įrodomos rato termomechaninės savybės, atsižvelgiant į didžiausią numatytą stabdymo energiją. Atliekamas rato atitikties vertinimas pagal J-1 priedėlio 71 rodyklėje nurodytos specifikacijos 6 punktą, siekiant patikrinti, ar ratlankio skersinis poslinkis stabdant ir liekamasis įtempis atitinka leidžiamąsias verčių ribas, nustatytas remiantis nustatytais sprendimo kriterijais.

Ratų patikra:

6) 

Nustatoma patikros procedūra, kurią taikant gamybos etape užtikrinama, kad saugai nepakenktų trūkumai, atsiradę pasikeitus mechaninėms ratų savybėms.

Patikrinamas rato medžiagos atsparumas tempimui, važiuojamojo paviršiaus kietumas, atsparumas skilimui, smūgiams, medžiagos savybės ir medžiagos švarumas.

Pagal patikros procedūrą nustatoma kiekvienai tikrintinai savybei taikoma partijos atranka.

7) 

Leidžiama taikyti kitą ratų atitikties vertinimo metodą tomis pačiomis sąlygomis, kokios taikomos aširačiams; šios sąlygos aprašytos 6.2.3.7 punkte.

8) 

Naujoviškos konstrukcijos atveju, kai gamintojas neturi pakankamai patirties, turi būti atliekamas rato tinkamumo naudoti vertinimas (CV modulis, dar žr. 6.1.6 punktą).

▼M3

6.1.3.1a.    Automatinė keičiamojo vėžės pločio sistema (5.3.4a punktas)

1) Vertinimo procedūra grindžiama patvirtinimo planu, apimančiu visus 4.2.3.5.3 ir 5.3.4a punktuose nurodytus aspektus.

2) Patvirtinimo planas turi atitikti 4.2.3.5.3 punkte reikalaujamą analizę, jame reikia apibrėžti vertinimą, reikalingą visais šiais skirtingais etapais:

— 
Projekto peržiūros.
— 
Statinių bandymų (lyginamųjų bandymų ir integravimo važiuoklėje ar riedmenų vienete bandymų).
— 
Bandymas kelio vėžės pakeitimo įrenginyje (-iuose), atitinkančiame (-iuose) eksploatavimo sąlygas.
— 
Bandymai kelyje, atitinkančiame eksploatavimo sąlygas.

3) Įrodant 4.2.3.5.3 skirsnio 5 punkto atitiktį reikia aiškiai dokumentuoti prielaidas, įtrauktas į riedmens, kuriame ketinama integruoti sistemą, saugos analizę ir susijusias su to riedmens paskirtimi.

4) Automatinei keičiamojo vėžės pločio sistemai gali būti taikomas tinkamumo naudoti vertinimas (CV modulis; dar žr. 6.1.6 punktą).

5) Už atitikties vertinimą atsakingos notifikuotosios įstaigos sertifikate turi būti nurodytos naudojimo sąlygos pagal 5.3.4a punkto 1 papunktį ir kelio vėžės pakeitimo įrenginio (-ių), kuriam (-iems) automatinė keičiamojo vėžės pločio sistema yra įvertinta, tipas (-ai) bei naudojimo sąlygos.

▼B

6.1.3.2.    Apsaugos nuo ratų slydimo sistema (5.3.5 punktas)

1) 

Apsaugos nuo ratų slydimo sistema tikrinama pagal J-1 priedėlio 72 rodyklėje nurodytoje specifikacijoje nustatytą metodiką; kai daroma nuoroda į tos pačios specifikacijos 6.2 punktą „reikiamų bandymų programų apžvalga“, visoms WSP sistemoms taikomas tik 6.2.3 punktas.

2) 

Naujoviškos konstrukcijos atveju, kai gamintojas neturi pakankamai patirties, turi būti atliekamas apsaugos nuo ratų slydimo sistemos tinkamumo naudoti vertinimas (CV modulis, dar žr. 6.1.6 punktą).

6.1.3.3.    Priekiniai žibintai (5.3.6 punktas)

1) 

Priekinių žibintų spalva tikrinama pagal J-1 priedėlio 73 rodyklėje nurodytos specifikacijos 6.3 punktą.

2) 

Priekinių žibintų šviesos stipris tikrinamas pagal J-1 priedėlio 73 rodyklėje nurodytos specifikacijos 6.4 punktą.

6.1.3.4.    Gabaritiniai žibintai (5.3.7 punktas)

1) 

Gabaritinių žibintų spalva ir jų skleidžiamos šviesos spinduliuotės spektrinis pasiskirstymas tikrinami pagal J-1 priedėlio 74 rodyklėje nurodytos specifikacijos 6.3 punktą.

2) 

Gabaritinių žibintų šviesos stipris tikrinamas pagal J-1 priedėlio 74 rodyklėje nurodytos specifikacijos 6.4 punktą.

6.1.3.5.    Galiniai žibintai (5.3.8 punktas)

1) 

Galinių žibintų spalva tikrinama pagal J-1 priedėlio 75 rodyklėje nurodytos specifikacijos 6.3 punktą.

2) 

Galinių žibintų šviesos stipris tikrinamas pagal J-1 priedėlio 75 rodyklėje nurodytos specifikacijos 6.4 punktą.

6.1.3.6.    Įspėjamojo garso signalo įtaisas (5.3.9 punktas)

1) 

Įspėjamojo garso signalo įtaiso garsinės signalo savybės matuojamos ir tikrinamos pagal J-1 priedėlio 76 rodyklėje nurodytos specifikacijos 6 punktą.

2) 

Įspėjamojo garso signalo įtaiso garso slėgio lygis matuojamas ir tikrinamas pagal J-1 priedėlio 76 rodyklėje nurodytos specifikacijos 6 punktą.

6.1.3.7.    Pantografas (5.3.10 punktas)

1) 

Nuolatinės srovės sistemoms skirtiems pantografams traukiniui stovint per vieną kontaktinį laidą perduodama stipriausia srovė tikrinama laikantis šių sąlygų:

— 
pantografas liečia vieną varinį kontaktinį laidą,
— 
pantografas užtikrina statinę prispaudžiamąją jėgą, kaip apibrėžta J-1 priedėlio 77 rodyklėje nurodytoje specifikacijoje,
— 
ir bandymo metu 30 minučių nuolat kontroliuojama temperatūra lietimosi taške neviršija J-1 priedėlio 78 rodyklėje nurodytoje specifikacijoje nustatytų verčių.
2) 

Visų pantografų statinė prispaudžiamoji jėga tikrinama pagal J-1 priedėlio 79 rodyklėje nurodytą specifikaciją.

3) 

Su srovės ėmimu susijusios pantografo dinaminės savybės vertinamos modeliuojant pagal J-1 priedėlio 80 rodyklėje nurodytą specifikaciją.

Modeliuojama bent pagal dviejų skirtingų tipų orinę kontaktinę liniją; modeliuojant naudojami duomenys atitinka linijų, kurios infrastruktūros registre užregistruotos kaip atitinkančios TSS (EB atitikties deklaracija arba deklaracija pagal Komisijos rekomendaciją 2011/622/ES ( 13 )), atkarpas, pritaikytas atitinkamam greičiui ir elektros tiekimo sistemai, neviršijant siūlomo pantografo, kaip sąveikos sudedamosios dalies, nustatyto projektinio greičio.

Modeliavimą leidžiama atlikti naudojant orines kontaktines linijas, kurių, kaip SSD, sertifikavimas arba deklaracijos rengimas pagal Rekomendaciją 2011/622/ES dar nebaigtas, jeigu jos atitinka kitus energijos TSS reikalavimus. Modeliuojamo srovės ėmimo kokybė atitinka 4.2.8.2.9.6 punkte nurodytus kiekvienos orinės kontaktinės linijos pakėlimo, vidutinės prispaudžiamosios jėgos ir standartinio nuokrypio reikalavimus.

Jeigu modeliavimo rezultatai yra priimtini, atliekamas fizinis dinaminis bandymas tipiniame vienos iš dviejų orinių kontaktinių linijų, kurios buvo naudotos modeliuojant, ruože.

Sąveikos charakteristikos matuojamos pagal J-1 priedėlio 81 rodyklėje nurodytą specifikaciją.

Bandomasis pantografas turi būti sumontuotas ant riedmens ir užtikrinti vidutinę prispaudžiamąją jėgą, atitinkančią verčių intervalą, kaip reikalaujama 4.2.8.2.9.6 punkte, neviršijant pantografo projektinio greičio. Bandymai atliekami abiem važiavimo kryptimis.

Į pantografų, skirtų naudoti 1 435 mm ir 1 668 mm pločio vėžės sistemose, bandymus įtraukiamas važiavimas ruožuose, kuriuose kontaktinis laidas yra žemai (5,0–5,3 m), ir ruožuose, kuriuose kontaktinis laidas yra aukštai (5,5–5,75 m).

Į pantografų, skirtų naudoti 1 520 mm ir 1 524 mm pločio vėžės sistemose, bandymus įtraukiamas važiavimas ruožuose, kuriuose kontaktinio laido aukštis yra 6,0–6,3 m.

Bandymai atliekami važiuojant ne mažiau kaip trim greičiais, įskaitant bandomo pantografo projektinį greitį, bet jo neviršijant.

Paeiliui atliekamų bandymų greitis skiriasi ne daugiau kaip 50 km/h.

Išmatuotieji srovės ėmimo kokybės parametrai turi atitikti 4.2.8.2.9.6 punkte nurodytus pakėlimo ir vidutinės prispaudžiamosios jėgos bei vidutinio kvadratinio nuokrypio arba kibirkščiavimo procentinės vertės reikalavimus.

Jeigu visų pirmiau nurodytų vertinimų rezultatai teigiami, išbandytojo pantografo konstrukcija laikoma atitinkančia TSS nuostatas dėl srovės ėmimo kokybės.

Kad būtų galima pantografą, kurio EB patikros deklaracija buvo išduota, naudoti riedmenyse, kurių konstrukcija skiriasi, riedmenų lygmeniu reikia atlikti papildomus 6.2.3.20 punkte nustatytus srovės ėmimo kokybės bandymus.

6.1.3.8.    Kontaktiniai intarpai (5.3.11 punktas)

1) 

Kontaktiniai intarpai tikrinami kaip nustatyta J-1 priedėlio 82 rodyklėje nurodytoje specifikacijoje.

2) 

Kontaktiniai intarpai yra keičiamoji pantografo vežimėlio dalis, todėl srovės ėmimo kokybės požiūriu jie tikrinami kartu su pantografu (žr. 6.1.3.7 punktą).

3) 

Kai gamintojas neturi pakankamai patirties, susijusios su naudojama medžiaga, turi būti atliekamas kontaktinio intarpo tinkamumo naudoti vertinimas (CV modulis, dar žr. 6.1.6 punktą).

6.1.4.    Projektavimo etapai, kuriais reikia atlikti vertinimą

1) 

Šios TSS H priedėlyje išsamiai nurodyta, kuriais projektavimo etapais turi būti atliekamas vertinimas pagal sąveikos sudedamosios dalims taikomus reikalavimus:

— 
Projektavimo ir tobulinimo etapu:
— 
projekto peržiūra ir (arba) projekto tyrimas,
— 
tipo bandymas – projekto patikros bandymas, jei nurodyta 4.2 skirsnyje, pagal to skirsnio nuostatas.
— 
Gamybos etapu – įprastas gamybos atitikties patikros bandymas.
Už įprastų bandymų vertinimą atsakinga įstaiga nustatoma atsižvelgiant į pasirinktą vertinimo modulį.
2) 

H priedėlio sandara atitinka 4.2 skirsnio sandarą; sąveikos sudedamosioms dalims keliami reikalavimai ir atitikties tiems reikalavimams vertinimo nuostatos pateiktos 5.3 skirsnyje, nurodant tam tikrus 4.2 skirsnio punktus; kai reikia, pateikiama ir nuoroda į 6.1.3 punkto papunktį.

6.1.5.    Inovaciniai sprendimai

1) 

Jeigu siūlomas sąveikos sudedamosios dalies inovacinis sprendimas (kaip apibrėžta 10 straipsnyje), gamintojas arba Europos Sąjungoje įsisteigęs jo įgaliotasis atstovas taiko 10 straipsnyje aprašytą procedūrą.

6.1.6.    Tinkamumo naudoti vertinimas

▼M3

1) 

Vertinimo procedūros dalis gali būti tinkamumo naudoti vertinimas pagal tipo patvirtinimo eksploataciniais bandymais procedūrą (CV modulis), kai vertinamos šios sąveikos sudedamosios dalys:

— 
ratai (žr. 6.1.3.1 punktą),
— 
automatinė keičiamojo vėžės pločio sistema (žr. 6.1.3.1a punktą),
— 
apsaugos nuo ratų slydimo sistema (žr. 6.1.3.2 punktą),
— 
kontaktiniai intarpai (žr. 6.1.3.8 punktą).

▼B

2) 

Prieš pradedant eksploatacinius bandymus, pagal tinkamą modulį (CB arba CH1) turi būti patvirtintas sudedamosios dalies projektas.

3) 

Eksploataciniai bandymai organizuojami gamintojo siūlymu, o gamintojas turi gauti geležinkelio įmonės sutikimą prisidėti prie tokio vertinimo.

6.2.    Riedmenų posistemis

6.2.1.    EB patikra (bendrosios nuostatos)

1) 

Riedmenų posistemiui taikomos EB patikros procedūros aprašytos ►M3  Direktyvos (ES) 2016/797 15 straipsnyje ir IV priede ◄ .

2) 

Riedmenų vieneto EB patikros procedūra atliekama pagal šios TSS 6.2.2 punkte nustatytą modulį arba modulių derinį.

3) 

Pareiškėjui vykdant pirmosios pakopos vertinimą, apimantį projektavimo etapą arba projektavimo ir gamybos etapus, pareiškėjo pasirinkta paskelbtoji įstaiga išduoda tarpinės posistemio patikros (TPP) sertifikatą ir parengiama EB tarpinės posistemio atitikties deklaracija.

6.2.2.    Modulių taikymas

Posistemių EB patikros moduliai



SB modulis

EB tipo tyrimas

SD modulis

EB patikra, pagrįsta gamybos proceso kokybės valdymo sistema

SF modulis

EB patikra, pagrįsta gaminio patikra

SH1 modulis

EB patikra, pagrįsta visiško kokybės valdymo sistema ir projekto tyrimu

1) 

Kiekvienam nagrinėjamam posistemiui (arba posistemio daliai) pareiškėjas parenka vieną iš šių modulių derinių:

SB + SD arba SB + SF, arba SH1.

Tada pagal pasirinktą modulių derinį atliekamas vertinimas.

2) 

Jeigu atliekant kelias EB patikras (pvz., pagal kelias TSS, taikomas tam pačiam posistemiui) būtina atlikti patikrą, grindžiamą tų pačių gaminių vertinimu (SD arba SF modulis), leidžiama bendrai atlikti keletą vertinimų pagal SB modulį ir vieną vertinimą pagal gamybos modulį (SD arba SF). Tokiu atveju pagal SB modulį turi būti parengtos projektavimo ir tobulinimo etapų TPP deklaracijos.

3) 

Jeigu taikomas SB modulis, tipo tyrimo sertifikato galiojimas turi būti nurodytas pagal šios TSS 7.1.3 punkto „Taisyklės, susijusios su EB patikra“ nuostatas dėl B etapo.

4) 

Kai taikoma tam tikra vertinimo procedūra, be šios TSS 4.2 punkte išdėstytų reikalavimų, jos taikymas nustatytas toliau pateiktame 6.2.3 punkte.

6.2.3.    Konkrečios posistemių vertinimo procedūros

6.2.3.1.    Apkrovos sąlygos ir pasvertoji masė (4.2.2.10 punktas)

1) 

Pasvertoji masė matuojama esant apkrovos sąlygoms, atitinkančioms projektinę eksploatacinę masę be eksploatacinių medžiagų, kurių masės vertinti neprivaloma (pvz., gali būti vertinama „savoji masė“).

2) 

Kitas apkrovos sąlygas leidžiama nustatyti skaičiuojant.

3) 

Jei deklaruojama, kad riedmuo atitinka tipą (pagal šios TSS 6.2.2 ir 7.1.3 punktus):

— 
pasvėrus nustatyta bendroji riedmens masė, atitinkanti sąlygą „projektinė eksploatacinė masė“, nėra daugiau kaip 3 % didesnė už bendrąją to tipo riedmens masę, nurodytą tipo arba projekto tyrimo sertifikate, išduotame atlikus EB patikrą, ir 4.2.12 punkte aprašytuose techniniuose dokumentuose,
— 
be to, riedmenų vieneto, kurio projektinis greitis yra 250 km/h arba didesnis, „projektinės masės, kai naudingoji apkrova įprasta“ sąlygomis vienai ašiai tenkanti masė nėra daugiau kaip 4 % didesnė už deklaruotą vienai ašiai tomis pačiomis apkrovos sąlygomis tenkančią masę.

6.2.3.2.    Rato apkrova (4.2.3.2.2 punktas)

1) 

Rato apkrova matuojama „projektinės eksploatacinės masės“ sąlygomis (taikoma ta pati išimtis kaip 6.2.3.1 punkte).

6.2.3.3.    Sauga nuo nuriedėjimo nuo bėgių važiuojant kelio sąsūka (4.2.3.4.1 punktas)

▼M3

1) 

Atitiktis įrodoma pagal vieną iš metodų, nustatytų J-1 priedėlio 83 rodyklėje nurodytoje specifikacijoje.

▼B

2) 

Riedmenų vienetams, kuriuos ketinama naudoti 1 520 mm pločio vėžės sistemoje, leidžiama taikyti alternatyvius atitikties vertinimo metodus.

▼M3

6.2.3.4.    Važiavimo dinaminės savybės. Techniniai reikalavimai (4.2.3.4.2 a punktas)

1) Riedmenų vienetų, skirtų naudoti 1 435  mm, 1 524  mm arba 1 668  mm pločio vėžės sistemoje, atitiktis gali būti įrodoma pagal J-1 priedėlio 84 rodyklėje nurodytos specifikacijos 7 punktą.

4.2.3.4.2.1 ir 4.2.3.4.2.2 punktuose aprašyti parametrai vertinami pagal kriterijus, nustatytus J-1 priedėlio 84 rodyklėje nurodytoje specifikacijoje.

▼B

6.2.3.5.    Atitikties saugos reikalavimams vertinimas

Atitiktis 4.2 punkte išdėstytiems saugos reikalavimams įrodoma taip:

1) 

šio vertinimo sritis yra griežtai apribota – vertinama tik riedmens konstrukcija, atsižvelgiant į tai, kad naudojimas, bandymas ir techninė priežiūra atliekami pagal pareiškėjo nustatytas taisykles (kaip aprašyta techninėje byloje).

Pastabos

— 
Nustatydamas bandymo ir techninės priežiūros reikalavimus, pareiškėjas turi atsižvelgti į užtikrintiną saugos lygį (nuoseklumas); atitiktis įrodoma atsižvelgiant ir į bandymo bei techninės priežiūros reikalavimus.
— 
Į kitus posistemius ir žmogiškuosius veiksnius (klaidas) neatsižvelgiama;
2) 

pateikiant įrodymus dokumentais pagrindžiamos visos prielaidos, kuriomis remtasi aprašant paskirtį.

▼M3

3) 

Atitiktis 4.2.3.4.2, 4.2.3.5.3, 4.2.4.2.2, 4.2.5.3.5, 4.2.5.5.8 ir 4.2.5.5.9 punktuose nurodytiems saugos reikalavimams (su pavojingo gedimo scenarijumi susijusio poveikio mastas ir (arba) pasekmių sunkumo lygis) įrodoma vienu iš šių dviejų būdų:

1) 

Suderinto rizikos priimtinumo kriterijaus, susijusio su 4.2 punkte nurodytu poveikio mastu (pvz. „mirties atvejai“ dėl avarinio stabdymo.), taikymas.

Pareiškėjas gali nuspręsti taikyti šį metodą, jei sprendime dėl bendrojo saugos būdo rizikai vertinti (Komisijos įgyvendinimo reglamente (ES) Nr. 402/2013 ( 14 ) su vėlesniais pakeitimais yra nustatytas suderintas rizikos priimtinumo kriterijus.

Pareiškėjas atitiktį pagal suderintą kriterijų įrodo taikydamas bendrojo saugos būdo rizikai vertinti I-3 priedą. Įrodant galima taikyti šiuos principus (ir jų derinius): panašumo į standartinę (-es) sistemą (-as); praktikos kodeksų taikymo; akivaizdžios rizikos vertinimo taikymo (pvz., tikimybių metodo).

Pareiškėjas paskiria savo pateiktinų įrodymų vertinimo įstaigą: tai gali būti pasirinkta riedmenų posistemio notifikuotoji įstaiga arba vertinimo įstaiga, kaip apibrėžta bendrajame saugos būde rizikai vertinti.

Įrodymas pripažįstamas visose valstybėse narėse; arba

2) 

Rizikos analizės ir vertinimo pagal bendrąjį saugos būdą rizikai vertinti taikymas siekiant nustatyti taikytiną rizikos priimtinumo kriterijų ir įrodyti atitiktį pagal šį kriterijų.

Pareiškėjas gali bet kuriuo atveju nuspręsti taikyti šį metodą.

Pareiškėjas pasirenka įstaigą, kuri vertins jo pateiktus įrodymus, kaip nustatyta bendrajame saugos būde rizikai vertinti.

Saugos vertinimo ataskaita pateikiama laikantis reikalavimų, nustatytų bendrajame saugos būde rizikai vertinti su pakeitimais.

Į saugos vertinimo ataskaitą atsižvelgia leidimus išduodanti įstaiga, kaip nustatyta bendrojo saugos būdo rizikai vertinti I priedo 2.5.6 skirsnyje ir 15 straipsnio 2 dalyje.

▼B

4) 

Pagal kiekvieną pirmiau 3 punkte išvardytą TSS punktą atitinkamuose dokumentuose, pridedamuose prie EB patikros deklaracijos (pvz., paskelbtosios įstaigos išduotame EB sertifikate arba saugos vertinimo ataskaitoje) aiškiai nurodomas „taikytas metodas“ („1“ arba „2“); 2 metodo atveju nurodomas ir „taikytas rizikos priimtinumo kriterijus“.

6.2.3.6.    Naujų ratų profilių projektinės vertės (4.2.3.4.3.1 punktas)

1) 

Riedmenų vienetų, kurie skirti naudoti 1 435 mm pločio vėžės sistemoje, rato profilis ir atstumas tarp ratų aktyviųjų paviršių (4.2.3.5.2.1 punkte pateiktame 1 pav. nurodytas matmuo SR) pasirenkami taip, kad būtų užtikrinta, kad nebus viršyta 11 lentelėje nustatyta ribinė lygiaverčio kūgiškumo vertė, kai projektuojamas aširatis naudojamas taikant kiekvieną tipinio geležinkelio kelio parametrą, kaip nurodyta 12 lentelėje.

▼M3

Lygiaverčio kūgiškumo nustatymas aprašytas J-1 priedėlio 107 rodyklėje nurodytoje specifikacijoje.

▼B



11 lentelė

Lygiaverčio kūgiškumo projektinės ribinės vertės

Didžiausias transporto priemonės eksploatacinis greitis (km/h)

Lygiaverčio kūgiškumo ribinės vertės

Bandymo sąlygos

(žr. 12 lentelę)

< = 60

nenustatyta

nenustatyta

> 60, bet < 190

0,30

visos

> = 190, bet ≤ 230

0,25

1, 2, 3, 4, 5 ir 6

> 230, bet ≤ 280

0,20

1, 2, 3, 4, 5 ir 6

> 280, bet ≤ 300

0,10

1, 3, 5 ir 6

> 300

0,10

1 ir 3



12 lentelė

Lygiaverčio kūgiškumo bandymų kelio sąlygos būdingos tam tikram tinklui. Visi bėgio profiliai apibrėžti J-1 priedėlio 85 rodyklėje nurodytoje specifikacijoje

Bandymo sąlygos Nr.

Bėgio galvutės profilis

Bėgio pokrypis

Vėžės plotis

1

Bėgio profilis 60 E1

1 kas 20

1 435 mm

2

Bėgio profilis 60 E1

1 kas 40

1 435 mm

3

Bėgio profilis 60 E1

1 kas 20

1 437 mm

4

Bėgio profilis 60 E1

1 kas 40

1 437 mm

5

Bėgio profilis 60 E2

1 kas 40

1 435 mm

6

Bėgio profilis 60 E2

1 kas 40

1 437 mm

7

Bėgio profilis 54 E1

1 kas 20

1 435 mm

8

Bėgio profilis 54 E1

1 kas 40

1 435 mm

9

Bėgio profilis 54 E1

1 kas 20

1 437 mm

10

Bėgio profilis 54 E1

1 kas 40

1 437 mm

Laikoma, kad šio punkto reikalavimus atitinka nenusidėvėjusio S1002 arba GV 1/40 profilio (kaip apibrėžta J-1 priedėlio 86 rodyklėje nurodytoje specifikacijoje) aširačiai, kurių tarpas tarp aktyviųjų paviršių yra 1 420 –1 426 mm.

2) 

Riedmenų vienetų, kurie skirti naudoti 1 524 mm pločio vėžės sistemoje, rato profilis ir atstumas tarp ratų aktyviųjų paviršių parenkami pagal šiuos pradinius duomenis:



13 lentelė

Lygiaverčio kūgiškumo projektinės ribinės vertės

Didžiausias transporto priemonės eksploatacinis greitis (km/h)

Lygiaverčio kūgiškumo ribinės vertės

Bandymo sąlygos

14 lentelę)

< = 60

nenustatyta

nenustatyta

> 60, bet ≤ 190

0,30

1, 2, 3, 4, 5 ir 6

> 190, bet ≤ 230

0,25

1, 2, 3 ir 4

> 230, bet ≤ 280

0,20

1, 2, 3 ir 4

> 280, bet ≤ 300

0,10

3, 4, 7 ir 8

> 300

0,10

7 ir 8



14 lentelė

Lygiaverčio kūgiškumo bandymų kelio sąlygos Visi bėgio profiliai apibrėžti J-1 priedėlio 85 rodyklėje nurodytoje specifikacijoje

Bandymo sąlygos Nr.

Bėgio galvutės profilis

Bėgio pokrypis

Vėžės plotis

1

Bėgio profilis 60 E1

1 kas 40

1 524 mm

2

Bėgio profilis 60 E1

1 kas 40

1 526 mm

3

Bėgio profilis 60 E2

1 kas 40

1 524 mm

4

Bėgio profilis 60 E2

1 kas 40

1 526 mm

5

Bėgio profilis 54 E1

1 kas 40

1 524 mm

6

Bėgio profilis 54 E1

1 kas 40

1 526 mm

7

Bėgio profilis 60 E1

1 kas 20

1 524 mm

8

Bėgio profilis 60 E1

1 kas 20

1 526 mm

Laikoma, kad šio punkto reikalavimus atitinka nenusidėvėjusio S1002 arba GV 1/40 profilio (kaip apibrėžta J-1 priedėlio 86 rodyklėje nurodytoje specifikacijoje) aširačiai, kurių tarpas tarp aktyviųjų paviršių yra 1 510 mm.

3) 

Riedmenų vienetų, kurie skirti naudoti 1 668 mm pločio vėžės sistemoje, 15 lentelėje nustatytos lygiaverčio kūgiškumo vertės neviršijamos, kai modeliuojamas suprojektuoto aširačio riedėjimas tipinėmis geležinkelio kelio bandymų sąlygomis, kaip nurodyta 16 lentelėje.



15 lentelė

Lygiaverčio kūgiškumo projektinės ribinės vertės

Didžiausias transporto priemonės eksploatacinis greitis (km/h)

Lygiaverčio kūgiškumo ribinės vertės

Bandymo sąlygos

16 lentelę)

< = 60

nenustatyta

nenustatyta

> 60, bet < 190

0,30

visos

≥ 190, bet ≤ 230

0,25

1 ir 2

> 230, bet ≤ 280

0,20

1 ir 2

> 280, bet ≤ 300

0,10

1 ir 2

> 300

0,10

1 ir 2



16 lentelė

Lygiaverčio kūgiškumo bandymų kelio sąlygos. Visi bėgio profiliai apibrėžti J-1 priedėlio 85 rodyklėje nurodytoje specifikacijoje

Bandymo sąlygos Nr.

Bėgio galvutės profilis

Bėgio pokrypis

Vėžės plotis

1

Bėgio profilis 60 E1

1 kas 20

1 668 mm

2

Bėgio profilis 60 E1

1 kas 20

1 670 mm

3

Bėgio profilis 54 E1

1 kas 20

1 668 mm

4

Bėgio profilis 54 E1

1 kas 20

1 670 mm

Laikoma, kad šio punkto reikalavimus atitinka nenusidėvėjusio S1002 arba GV 1/40 profilio (kaip apibrėžta J-1 priedėlio 86 rodyklėje nurodytoje specifikacijoje) aširačiai, kurių tarpas tarp aktyviųjų paviršių yra 1 653 –1 659 mm.

6.2.3.7.    Aširačių mechaninės ir geometrinės savybės (4.2.3.5.2.1 punktas)

Aširatis

1) 

Agregato atitikties įrodymas grindžiamas J-1 priedėlio 87 rodyklėje nurodyta specifikacija, kurioje nustatytos ašinės jėgos ribinės vertės, ir susijusiais patikros bandymais.

Ašys

2) 

Nevaromųjų ašių mechaninio atsparumo ir nuovargio savybių atitiktis įrodoma pagal J-1 priedėlio 88 rodyklėje nurodytos specifikacijos 4, 5 ir 6 punktus, o varomųjų ašių – pagal J-1 priedėlio 89 rodyklėje nurodytos specifikacijos 4, 5 ir 6 punktus.

Nevaromosioms ašims taikomi sprendimo dėl leidžiamo įtempio kriterijai nustatyti J-1 priedėlio 88 rodyklėje nurodytos specifikacijos 7 punkte, o varomosioms ašims – J-1 priedėlio 89 rodyklėje nurodytos specifikacijos 7 punkte.

3) 

Prielaida dėl apkrovos sąlygų, kuria remiantis atlikti skaičiavimai, aiškiai nurodoma techniniuose dokumentuose, kaip nustatyta šios TSS 4.2.12 punkte.

Ašių patikra

4) 

Nustatoma patikros procedūra, pagal kurią gamybos etape užtikrinama, kad saugai nepakenktų trūkumai, atsiradę pasikeitus mechaninėms ašių savybėms.

5) 

Patikrinamas ašies medžiagos atsparumas tempimui, smūgiams, paviršiaus vientisumas, medžiagos savybės ir medžiagos švarumas.

Pagal patikros procedūrą nustatoma kiekvienai tikrintinai savybei taikoma partijos atranka.

Ašidėžės/guoliai

6) 

Ritininio guolio mechaninio atsparumo ir nuovargio savybių atitiktis įrodoma pagal J-1 priedėlio 90 rodyklėje nurodytą specifikaciją.

7) 

Kitas aširačių, ašių ir ratų atitikties vertinimo metodas, taikomas, kai siūlomas techninis sprendimas nenumatytas EN standartuose.

Jei siūlomas techninis sprendimas nenumatytas EN standartuose, leidžiama naudotis kitais standartais; tuo atveju paskelbtoji įstaiga patikrina, ar alternatyvūs standartai sudaro dalį techniškai suderintų aširačių projektavimo, konstravimo ir bandymo standartų rinkinio, kuriame nustatyti konkretūs aširačiams, ratams, ašims ir ašių guoliams taikomi reikalavimai, kurie apima:

— 
aširačio surinkimą,
— 
mechaninį atsparumą,
— 
nuovargio savybes,
— 
leidžiamo įtempio ribas,
— 
termomechanines savybes.

Pateikiant pirmiau reikalaujamus įrodymus galima remtis tik viešai prieinamais standartais.

▼M4

Notifikuotosios įstaigos atliekama patikra turi užtikrinti alternatyvių standartų, pareiškėjo padarytų prielaidų, numatomo techninio sprendimo ir numatomos naudojimo teritorijos suderinamumą.

▼B

8) 

Specifinis atvejis, kai aširačiai, ašys ir ašidėžės/guoliai gaminami pagal esamą projektą.

Kai gaminiai gaminami pagal projektą, kuris buvo sukurtas ir jau naudotas pateikiant gaminius rinkai prieš įsigaliojant tiems gaminiams taikomai TSS, pareiškėjas gali nukrypti nuo pirmiau nurodytos atitikties vertinimo procedūros ir įrodyti atitiktį šios TSS reikalavimams remdamasis projekto peržiūra ir tipo tyrimu, atliktais palyginamomis sąlygomis pagal ankstesnes paraiškas; šie įrodymai pagrindžiami dokumentais ir laikomi įrodymais, lygiaverčiais SB modulio taikymui arba projekto patikrai pagal SH1 modulį.

▼M3

6.2.3.7a.    Automatinė keičiamojo vėžės pločio sistema

1) Saugos analizė, reikalaujama 4.2.3.5.3 skirsnio 5 punkte ir atliekama SSD lygmeniu, konsoliduojama riedmenų vieneto (transporto priemonės) lygmeniu; ypač gali reikėti peržiūrėti pagal 6.1.3.1a skirsnio 3 punktą padarytas prielaidas, siekiant atsižvelgti į transporto priemonę ir jos paskirtį.

2) SSD integravimo važiuoklėje ar riedmenų vienete ir techninio suderinamumo su kelio vėžės pakeitimo įrenginiu vertinimą sudaro šie elementai:

— 
atitikties naudojimo sričiai, apibrėžtai 5.3.4.a skirsnio 1 punkte, patikra;
— 
tinkamo SSD integravimo važiuoklėje ar riedmenų vienete patikra, įskaitant tinkamą jos riedmens kontrolės ar stebėjimo sistemos (jei taikoma) veikimą, ir
— 
bandymai kelyje, įskaitant bandymus kelio vėžės pakeitimo įrenginyje (-iuose), atitinkančiame (-iuose) eksploatavimo sąlygas.

▼B

6.2.3.8.    Avarinis stabdymas (4.2.4.5.2 punktas)

1) 

Stabdymo efektyvumas, kurį reikia išbandyti, yra J-1 priedėlio 91 rodyklėje nurodytoje specifikacijoje apibrėžtas stabdymo kelias. Lėtėjimas apskaičiuojamas pagal stabdymo kelią.

2) 

Bandymai atliekami ant sausų bėgių, taikant šias pradinio greičio vertes (jei jos mažesnės už didžiausią projektinį greitį): 30 km/h, 100 km/h, 120 km/h, 140 km/h, 160 km/h, 200 km/h; ne didesniais kaip 40 km/h intervalais nuo 200 km/h iki didžiausio projektinio riedmenų vieneto greičio.

3) 

Bandymai atliekami apkrovos sąlygomis, atitinkančiomis „projektinę eksploatacinę masę“, „projektinę masę, kai naudingoji apkrova įprasta“ ir „maksimalią stabdymo apkrovą“ (kaip apibrėžta 4.2.2.10 ir 4.2.4.5.2 punktuose).

Jei esant 2 iš pirmiau nurodytų apkrovos sąlygų pagal atitinkamus EN standartus arba norminius dokumentus gaunamos panašios stabdžių bandymo sąlygos, vietoje 3 bandymo sąlygų leidžiama taikyti 2.

4) 

Bandymų rezultatai vertinami taikant metodiką, pagal kurią atsižvelgiama į šiuos aspektus:

— 
pradinių duomenų koregavimą,
— 
bandymo pakartojamumą – bandymo rezultatui patvirtinti bandymas kartojamas keletą kartų; vertinamas absoliutusis rezultatų skirtumas ir standartinis nuokrypis.

6.2.3.9.    Paprastasis stabdymas (4.2.4.5.3 punktas)

1) 

Didžiausias paprastojo stabdymo efektyvumas, kurį reikia išbandyti, nustatomas išmatuojant J-1 priedėlio 92 rodyklėje nurodytoje specifikacijoje apibrėžtą stabdymo kelią. Lėtėjimas apskaičiuojamas pagal stabdymo kelią.

2) 

Bandymai atliekami ant sausų bėgių, taikant pradinį greitį, lygų didžiausiam projektiniam riedmenų vieneto greičiui, ir vieną iš 4.2.4.5.2 punkte apibrėžtų riedmenų vieneto apkrovos sąlygų.

3) 

Bandymų rezultatai vertinami taikant metodiką, pagal kurią atsižvelgiama į šiuos aspektus:

— 
pradinių duomenų koregavimą,
— 
bandymo pakartojamumą – bandymo rezultatui patvirtinti bandymas kartojamas keletą kartų; vertinamas absoliutusis rezultatų skirtumas ir standartinis nuokrypis.

6.2.3.10.    Apsaugos nuo ratų slydimo sistema (4.2.4.6.2 punktas)

1) 

Jeigu riedmenų vienete įrengta WSP sistema, siekiant patvirtinti šios sistemos eksploatacines savybes (didžiausią stabdymo kelio pailgėjimą, palyginti su stabdymo ant sausų bėgių keliu) pagal J-1 priedėlio 93 rodyklėje nurodytą specifikaciją atliekamas riedmenų vieneto bandymas silpno sankybio sąlygomis.

6.2.3.11.    Sanitarinės sistemos (4.2.5.1 punktas)

1) 

Jeigu iš sanitarinių sistemų galima išleisti skysčius į aplinką (pvz., ant bėgių), atitikties vertinimas gali būti grindžiamas ankstesniais eksploataciniais bandymais, jeigu laikomasi šių sąlygų:

— 
eksploatacinių bandymų rezultatai gauti naudojant tokio tipo įrangą, kurioje taikomas toks pats valymo metodas,
— 
bandymo sąlygos, t. y. apkrovos dydis, aplinkos sąlygos ir visi kiti parametrai, nuo kurių priklauso valymo veiksmingumas, yra panašios į vertinamo riedmenų vieneto naudojimo sąlygas.

Jeigu tinkamų eksploatacinių bandymų rezultatų nėra, atliekami tipo bandymai.

6.2.3.12.    Patalpų oro kokybė (4.2.5.8 ir 4.2.9.1.7 punktai)

1) 

CO2 lygio atitiktį leidžiama nustatyti apskaičiuojant vėdinimo sistemos įpučiamą gryno oro kiekį, darant prielaidą, kad tame ore yra 400 ppm CO2 ir kad vienas keleivis per valandą iškvepia 32 gramus CO2. Keleivių skaičius, kuriuo reikėtų remtis, nustatomas pagal riedmenų vieneto užimtumo lygį, atitinkantį sąlygą „projektinė masė, kai naudingoji apkrova įprasta“, kaip nustatyta šios TSS 4.2.2.10 punkte.

▼M3

6.2.3.13.    Sūkurinių oro srovių poveikis perone esantiems keleiviams ir šalia geležinkelio kelio esantiems darbuotojams (4.2.6.2.1 punktas)

1) Didžiausio leidžiamojo oro srauto greičio geležinkelio kelyje ribinės vertės, nurodytos šios TSS 4.2.6.2.1 punkte, atitiktį reikia įrodyti remiantis išsamiais bandymais tiesioje atkarpoje, atliekamais pagal J-1 priedėlio 94 rodyklėje nurodytos specifikacijos 6.2.2.1 punktą.

2) Vietoje pirmiau aprašyto išsamaus vertinimo leidžiama atlikti supaprastintą riedmens, kurio konstrukcija panaši į riedmens, kurio išsamus vertinimas, apibrėžtas šioje TSS, buvo atliktas, vertinimą. Tokiais atvejais galima naudoti supaprastintą atitikties vertinimą, apibrėžtą J-1 priedėlio 94 rodyklėje nurodytos specifikacijos 4.2.4 punkte, jei konstrukcijos skirtumai neviršija ribų, nurodytų J-1 priedėlio 94 rodyklėje nurodytos specifikacijos 7 lentelėje.

6.2.3.14.    Traukinio priekinės dalies sukelti slėgio pokyčiai (4.2.6.2.2 punktas)

1) Atitiktis vertinama remiantis išsamiais bandymais, atliekamais J-1 priedėlio 95 rodyklėje nurodytos specifikacijos 6.1.2.1 punkte nustatytomis sąlygomis. Alternatyviai atitiktis gali būti vertinama atliekant patvirtintą skaičiuojamosios skysčių dinamikos modeliavimą, kaip aprašyta J-1 priedėlio 95 rodyklėje nurodytos specifikacijos 6.1.2.4 punkte, arba atliekant judančio modelio bandymus, kaip nustatyta J-1 priedėlio 95 rodyklėje nurodytos specifikacijos 6.1.2.2 punkte.

2) Vietoje pirmiau aprašyto išsamaus vertinimo leidžiama atlikti supaprastintą riedmens, kurio konstrukcija panaši į riedmens, kurio išsamus vertinimas, apibrėžtas šioje TSS buvo atliktas, vertinimą. Tokiais atvejais galima naudoti supaprastintą atitikties vertinimą, apibrėžtą J-1 priedėlio 95 rodyklėje nurodytos specifikacijos 4.1.4 punkte, jei konstrukcijos skirtumai neviršija ribų, nurodytų J-1 priedėlio 95 rodyklėje nurodytos specifikacijos 4 lentelėje.

▼B

6.2.3.15.    Didžiausi slėgio pokyčiai tuneliuose (4.2.6.2.3 punktas)

1) 

Atitiktis įrodoma remiantis išsamiais bandymais, atliekamais etaloniniu arba didesniu greičiu tunelyje, kurio skerspjūvio plotas kuo tiksliau atitinka etaloninį atvejį. Perkėlimas į etalonines sąlygas atliekamas naudojant patvirtintą modeliavimo programą.

2) 

Vertinant viso traukinio arba pastovios sudėties traukinio sąstato atitiktį vertinamas ne didesnio kaip 400 m ilgio traukinys arba pastovios sudėties traukinio sąstatų junginys.

3) 

Vertinant lokomotyvo arba valdomo keleivinio vagono atitiktį vertinimas grindžiamas dviem laisvai pasirinktos traukinio, kurio mažiausias ilgis yra 150 m, sudėties variantais, kurių viename lokomotyvas arba valdomas keleivinis vagonas yra sąstato priekyje (kad būtų galima patikrinti ΔpN), o kitame – sąstato gale (kad būtų galima patikrinti ΔpT). Nustatoma 1 250 Pa (traukiniams, kurių vtr,max < 250 km/h) arba 1 400 Pa (traukiniams, kurių vtr,max ≥ 250 km/h) ΔpFr vertė.

4) 

Vertinant tik keleivinių vagonų atitiktį, vertinimas atliekamas remiantis vienu 400 m ilgio traukiniu.

Nustatomos 1 750 Pa ΔpN ir 700 Pa ΔpT vertės (traukiniams, kurių vtr,max < 250 km/h) arba atitinkamai 1 600 Pa ir 1 100 Pa (traukiniams, kurių vtr,max ≥ 250 km/h) vertės.

5) 

Atstumas xp nuo įvažiavimo vartų iki matavimo vietos, ΔpFr, ΔpN ir ΔpT apibrėžtys, mažiausias tunelio ilgis ir išsamesnė informacija kaip išvesti būdingąjį slėgio pokytį pateikti J-1 priedėlio 96 rodyklėje nurodytoje specifikacijoje.

6) 

Vertinant neatsižvelgiama į slėgio pokytį dėl tunelio įvažiavimo ir išvažiavimo taškų aukščių skirtumo.

6.2.3.16.    Šoninis vėjas (4.2.6.2.4 punktas)

1) 

Atitikties vertinimas išsamiai nustatytas 4.2.6.2.4 punkte.

6.2.3.17.    Įspėjamojo garso signalo garso slėgio lygiai (4.2.7.2.2 punktas)

1) 

Įspėjamojo garso signalo įtaiso garso slėgio lygis matuojamas ir tikrinamas pagal J-1 priedėlio 97 rodyklėje nurodytą specifikaciją.

6.2.3.18.    Didžiausia galia ir stipriausia srovė iš orinės kontaktinės linijos (4.2.8.2.4 punktas)

1) 

Atitiktis vertinama pagal J-1 priedėlio 98 rodyklėje nurodytą specifikaciją.

6.2.3.19.    Galios faktorius (4.2.8.2.6 punktas)

1) 

Atitiktis vertinama pagal J-1 priedėlio 99 rodyklėje nurodytą specifikaciją.

▼M2

6.2.3.19a.    Riedmenyje įrengta energijos matavimo sistema (4.2.8.2.8 punktas)

1)   Energijos matavimo funkcija

Kiekvieno įrenginio, atliekančio vieną arba daugiau energijos matavimo funkcijų, tikslumas vertinamas išbandant kiekvieną funkciją etaloninėmis sąlygomis pagal atitinkamą metodą, aprašytą J priedėlio 1 punkto 117 rodyklėje nurodytos specifikacijos 5.4.3.4.1, 5.4.3.4.2 ir 5.4.4.3.1 punktuose. Atliekant bandymą pateikiamos energijos kiekis ir galios faktoriaus intervalas atitinka J priedėlio 1 punkto 117 rodyklėje nurodytos specifikacijos 3 lentelėje nustatytas vertes.

Temperatūros poveikis kiekvieno įrenginio, atliekančio vieną arba daugiau energijos matavimo funkcijų, tikslumui vertinamas išbandant kiekvieną funkciją etaloninėmis sąlygomis (išskyrus temperatūrą) pagal atitinkamą metodą, aprašytą J priedėlio 1 punkto 117 rodyklėje nurodytos specifikacijos 5.4.3.4.3.1 ir 5.4.4.3.2.1 punktuose.

Kiekvieno įrenginio, atliekančio vieną arba daugiau energijos matavimo funkcijų, vidutinis temperatūrinis koeficientas vertinamas išbandant kiekvieną funkciją etaloninėmis sąlygomis (išskyrus temperatūrą) pagal atitinkamą metodą, aprašytą J priedėlio 1 punkto 120 rodyklėje nurodytos specifikacijos 5.4.3.4.3.2 ir 5.4.4.3.2.2 punktuose.

2)   Duomenų tvarkymo sistema

Duomenų kompiliavimas ir tvarkymas duomenų tvarkymo sistemoje vertinamas bandymais pagal J priedėlio 1 punkto 121 rodyklėje nurodytoje specifikacijoje aprašytą metodą.

3)   Riedmenyje įrengta energijos matavimo sistema

Energijos matavimo sistema vertinama bandymais, kaip aprašyta J priedėlio 1 punkto 122 rodyklėje nurodytoje specifikacijoje nurodytoje specifikacijoje.

▼B

6.2.3.20.    Srovės imtuvo dinaminės savybės (4.2.8.2.9.6 punktas)

1) 

Kai riedmenų vienete, kuris vertinamas pagal lokomotyvų ir keleivinių riedmenų TSS, yra sumontuotas pantografas, turintis EB atitikties arba tinkamumo naudoti kaip SSD deklaraciją, neviršijant projektinio riedmenų vieneto greičio atliekami pantografo dinaminiai bandymai siekiant išmatuoti vidutinę prispaudžiamąją jėgą ir standartinį nuokrypį arba procentinę kibirkščiavimo vertę, kaip nustatyta J-1 priedėlio 100 rodyklėje nurodytoje specifikacijoje.

2) 

Kiekvienas įrengtas riedmenų vienetų, skirtų naudoti 1 435 mm arba 1 668 mm pločio vėžės sistemoje, pantografas išbandomas abiem važiavimo kryptimis ir į bandymus įtraukiamas važiavimas ruožuose, kuriuose kontaktinis laidas yra žemai (5,0–5,3 m aukštyje), ir ruožuose, kuriuose kontaktinis laidas yra aukštai (5,5–5,75 m aukštyje).

Į riedmenų vienetų, skirtų naudoti 1 520 mm ir 1 524 mm pločio vėžės sistemose, bandymus įtraukiamas važiavimas ruožuose, kuriuose kontaktinio laido aukštis yra 6,0–6,3 m.

3) 

Bandymai atliekami važiuojant ne mažiau kaip trim greičiais, įskaitant riedmenų vieneto projektinį greitį, bet jo neviršijant. Paeiliui atliekamų bandymų greitis skiriasi ne daugiau kaip 50 km/h.

4) 

Per bandymą statinė prispaudžiamoji jėga reguliavimo intervale sureguliuojama pagal kiekvieną konkrečią elektros energijos tiekimo sistemą, kaip nustatyta 4.2.8.2.9.5 punkte.

5) 

Matavimo rezultatai turi atitikti 4.2.8.2.9.6 punkte nurodytus vidutinės prispaudžiamosios jėgos ir standartinio nuokrypio arba kibirkščiavimo procentinės vertės reikalavimus.

6.2.3.21.    Pantografų išdėstymas (4.2.8.2.9.7 punktas)

1) 

Su dinaminėmis srovės ėmimo savybėmis susijusios charakteristikos tikrinamos kaip nurodyta 6.2.3.20 punkte.

6.2.3.22.    Priekinis stiklas (4.2.9.2 punktas)

1) 

Priekinio stiklo savybės tikrinamos kaip nustatyta J-1 priedėlio 101 rodyklėje nurodytoje specifikacijoje.

6.2.3.23.    Gaisro aptikimo sistemos (4.2.10.3.2 punktas)

1) 

Atitiktis 4.2.10.3.2 punkto 1 papunkčio reikalavimui nustatoma patikrinant, ar įrengta gaisro aptikimo sistema šiose riedmenų vieneto srityse:

— 
sandarioje arba nesandarioje techninėje patalpoje arba spintoje, kurioje yra elektros tiekimo linija ir (arba) traukos grandinės įranga,
— 
techninėje zonoje, kurioje yra vidaus degimo variklis,
— 
miegamuosiuose keleiviniuose vagonuose ir miegamosiose kupė, įskaitant jo darbuotojų kupė ir prie jų esančiose perėjose bei prie jų esančiose vidaus degimo šildymo įrangos patalpose.

6.2.4.    Projektavimo etapai, kuriais reikia atlikti vertinimą

1) 

Šios TSS H priedėlyje išsamiai nurodyta, kokiais projektavimo etapais turi būti atliekamas vertinimas:

— 
Projektavimo ir tobulinimo etapu:
— 
projekto peržiūra ir (arba) projekto tyrimas,
— 
tipo bandymas – projekto patikros bandymas, jei nurodyta 4.2 skirsnyje, pagal to skirsnio nuostatas.
— 
Gamybos etapu – įprastas gamybos atitikties patikros bandymas.
Už įprastų bandymų vertinimą atsakinga įstaiga nustatoma atsižvelgiant į pasirinktą vertinimo modulį.
2) 

H priedėlio struktūra atitinka 4.2 skirsnį, kuriame nustatyti riedmenų posistemiui taikomi reikalavimai ir pateiktos atitikties tiems reikalavimams vertinimo nuostatos; kai reikia, pateikiama ir nuoroda į 6.2.2.2 punkto papunktį.

Visų pirma, jeigu H priedėlyje nurodytas tipo bandymas, atsižvelgiama į 4.2 skirsnyje nustatytas su šiuo bandymu susijusias sąlygas ir reikalavimus.

3) 

Jeigu atliekant kelias EB patikras (pvz., pagal kelias TSS, taikomas tam pačiam posistemiui) būtina atlikti patikrą, grindžiamą tų pačių gaminių vertinimu (SD arba SF modulis), leidžiama bendrai atlikti keletą vertinimų pagal SB modulį ir vieną vertinimą pagal gamybos modulį (SD arba SF). Tokiu atveju pagal SB modulį turi būti parengtos projektavimo ir tobulinimo etapų TPP deklaracijos.

(4) 

Jeigu taikomas SB modulis, EB tarpinės posistemio atitikties deklaracijos galiojimas turi būti nurodytas pagal šios TSS 7.1.3 punkte „Su EB patikra susijusios taisyklės“ B etapui taikomas nuostatas.

6.2.5.    Inovaciniai sprendimai

1) 

Jeigu siūlomas riedmenų posistemio inovacinis sprendimas (kaip apibrėžta 10 straipsnyje), pareiškėjas taiko 10 straipsnyje aprašytą procedūrą.

6.2.6.    Reikalaujamų naudojimo ir techninės priežiūros dokumentų vertinimas

1) 

Pagal ►M3  Direktyvos (ES) 2016/797 15 straipsnio 4 dalį ◄ paskelbtoji įstaiga atsakinga už techninės bylos, į kurią įtraukiami naudojimui ir techninei priežiūrai reikalingi dokumentai, sudarymą.

2) 

Paskelbtoji įstaiga patikrina tik ar pateikti naudojimui ir techninei priežiūrai reikalingi dokumentai, kaip nustatyta šios TSS 4.2.12 punkte. Paskelbtoji įstaiga neprivalo tikrinti dokumentuose pateiktos informacijos.

6.2.7.    Bendrojo naudojimo paskirties riedmenų vienetų vertinimas

1) 

Jeigu bendrojo naudojimo paskirties naujas, modernizuotas arba rekonstruotas riedmenų vienetas turi būti vertinamas pagal šią TSS (kaip nustatyta 4.1.2 punkte), pagal kai kuriuos TSS reikalavimus tokiems riedmenų vienetams įvertinti reikalingas standartinis traukinys. Tai nurodyta atitinkamose 4.2 skirsnio nuostatose. Atitikties kai kuriems TSS reikalavimams įvertinti riedmenų vieneto lygmeniu negalima; tokie atvejai aprašyti atitinkamuose šios TSS 4.2 skirsnio reikalavimuose.

2) 

Paskelbtoji įstaiga netikrina riedmens, kuris, sukabintas su vertinamu riedmenų vienetu, užtikrina traukinio atitiktį TSS, naudojimo srities, t. y. to riedmens tipo.

3) 

Suteikus leidimą tokį riedmenų vienetą naudoti, už jo naudojimą traukinio sąstate (nepaisant to, ar jis atitinka TSS) atsako geležinkelio įmonė pagal traukinių eismo organizavimo ir valdymo TSS 4.2.2.5 punkte (traukinio sudėtis) nustatytas taisykles.

▼M3

6.2.7a.    Papildomi neprivalomi reikalavimai, keliami bendrojo naudojimo paskirties riedmenų vienetams

1) Atitiktis šiam 2–9 sąlygų rinkiniui neprivaloma ir ja siekiama tik sudaryti sąlygas keistis bendrosios paskirties riedmenimis. Atitiktis šioms nuostatoms neužtikrina visiško riedmenų vienetų pakeičiamumo ir nepanaikina geležinkelio įmonės atsakomybės dėl šių riedmenų vienetų naudojimo sąstate, kaip aprašyta 6.2.7 punkte. Jei pareiškėjas nusprendžia šių sąlygų laikytis, notifikuotoji įstaiga atitiktį turi įvertinti pagal EB patikros procedūrą. Apie tai nurodoma sertifikate ir techniniuose dokumentuose.

2) Riedmenų vienete įrengiama rankinė sukabinimo sistema, apibrėžta 4.2.2.2.3 b ir 5.3.2 punktuose.

3) Riedmenų vienete įrengiama EN-UIC stabdžių sistema, kaip apibrėžta J-1 priedėlio 22 rodyklėje nurodytoje specifikacijoje.

4) Riedmenų vienetas turi atitikti šios TSS reikalavimus bent temperatūros intervale T1 (nuo – 25 °C iki +40 °C; vardinės vertės), kaip apibrėžta šios TSS 4.2.6.1 punkte ir J-1 priedėlio 34 rodyklėje nurodytoje specifikacijoje.

5) Galiniai žibintai, reikalaujami 4.2.7.1 punkte, montuojami kaip fiksuoti galiniai žibintai.

6) Jei riedmenų vienete įrengta keleivinių vagonų perėja, ji turi atitikti J-1 priedėlio 113 rodyklėje nurodytą specifikaciją.

7) Elektros energijos tiekimas turi atitikti 4.2.11.6 skirsnio 4 punktą.

8) Fizinė signalų perdavimo sąsaja tarp riedmenų vienetų turi užtikrinti, kad bent vienos linijos kabelis ir kištukas būtų suderinami su 18 laidininkų kabeliu, apibrėžtu J-1 priedėlio 114 rodyklėje nurodytos specifikacijos 2 lape.

9) Riedmenų vienetas pažymimas bent toliau nurodytais ženklais pagal J-1 priedėlio 115 rodyklėje nurodytą specifikaciją:

— 
ilgis su taukšais;
— 
elektros energijos tiekimas.

▼B

6.2.8.    Riedmenų vienetų, numatytų naudoti numatytajame (-uosiuose) sąstate (-uose), vertinimas

1) 

Jeigu vertinamas naujas, modernizuotas arba rekonstruotas riedmenų vienetas, kurį numatyta įtraukti į numatytąjį (-uosius) sąstatą (-us) (kaip nustatyta 4.1.2 punkte), EB patikros sertifikate turi būti nurodytas (-i) sąstatas (-ai), kuriam (-iems) galioja tas vertinimas: su vertinamu riedmenų vienetu sukabinto riedmens tipas, transporto priemonių kiekis sąstate (-uose), transporto priemonių išdėstymas sąstate (-uose), užtikrinantys sąstato atitiktį šiai TSS.

2) 

Jeigu nurodyta šioje TSS, traukinio lygmeniu taikomi TSS reikalavimai turi būti vertinami naudojant standartinį traukinio sąstatą pagal šios TSS nuostatas.

3) 

Suteikus leidimą tokį riedmenų vienetą naudoti, jis gali būti sukabinamas su kitais riedmenų vienetais į sąstatus, nurodytus EB patikros sertifikate.

6.2.9.    Konkretus atvejis: riedmenų vienetų, numatytų įtraukti į turimą nekintamos sudėties sąstatą, vertinimas

6.2.9.1.    Aplinkybės

1) 

Šis konkretus vertinimo atvejis taikomas tada, kai keičiama pastovios sudėties sąstato, kuris jau pradėtas naudoti, dalis.

Toliau aprašyti du atvejai – kai pastovios sudėties sąstatas atitinka techninę sąveikos specifikaciją ir kai jos neatitinka.

Toliau pateiktame tekste vertinama pastovios sudėties sąstato dalis vadinama „riedmenų vienetas“.

6.2.9.2.    Atvejis, kai pastovios sudėties sąstatas atitinka TSS

1) 

Jeigu naujas, modernizuotas arba rekonstruotas riedmenų vienetas, kurį numatyta įtraukti į turimą pastovios sudėties sąstatą, turi būti vertinamas pagal šią TSS, ir yra galiojantis turimo pastovios sudėties sąstato EB patikros sertifikatas, atnaujinant turimo pastovios sudėties sąstato, kuris laikomas rekonstruotu, sertifikatą reikalaujama atlikti tik naujos to pastovios sudėties sąstato dalies vertinimą pagal TSS (taip pat žr. 7.1.2.2 punktą).

6.2.9.3.    Atvejis, kai pastovios sudėties sąstatas neatitinka TSS

1) 

Jeigu naujas, modernizuotas arba rekonstruotas riedmenų vienetas, kurį numatyta įtraukti į turimą pastovios sudėties sąstatą, turi būti vertinamas pagal šią TSS, ir nėra galiojančio turimo pastovios sudėties sąstato EB patikros sertifikato, EB patikros sertifikate turi būti nurodyta, kad pastovios sudėties sąstatas nebuvo įvertintas pagal taikomus TSS reikalavimus ir kad sertifikatas taikomas tik įvertintam riedmenų vienetui.

6.3.    Posistemis, kuriame naudojamos sąveikos sudedamosios dalys be EB deklaracijos

6.3.1.    Sąlygos

1) 

Pereinamuoju laikotarpiu, kuris baigiasi2017 m. gegužės 31 d., net jeigu kai kurios posistemyje naudojamos SSD yra be EB atitikties arba tinkamumo naudoti deklaracijos pagal šią TSS (nesertifikuotos SSD), paskelbtajai įstaigai leidžiama išduoti posistemio EB patikros sertifikatą, jeigu laikomasi šių kriterijų:

a) 

paskelbtoji įstaiga yra patikrinusi posistemio atitiktį šios TSS 4 skyriaus reikalavimams ir susijusioms 6.2–7 skirsnių nuostatoms (išskyrus skirsnį „Specifiniai atvejai“). Be to, SSD atitiktis 5 ir 6.1 skirsniams nėra privaloma ir

b) 

sąveikos sudedamosios dalys be atitinkamos EB atitikties arba tinkamumo naudoti deklaracijos iki šios TSS taikymo pradžios dienos buvo naudojamos jau patvirtintame ir naudojamame posistemyje bent vienoje iš valstybių narių.

2) 

Taip įvertintų sąveikos sudedamųjų dalių EB atitikties arba tinkamumo naudoti deklaracijos nerengiamos.

6.3.2.    Dokumentai

1) 

Posistemio EB patikros sertifikate aiškiai nurodoma, kurias sąveikos sudedamąsias dalis paskelbtoji įstaiga įvertino atlikdama posistemio patikrą.

2) 

Posistemio EB patikros deklaracijoje aiškiai nurodoma:

a) 

kurios sąveikos sudedamosios dalys buvo įvertintos kaip posistemio dalis;

b) 

patvirtinimas, kad posistemyje naudojamos patikrintosioms posistemio dalims tapačios sąveikos sudedamosios dalys;

c) 

priežastis (-ys), kodėl gamintojas, prieš įtraukdamas tas sąveikos sudedamąsias dalis į posistemį, nepateikė jų EB atitikties arba tinkamumo naudoti deklaracijos, įskaitant informaciją apie nacionalinių taisyklių, apie kurias pranešta pagal ►M3  Direktyvos (ES) 2016/797 14 straipsnį ◄  straipsnį, taikymą.

6.3.3.    Pagal 6.3.1 punktą sertifikuotų posistemių techninė priežiūra

1) 

Pereinamuoju laikotarpiu ir jam pasibaigus, kol posistemis nebus modernizuotas arba rekonstruotas (atsižvelgiant į valstybės narės sprendimą dėl TSS taikymo), už techninę priežiūrą atsakingų subjektų atsakomybe, atliekant techninę priežiūrą leidžiama kaip pakaitines (atsargines) posistemio dalis naudoti to paties tipo sąveikos sudedamąsias dalis be EB atitikties arba tinkamumo naudoti deklaracijos.

2) 

Visais atvejais už techninę priežiūrą atsakingi subjektai privalo užtikrinti, kad techninei priežiūrai naudojamos pakaitinės sudedamosios dalys būtų tinkamos naudoti pagal paskirtį, kad jos būtų naudojamos numatytoje srityje, leistų užtikrinti sąveiką geležinkelių sistemoje ir atitiktų esminius reikalavimus. Tokios sudedamosios dalys turi būti atsekamos ir sertifikuotos pagal nacionalines arba tarptautines taisykles arba geležinkelių srityje bendrai pripažintus praktikos kodeksus.

7.   ĮGYVENDINIMAS

7.1.    Bendrosios įgyvendinimo taisyklės

7.1.1.    Taikymas naujai pagamintiems riedmenims

7.1.1.1.    Bendrosios nuostatos

1) 

Ši TSS taikoma visiems jos taikymo sritį atitinkantiems riedmenų vienetams, kurie pradedami naudoti po 12 straipsnyje nustatytos šios TSS taikymo pradžios dienos, išskyrus kai taikomas 7.1.1.2 punktas „Pereinamasis etapas“, 7.1.1.3 punktas „Taikymas ►M3  specialiesiems riedmenims, kaip antai geležinkelių statybos ir priežiūros riedmenims ◄ “ arba 7.1.1.4 punktas „Taikymas transporto priemonei, skirtai naudoti tik 1 520 mm pločio vėžės sistemoje“.

2) 

Esamiems riedmenų vienetams, kurie šios TSS taikymo pradžios dieną jau buvo pradėti naudoti vienos iš valstybių narių tinkle (arba jo dalyje), ši TSS netaikoma, kol jie nebus modernizuoti arba rekonstruoti (žr. 7.1.2 punktą).

3) 

Visi riedmenys, gaminami pagal projektą, parengtą po šios TSS taikymo pradžios dienos, turi atitikti šią TSS.

7.1.1.2.    Pereinamasis etapas

7.1.1.2.1.   TSS taikymas pereinamuoju etapu

1) 

Įgyvendinant daug projektų arba sutarčių, pradėtų vykdyti iki šios TSS taikymo pradžios dienos, gali būti pagaminta riedmenų, kurie ne visiškai atitinka šią TSS. ►M3  Pagal Direktyvos 2016/797 4 straipsnio 3 dalies f punktą ◄ su tais projektais ar sutartimis susijusiems riedmenims nustatomas pereinamasis laikotarpis, kurį šios TSS taikymas nėra privalomas.

2) 

Šis pereinamasis laikotarpis taikomas:

— 
7.1.1.2.2 punkte apibrėžtiems projektams, kurių vykdymas yra gerokai pažengęs,
— 
7.1.1.2.3 punkte apibrėžtoms vykdomoms sutartims,
— 
7.1.1.2.4 punkte apibrėžtiems esamos konstrukcijos riedmenims.

▼M3

3) 

Šios TSS neprivaloma taikyti riedmenims, atitinkantiems vieną iš pirmiau nurodytų trijų atvejų, jeigu laikomasi vienos iš šių sąlygų:

— 
geležinkelių riedmenims, kuriems taikoma 2008 m. greitųjų geležinkelių riedmenų TSS arba 2011 m. paprastųjų geležinkelių lokomotyvų ir keleivinių riedmenų TSS, taikoma (-os) atitinkama (-os) TSS, įskaitant įgyvendinimo taisykles, ir yra nustatytas tipo arba projekto tyrimo sertifikato galiojimo laikotarpis (septyneri metai). Ši nuostata netaikoma transporto priemonėms, kurios neatitinka 2008 m. greitųjų geležinkelių riedmenų TSS arba 2011 m. paprastųjų geležinkelių lokomotyvų ir keleivinių riedmenų TSS ir pateikiamos rinkai po 2017 m. gegužės 31 d.,
— 
geležinkelių riedmenims, kuriems netaikoma nei 2008 m. greitųjų geležinkelių riedmenų TSS, nei 2011 m. paprastųjų geležinkelių lokomotyvų ir keleivinių riedmenų TSS, leidimas pateikti rinkai išduodamas pereinamuoju laikotarpiu, kuris baigiasi 2020 m. gruodžio 31 d.

▼B

4) 

Pereinamuoju etapu, jei pareiškėjas nusprendžia netaikyti šios TSS, jam primenama, kad ►M3  pagal Direktyvos (ES) 2016/797 21 straipsnį taikomos kitos TSS ir (arba) atitinkamose taikymo srityse – nacionalinės taisyklės, apie kurias pranešta, taip pat įgyvendinimo taisyklės dėl pateikimo rinkai ◄ .

Visų pirma, TSS, kurios šia TSS bus panaikintos, toliau taikomos 11 straipsnyje nustatytomis sąlygomis.

7.1.1.2.2.   Projektų, kurių įgyvendinimas gerokai pažengęs, apibrėžtis

1) 

Riedmenys, kurie projektuojami ir gaminami pagal projektą, kurio įgyvendinimas gerokai pažengęs, pagal ►M3  Direktyvos (ES) 2016/797 2 straipsnio 23 punkte ◄ pateiktą apibrėžtį.

2) 

Projekto įgyvendinimas turi būti gerokai pažengęs šios TSS taikymo pradžios dieną.

7.1.1.2.3.   Vykdomų sutarčių apibrėžtis

1) 

Riedmenys, kurie projektuojami ir gaminami pagal sutartį, kuri buvo pasirašyta iki šios TSS taikymo pradžios dienos.

2) 

Pareiškėjas turi pateikti taikomos pradinės sutarties pasirašymo dienos įrodymą. Nustatant atitinkamos sutarties pasirašymo datą neatsižvelgiama į papildymų, atliktų keičiant pradinę sutartį, datas.

7.1.1.2.4.   Esamos konstrukcijos riedmenų apibrėžtis

1) 

Riedmenys, kurie gaminami pagal projektą, parengtą iki šios TSS taikymo pradžios dienos, ir todėl nebuvo įvertinti pagal šią TSS.

2) 

Šioje TSS riedmuo gali būti laikomas esamos konstrukcijos riedmeniu, jeigu įvykdyta viena iš šių dviejų sąlygų:

— 
pareiškėjas gali įrodyti, kad naujasis riedmuo bus gaminamas pagal dokumentais pagrįstą projektą, kuris jau buvo naudojamas gaminant riedmenis, kuriuos valstybėje narėje leista pradėti naudoti iki šios TSS taikymo pradžios dienos,
— 
gamintojas arba pareiškėjas gali įrodyti, kad šios TSS taikymo pradžios dieną projektas buvo vykdomas pasirengimo gamybai etapu arba riedmenys jau buvo gaminami serijiniu būdu. Kad būtų galima tai įrodyti, turėjo būti pradėtas bent vieno bandomojo riedmens surinkimo etapas naudojant turimą identifikuojamą kėbulą, o sudedamosios dalys, jau užsakytos iš tiekėjų, turėjo sudaryti 90 % visos sudedamųjų dalių vertės.

Pareiškėjas nacionalinei saugos agentūrai turi įrodyti, kad laikomasi atitinkamame šio punkto papunktyje išdėstytų sąlygų (atsižvelgiant į konkrečias aplinkybes).

3) 

Keičiant esamą konstrukciją, iki 2017 m. gegužės 31 d. taikomos šios taisyklės:

— 
jeigu konstrukcija keičiama tik tiek, kiek būtina riedmens techniniam suderinamumui su stacionariais įrenginiais (sąsajomis su infrastruktūros, energijos ar kontrolės, valdymo ir signalizacijos posistemiais) užtikrinti, šios TSS taikyti neprivaloma,
— 
kitokių konstrukcijos pakeitimų atveju šis punktas dėl esamos konstrukcijos netaikomas.

7.1.1.3.    ►M3  Taikymas specialiesiems riedmenims, kaip antai geležinkelių statybos ir priežiūros riedmenims  ◄

1) 

Mobiliajai geležinkelių infrastruktūros statybos ir priežiūros įrangai (kaip apibrėžta 2.2 ir 2.3 skirsniuose) šios TSS taikyti neprivaloma.

2) 

Pareiškėjai gali savanoriškai taikyti 6.2.1 skirsnyje aprašytą atitikties vertinimo procedūrą, kad galėtų parengti EB patikros pagal šią TSS deklaraciją; ši EB patikros deklaracija pripažįstama valstybėse narėse.

3) 

Jeigu pareiškėjas nusprendžia netaikyti šios TSS, mobiliąją geležinkelių infrastruktūros statybos ir techninės priežiūros įrangą gali būti leidžiama naudoti ►M3  pagal Direktyvos (ES) 2016/797 21 straipsnį ir atsižvelgiant į nacionalines taisykles, susijusias su šios TSS pagrindiniais parametrais ◄ .

7.1.1.4.    Taikymas transporto priemonėms, skirtoms naudoti tik 1 520 mm pločio vėžės sistemoje

1) 

Pereinamuoju laikotarpiu, kuris baigiasi praėjus šešeriems metams nuo šios TSS taikymo pradžios dienos, šios TSS neprivaloma taikyti transporto priemonėms, skirtoms naudoti tik 1 520 mm pločio vėžės sistemoje.

2) 

Pareiškėjai gali savanoriškai taikyti 6.2.1 skirsnyje aprašytą atitikties vertinimo procedūrą, kad galėtų parengti EB patikros pagal šią TSS deklaraciją; ši EB patikros deklaracija pripažįstama valstybėse narėse.

3) 

Jeigu pareiškėjas nusprendžia netaikyti šios TSS, transporto priemonę gali būti leidžiama naudoti ►M3  pagal Direktyvos (ES) 2016/797 21 straipsnį ir atsižvelgiant į nacionalines taisykles, susijusias su šios TSS pagrindiniais parametrais ◄ .

▼M2

7.1.1.4a.    Pereinamojo laikotarpio priemonė dėl riedmenyje įrengtos energijos matavimo sistemos reikalavimo

►M3  4.2.8.2.8.4 ◄ punkte nustatyti reikalavimai pereinamuoju laikotarpiu, kuris baigiasi 2022 m. sausio 1 d., neprivalomi projektams, kurių vykdymas 2018 m. birželio 14 d. yra gerokai pažengęs, vykdomoms sutartims ir esamos konstrukcijos riedmenims, kaip nustatyta šios TSS 7.1.1.2 punkte.

Kai 4.2.8.2.8.4 punkte nustatyti reikalavimai netaikomi, taikomos nacionalinės taisyklės dėl specifikacijų, susijusių su sąsajos protokolais ir perduodamų duomenų formatu, o techniniuose dokumentuose pateikiamas riedmens ir antžeminių tarnybų ryšio aprašas.

▼B

7.1.1.5.    Gaisrinės saugos reikalavimo pereinamojo laikotarpio priemonė

1) 

Pereinamuoju laikotarpiu, kuris baigiasi ►M3  2018 m. sausio 1 d. ◄ , leidžiama, kaip šios TSS 4.2.10.2.1 punkte nustatytų medžiagoms keliamų reikalavimų alternatyvą, taikyti atitikties medžiagų gaisrinės saugos reikalavimams patikrą pagal nacionalines taisykles, apie kurias pranešta (pagal atitinkamą eksploatacinę kategoriją), grindžiamas vienu iš šių standartų rinkinių:

2) 

Britanijos standartai BS6853, GM/RT2130 3 leidimas;

3) 

Prancūzijos standartai NF F 16–101:1988 ir NF F 16–102/1992;

4) 

Vokietijos standartas DIN 5510–2:2009, įskaitant toksiškumo matavimus;

5) 

Italijos standartai UNI CEI 11170–1:2005 ir UNI CEI 11170–3:2005;

6) 

Lenkijos standartai PN-K-02511:2000 ir PN-K-02502:1992;

7) 

Ispanijos standartas DT-PCI/5A.

8) 

Šiuo laikotarpiu leidžiama atskiras medžiagas pakeisti EN 45545–2:2013 atitinkančiomis medžiagomis (kaip nustatyta šios TSS 4.2.10.2.1 punkte).

7.1.1.6.    2008 m. greitųjų geležinkelių riedmenų TSS nustatytų triukšmo reikalavimų pereinamojo laikotarpio priemonė

1) 

Riedmenų vienetams, kurių didžiausias projektinis greitis yra 190 km/h arba didesnis ir kuriuos ketinama naudoti transeuropiniame greitųjų geležinkelių tinkle, taikomi 2008 m. greitųjų geležinkelių riedmenų TSS 4.2.6.5 punkte „Išorinis triukšmas“ ir 4.2.7.6 punkte „Vidinis triukšmas“ nustatyti reikalavimai.

2) 

Ši pereinamojo laikotarpio priemonė taikoma tol, kol visų tipų riedmenims nebus pradėta taikyti persvarstyta triukšmo TSS.

7.1.1.7.    2008 m. greitųjų geležinkelių riedmenų TSS nustatytų šoninio vėjo reikalavimų pereinamojo laikotarpio priemonė

1) 

Riedmenų vienetams, kurių didžiausias projektinis greitis yra 250 km/h arba didesnis ir kuriuos ketinama naudoti transeuropiniame greitųjų geležinkelių tinkle, leidžiama taikyti 2008 m. greitųjų geležinkelių riedmenų TSS 4.2.6.3 punkte „Šoninis vėjas“ nustatytus reikalavimus, kaip nustatyta šios TSS 4.2.6.2.4 punkte.

2) 

Ši pereinamojo laikotarpio priemonė taikoma iki šios TSS 4.2.6.2.4 punkto persvarstymo.

▼M3

7.1.1.8.    Pasyviosios saugos reikalavimo pereinamojo laikotarpio priemonė

4.2.2.5 punkto 6 papunktyje nustatyti reikalavimai pereinamuoju laikotarpiu, kuris baigiasi 2022 m. sausio 1 d., yra neprivalomi lokomotyvams su viena centrine kabina, kurie 2019 m. gegužės 27 d. priskiriami prie projektų, kurių vykdymas yra gerokai pažengęs, vykdomų sutarčių ar esamos konstrukcijos riedmenų, kaip nustatyta šios TSS 7.1.1.2 punkte.

Jei 4.2.2.5 skirsnio 6 punkte nustatyti reikalavimai netaikomi, leidžiama alternatyviai įrodyti atitiktį 4.2.2.5 skirsnio 5 punkto 3 scenarijaus reikalavimui įrodant, kad laikomasi šių kriterijų:

— 
lokomotyvo rėmas suprojektuotas pagal J-1 priedėlio 7 rodyklėje nurodytos specifikacijos L kategoriją (kuri jau nurodyta šios TSS 4.2.2.4 punkte),
— 
atstumas tarp taukšų ir kabinos priekinio stiklo yra bent 2,5 m.

▼M3

7.1.2.    Esamų riedmenų arba riedmenų tipo pakeitimai

7.1.2.1.    Įvadas

1) Šiame 7.1.2 punkte apibrėžiami principai, kurių turi laikytis pakeitimą valdantys subjektai ir pagal EB patikros procedūrą, aprašytą Direktyvos (ES) 2016/797 15 straipsnio 9 dalyje, 21 straipsnio 12 dalyje ir IV priede, leidimus išduodančios įstaigos. Ši procedūra papildomai aprašyta Komisijos įgyvendinimo reglamento (ES) 2018/545 ( 15 ) 13, 15 ir 16 straipsniuose ir Sprendime 2010/713/ES ( 16 ).

2) Šis 7.1.2 punktas taikomas, jei atliekamas bet koks esamų riedmenų arba riedmenų tipo pakeitimas (-ai), įskaitant rekonstravimą ar modernizavimą. Jis netaikomas, jei pakeitimai:

— 
nelemia nuokrypio nuo techninių bylų, pridedamų prie posistemių EB patikros deklaracijų, jei jų yra, ir
— 
neturi poveikio pagrindiniams parametrams, nesusijusiems su EB deklaracija, jei jų yra.

Riedmenų tipo patvirtinimo turėtojas pagrįstomis sąlygomis subjektui, valdančiam pakeitimus, pateikia būtiną informaciją pakeitimams įvertinti.

7.1.2.2.    Riedmenų ir riedmenų tipo pakeitimų valdymo taisyklės

1) Riedmenų dalių ir pagrindinių parametrų, kuriems pakeitimas (-ai) poveikio nedaro, atitikties šios TSS nuostatoms vertinti nereikia.

2) Nepažeidžiant 7.1.2.2a punkto, reikia atitikti tik šiuos šios TSS, triukšmo TSS (Komisijos reglamentas Nr. 1304/2014, žr. tos TSS 7.2 punktą) ir prieinamumo žmonėms su judėjimo negalia TSS (Komisijos reglamentas (ES) Nr. 1300/2014 ( 17 ), žr. tos TSS 7.2.3 punktą) reikalavimus, kurie yra susiję su pagrindiniais parametrais šioje TSS ir kuriems pakeitimas (-ai) gali daryti poveikį.

3) Pagal Komisijos įgyvendinimo reglamento (ES) 2018/545 15 ir 16 straipsnius ir Sprendimą 2010/713/ES, taikant SB, SD/SF arba SH1 modulius EB patikrai ir, jei taikoma, pagal Direktyvos (ES) 2016/797 15 straipsnio 5 dalį, pakeitimą valdantis subjektas informuoja notifikuotąją įstaigą apie visus pakeitimus, darančius poveikį posistemio atitikčiai atitinkamos (-ų) TSS reikalavimams, dėl kurių notifikuotoji įstaiga turi atlikti naujas patikras. Pakeitimą valdantis subjektas pateikia šią informaciją su atitinkamomis nuorodomis į techninius dokumentus, susijusius su esamu EB tipo arba projekto tyrimo sertifikatu.

4) Nedarant poveikio bendrosios saugos vertinimui pagal Direktyvos (ES) 2016/797 21 straipsnio 12 dalies b punktą, jei reikia iš naujo įvertinti saugos reikalavimus, nurodytus 4.2.3.4.2, 4.2.3.5.3, 4.2.4.2.2, 4.2.5.3.5, 4.2.5.5.8 ir 4.2.5.5.9 punktuose, taikoma 6.2.3.5 punkte numatyta procedūra. 17 lentelėje nustatyta, kada reikia naujo patvirtinimo.



17 lentelė

Pradinis transporto priemonės vertinimas atliktas pagal…

 

Pirmąjį 6.2.3.5 skirsnio 3 punkto metodą

Antrąjį 6.2.3.5 skirsnio 3 punkto metodą

Bendrasis saugos būdas rizikai vertinti netaikomas

Pakeitimas įvertintas pagal…

Pirmąjį 6.2.3.5 skirsnio 3 punkto metodą

Naujo leidimo nereikia

Patikra (1)

Naujo leidimo nereikia

Antrąjį 6.2.3.5 skirsnio 3 punkto metodą

Patikra (1)

Patikra (1)

Patikra (1)

Bendrasis saugos būdas rizikai vertinti netaikomas

Negalima

Negalima

Negalima

(1)   Žodis „Patikra“ reiškia, kad pareiškėjas taikys bendrąjį saugos būdą rizikai vertinti įrodydamas, kad pakeista transporto priemonė užtikrina tokį patį arba aukštesnį saugos lygį. Šį įrodymą nepriklausomai vertina vertinimo įstaiga, apibrėžta bendrajame saugos būde rizikai vertinti. Jei įstaiga padaro išvadą, kad naujasis saugos vertinimas rodo žemesnį saugos lygį arba rezultatas yra neaiškus, pareiškėjas turi prašyti leidimo pateikti rinkai.

4a) Nedarant poveikio bendrosios saugos vertinimui pagal Direktyvos (ES) 2016/797 21 straipsnio 12 dalies b punktą, jei pakeitimai paveikia atitiktį reikalavimams, nustatytiems 4.2.4.9, 4.2.9.3.1 ir 4.2.10.3.4 punktuose, ir reikia atlikti naują patikimumo tyrimą, būtina gauti naują leidimą pateikti rinkai, nebent notifikuotoji įstaiga padarytų išvadą, kad atitiktis su sauga susijusiems reikalavimams, įvertinta per patikimumo tyrimą, yra pagerinta arba išlaikyta. Kai reikia, notifikuotoji įstaiga savo vertinime atsižvelgia į naujos redakcijos techninės priežiūros ir naudojimo dokumentus.

5) Nustatant, kokiu mastu reikia taikyti riedmenų TSS, reikia atsižvelgti į nacionalines perkėlimo strategijas, susijusias su kitų TSS (pvz., stacionariems įrenginiams taikomų TSS) įgyvendinimu.

6) Riedmenų konstrukcijos pagrindinės charakteristikos apibrėžtos 17a ir 17b lentelėse. Remiantis šiomis lentelėmis ir saugos vertinimu pagal Direktyvos (ES) 2016/797 21 straipsnio 12 dalies b punktą, pakeitimai skirstomi į šias kategorijas:

a) 

Komisijos įgyvendinimo reglamento (ES) 2018/545 15 straipsnio 1 dalies c punktas, jei jie viršija ribines vertes, nurodytas 3 skiltyje, ir yra žemiau ribinių verčių, nurodytų 4 skiltyje, nebent remiantis saugos vertinimu pagal Direktyvos (ES) 2016/797 21 straipsnio 12 dalies b punktą reikalaujama klasifikuoti pagal 15 straipsnio 1 dalies d punktą, arba

b) 

pakeitimai pagal Komisijos įgyvendinimo reglamento (ES) 2018/545 15 straipsnio 1 dalies d punktą, jei jie viršija 4 skiltyje nurodytas ribines vertes arba jeigu remiantis saugos vertinimu pagal Direktyvos (ES) 2016/797 21 straipsnio 12 dalies b punktą reikalaujama priskirti prie pakeitimų pagal 15 straipsnio 1 dalies d punktą.

Ar pakeitimais neviršijamos pirmiau minėtos ribinės vertės, nustatoma lyginant su parametrų vertėmis, nustatytomis tuo metu, kai paskutinį kartą buvo leista eksploatuoti riedmenis arba buvo patvirtintas riedmenų tipas.

7) Pakeitimai, kurių neapima pirmiau nurodytas 7.1.2.2 skirsnio 6 punktas, laikomi nedarančiais poveikio konstrukcijos pagrindinėms charakteristikoms ir gali būti priskiriami prie pakeitimų pagal Komisijos įgyvendinimo reglamento (ES) 2018/545 15 straipsnio 1 dalies a punktą arba 15 straipsnio 1 dalies b punktą, nebent remiantis saugos vertinimu pagal Direktyvos (ES) 2016/797 21 straipsnio 12 dalies b punktą reikalaujama klasifikuoti juos pagal 15 straipsnio 1 dalies d punktą.

8) Saugos vertinimas pagal Direktyvos (ES) 2016/797 21 straipsnio 12 dalies b punktą apima 3.1 skirsnio lentelėje nurodytų pagrindinių parametrų pakeitimus, susijusius su bet kuriuo esminiu reikalavimu, visų pirma saugos ir techninio suderinamumo reikalavimais.

9) Nepažeidžiant 7.1.2.2a punkto, visi pakeitimai, nepaisant jų klasifikacijos, turi ir toliau atitikti taikomas TSS.

10) Pakeitus vieną ar kelis riedmenis nekintamos sudėties sąstate po didelio apgadinimo, atitikties vertinimo pagal šią TSS nereikia, jei riedmenų vieneto arba riedmens (-ų) techniniai parametrai ir funkcijos nepasikeitė lyginant su pakeistaisiais riedmenimis. Šie riedmenų vienetai turi būti atsekami ir sertifikuojami pagal nacionalines arba tarptautines taisykles arba bendrai pripažintus geležinkelių praktikos kodeksus.



17a lentelė

Transporto priemonės konstrukcijos pagrindinės charakteristikos, susijusios su pagrindiniais parametrais, nustatytais lokomotyvų ir keleivinių riedmenų TSS

1.  TSS punktas

2.  Susijusi konstrukcijos pagrindinė charakteristika (-os)

3.  Pakeitimai, darantys poveikį konstrukcijos pagrindinei charakteristikai ir nepriskiriami prie pakeitimų pagal Direktyvos (ES) 2016/797 21 straipsnio 12 dalies a punktą

4.  Pakeitimai, darantys poveikį konstrukcijos pagrindinei charakteristikai ir priskiriami prie pakeitimų pagal Direktyvos (ES) 2016/797 21 straipsnio 12 dalies a punktą

4.2.2.2.3.  Galinė sankaba

Galinės sankabos tipas

Galinės sankabos tipo pakeitimas

Netaikoma

4.2.2.10.  Apkrovos sąlygos ir pasvertoji masė

4.2.3.2.1.  Aširačio apkrovos parametras

Parengtos važiuoti transporto priemonės projektinė masė

Bet kokių atitinkamų konstrukcijos pagrindinių charakteristikų pakeitimas, dėl kurio pasikeičia linijos kategorija (-os), su kuria (-iomis) transporto priemonė suderinama

Netaikoma

Projektinė masė esant įprastai naudingajai apkrovai

Projektinė masė esant išskirtinei naudingajai apkrovai

Didžiausias projektinis greitis (km/h)

Parengtos važiuoti transporto priemonės statinė ašies apkrova

Statinė ašies apkrova esant išskirtinei naudingajai apkrovai

Transporto priemonės ilgis

Statinė ašies apkrova esant įprastai naudingajai apkrovai

Ašių išdėstymas riedmenų vienete (atstumai tarp ašių)

bendroji riedmens masė (kiekvienos riedmenų vienetą sudarančios transporto priemonės),

Bet kokių atitinkamų pagrindinių konstrukcijos charakteristikų pakeitimas, dėl kurio pasikeičia linijos kategorija (-os), su kuria (-iomis) transporto priemonė suderinama

Pokytis daugiau nei ± 10 %

Vienam ratui tenkanti masė

Bet kokių atitinkamų pagrindinių konstrukcijos charakteristikų pakeitimas, dėl kurio pasikeičia linijos kategorija (-os), su kuria (-iomis) transporto priemonė suderinama, arba

pokytis daugiau nei ± 10 %

Netaikoma

4.2.3.1.  Gabaritai

Etaloninis profilis

Netaikoma

Etaloninio profilio, kurį turi atitikti riedmuo, pakeitimas

 

Mažiausiasis įveikiamos išgaubtos kreivės spindulys

Mažiausio įveikiamos išgaubtos kreivės spindulio, su kuriuo transporto priemonė suderinama, pakeitimas 10 % ar daugiau

Netaikoma

 

Mažiausiasis įveikiamos įgaubtos kreivės spindulys

Mažiausio įveikiamos įgaubtos kreivės spindulio, su kuriuo transporto priemonė suderinama, pakeitimas 10 % ar daugiau

Netaikoma

4.2.3.3.1.  Riedmens charakteristikos suderinamumui su traukinių buvimo vietos nustatymo sistemomis užtikrinti

Suderinamumas su traukinių buvimo vietos nustatymo sistemomis

Netaikoma

Deklaruoto suderinamumo su viena ar keliomis iš šių trijų traukinių buvimo vietos nustatymo sistemų pakeitimas:

— Geležinkelio kelio elektros grandinės

— Ašių skaitikliai

— Kilpinių aptiktuvų įranga

4.2.3.3.2.  Ašies guolių būklės stebėjimas

Riedmenyje įrengta aptikimo sistema

Riedmens aptikimo sistemos įrengimas

Deklaruotos riedmens aptikimo sistemos pašalinimas

4.2.3.4.  Riedmenų dinaminės savybės

Didžiausio greičio ir didžiausio dviejų bėgių aukščių skirtumo horizontalia kryptimi stygiaus derinys, kuriam transporto priemonė buvo vertinama

Netaikoma

Didžiausio greičio padidėjimas daugiau nei 15 km/h arba didžiausio priimtino dviejų bėgių aukščio skirtumo horizontalia kryptimi stygiaus pokytis daugiau nei ± 10 %

 

Bėgio pokrypis

Netaikoma

Bėgio pokrypio, su kuriuo (-iais) suderinamas riedmuo, pakeitimas (*1)

4.2.3.5.2.1.  Aširačių mechaninės ir geometrinės savybės

Aširačio gabaritas

Netaikoma

Kelio vėžės pločio, su kuriuo suderinamas aširatis, pakeitimas

4.2.3.5.2.2.  Ratų savybės

Mažiausiasis reikalaujamas naudojamo rato skersmuo

Mažiausiojo reikalaujamo naudojamo rato skersmens pakeitimas daugiau nei ± 10 mm

Netaikoma

4.2.3.5.2.3.  Automatinės keičiamojo vėžės pločio sistemos

Aširačių gabarito perjungimo įrenginys

Transporto priemonės pakeitimas, dėl kurio pasikeičia perjungimo įrenginys (-iai), su kuriuo (-iais) suderinamas aširatis

Kelio vėžės pločio, su kuriuo (-iais) suderinamas aširatis, pakeitimas

4.2.3.6.  Mažiausias kreivės spindulys

Mažiausiasis įveikiamos gulsčiosios kreivės spindulys

Mažiausio gulsčiosios kreivės spindulio padidėjimas daugiau nei 5 m

Netaikoma

4.2.4.5.1.  Stabdymo efektyvumas. Bendrieji reikalavimai

Didžiausias vidutinis lėtėjimas

Didžiausio vidutinio lėtėjimo stabdant pokytis daugiau nei ± 10 %

Netaikoma

4.2.4.5.2.  Stabdymo efektyvumas. Avarinis stabdymas

Stabdymo kelias ir lėtėjimo profilis kiekvienomis apkrovos sąlygomis pagal didžiausią projektinį greitį.

Stabdymo kelio pokytis daugiau nei ± 10 %

Pastaba. Taip pat galima naudoti stabdymo svorio procentinę dalį (dar vadinamą „lambda“ arba „stabdymo masės procentine dalimi“) arba stabdymo masę; šiuos dydžius galima nustatyti (tiesiogiai arba remiantis stabdymo keliu) atliekant lėtėjimo funkcijomis pagrįstus skaičiavimus.

Leidžiamas pakeitimas yra toks pats (± 10 %)

Netaikoma

4.2.4.5.3.  Stabdymo efektyvumas. Paprastasis stabdymas

Stabdymo kelias ir didžiausias lėtėjimas esant apkrovos sąlygai „projektinė masė esant įprastai naudingajai apkrovai“ ir didžiausiam projektiniam greičiui

Stabdymo kelio pokytis daugiau nei ± 10 %

Netaikoma

4.2.4.5.4.  Stabdymo efektyvumas. Šiluminis atsparumas

Didžiausias atsparumas stabdymo šiluminei energijai

Netaikoma

Didžiausias atsparumas stabdymo šiluminei energijai > = 10 %

arba

 

Šiluminis atsparumas pagal didžiausią linijos nuolydį, ilgį ir važiavimo greitį

Didžiausio nuolydžio ir susijusio ilgio arba važiavimo greičio, kuriam suprojektuota stabdymo sistema, pakeitimas, susijęs su atsparumu stabdymo šiluminei energijai

4.2.4.5.5.  Stabdymo efektyvumas. Stovėjimo stabdys

Didžiausias nuolydis, ant kurio riedmenų vienetas išlaikomas nejudantis vien stovėjimo stabdžiu (jei jis įrengtas transporto priemonėje)

Deklaruoto didžiausio nuolydžio pokytis daugiau nei ± 10 %

Netaikoma

4.2.4.6.2.  Apsaugos nuo ratų slydimo sistema

Apsaugos nuo ratų slydimo sistema

Netaikoma

Apsaugos nuo ratų slydimo funkcijos įdiegimas arba pašalinimas

4.2.4.8.2.  Magnetinis bėginis stabdys

Magnetinis bėginis stabdys

Netaikoma

Magnetinio bėginio stabdžio funkcijos įdiegimas arba pašalinimas

Galimybė užkirsti kelią naudoti magnetinį bėginį stabdį

Netaikoma

Stabdžio valdiklio, kuriuo galima įjungti ir išjungti magnetinį bėginį stabdį, įrengimas arba pašalinimas

4.2.4.8.3.  Sūkurinių srovių bėginis stabdys

Sūkurinių srovių bėginis stabdys

Netaikoma

Sūkurinių srovių bėginio stabdžio funkcijos įdiegimas arba pašalinimas

Galimybė užkirsti kelią naudoti sūkurinių srovių bėginį stabdį

Netaikoma

Stabdžio valdiklio, kuriuo galima įjungti ir išjungti sūkurinių srovių bėginį stabdį, įrengimas arba pašalinimas

4.2.6.1.1.  Temperatūra

Temperatūros intervalas

Temperatūros intervalo (T1, T2, T3) pokytis

Netaikoma

4.2.6.1.2.  Sniegas, ledas ir kruša

Sniego, ledo ir krušos sąlygos

Pasirinkto „sniego, ledo ir krušos“ sąlygų intervalo (vardinės arba sunkios) pakeitimas

Netaikoma

4.2.8.2.2.  Naudojimas tam tikrame įtampų ir dažnių intervale

Energijos tiekimo sistema (įtampa ir dažnis)

Netaikoma

Energijos tiekimo sistemos įtampos (-ų) ar dažnio (-ių) pakeitimas

(25 kV 50 Hz kintamosios srovės, 15 kV 16,7 Hz kintamosios srovės, 3 kV nuolatinės srovės, 1,5 kV nuolatinės srovės, 750 V nuolatinės srovės, trečiasis bėgis, kita)

4.2.8.2.3.  Rekuperacinis stabdys, perduodantis energiją į orinę kontaktinę liniją

Rekuperacinis stabdys

Netaikoma

Rekuperacinio stabdžio funkcijos įdiegimas arba pašalinimas

 

Galimybė užkirsti kelią naudoti rekuperacinį stabdį, jei jis įrengtas

Galimybės užkirsti kelią naudoti rekuperacinį stabdį įdiegimas arba pašalinimas

Netaikoma

4.2.8.2.4.  Didžiausia galia ir stipriausia srovė iš orinės kontaktinės linijos

Taikoma tik elektriniams riedmenų vienetams, kurių galia didesnė nei 2 MW:

Galios arba srovės ribojimo funkcija

Galios arba srovės ribojimo funkcijos įdiegimas arba pašalinimas

Netaikoma

4.2.8.2.5.  Stipriausia nuolatinės srovės sistemų srovė traukiniui stovint

Stipriausia pantografo imama srovė traukiniui stovint kiekvienoje nuolatinės srovės sistemoje, kuriai tinka transporto priemonė

Stipriausios srovės vertės pokytis 50 A neviršijant TSS nustatytos ribos

Netaikoma

4.2.8.2.9.1.1.  Sąveikos su kontaktiniais laidais aukštis (riedmenų lygmuo)

Pantografo sąveikos su kontaktiniais laidais aukštis (nuo bėgių viršaus)

Sąveikos aukščio pokytis, užtikrinantis mechaninį sąlytį arba nebeužtikrinantis mechaninio kontakto su vienu iš kontaktinių laidų šiame aukštyje nuo bėgių lygio:

4 800 –6 500 mm

4 500 –6 500 mm

5 550 –6 800 mm

5 600 –6 600 mm

Netaikoma

4.2.8.2.9.2.  Pantografo vežimėlio geometrinės savybės (sąveikos sudedamųjų dalių lygmuo)

Pantografo vežimėlio geometrinės savybės

Netaikoma

Pantografo vežimėlio geometrinių savybių pakeitimas į vieną iš tipų, nustatytų 4.2.8.2.9.2.1, 4.2.8.2.9.2.2 ar 4.2.8.2.9.2.3, arba iš jų

4.2.8.2.9.4.2.  Kontaktinio intarpo medžiaga

Kontaktinio intarpo medžiaga

Naujas kontaktinis intarpas pagal 4.2.8.2.9.4.2 punkto 3 papunktį

Netaikoma

4.2.8.2.9.6.  Pantografo prispaudžiamoji jėga ir dinaminės savybės

Vidutinės prispaudžiamosios jėgos kreivė

Pakeitimas, dėl kurio reikia iš naujo vertinti pantografo dinamines savybes.

Netaikoma

4.2.8.2.9.7.  Pantografų išdėstymas (riedmenų lygmuo)

Pantografų skaičius ir mažiausias atstumas tarp dviejų pantografų

Netaikoma

Jei tarpas tarp 2 gretimų pantografų vertinamo riedmenų vieneto nekintamos sudėties/iš anksto suformuotuose sąstatuose sumažinamas pašalinant transporto priemonę

4.2.8.2.9.10.  Pantografo nuleidimas (riedmenų lygmuo)

Automatinis nuleidimo įtaisas (ANĮ)

Automatinio nuleidimo įtaiso (ANĮ) funkcijos įdiegimas arba pašalinimas

Netaikoma

4.2.10.1.  Bendrosios nuostatos ir skirstymas į kategorijas

Priešgaisrinės saugos kategorija

Netaikoma

Priešgaisrinės saugos kategorijos pakeitimas

4.2.12.2.  Bendrieji dokumentai. Riedmenų skaičius sudėtinio naudojimo sąstate

Didžiausiasis kartu naudoti sujungtų traukinio sekcijų ar lokomotyvų skaičius.

Netaikoma

Didžiausio kartu naudoti sujungtų traukinio sekcijų ar lokomotyvų skaičiaus pakeitimas

4.2.12.2  Bendrieji dokumentai. Transporto priemonių skaičius riedmenų vienete

Tik pastovios sudėties sąstatams:

pastovios sudėties sąstatą sudarančios transporto priemonės

Netaikoma

Pastovios sudėties sąstatą sudarančių transporto priemonių skaičiaus pasikeitimas

(*1)   

Riedmenys, atitinkantys vieną iš toliau pateiktų sąlygų, laikomi atitinkančiais visus bėgio pokrypius:

— Riedmenys yra įvertinti pagal EN 14363:2016;

— Riedmenys yra įvertinti pagal EN 14363:2005 (su pakeitimais, padarytais dokumentu ERA/TD/2012–17/INT arba be jų) arba UIC 518:2009 ir gautas rezultatas, kad vieno bėgio pokrypio apribojimo nėra;

— Riedmenys yra įvertinti pagal EN 14363:2005 (su pakeitimais, padarytais dokumentu ERA/TD/2012–17/INT arba be jų) arba UIC 518:2009 ir gautas rezultatas, kad yra vieno bėgio pokrypio apribojimas ir naujas rato ir bėgio sąlyčio bandymo sąlygų pagal bėgio ratą ir bėgio profilius įvertinimas bei išmatuotas vėžės plotis rodo atitikimą rato ir bėgio sąlyčio sąlygų, nurodytų EN 14363:2016, reikalavimams.



17b lentelė

Transporto priemonės konstrukcijos pagrindinės charakteristikos, susijusios su pagrindiniais parametrais, nustatytais prieinamumo žmonėms su judėjimo negalia TSS

1.  TSS punktas

2.  Susijusi konstrukcijos pagrindinė charakteristika (-os)

3.  Pakeitimai, darantys poveikį konstrukcijos pagrindinei charakteristikai ir nepriskiriami prie pakeitimų pagal Direktyvos (ES) 2016/797 21 straipsnio 12 dalies a punktą

4.  Pakeitimai, darantys poveikį konstrukcijos pagrindinei charakteristikai ir priskiriami prie pakeitimų pagal Direktyvos (ES) 2016/797 21 straipsnio 12 dalies a punktą

4.2.2.11.  Laiptelio padėtis lipant į transporto priemonę ir išlipant iš jos

Platformų aukštis, kuriam suprojektuota transporto priemonė

Netaikoma

Platformos aukščio, su kuriuo suderinama transporto priemonė, pakeitimas

▼M4

11) Pakeitimą valdančio subjekto pasirinkta notifikuotoji įstaiga EB tipo arba projekto tyrimo sertifikatą gali išduoti remdamasi:

— 
pradiniu nepakeistų konstrukcijos dalių arba pakeistų, bet neturinčių poveikio posistemio atitikčiai, konstrukcijos dalių EB tipo arba projekto tyrimo sertifikatu, jeigu tas sertifikatas dar galioja (B etapo septynerių metų laikotarpiu),
— 
papildomu pakeistų konstrukcijos dalių, kurios turi poveikį posistemio atitikčiai tuo metu galiojančiai naujausiai šios TSS versijai, EB tipo arba projekto tyrimo sertifikatu (kuriuo iš dalies keičiamas pradinis sertifikatas).

pakeisto tipo, tipo varianto arba tipo versijos EB tipo arba projekto tyrimo sertifikato galiojimo laikotarpis yra ne ilgesnis kaip 7 metų nuo išdavimo datos, neviršijant 14 metų laikotarpio po to, kai pareiškėjas paskyrė notifikuotąją įstaigą pradiniam riedmenų tipui (pradinio EB tipo arba projekto tyrimo sertifikato A etapo pradžios).

▼M3

12) Bet kuriuo atveju, pakeitimą valdantis subjektas užtikrina, kad techniniai dokumentai, susiję su EB tipo arba projekto tyrimo sertifikatu, būtų atitinkamai atnaujinti.

13) Atnaujinti techniniai dokumentai, susiję su EB tipo arba projekto tyrimo sertifikatu, nurodomi techninėje byloje, pridedamoje prie EB patikros deklaracijos, kurią pakeitimą valdantis subjektas išduoda deklaruodamas, kad riedmuo atitinka pakeistą tipą.

7.1.2.2a.    Specialiosios taisyklės, taikomos esamiems riedmenų vienetams be EB patikros deklaracijos, kuriuos pirmą kartą leista pradėti naudoti iki 2015 m. sausio 1 d.

1) Toliau pateiktos taisyklės kartu su 7.1.2.2 punktu taikomos esamiems riedmenims, kuriuos pirmą kartą leista pradėti naudoti iki 2015 m. sausio 1 d., jei pakeitimo apimtis daro poveikį pagrindiniams parametrams, nenurodytiems EB deklaracijoje (jei yra).

2) Laikoma, kad atitiktis techniniams šios TSS reikalavimams užtikrinta, jei pagrindinis parametras pagerinamas pagal TSS apibrėžtas eksploatacines charakteristikas, o pakeitimą valdantis subjektas įrodo, kad atitinkami esminiai reikalavimai yra tenkinami, o saugos lygis yra išlaikytas arba, kai praktiškai įmanoma, pagerintas. Tokiu atveju pakeitimą valdantis subjektas pagrindžia priežastį, dėl kurios TSS nustatyta veikimo charakteristika nebuvo užtikrinta, atsižvelgdamas į 7.1.2.2 skirsnio 3 pastraipą. Šis pagrindimas įtraukiamas į techninę bylą, jei yra, arba į originalius transporto priemonės dokumentus.

3) Konkrečių taisyklių rinkinys, nurodytas pirmiau 2 pastraipoje, netaikomas pagrindinių parametrų, 17c ir 17d lentelėse klasifikuojamų pagal 21 skyriaus 12 dalies a punktą, pakeitimams. Darant tokius pakeitimus laikytis TSS reikalavimų privaloma.



17c lentelė

Pagrindinių parametrų pakeitimai, kurie turi atitikti TSS reikalavimus dėl riedmenų be EB tipo arba projekto tyrimo sertifikato

TSS punktas

Susijusi konstrukcijos pagrindinė charakteristika (-os)

Pakeitimai, darantys poveikį konstrukcijos pagrindinei charakteristikai ir priskiriami prie pakeitimų pagal Direktyvos (ES) 2016/797 21 straipsnio 12 dalies a punktą

4.2.3.1.  Gabaritai

Etaloninis profilis

Etaloninio profilio, kurį turi atitikti transporto priemonė, pakeitimas

4.2.3.3.1.  Riedmens charakteristikos suderinamumui su traukinių buvimo vietos nustatymo sistemomis užtikrinti

Suderinamumas su traukinių buvimo vietos nustatymo sistemomis

Deklaruoto suderinamumo su viena ar keliomis iš šių trijų traukinių buvimo vietos nustatymo sistemų pakeitimas:

— Geležinkelio kelio elektros grandinės

— Ašių skaitikliai

— Kilpinių aptiktuvų įranga

4.2.3.3.2.  Ašies guolių būklės stebėjimas

Traukinyje įrengta aptikimo sistema

Aptikimo sistemos įrengimas traukinyje arba deklaruotos įrengtos sistemos pašalinimas

4.2.3.5.2.1.  Aširačių mechaninės ir geometrinės savybės

Aširačio gabaritas

Kelio vėžės pločio, su kuriuo suderinamas aširatis, pakeitimas

4.2.3.5.2.3.  Automatinės keičiamojo vėžės pločio sistemos

Aširačių gabarito perjungimo įrenginys

Kelio vėžės pločio, su kuriuo (-iais) suderinamas aširatis, pakeitimas

4.2.8.2.3.  Rekuperacinis stabdys, perduodantis energiją į orinę kontaktinę liniją

Rekuperacinis stabdys

Rekuperacinio stabdžio funkcijos įdiegimas arba pašalinimas



17d lentelė

Žmonių su judėjimo negalia TSS pagrindinių parametrų pakeitimai, kurie turi atitikti TSS reikalavimus dėl riedmenų be EB tipo arba projekto tyrimo sertifikato

TSS punktas

Susijusi konstrukcijos pagrindinė charakteristika (-os)

Pakeitimai, darantys poveikį konstrukcijos pagrindinei charakteristikai ir priskiriami prie pakeitimų pagal Direktyvos (ES) 2016/797 21 straipsnio 12 dalies a punktą

4.2.2.11.  Laiptelio padėtis lipant į transporto priemonę ir išlipant iš jos

Platformų aukštis, kuriam suprojektuota transporto priemonė

Platformos aukščio, su kuriuo suderinama transporto priemonė, pakeitimas

7.1.2.2b.    Specialiosios taisyklės dėl transporto priemonių, modifikuotų siekiant ribotą laiką išbandyti technologinių naujovių veikimo charakteristikas arba patikimumą.

1) Toliau pateiktos taisyklės kartu su 7.1.2.2 punktu taikomos pavienių transporto priemonių, kurias leista naudoti, pakeitimams siekiant fiksuotą ne ilgesnį kaip 1 metų laikotarpį išbandyti technologinių naujovių veikimo charakteristikas ir patikimumą. Jos netaikomos, jei daromi tie patys kelių transporto priemonių pakeitimai.

2) Laikoma, kad atitiktis techniniams šios TSS reikalavimams yra užtikrinta, jei pagrindinis parametras išlaikomas nepakitęs arba pagerinamas, palyginti su TSS nustatytomis eksploatacinėmis charakteristikomis, ir pakeitimą valdantis subjektas įrodo, kad atitinkami esminiai reikalavimai yra įvykdyti, o saugos lygis išlaikytas ir, kai praktiškai įmanoma, pagerintas.

▼B

7.1.3.    ►M3  Taisyklės, susijusios su tipo arba projekto tyrimo sertifikatais  ◄

▼M3

7.1.3.1.    Riedmenų posistemis

1) Šis punktas yra susijęs su riedmenų tipu (šioje TSS – riedmenų vieneto tipu), kaip apibrėžta Direktyvos (ES) 2016/797 2 straipsnio 26 dalyje, kuriam taikoma EB tipo arba konstrukcijos patikros procedūra, nustatyta šios TSS 6.2 skirsnyje. Be to, jis taikomas EB tipo arba konstrukcijos patikros procedūrai remiantis triukšmo TSS (Komisijos reglamentas (ES) Nr. 1304/2014 ( 18 )) ir prieinamumo žmonėms su judėjimo negalia TSS (Komisijos reglamentas (ES) Nr. 1300/2014), kurioje remiamasi šia TSS nustatant jos taikymo lokomotyvams ir keleiviniams riedmenims apimtį.

2) „EB tipo arba projekto tyrimo“ TSS vertinimo pagrindas apibrėžtas šios TSS H priedėlio 2 ir 3 skiltyse „Projekto peržiūra“ ir „Tipo bandymas“.

A etapas

3) A etapas prasideda tada, kai pareiškėjas paskiria už EB patikrą atsakingą notifikuotąją įstaigą, o baigiasi – kai išduodamas EB tipo arba projekto tyrimo sertifikatas.

▼M4

4) Tipo atitikties TSS reikalavimams vertinimo pagrindas nustatomas A etapo laikotarpiui, kuris negali būti ilgesnis kaip septyneri metai. Nedarant poveikio 7.1.1.4–7.1.1.8 punktų taikymui, A etapo laikotarpiu notifikuotosios įstaigos taikomas vertinimo pagrindas, kuriuo remiantis atliekama EB patikra, negali būti keičiamas.

▼M3

5) Jei A etapo laikotarpiu įsigalioja pakeista šios TSS, triukšmo TSS arba prieinamumo žmonėms su judėjimo negalia TSS versija, leidžiama (bet neprivaloma) remtis pakeista versija (visa ar konkrečiais jos skirsniais), jei šių TSS pakeitime nėra aiškiai nurodyta kitaip; jei taikomi tik tam tikri skirsniai, pareiškėjas turi pagrįsti ir dokumentais patvirtinti, kad taikomi reikalavimai išlieka nuoseklūs, ir tai turi patvirtinti notifikuotoji įstaiga.

B etapas

6) B etapas – tai notifikuotosios įstaigos išduoto EB tipo arba projekto tyrimo sertifikato galiojimo laikotarpis. Šiuo laikotarpiu riedmenų vienetų EB sertifikatai gali būti išduodami remiantis atitiktimi tipui.

7) Posistemio EB patikros EB tipo arba projekto tyrimo sertifikatas galioja septynerių metų trukmės B etapo laikotarpiu nuo jo išdavimo datos, net jei įsigalioja šios TSS, triukšmo TSS arba prieinamumo žmonėms su judėjimo negalia TSS pakeista versija, nebent šių TSS pakeistoje versijoje aiškiai nurodoma kitaip. Šiuo galiojimo laikotarpiu naujus tokio paties tipo riedmenis leidžiama pateikti rinkai remiantis EB patikros deklaracija, kurioje nurodomas tipo patikros sertifikatas.

▼B

7.1.3.2.    Sąveikos sudedamosios dalys

1) 

Šis punktas taikomas sąveikos sudedamajai daliai, kai atliekamas jos tipo tyrimas (CB modulis) arba tinkamumo naudoti (CV modulis) vertinimas.

2) 

Tipo arba konstrukcijos tyrimo arba tinkamumo naudoti sertifikatas galioja penkerius metus. Šiuo laikotarpiu naujas tokio paties tipo sudedamąsias dalis leidžiama naudoti nevertinant tipo iš naujo. Prieš baigiantis penkerių metų laikotarpiui vertinama sudedamosios dalies atitiktis tuo metu galiojančioje naujausioje šios TSS versijoje nustatytiems reikalavimams, kurie buvo pakeisti arba yra nauji, palyginti su reikalavimais, pagal kuriuos buvo išduotas sertifikatas.

▼M4

7.1.4.    Esamų riedmenų, kurių leidimas eksploatuoti išduotas pagal Direktyvą 2008/57/EB arba kurie pradėti eksploatuoti iki 2010 m. liepos 19 d., naudojimo teritorijos išplėtimo taisyklės

1) 

Kai visiška atitiktis šiai TSS neužtikrinama, 2 punktas taikomas riedmenims, kurie prašant išplėsti naudojimo teritoriją pagal Direktyvos (ES) 2016/797 21 straipsnio 13 dalį metu atitinka šias sąlygas:

a) 

juos buvo leista eksploatuoti pagal Direktyvą 2008/57/EB arba jie buvo pradėti eksploatuoti iki 2010 m. liepos 19 d.;

b) 

jie, nurodant registracijos kodą 00 („galioja“), pagal Komisijos sprendimą 2007/756/EB ( 19 ) yra užregistruoti nacionaliniame riedmenų registre arba pagal Komisijos įgyvendinimo sprendimą (ES) 2018/1614 ( 20 ) – Europos transporto priemonių registre ir pagal Komisijos įgyvendinimo reglamentą (ES) 2019/779 ( 21 ) išlaikomi saugios eksploatacinės būklės.

Toliau pateikiamos nuostatos taikomos ir tada, kai kartu prašoma išplėsti naudojimo teritoriją ir išduoti naują leidimą, kaip nurodyta Reglamento (ES) 2018/545 14 straipsnio 3 dalies a punkte.

2) 

Leidimas naudoti 1 punkte nurodytus riedmenis išplėstoje teritorijoje grindžiamas galiojančiu leidimu, jei toks yra, taip pat riedmenų ir tinklo techniniu suderinamumu pagal Direktyvos (ES) 2016/797 21 straipsnio 3 dalies d punktą ir atitiktimi šios TSS 17a ir 17b lentelių pagrindinėms konstrukcijos charakteristikoms, atsižvelgiant į visus draudimus ir apribojimus.

Pareiškėjas pateikia EB patikros deklaraciją kartu su techninėmis bylomis, įrodančiomis kiekvieno šios TSS 17a ir 17b lentelių 1 skiltyje nurodyto pagrindinio parametro atitiktį šioje TSS nustatytiems reikalavimams arba lygiaverčio poveikio nuostatoms ir atitiktį šiems šios TSS punktams:

— 
4.2.4.2.2, 4.2.5.5.8, 4.2.5.5.9, 4.2.6.2.3, 4.2.6.2.4, 4.2.6.2.5, 4.2.8.2.7, 4.2.8.2.9.8 (kai važiavimas per fazių arba sistemų atskyrimo ruožus valdomas automatiškai), 4.2.9.3.1, 4.2.9.6, 4.2.12 ir 4.2.12.6;
— 
4.2.5.3 – Italijoje;
— 
4.2.5.3.5 ir 4.2.9.2.1 – Vokietijoje

vienu arba keliais šiais būdais:

a) 

įrodoma atitiktis šioje TSS nustatytiems reikalavimams, kaip nurodyta pirmiau;

b) 

įrodoma atitiktis atitinkamiems reikalavimams, nustatytiems ankstesnėje TSS, kaip nurodyta pirmiau;

c) 

įrodoma atitiktis alternatyvioms specifikacijoms, kurios, kaip pripažįstama, turi poveikį, lygiavertį atitinkamiems šioje TSS nustatytiems reikalavimams, kaip nurodyta pirmiau;

d) 

pateikiamas įrodymas, kad techninio suderinamumo su išplėstos naudojimo teritorijos tinklu reikalavimai yra lygiaverčiai techninio suderinamumo su tinklu, kuriame jau leista naudoti riedmenis arba kuriame jie jau naudojami, reikalavimams. Tokį įrodymą pateikia pareiškėjas ir jis gali būti grindžiamas geležinkelio infrastruktūros registro (RINF) informacija.

3) 

Šios TSS reikalavimams lygiavertį alternatyvių specifikacijų poveikį (2 punkto c papunktis) ir techninio suderinamumo su tinklu reikalavimų lygiavertiškumą (2 punkto d papunktis) pagrindžia ir dokumentais patvirtina pareiškėjas, taikydamas Reglamento (ES) Nr. 402/2013 I priede aprašytą pavojaus valdymo procesą. Pagrindimą turi įvertinti ir patvirtinti vertinimo įstaiga (bendrasis saugos būdas rizikai vertinti).

4) 

Be 2 punkte nurodytų reikalavimų, pareiškėjas prireikus pateikia EB patikros deklaraciją kartu su techninėmis bylomis, įrodančiomis, kad:

a) 

užtikrinama atitiktis su bet kuria išplėstos naudojimo teritorijos dalimi susijusiems specifiniams atvejams, išvardytiems šioje TSS, Triukšmo TSS (Reglamente (ES) Nr. 1304/2014), Žmonių su judėjimo negalia TSS (Reglamente (ES) Nr. 1300/2014) ir Kontrolės, valdymo ir signalizacijos TSS (Reglamente (ES) 2016/919);

b) 

laikomasi Direktyvos (ES) 2016/797 13 straipsnio 2 dalies a, c ir d punktuose nurodytų nacionalinių taisyklių, apie kurias pranešta pagal tos direktyvos 14 straipsnį.

5) 

Leidimus išduodančioji institucija per Agentūros svetainę viešai paskelbia išsamius 2 punkto c papunktyje nurodytų alternatyvių specifikacijų ir 2 punkto d papunktyje nurodytų techninio suderinamumo su tinklu reikalavimų duomenis, kuriais remdamasi ji išdavė leidimus išplėsti naudojimo teritoriją.

6) 

Jei gaunant transporto priemonės leidimą buvo pasinaudota galimybe netaikyti TSS ar jų dalių pagal Direktyvos 2008/57/EB 9 straipsnį, pareiškėjas išplėstos naudojimo vietos valstybėse narėse turi prašyti taikyti nukrypti leidžiančią nuostatą (-as) pagal Direktyvos (ES) 2016/797 7 straipsnį.

7) 

Remiantis Direktyvos (ES) 2016/797 54 straipsnio 2 dalimi laikoma, kad keleivinius vagonus, naudojamus pagal Regolamento Internazionale Carrozze (RIC), leidžiama naudoti pirminėmis naudojimo sąlygomis pirminėje naudojimo teritorijoje. Atlikus pakeitimą, dėl kurio būtina gauti naują leidimą pateikti rinkai pagal Direktyvos (ES) 2016/797 21 straipsnio 12 dalį, keleivinius vagonus, kuriuos leista naudoti pagal naujausią RIC susitarimą, leidžiama ir toliau naudoti pirminėje naudojimo teritorijoje nepakeistų dalių papildomai netikrinant.

▼B

7.2.    Suderinamumas su kitais posistemiais

1) 

Ši TSS buvo rengiama atsižvelgiant į tai, kad kiti posistemiai atitinka jiems taikomas TSS. Todėl sąsajos su stacionariaisiais įrenginiais, priklausančiais infrastruktūros, energijos bei kontrolės ir valdymo posistemiams, yra skirtos posistemiams, atitinkantiems infrastruktūros, energijos bei kontrolės, valdymo ir signalizacijos TSS.

2) 

Taigi su riedmenimis susiję įgyvendinimo metodai ir etapai priklauso nuo infrastruktūros, energijos bei kontrolės, valdymo ir signalizacijos TSS įgyvendinimo pažangos.

3) 

Be to, stacionariesiems įrenginiams taikomose TSS leidžiamas įvairių techninių charakteristikų rinkinys (pvz., infrastruktūros TSS – „eismo kodeksas“, energijos TSS – „elektros energijos tiekimo sistema“).

4) 

Atitinkamos techninės riedmenų savybės pagal ►M3  Direktyvos (ES) 2016/797 48 straipsnį ◄ ir 2011 m. spalio 4 d. Komisijos įgyvendinimo sprendimą 2011/665/ES dėl Europos patvirtintų geležinkelio transporto priemonių tipų registro įrašomos Europos patvirtintų transporto priemonių tipų registre (taip pat žr. šios TSS 4.8 skirsnį).

5) 

Kalbant apie stacionariuosius įrenginius, šios savybės sudaro dalį pagrindinių savybių, kurios pagal ►M3  Direktyvos (ES) 2016/797 48 straipsnį ir Komisijos įgyvendinimo reglamentą (ES) 2019/777 ( 22 ). ◄ .

7.3.    Specifiniai atvejai

7.3.1.    Bendrosios nuostatos

1) 

Toliau pateiktame punkte išvardytuose specifiniuose atvejuose aprašytos specialios nuostatos, kurių reikia ir kurias leidžiama taikyti konkrečiuose kiekvienos valstybės narės tinkluose.

▼M3

2) 

Šie specifiniai atvejai skirstomi į:

— 
„P“ atvejus – „nuolatinius“ (angl. „permanent“) atvejus;
— 
„T0“ – laikinus neribotos trukmės atvejus, kai data, iki kurios turi būti pasiekta tikslinė sistema, vis dar nenustatyta.
— 
„T1“ atvejus – „laikinus“ (angl. „temporary“) atvejus, kai tikslinė sistema turi būti įgyvendinta iki 2025 m. gruodžio 31 d.
— 
„T2“ atvejus – „laikinus“ (angl. „temporary“) atvejus, kai tikslinė sistema turi būti įgyvendinta iki 2035 m. gruodžio 31 d.

Visi specifiniai atvejai ir atitinkamos jų datos pakartotinai nagrinėjami ateityje persvarstant TSS, siekiant apriboti jų techninę ir geografinę taikymo sritį, remiantis jų poveikio saugai, sąveikai, tarpvalstybinėms paslaugoms, TEN-T koridoriams, taip pat praktinio ir ekonominio jų išlaikymo arba pašalinimo poveikio vertinimu. Ypač turi būti atsižvelgiama į galimybę panaudoti ES finansavimą.

Specifiniai atvejai turi būti taikomi tik maršrute arba tinkle, kuriame jie neišvengiamai būtini, ir į juos atsižvelgiama taikant maršruto suderinamumo procedūras.

▼B

3) 

Šioje TSS aprašomi visi specifiniai atvejai, taikomi riedmenims, kuriems taikoma ši TSS.

4) 

Kai kurie specifiniai atvejai susiję su kitomis TSS. Jeigu kuriame nors šios TSS punkte nurodoma kita TSS, su kuria yra susijęs specifinis atvejis, arba jeigu specifinis atvejis taikytinas riedmenims atsižvelgiant į kitoje TSS nurodytą specifinį atvejį, atitinkamos nuostatos pateikiamos ir šioje TSS.

5) 

Be to, kai kuriais specifiniais atvejais riedmenims, kurie atitinka TSS, nedraudžiama važiuoti nacionaliniame tinkle. Tokie atvejai aiškiai nurodomi susijusiame toliau išdėstyto 7.3.2 punkto skirsnyje.

▼M3

6) 

Jei sudedamajai daliai, kuri šios TSS 5.3 skirsnyje apibrėžta kaip sąveikos sudedamoji dalis, taikomas specifinis atvejis, reikia atlikti atitikties vertinimą pagal 6.1.1 skirsnio 3 punktą.

▼B

7.3.2.    Specifinių atvejų sąrašas

7.3.2.1.    Mechaninės sąsajos (4.2.2.2 punktas)

Airijos ir Jungtinės Karalystės (Šiaurės Airijos) specifinis atvejis („P“)

Galinė sankaba, aukštis virš bėgio (4.2.2.2.3 punktas, A priedas)

A.1   Taukšai

Taukšų vidurio linija bet kokiomis apkrovos ir nusidėvėjimo sąlygomis yra 1 090 mm (+ 5/– 80 mm) aukščio virš bėgių lygio intervale.

A.2   Sraigtinė sąvarža

Traukimo kablio vidurio linija bet kokiomis apkrovos ir nusidėvėjimo sąlygomis yra 1 070 mm (+ 25/– 80 mm) aukščio virš bėgių lygio intervale.

Jungtinės Karalystės (Didžiosios Britanijos) specifinis atvejis („P“)

Prieiga darbuotojams atlikti sukabinimą ir (arba) atkabinimą (4.2.2.2.5 punktas)

Leidžiama (kaip alternatyva), kad riedmenų vienetai su rankinio sukabinimo sistemomis (kaip nurodyta 4.2.2.2.3 punkto b papunktyje) atitiktų nacionalines taisykles, apie kurias tuo tikslu pranešta.

Šiuo specifiniu atveju riedmenims, kurie atitinka TSS, nedraudžiama važiuoti nacionaliniame tinkle.

7.3.2.2.    Gabaritai (4.2.3.1 punktas)

Airijos ir Jungtinės Karalystės (Šiaurės Airijos) specifinis atvejis („P“)

Leidžiama, kad riedmenų vieneto viršutinės ir apatinės dalių etaloninis profilis būtų nustatytas pagal nacionalines taisykles, apie kurias tuo tikslu pranešta.

Jungtinės Karalystės (Didžiosios Britanijos) specifinis atvejis („P“)

Siekiant užtikrinti techninį suderinamumą su esamu tinklu, leidžiama, kad riedmenų vieneto viršutinės ir apatinės dalių etaloninis profilis, kartu su pantografo gabaritu, būtų nustatytas pagal nacionalines taisykles, apie kurias tuo tikslu pranešta.

Šiuo specifiniu atveju riedmenims, kurie atitinka TSS, nedraudžiama važiuoti nacionaliniame tinkle.

7.3.2.3.    Riedmens suderinamumo su geležinkelio kelio įranga reikalavimai (4.2.3.3.2.2 punktas)

Suomijos specifinis atvejis („P“)

Riedmenų vienetų, kuriuos ketinama naudoti Suomijos (1 524 mm pločio vėžės) geležinkelių tinkle ir kurių ašių guolių būklės stebėjimas grindžiamas geležinkelio kelio įranga, ašidėžės apačioje esančios stebėjimo zonos, kurios turi likti neuždengtos, kad būtų galima užtikrinti stebėjimą geležinkelio kelio įkaitusių ašidėžių aptikimo įranga, nustatomos pagal standarte EN 15437–1:2009 apibrėžtus matmenis, o jų vertės pakeičiamos taip:

Geležinkelio kelio įranga grindžiama sistema

Standarto EN 15437–1:2009 5.1 ir 5.2 punktuose nurodyti matmenys atitinkamai pakeičiami toliau nurodytais matmenimis. Stebimos dvi atskiros zonos (I ir II), nustatant draudžiamąsias ir matavimo zonas:

I stebimos zonos matmenys:
— 
WTA – ne mažesnis kaip 50 mm,
— 
LTA – ne mažesnis kaip 200 mm,
— 
YTA – 1 045 –1 115 mm,
— 
WPZ – ne mažesnis kaip 140 mm,
— 
LPZ – ne mažesnis kaip 500 mm,
— 
YPZ – 1 080 mm ± 5 mm.
II stebimos zonos matmenys:
— 
WTA – ne mažesnis kaip 14 mm,
— 
LTA – ne mažesnis kaip 200 mm,
— 
YTA – 892–896 mm,
— 
WPZ – ne mažesnis kaip 28 mm,
— 
LPZ – ne mažesnis kaip 500 mm,
— 
YPZ – 894 mm ± 2 mm.

Airijos ir Jungtinės Karalystės (Šiaurės Airijos) specifinis atvejis („P“)

Riedmenų vienetų, kurių ašių guolių būklės stebėjimas grindžiamas geležinkelio kelio įranga, stebimos zonos ašidėžių apačioje atitinka šiuos reikalavimus (matmenys apibrėžti standarte EN 15437–1:2009):



18 lentelė

Stebima zona

 

YTA [mm]

WTA[mm]

LTA [mm]

YPZ [mm]

WPZ[mm]

LPZ [mm]

1 600 mm

1 110  ± 2

≥ 70

≥ 180

1 110  ± 2

≥ 125

≥ 500

▼M3

Švedijos specifinis atvejis („T“)

▼B

Šis specifinis atvejis taikomas visiems riedmenų vienetams, kuriuose nėra ašies guolių būklės stebėjimo įrangos ir kuriuos numatyta naudoti geležinkelio linijose, kuriose sumontuoti nemodernizuoti ašies guolių detektoriai. Infrastruktūros registre šios geležinkelio linijos nurodomos kaip šiuo požiūriu neatitinkančios TSS.

Po ašidėže/veleno kakliuku pagal toliau pateiktą lentelę, remiantis standarte EN 15437–1:2009 nustatytais parametrais, nustatomos dvi zonos, kurios yra neuždengtos, kad būtų galima užtikrinti vertikalųjį stebėjimą kelio įrangos ašidėžių aptikimo sistema:



19 lentelė

Riedmenų vienetų, kuriuos ketinama naudoti Švedijoje, stebėjimo ir draudžiamoji zonos

 

YTA [mm]

WTA [mm]

LTA [mm]

YPZ [mm]

WPZ [mm]

LPZ [mm]

1 sistema

862

≥ 40

visas

862

≥ 60

≥ 500

2 sistema

905 ± 20

≥ 40

visas

905

≥ 100

≥ 500

Suderinamumas su šiomis sistemomis nustatomas transporto priemonės techninėje byloje.

Jungtinės Karalystės (Didžiosios Britanijos) specifinis atvejis („P“)

Leidžiama nustatyti suderinamumą su kitokia nei J-1 priedėlio 15 rodyklėje nurodytoje specifikacijoje nustatytoji geležinkelio kelio įranga. Tokiu atveju geležinkelio kelio įrangos, su kuria suderinamas riedmuo, savybės aprašomos techniniuose dokumentuose (pagal 4.2.3.3.2 punkto 4 papunktį).

▼M3

7.3.2.4.    Sauga nuo nuriedėjimo nuo bėgių važiuojant kelio sąsūka (4.2.3.4.1 punktas)

Jungtinės Karalystės (Didžiosios Britanijos) specifinis atvejis („P“)

Leidžiama visiems riedmenų vienetams ir visais atvejais taikyti standarto EN 14363:2016 6.1.5.3.1 punkte nustatytą 3 metodą.

Šiuo specifiniu atveju riedmenims, kurie atitinka TSS, nedraudžiama važiuoti nacionaliniame tinkle.

7.3.2.5.    Važiavimo dinaminės savybės (4.2.3.4.2, 6.2.3.4)

Suomijos specifinis atvejis („P“)

Transporto priemonei, kurią numatyta naudoti tik Suomijos 1 524  mm pločio vėžės tinkle, taikomi šie punktų, kuriuose nustatomos važiavimo dinaminės savybės, pakeitimai:

— 
atliekant važiavimo dinaminių savybių bandymus netaikoma 4 bandymų zona;
— 
atliekant važiavimo dinaminių savybių bandymus visų 3 zonos geležinkelio kelio ruožų kreivės spindulio vidutinė vertė yra 550 ± 50 metrų;
— 
atliekant važiavimo dinaminių savybių bandymus geležinkelio kelio kokybės parametrai atitinka RATO 13 (geležinkelio kelio tikrinimas);
— 
matavimo metodai atitinka standartą EN 13848:2003+A1.

Airijos ir Jungtinės Karalystės (Šiaurės Airijos) specifinis atvejis („P“)

Siekiant užtikrinti techninį suderinamumą su esamu tinklu, važiavimo dinaminių savybių vertinimo tikslu leidžiama taikyti nacionalines technines taisykles, apie kurias pranešta.

Ispanijos specifinis atvejis („P“)

Riedmenų, kuriuos ketinama naudoti 1 668  mm pločio vėžės geležinkelio keliuose, kvazistatinės kreipiamosios jėgos Yqst ribinė vertė apskaičiuojama pagal kreivės spindulio vertes

250 m ≤ Rm < 400 m.

Ribinė vertė: (Yqst)lim = 66 kN.

Normalizuojant apytikslę vertę spinduliui Rm = 350 m pagal EN 14363:2016 7.6.3.2.6 (2) punktą, formulė „Ya,nf,qst = Ya,f,qst – (10 500  m/Rm – 30) kN“ pakeičiama į „Ya,nf,qst = Ya,f,qst – (11 550  m/Rm – 33) kN“.

Dviejų bėgių aukščių skirtumo horizontalia kryptimi stygiaus vertes galima pritaikyti 1 668  mm pločio vėžei padauginant atitinkamas 1 435  mm parametro vertes iš šio perskaičiavimo koeficiento: 1 733 /1 500 .

Jungtinės Karalystės (Didžiosios Britanijos) specifinis atvejis („P“)

Siekiant užtikrinti techninį suderinamumą su esamu tinklu, leidžiama taikyti nacionalines technines taisykles, kuriomis iš dalies keičiami EN 14363 reikalavimai ir apie kurias pranešta važiavimo dinaminių savybių vertinimo tikslu. Šiuo specifiniu atveju riedmenims, kurie atitinka TSS, nedraudžiama važiuoti nacionaliniame tinkle.

▼B

7.3.2.6.    Aširačio ir rato mechaninės ir geometrinės savybės (4.2.3.5.2.1 ir 4.2.3.5.2.2 punktai)

Estijos, Latvijos, Lietuvos ir Lenkijos specifinis atvejis, susijęs su 1 520 mm sistema („P“)

2 paveiksle apibrėžti ratų geometriniai matmenys atitinka 20 lentelėje nurodytas ribines vertes.



20 lentelė

Rato geometrinių matmenų eksploatacinės ribinės vertės

Apibūdinimas

Rato skersmuo D (mm)

Mažiausia vertė (mm)

Didžiausia vertė (mm)

Ratlankio plotis (BR + Burr)

400 ≤ D ≤ 1 220

130

146

Ratlankio antbriaunio storis (Sd)

21

33

Ratlankio antbriaunio aukštis (Sh)

28

32

Suomijos specifinis atvejis („P“)

Mažiausias rato skersmuo yra 400 mm.

Riedmenims, kuriuos numatoma naudoti eismui tarp Suomijos 1 524 mm pločio vėžės tinklo ir trečiosios šalies 1 520 mm pločio vėžės tinklo, leidžiama naudoti specialius aširačius, suprojektuotus taip, kad jie būtų tinkami naudoti abiejų pločių vėžės keliuose.

Airijos specifinis atvejis („P“)

2 paveiksle apibrėžti ratų geometriniai matmenys atitinka 21 lentelėje nurodytas ribines vertes.



21 lentelė

Rato geometrinių matmenų eksploatacinės ribinės vertės

▼M3

 

Apibūdinimas

Rato skersmuo D (mm)

Mažiausia vertė (mm)

Didžiausia vertė (mm)

1 600 mm

Ratlankio skersmuo BR) (BURR ne daugiau kaip 5 mm)

690 ≤ D ≤ 1 016

137

139

Ratlankio antbriaunio storis (Sd)

690 ≤ D ≤ 1 016

26

33

Ratlankio antbriaunio aukštis (Sh)

690 ≤ D ≤ 1 016

28

38

Ratlankio antbriaunio paviršius (qR)

690 ≤ D ≤ 1 016

6,5

Jungtinės Karalystės (Šiaurės Airijos) specifinis atvejis („P“)

1 ir 2 paveiksluose apibrėžti aširačių ir ratų geometriniai matmenys atitinka 22 lentelėje nurodytas ribines vertes.



22 lentelė

Aširačių ir ratų geometrinių matmenų eksploatacinės ribinės vertės

▼M3

 

Apibūdinimas

Rato skersmuo D (mm)

Mažiausia vertė (mm)

Didžiausia vertė (mm)

1 600 mm

Atstumas tarp ratlankių antbriaunių (SR)

SR = AR + Sd, left + Sd, right

690 ≤ D ≤ 1 016

1 573

1 593,3

Atstumas tarp ratų vidinių briaunų (AR)

690 ≤ D ≤ 1 016

1 521

1 527,3

Ratlankio plotis (BR)

(BURR ne daugiau kaip 5 mm)

690 ≤ D ≤ 1 016

127

139

Ratlankio antbriaunio storis (Sd)

690 ≤ D ≤ 1 016

24

33

Ratlankio antbriaunio aukštis (Sh)

690 ≤ D ≤ 1 016

28

38

Ratlankio antbriaunio paviršius (qR)

690 ≤ D ≤ 1 016

6,5

Ispanijos specifinis atvejis dėl 1 668  mm pločio vėžės („P“)

▼B

Mažiausia ratlankio antbriaunio storio vertė (Sd), kai rato skersmuo D ≥ 840 mm, yra 25 mm.

Kai rato skersmuo 330 mm ≤ D < 840 mm, mažiausia vertė yra 27,5 mm.

Jungtinės Karalystės (Didžiosios Britanijos) specifinis atvejis („P“)

Leidžiama (kaip alternatyva), kad ratų geometriniai matmenys būtų nustatomi pagal nacionalines taisykles, apie kurias tuo tikslu pranešta.

Šiuo specifiniu atveju riedmenims, kurie atitinka TSS, nedraudžiama važiuoti nacionaliniame tinkle.

▼M3

7.3.2.6a.    Mažiausias kreivės spindulys (4.2.3.6)

Airijos specifinis atvejis („P“)

1 600  mm pločio vėžės sistemoje visiems riedmenų vienetams taikomas mažiausiasis įveikiamos kreivės spindulys yra 105 m.

▼B

7.3.2.7.    Avarinis stabdymas (4.2.4.5.2 punktas)

Jungtinės Karalystės (Didžiosios Britanijos) specifinis atvejis („P“)

Leidžiama, kad riedmenų vienetų, vertinamų pastovios sudėties arba iš anksto suformuotame sąstate, kurio projektinis greitis 250 km/h arba didesnis, stabdymo kelias vertinant avarinio stabdymo efektyvumą įprastu režimu nukryptų nuo mažiausių verčių, nustatytų 4.2.4.5.2 punkto 9 papunktyje

7.3.2.8.    Aerodinaminis poveikis (4.2.6.2 punktas)

Jungtinės Karalystės (Didžiosios Britanijos) specifinis atvejis („P“)

Traukinio priekinės dalies sukelti slėgio pokyčiai (4.2.6.2.2 punktas)

Riedmenų vienetų, kurių didžiausias eksploatacinis greitis yra didesnis kaip 160 km/h, bet mažesnis kaip 250 km/h, važiuojančių atvirame ore didžiausiu eksploataciniu greičiu, sukeltas didžiausias dvipusis slėgio pokytis neturi viršyti nacionaline taisykle, apie kurią tuo tikslu pranešta, nustatytos vertės.

Italijos specifinis atvejis („P“)

Didžiausi slėgio pokyčiai tuneliuose (4.2.6.2.3 punktas)

Siekiant užtikrinti galimybę netrukdomai naudoti esamas linijas, atsižvelgiant į tai, kad yra daug tunelių, kurių skerspjūvio plotas 54 m2 ir per kuriuos važiuojama 250 km/h greičiu, ir tunelių, kurių skerspjūvio plotas 82,5 m2 ir per kuriuos važiuojama 300 km/h, riedmenų vienetai, kurių didžiausias projektinis greitis yra 190 km/h arba didesnis, atitinka 23 lentelėje nustatytus reikalavimus.



23 lentelė

Reikalavimai, taikomi pavieniam sąveikai tinkamam traukiniui, važiuojančiam nenuožulniu vamzdžio tipo tuneliu

 

Gabaritas

Etaloninis atvejis

Etaloninio atvejo kriterijai

Didžiausias leidžiamas greitis [km/h]

Vtr

[km/h]

Atu

[m2]

ΔpN

[Pa]

ΔpN + ΔpFr

[Pa]

ΔpN + ΔpFr + ΔpT

[Pa]

Vtr,max < 250 km/h

GA arba mažesnis

200

53,6

≤ 1 750

≤ 3 000

≤ 3 700

≤ 210

GB

200

53,6

≤ 1 750

≤ 3 000

≤ 3 700

≤ 210

GC

200

53,6

≤ 1 750

≤ 3 000

≤ 3 700

≤ 210

Vtr,max < 250 km/h

GA arba mažesnis

200

53,6

≤ 1 195

≤ 2 145

≤ 3 105

< 250

GB

200

53,6

≤ 1 285

≤ 2 310

≤ 3 340

< 250

GC

200

53,6

≤ 1 350

≤ 2 530

≤ 3 455

< 250

Vtr,max ≥ 250 km/h

GA arba mažesnis

250

53,6

≤ 1 870

≤ 3 355

≤ 4 865

250

Vtr,max ≥ 250 km/h

GA arba mažesnis

250

63,0

≤ 1 460

≤ 2 620

≤ 3 800

> 250

GB

250

63,0

≤ 1 550

≤ 2 780

≤ 4 020

> 250

GC

250

63,0

≤ 1 600

≤ 3 000

≤ 4 100

> 250

Jei transporto priemonė neatitinka pirmiau lentelėje nustatytų verčių (pvz., TSS atitinkanti transporto priemonė), gali būti taikomos naudojimo taisyklės (pvz., greičio apribojimai).

7.3.2.9.    Įspėjamojo garso signalo garso slėgio lygiai (4.2.7.2.2 punktas)

Jungtinės Karalystės (Didžiosios Britanijos) specifinis atvejis („P“)

Transporto priemonė kurią numatyta naudoti tik nacionaliniu mastu, gali atitikti įspėjamojo garso signalo garso slėgio lygio reikalavimus, nustatytus nacionalinėse techninėse taisyklėse, apie kurias tuo tikslu pranešta.

Traukiniai, kuriuos numatyta naudoti tarptautiniu mastu, atitinka šios TSS 4.2.7.2.2 punkte nustatytus įspėjamojo garso signalo garso slėgio lygio reikalavimus.

Šiuo specifiniu atveju riedmenims, kurie atitinka TSS, nedraudžiama važiuoti nacionaliniame tinkle.

7.3.2.10.    Elektros energijos tiekimas. bendrosios nuostatos (4.2.8.2 punktas)

Jungtinės Karalystės (Didžiosios Britanijos) specifinis atvejis („P“)

Leidžiama, kad elektriniai riedmenys būtų suprojektuoti naudoti tik geležinkelio linijose, kuriose įrengta 600/750 V nuolatinės elektros srovės tiekimo sistema, kaip numatyta energijos TSS ►M3  7.4.2.9.1 punkte ◄ , ir naudojami antžeminiai trijų ir (arba) keturių bėgių konfigūracijos kontaktiniai bėgiai; tuo atveju taikomos nacionalinės techninės taisyklės, apie kurias tuo tikslu pranešta.

7.3.2.11.    Naudojimas tam tikrame įtampų ir dažnių intervale (4.2.8.2.2 punktas)

▼M3

Estijos specifinis atvejis („T1“)

▼B

Elektrinius riedmenis, skirtus naudoti nuolatinės srovės 3,0 kV linijose, turi būti galima naudoti energijos TSS 7.4.2.1.1 punkte nustatytame įtampų ir dažnių intervale.

▼M3

Prancūzijos specifinis atvejis („T2“)

▼B

Elektrinius riedmenis, skirtus naudoti nuolatinės srovės 1,5 kV linijose, turi būti galima naudoti energijos TSS 7.4.2.2.1 punkte nustatytame įtampų ir dažnių intervale.

Esamose nuolatinės srovės 1,5 kV linijose leidžiama stipriausia kiekvieno pantografo perduodama srovė traukiniui stovint (4.2.8.2.5 punktas) gali būti mažesnė, nei energijos TSS 4.2.5 punkte nustatytos ribinės vertės; kiekvieno pantografo perduodama srovė traukiniui stovint elektriniuose riedmenų vienetuose, skirtuose naudoti tose linijose, atitinkamai ribojama.

▼M3

Latvijos specifinis atvejis („T1“)

▼B

Elektrinius riedmenis, skirtus naudoti nuolatinės srovės 3,0 kV linijose, turi būti galima naudoti energijos TSS ►M3  7.4.2.4.1 punkte ◄ nustatytame įtampų ir dažnių intervale.

Jungtinės Karalystės (Didžiosios Britanijos) specifinis atvejis („P“)

Leidžiama, kad elektriniuose riedmenų vienetuose būtų įrengiama automatinio reguliavimo funkcija, veikianti neįprastos įtampos naudojimo sąlygomis, kaip nustatyta nacionaline taisykle, apie kurią tuo tikslu pranešta.

Šiuo specifiniu atveju riedmenims, kurie atitinka TSS, nedraudžiama važiuoti nacionaliniame tinkle.

7.3.2.12.    Rekuperacinių stabdžių naudojimas (4.2.8.2.3 punktas)

Belgijos specifinis atvejis ( ►M3  „T1“ ◄ )

Siekiant užtikrinti techninį suderinamumą su esama sistema, didžiausia grąžinimo į kontaktinį tinklą įtampa (Umax2 pagal standarto EN 50388:2012 12.1.1 punktą) 3 kV tinkle neturi būti aukštesnė kaip 3,8 kV.

Čekijos specifinis atvejis („T“)

Siekiant užtikrinti techninį suderinamumą su esama sistema, didžiausia grąžinimo į kontaktinį tinklą įtampa (Umax2 pagal standarto EN 50388:2012 12.1.1 punktą) 3 kV tinkle neturi būti aukštesnė kaip 3,55 kV.

Švedijos specifinis atvejis („T“)

Siekiant užtikrinti techninį suderinamumą su esama sistema, didžiausia grąžinimo į kontaktinį tinklą įtampa (Umax2 pagal standarto EN 50388:2012 12.1.1 punktą) 15 kV tinkle neturi būti aukštesnė kaip 17,5 kV.

7.3.2.13.    Sąveikos su kontaktiniais laidais aukštis (riedmenų lygmuo) (4.2.8.2.9.1.1 punktas)

Jungtinės Karalystės (Didžiosios Britanijos) specifinis atvejis („P“)

Siekiant užtikrinti techninį suderinamumą su esamomis linijomis, leidžiama, kad ant elektrinio riedmenų vieneto įrengtas pantografas užtikrintų mechaninį kontaktą su kontaktiniais laidais išplėstame kontaktinio laido aukščių intervale, pagal nacionalines taisykles, apie kurias tuo tikslu pranešta.

7.3.2.14.    Pantografo vežimėlio geometrinės savybės (4.2.8.2.9.2 punktas)

▼M3

Kroatijos specifinis atvejis („T1“)

▼B

Kad elektrinius riedmenų vienetus būtų galima naudoti esamo tinklo 3 kV nuolatinės srovės sistemoje, juose leidžiama įrengti pantografą, kurio vežimėlio ilgis yra 1 450 mm, kaip pavaizduota standarto EN 50367:2012 B.2 priedo B.1 paveiksle (kaip alternatyvą 4.2.8.2.9.2 punkto reikalavimui).

▼M3

Suomijos specifinis atvejis („T1“)

▼B

Siekiant užtikrinti techninį suderinamumą su esamu tinklu, pantografo vežimėlio plotis turi neviršyti 0,422 metro.

▼M3

Prancūzijos specifinis atvejis („T2“)

▼B

Kad elektrinius riedmenų vienetus būtų galima naudoti esamame tinkle, visų pirma tik su siaurais pantografais suderinamo kontaktinio tinklo sistemos linijose, ir Prancūzijoje bei Šveicarijoje, juose leidžiama įrengti pantografą, kurio vežimėlio ilgis yra 1 450 mm, kaip pavaizduota standarto EN 50367:2012 B.2 priedo B.1 paveiksle (kaip alternatyvą 4.2.8.2.9.2 punkto reikalavimui).

▼M3

Italijos specifinis atvejis („T0“)

▼B

Kad elektrinius riedmenų vienetus būtų galima naudoti esamo tinklo 3 kV nuolatinės srovės sistemoje (ir papildomai Šveicarijoje 15 kV kintamosios srovės sistemoje), juose leidžiama įrengti pantografą, kurio vežimėlio ilgis yra 1 450 mm, kaip pavaizduota standarto EN 50367:2012 B.2 priedo B.1 paveiksle (kaip alternatyvą 4.2.8.2.9.2 punkto reikalavimui).

▼M3

Portugalijos specifinis atvejis („T0“)

▼B

Kad elektrinius riedmenų vienetus būtų galima naudoti esamo tinklo 25 kV 50 Hz sistemoje, juose leidžiama įrengti pantografą, kurio vežimėlio ilgis yra 1 450 mm, kaip pavaizduota standarto EN 50367:2012 B.2 priedo B.1 paveiksle (kaip alternatyvą 4.2.8.2.9.2 punkto reikalavimui).

Kad elektrinius riedmenų vienetus būtų galima naudoti esamo tinklo 1,5 kV nuolatinės srovės sistemoje, juose leidžiama įrengti pantografą, kurio vežimėlio ilgis yra 2 180 mm, kaip pavaizduota nacionalinėje taisyklėje, apie kurią tuo tikslu pranešta (kaip alternatyvą 4.2.8.2.9.2 punkto reikalavimui).

▼M3

Slovėnijos specifinis atvejis („T0“)

▼B

Kad elektrinius riedmenų vienetus būtų galima naudoti esamo tinklo 3 kV nuolatinės srovės sistemoje, juose leidžiama įrengti pantografą, kurio vežimėlio ilgis yra 1 450 mm, kaip pavaizduota standarto EN 50367:2012 B.2 priedo B.1 paveiksle (kaip alternatyvą 4.2.8.2.9.2 punkto reikalavimui).

▼M3

Švedijos specifinis atvejis („T1“)

▼B

Kad elektrinius riedmenų vienetus būtų galima naudoti esamame tinkle, juose leidžiama įrengti pantografą, kurio vežimėlio ilgis yra 1 800 mm, kaip pavaizduota standarto EN 50367:2012 B.2 priedo B.5 paveiksle (kaip alternatyvą 4.2.8.2.9.2 punkto reikalavimui).

Jungtinės Karalystės (Didžiosios Britanijos) specifinis atvejis („P“)

Kad elektrinius riedmenų vienetus būtų galima naudoti esamame tinkle, juose leidžiama įrengti pantografą, kurio vežimėlio ilgis yra 1 600 mm, kaip pavaizduota standarto EN 50367:2012 B.2 priedo B.6 paveiksle (kaip alternatyvą 4.2.8.2.9.2 punkto reikalavimui).

7.3.2.15.    Kontaktinio intarpo medžiaga (4.2.8.2.9.4.2 punktas)

Prancūzijos specifinis atvejis („P“)

Metalo kiekį 1 500 V nuolatinės srovės linijose naudojamuose angliniuose kontaktiniuose intarpuose leidžiama padidinti iki 60 % masės.

7.3.2.16.    Pantografo prispaudžiamoji jėga ir dinaminės savybės (4.2.8.2.9.6 punktas)

▼M3

Prancūzijos specifinis atvejis („T2“)

▼B

Siekiant užtikrinti techninį suderinamumą su esamu tinklu, elektrinių riedmenų vienetų, kuriuos ketinama naudoti nuolatinės srovės 1,5 kV linijose, tinkamumas, be 4.2.8.2.9.6 punkto reikalavimo, turi būti patvirtintas atsižvelgiant į vidutinę prispaudžiamąją jėgą šiame intervale: 70 N < Fm < 0,00178 * v (4)  + 110 N, vertė traukiniui stovint – 140 N.

Atitikties vertinimo procedūroje (modeliavimas ir (arba) bandymas pagal 6.1.3.7 ir 6.2.3.20 punktus) atsižvelgiama į šias aplinkos sąlygas:

vasaros sąlygos : aplinkos temperatūra > = 35 °C, modeliuojant taikoma kontaktinio laido temperatūra > 50 °C,

žiemos sąlygos : aplinkos temperatūra 0 °C, modeliuojant taikoma kontaktinio laido temperatūra 0 °C.

▼M3

Švedijos specifinis atvejis („T1“)

▼B

Siekiant užtikrinti techninį suderinamumą su esamu Švedijos tinklu, pantografo statinė prispaudžiamoji jėga atitinka standarto EN 50367:2012 B priedo B3 lentelės SE skiltyje nurodytus reikalavimus (55 N). Suderinamumas pagal šiuos reikalavimus nurodomas transporto priemonės techninėje byloje.

Jungtinės Karalystės (Didžiosios Britanijos) specifinis atvejis („P“)

Siekiant užtikrinti techninį suderinamumą su esamomis linijomis, per sąveikos sudedamosios dalies patikrą (5.3.10 ir 6.1.3.7 punktai) patvirtinamas pantografo tinkamumas imti srovę taikant papildomą kontaktinio laido aukščių intervalą 4 700 –4 900 mm.

Lamanšo tunelio specifinis atvejis („P“)

Siekiant užtikrinti techninį suderinamumą su esamomis linijomis, per sąveikos sudedamosios dalies patikrą (5.3.10 ir 6.1.3.7 punktai) patvirtinamas pantografo tinkamumas imti srovę taikant papildomą kontaktinio laido aukščių intervalą 5 920 –6 020 mm.

7.3.2.17.    Avarinis išėjimas iš mašinisto kabinos (4.2.9.1.2.2 punktas)

Jungtinės Karalystės (Didžiosios Britanijos) specifinis atvejis („P“)

Leidžiama minimali vidinio išėjimo prieigos zona ir minimalūs vidinio išėjimo aukštis ir plotis pagal nacionalines technines taisykles, apie kurias tuo tikslu pranešta.

Šiuo specifiniu atveju riedmenims, kurie atitinka TSS, nedraudžiama važiuoti nacionaliniame tinkle.

7.3.2.18.    Priekinis matomumas (4.2.9.1.3.1 punktas)

Jungtinės Karalystės (Didžiosios Britanijos) specifinis atvejis („P“)

Riedmenys, kuriuos numatyta naudoti Jungtinėje Karalystėje, užuot 4.2.9.1.3.1 punkto reikalavimų atitinka toliau pateiktas specialias nuostatas.

Mašinisto kabina projektuojama taip, kad mašinistas iš sėdimos traukinio valdymo padėties turėtų neužstotą regėjimo lauką ir galėtų matyti stacionarius signalus, kaip nustatyta nacionalinėje techninėje taisyklėje GM/RT2161 „Geležinkelių transporto priemonių mašinisto kabinoms keliami reikalavimai“.

Šiuo specifiniu atveju riedmenims, kurie atitinka TSS, nedraudžiama važiuoti nacionaliniame tinkle.

7.3.2.19.    Mašinisto pultas. Ergonominės savybės (4.2.9.1.6 punktas)

Jungtinės Karalystės (Didžiosios Britanijos) specifinis atvejis („P“)

Jeigu 4.2.9.1.6 punkto paskutinės pastraipos reikalavimai, susiję su stabdymo ir (arba) traukos valdymo svirties judėjimo kryptimi, neatitinka Didžiojoje Britanijoje veikiančios geležinkelio įmonės saugos valdymo sistemos, leidžiama naudoti atvirkštinę stabdymo ir traukos valdymo svirties judėjimo kryptį.

7.3.2.20.    Gaisrinė sauga ir evakuacija (4.2.10 punktas)

▼M3

Italijos specifinis atvejis („T0“)

▼B

Toliau pateikiami papildomi reikalavimai riedmenų vienetams, kuriuos ketinama naudoti esamuose Italijos tuneliuose.

Gaisro aptikimo sistemos (4.2.10.3.2 ir 6.2.3.23 punktai)

Be 6.2.3.23 punkte nustatytų zonų, gaisro aptikimo sistemos įrengiamos visose keleivių ir traukinio darbuotojų buvimo zonose.

Keleivinių riedmenų vienetų gaisro lokalizavimo ir valdymo sistemos (4.2.10.3.4 punktas)

Be to, ko reikalaujama 4.2.10.3.4 punkte, A ir B kategorijų keleiviniuose riedmenų vienetuose įrengiamos aktyviosios gaisro lokalizavimo ir valdymo sistemos.

Gaisro lokalizavimo ir valdymo sistemos vertinamos pagal nacionalines automatinių gaisro gesinimo sistemų taisykles, apie kurias pranešta.

Be to, ko reikalaujama 4.2.10.3.4 punkte, A ir B kategorijų keleiviniuose riedmenų vienetuose visose techninėse zonose įrengiamos automatinės gaisro gesinimo sistemos.

Prekinių traukinių lokomotyvai ir prekiniai savaeigiai riedmenų vienetai. Apsaugos nuo gaisro plitimo priemonės (4.2.10.3.5 punktas) ir tinkamumas važiuoti (4.2.10.4.4 punktas)

Be to, ko reikalaujama 4.2.10.3.5 punkte, prekiniuose lokomotyvuose ir prekiniuose savaeigiuose riedmenų vienetuose visose techninėse zonose įrengiamos automatinės gaisro gesinimo sistemos.

Be to, ko reikalaujama 4.2.10.4.4 punkte, prekinių lokomotyvų ir prekinių savaeigių riedmenų vienetų tinkamumas važiuoti yra lygiavertis B kategorijos keleivinių riedmenų tinkamumui važiuoti.

▼M3

Peržiūros nuostata

Ne vėliau kaip 2025 m. liepos 31 d. valstybė narė Komisijai pateikia pirmiau nurodytų papildomų specifikacijų galimų alternatyvų, kuriomis būtų galima pašalinti arba labai sumažinti apribojimus riedmenims, susijusius su tunelių neatitiktimi TSS, ataskaitą.

▼B

7.3.2.21.    Tinkamumas važiuoti (4.2.10.4.4 punktas) ir gaisro lokalizavimo ir valdymo sistema (4.2.10.3.4 punktas)

▼M3

Lamanšo tunelio specifinis atvejis („T1“)

▼B

Atsižvelgiant į tunelio ilgį, keleiviniai riedmenų vienetai, kuriuos ketinama naudoti Lamanšo tunelyje, yra B kategorijos riedmenų vienetai.

Dėl gaisro gesinimo punktų, kuriuose būtų saugi zona, trūkumo (žr. geležinkelio tunelių saugos TSS 4.2.1.7 punktą), taikomi šių punktų pakeitimai:

— 
4.2.10.4.4 punkto 3 papunktis
Keleivinių riedmenų vienetų, kuriuos ketinama naudoti Lamanšo tunelyje, atitiktis įrodoma taikant J-1 priedėlio 63 rodyklėje nurodytą specifikaciją; sistemos funkcijos, kurioms daro poveikį 2 tipo gaisras, yra stabdymas ir trauka; šios funkcijos vertinamos šiomis sąlygomis:
— 
veikimo trukmė yra 30 minučių važiuojant bent 100 km/h greičiu arba
— 
veikimo trukmė yra 15 minučių važiuojant bent 80 km/h greičiu (pagal 4.2.10.4.4 punktą), nacionalinėje taisyklėje, apie kurią tuo tikslu pranešė Lamanšo tunelio saugos institucija, nustatyta sąlyga.
— 
4.2.10.3.4 punkto 3 ir 4 papunkčiai
Kai tinkamumas važiuoti nustatytas taikant 30 minučių trukmę pagal pirmesnį punktą, priešgaisrinės užtvaros tarp mašinisto kabinos ir už jos esančios patalpos (darant prielaidą, kad gaisras kyla už kabinos esančioje patalpoje) atitiktis vientisumo reikalavimams užtikrinama bent 30 minučių (o ne 15 minučių).
Kai tinkamumas važiuoti nustatytas taikant 30 minučių trukmę pagal pirmesnį punktą, keleivinėse transporto priemonėse, iš kurių keleiviai negali išeiti pro abu galus (nėra perėjimo tako), priemonės, kuriomis valdomas karščio ir gaisro išlakų plitimas (ištisinės pertvaros per visą skerspjūvį ar kitos GLVS, priešgaisrinės užtvaros tarp vidaus degimo variklio ir (arba) elektros energijos tiekimo ir (arba) traukos įrangos patalpų bei keleivių ir (arba) personalo patalpų), projektuojamos taip, kad užtikrintų apsaugą nuo gaisro bent 30 minučių (o ne 15 minučių).

7.3.2.22.    Jungtis su tualeto nuotekų šalinimo sistema (4.2.11.3 punktas)

Suomijos specifinis atvejis („P“)

Kaip alternatyvą tam, kas nustatyta šios TSS 4.2.11.3 punkte, arba papildomai leidžiama įrengti tualeto nuotekų šalinimo ir sanitarinių nuotekų rezervuarų plovimo jungtis pagal AI1 pvz., suderinamas su Suomijos geležinkelių tinklo geležinkelio kelio įrenginiais.

Figure AI 1. Emptying connections for toilet tank

image

Quick connector SFS 4428, connector part A, size DN80

Material: acid-proof stainless steel

Sealing on the counter-connector's side.

Specific definition in the standard SFS 4428

7.3.2.23.    Vandens pildymo sąsaja (4.2.11.5 punktas)

Suomijos specifinis atvejis („P“)

Kaip alternatyvą tam, kas nustatyta šios TSS 4.2.11.5 punkte, arba papildomai leidžiama įrengti vandens pildymo jungtis pagal AII1 pav., suderinamas su Suomijos geležinkelių tinklo geležinkelio kelio įrenginiais.

Figure A II1 The water filling adapters

image

Type: Connector C for fire fighting NCU1

Material: brass or aluminium

Specific definition in the standard SFS 3802 (sealing defined by each connector manufacturer).

Airijos ir Jungtinės Karalystės (Šiaurės Airijos) specifinis atvejis („P“)

Kaip alternatyvą tam, kas nustatyta šios TSS 4.2.11.5 punkte, arba papildomai leidžiama įrengti tūtos tipo vandens pildymo sąsają. Ši tūtos tipo pildymo sąsaja turi atitikti nacionalinių techninių taisyklių, apie kurias tuo tikslu pranešta, reikalavimus.

7.3.2.24.    Specialūs traukinių statymo į atsarginį kelią reikalavimai (4.2.11.6 punktas)

Airijos ir Jungtinės Karalystės (Šiaurės Airijos) specifinis atvejis („P“)

Elektros energijos tiekimas atsarginiame kelyje pastatytiems traukiniams turi atitikti nacionalinių techninių taisyklių, apie kurias tuo tikslu pranešta, reikalavimus.

Jungtinės Karalystės (Didžiosios Britanijos) specifinis atvejis („P“)

Leidžiama užtikrinti 400 V vietos išorinį pagalbinį elektros energijos tiekimą pagal nacionalines taisykles, apie kurias tuo tikslu pranešta.

7.3.2.25.    Degalų pylimo įranga (4.2.11.7 punktas)

Suomijos specifinis atvejis („P“)

Kad degalų rezervuarą būtų galima pildyti Suomijos tinkle, riedmenų vienetų su dyzelinių degalų pylimo sąsaja degalų rezervuaras turi turėti apsaugos nuo perpildymo įtaisą, kaip nustatyta standartuose SFS 5684 ir SFS 5685.

Airijos ir Jungtinės Karalystės (Šiaurės Airijos) specifinis atvejis („P“)

Degalų pildymo įrangos sąsaja turi atitikti nacionalinių techninių taisyklių, apie kurias tuo tikslu pranešta, reikalavimus.

7.3.2.26.    Trečiosios šalies kilmės riedmenys (bendrosios nuostatos)

Suomijos specifinis atvejis

(„P“) Trečiųjų šalių riedmenims, kuriuos numatoma naudoti Suomijos 1 524 mm pločio vėžės tinkle ir eismui tarp Suomijos ir trečiosios šalies 1 520 mm pločio vėžės tinklo, leidžiama vietoje šios TSS reikalavimų taikyti nacionalines technines taisykles.

▼M3

7.3.2.27.    Riedmenų ir riedmenų tipo pakeitimų valdymo taisyklės (7.1.2.2)

Jungtinės Karalystės (Didžiosios Britanijos) specifinis atvejis („P“)

Bet kokie riedmens skersinio kontūro, apibrėžto nacionalinėse techninėse taisyklėse, apie kurias pranešta gabaritų nustatymo proceso tikslu (pavyzdžiui, kaip aprašyta RIS-2773-RST), pakeitimai bus priskiriami prie pakeitimų pagal Komisijos įgyvendinimo reglamento (ES) 2018/545 15 straipsnio 1 dalies c punktą, o ne pagal Direktyvos (ES) 2016/797 21 straipsnio 12 dalies a punktą.

▼B

7.4.    Specifinės aplinkos sąlygos

Austrijos specifinės sąlygos

Riedmenis leidžiama naudoti Austrijoje žiemos sąlygomis be apribojimų, jei laikomasi šių sąlygų:

— 
padidinama kliūčių verstuvo geba pašalinti sniegą, kaip nurodyta 4.2.6.1.2 punkte, atsižvelgiant į sunkias žiemos sąlygas (sniegas, ledas ir kruša),
— 
lokomotyvuose ir traukos riedmenų vienetuose įrengiami smėlio barstytuvai.

Estijos specifinės sąlygos

Kad riedmenis būtų galima naudoti Estijos tinkle be apribojimų žiemos sąlygomis, turi būti įrodyta, kad riedmenys atitinka šiuos reikalavimus:

— 
parinktas 4.2.6.1.1 punkte nustatytas T2 temperatūrų intervalas,
— 
parinktos 4.2.6.1.2 punkte nustatytos žiemos sąlygos (sniegas, ledas ir kruša), išskyrus pusnis.

Suomijos specifinės sąlygos

Kad riedmenis būtų galima naudoti Suomijos tinkle be apribojimų žiemos sąlygomis, turi būti įrodyta, kad riedmenys atitinka šiuos reikalavimus:

— 
parinktas 4.2.6.1.1 punkte nustatytas T2 temperatūrų intervalas,
— 
parinktos 4.2.6.1.2 punkte nustatytos žiemos sąlygos (sniegas, ledas ir kruša), išskyrus pusnis,
— 
riedmenis leidžiama naudoti Suomijoje žiemos sąlygomis be apribojimų, jei laikomasi šių su stabdžių sistema susijusių sąlygų:
— 
bent pusėje sąstato arba keleivinio vagono kurio vardinis greitis didesnis kaip 140 km/h, vežimėlių įrengtas magnetinis bėginis stabdys,
— 
visuose sąstato arba keleivinio vagono, kurių vardinis greitis didesnis kaip 180 km/h, vežimėliuose įrengtas magnetinis bėginis stabdys.

Prancūzijos specifinės sąlygos

Riedmenis leidžiama naudoti Prancūzijoje žiemos sąlygomis be apribojimų, jei laikomasi šių sąlygų:

— 
lokomotyvuose ir traukos riedmenų vienetuose įrengiami smėlio barstytuvai.

Graikijos specifinės sąlygos

Kad riedmenis būtų galima naudoti Graikijos geležinkelių tinkle be apribojimų vasaros sąlygomis, turi būti parinktas 4.2.6.1.1 punkte nustatytas T3 temperatūrų intervalas.

Vokietijos specifinės sąlygos

Riedmenis leidžiama naudoti Vokietijoje žiemos sąlygomis be apribojimų, jei laikomasi šios sąlygos:

— 
lokomotyvuose ir traukos riedmenų vienetuose įrengiami smėlio barstytuvai.

Portugalijos specifinės sąlygos

Kad riedmenis būtų galima naudoti Portugalijos tinkle be apribojimų vasaros sąlygomis, turi būti parinktas 4.2.6.1.1 punkte nustatytas T3 temperatūrų intervalas.

Ispanijos specifinės sąlygos

Kad riedmenis būtų galima naudoti Ispanijos tinkle be apribojimų vasaros sąlygomis, turi būti parinktas 4.2.6.1.1 punkte nustatytas T3 temperatūrų intervalas.

Švedijos specifinės sąlygos

Kad riedmenis būtų galima naudoti Švedijos tinkle be apribojimų žiemos sąlygomis, turi būti įrodyta, kad riedmenys atitinka šiuos reikalavimus:

— 
parinktas 4.2.6.1.1 punkte nustatytas T2 temperatūrų intervalas,
— 
parinktos 4.2.6.1.2 punkte nustatytos žiemos sąlygos (sniegas, ledas ir kruša).

7.5.    Aspektai, į kuriuos reikia atsižvelgti atliekant persvarstymo procedūrą arba vykdant kitą agentūros veiklą

Remiantis analize, atlikta rengiant šią TSS, nustatyti tam tikri aspektai, kurie bus svarbūs ateityje tobulinant ES geležinkelių sistemą.

Šie aspektai suskirstyti į tris grupes:

1) 

aspektai, kurie šioje TSS apibrėžti kaip pagrindinis parametras ir kurių specifikacija galbūt bus tobulinama, kai bus persvarstoma TSS;

2) 

aspektai, kurie, atsižvelgiant į dabartinį technologijų lygį, neapibrėžti kaip pagrindinis parametras, tačiau nagrinėjami vykdant mokslinių tyrimų projektus;

3) 

su vykdomais ES geležinkelių sistemos tyrimais susiję aspektai, kuriems TSS netaikomos.

Šie aspektai nurodyti toliau, remiantis šios TSS 4.2 skirsnio struktūra.

7.5.1.    Aspektai, susiję su šioje TSS apibrėžtu pagrindiniu parametru

7.5.1.1.    Ašies apkrovos parametras (4.2.3.2.1 punktas)

Šiuo pagrindiniu parametru apibrėžiama infrastruktūros ir riedmenų sąsajos vertikalioji apkrova.

Infrastruktūros TSS nustatyta, kad geležinkelio linijos skirstomos į standarte EN 15528:2008 nustatytas kategorijas. Be to, šiame standarte nustatyta geležinkelių transporto priemonių skirstymo į prekinių vagonų ir tam tikrų tipų lokomotyvų bei keleivinių transporto priemonių kategorijas sistema; ji bus persvarstyta, kad būtų taikoma visų tipų riedmenims ir greitųjų geležinkelių linijoms.

Kai bus parengta persvarstyta versija, gali būti naudinga į paskelbtosios įstaigos išduodamą EB sertifikatą įtraukti vertinamo riedmenų vieneto „konstrukcijos“ kategoriją:

— 
projektinės masės, kai naudingoji apkrova įprasta, kategoriją,
— 
projektinės masės esant išimtinei naudingajai apkrovai kategoriją.

Šis aspektas turės būti įvertintas persvarstant šią TSS, kurios dabartinėje versijoje jau reikalaujama registruoti visus duomenis, reikalingus šioms kategorijoms nustatyti.

Reikia atkreipti dėmesį, kad geležinkelio įmonei keliamas reikalavimas nustatyti ir kontroliuoti eksploatacinę apkrovą, kaip nurodyta traukinių eismo organizavimo ir valdymo TSS 4.2.2.5 punkte, išliks nepakeistas.

7.5.1.2.    Aerodinaminis poveikis. Šoninis vėjas (4.2.6.2.4 punktas)

Riedmenų vienetams, kurių didžiausias projektinis greitis 250 km/h arba didesnis, keliami reikalavimai dėl šoninio vėjo nustatyti dviem variantais:

— 
pagal 2008 m. greitųjų geležinkelių riedmenų TSS arba
— 
pagal 2011 m. paprastųjų geležinkelių lokomotyvų ir keleivinių riedmenų TSS.

Juos reikės peržiūrėti, kai sujungiant du savybių rinkinius bus galutinai nustatytos 2008 m. greitųjų geležinkelių riedmenų TSS nustatytosios būdingosios vėjo kreivės.

▼M3

7.5.1.3.    Aerodinaminis poveikis balastuotiems geležinkelio keliams (4.2.6.2.5 punktas)

Riedmenų vienetams, kurių didžiausiasis projektinis greitis didesnis kaip 250 km/h, keliami reikalavimai dėl aerodinaminio poveikio balastuotam keliui.

Kadangi atsižvelgiant į esamas technologijas negalima nustatyti nei suderinto reikalavimo, nei vertinimo metodologijos, TSS leidžiama taikyti nacionalines taisykles.

Tai bus peržiūrėta apsvarstant šiuos dalykus:

— 
Balasto išjudinimo atvejų tyrimas ir atitinkamas poveikis saugai (jei yra);
— 
Suderintos ir rentabilios ES taikytinos metodikos kūrimas.

▼B

7.5.2.    Aspektai, nesusiję su šioje TSS apibrėžtu pagrindiniu parametru, bet nagrinėjami įgyvendinant mokslinių tyrimų projektus

7.5.2.1.    Saugos sumetimais keliami papildomi reikalavimai

Transporto priemonių, kuriomis naudojasi keleiviai ir traukinio brigados nariai, vidus turi būti toks, kad susidūrimo atveju būtų užtikrinta jame esančių asmenų sauga, taikant šias priemones:

— 
mažinant sužalojimo po susidūrimo atsitrenkiant į baldus, vidaus įrangos elementus ar kitas dalis, pavojų,
— 
siekiant sumažinti tokių sužalojimų, kurie vėliau galėtų trukdyti evakuotis.

2006 m. buvo pradėti įgyvendinti keli ES mokslinių tyrimų projektai, kuriais siekiama ištirti geležinkelių avarijų (susidūrimo, nuriedėjimo nuo bėgių ir t. t.) pasekmes keleiviams, visų pirma įvertinti sužalojimo riziką ir laipsnį; šių projektų tikslas – nustatyti reikalavimus ir atitinkamas atitikties vertinimo procedūras, susijusias su geležinkelių transporto priemonių vidaus išplanavimu ir sudedamosiomis dalimis.

Šioje TSS, pavyzdžiui, 4.2.2.5, 4.2.2.7, 4.2.2.9 ir 4.2.5 skirsniuose, jau pateikta reikalavimų, kuriais siekiama sumažinti minėtą riziką.

Vėliau valstybių narių ir Europos lygmeniu (Komisijos Jungtiniame tyrimų centre) pradėti tyrimai, susiję su keleivių apsauga per teroristinius išpuolius.

Agentūra seks šiuos tyrimus ir atsižvelgs į jų rezultatus nustatydama, ar Komisijai rekomenduoti papildomus pagrindinius parametrus arba reikalavimus, susijusius su keleivių sužalojimu per avariją arba teroristinį išpuolį. Prireikus ši TSS bus iš dalies pakeista.

Kol nebus persvarstyta ši TSS, valstybės narės gali taikyti nacionalines taisykles šiai rizikai mažinti. Bet kuriuo atveju, taikant šią nuostatą, valstybių narių sienas kertančius TSS atitinkančius riedmenis nedraudžiama naudoti nacionaliniame tinkle.

▼M3

7.5.2.2.    Sąlygos, kuriomis leidimas pateikti rinkai neribojamas konkrečiais tinklais

Kad būtų sudarytos sąlygos laisvai judėti lokomotyvams ir keleiviniams vagonams, rengiant 2015 m. gruodžio 17 d. Europos Sąjungos geležinkelių agentūros rekomendaciją ERA-REC-111–2015-REC buvo parengtos sąlygos, kuriomis leidimas pateikti rinkai būtų neribojamas konkrečiais tinklais.

Šias nuostatas reikėtų toliau tobulinti, siekiant pritaikyti jas prie Direktyvos (ES) 2016/797 ir atsižvelgti į nacionalinių techninių taisyklių paprastinimą, daugiausia dėmesio skiriant keleiviniams vagonams.

▼M4

7.5.2.3.    Įgyvendinimo taisyklės

2020 m. sausio 24 d. Komisija Europos Sąjungos geležinkelių agentūrai išsiuntė prašymą parengti TSS persvarstymo dokumentų, susijusių su skaitmeniniais geležinkeliais ir ekologišku krovinių gabenimu, rinkinį (2022 m. peržiūra).

Vadovaujantis Komisijos deleguotuoju sprendimu (ES) 2017/1474, TSS persvarstymo dokumentų, susijusių su skaitmeniniais geležinkeliais ir ekologišku krovinių gabenimu, rinkinys turi apimti nuostatas, kuriomis TSS taikymo strategija peržiūrima ir, jei įmanoma, supaprastinama taip, kad laipsniškai, bet laiku būtų sumažinti nukrypimai nuo tikslinės sistemos ir kartu sektoriui būtų užtikrintas būtinas nuspėjamumas ir teisinis tikrumas. Tose nuostatose turi būti numatyti būsimi pereinamieji laikotarpiai ir išspręstas sąveikos sudedamųjų dalių sertifikatų galiojimo laikotarpio klausimas.

Be to, siekiant to pačio tikslo užtikrinti, kad laipsniškai, bet laiku būtų sumažinti nukrypimai nuo tikslinės sistemos ir kartu užtikrintas sektoriui būtinas nuspėjamumas ir teisinis tikrumas, svarstomos nuostatos dėl atnaujintų standartų versijų taikymo lankstumo, įskaitant nuostatas, nustatytas Komisijos įgyvendinimo reglamento (ES) 2019/776 ( 23 ) IV priede (Lokomotyvų ir keleivinių riedmenų TSS 2019 m. redakcija).

▼B

7.5.3.    Svarbūs ES geležinkelių sistemos aspektai, neįtraukti į technines sąveikos specifikacijas

7.5.3.1.    Kelio ir riedmens sąveika (4.2.3 punktas). Antbriaunio arba bėgio tepimas

Rengiant šią TSS padaryta išvada, kad antbriaunio arba bėgio tepimas nėra pagrindinis parametras (šis aspektas nesusijęs su ►M3  Direktyvoje (ES) 2016/797 ◄ apibrėžtais esminiais reikalavimais).

Tačiau akivaizdu, kad geležinkelių sektoriaus subjektams (infrastruktūros valdytojams, geležinkelio įmonėms, nacionalinėms saugos institucijoms) reikalinga Agentūros parama siekiant dabartinę praktiką pakeisti metodika, kuri užtikrintų skaidrumą ir padėtų išvengti nepagrįstų kliūčių riedmenis naudoti ES tinkle.

Tuo tikslu Agentūra pasiūlė kartu su geležinkelių sektoriaus atstovais pradėti tyrimą, kuriuo būtų siekiama išsiaiškinti pagrindinius techninius ir ekonominius šios funkcijos aspektus, atsižvelgiant į dabartinę padėtį:

— 
vieni infrastruktūros valdytojai reikalauja, kad būtų tepama, kiti – draudžia tepti,
— 
tepti galima naudojant infrastruktūros valdytojo suprojektuotą stacionarią įrangą arba riedmenyje montuojamą įtaisą, kurį pateikia geležinkelių įmonė,
— 
geležinkelių sektoriuje nagrinėjami įvairūs tepimo būdai,
— 
ant bėgių pilant tepalą, turi būti įvertinti aplinkosaugos aspektai.

Bet kuriuo atveju į Infrastruktūros registrą ketinama įtraukti informaciją apie antbriaunio arba bėgio tepimą, o Europos patvirtintų transporto priemonių tipų registre nurodyti, ar riedmenyje įrengtas antbriaunio tepimo įtaisas. Atlikus pirmiau minėtą tyrimą paaiškės taikytinos naudojimo taisyklės.

Kol kas valstybės narės šį transporto priemonės ir geležinkelio kelio sąveikos klausimą gali ir toliau spręsti nustatydamos nacionalines taisykles. Apie šias taisykles pranešama Komisijai ►M3  pagal Direktyvos (ES) 2016/797 14 straipsnį arba jos įtraukiamos į Infrastruktūros registrą, nurodytą tos direktyvos 49 straipsnyje ◄ .




PRIEDĖLIAI

A priedėlis

Išbraukta sąmoningai

B priedėlis

1 520  mm pločio vėžės sistema „T“.

C priedėlis

Specialiosios nuostatos dėl mobiliosios geležinkelių infrastruktūros statybos ir techninės priežiūros įrangos

D priedėlis

Tipinis vagonas lokomotyvams, kuriuose sumontuoti galiniai automatiniai taukšų centriniai sukabintuvai ir kurių sukabintuvą veikianti traukos jėga gali būti didesnė nei 300 kN

E priedėlis

Mašinisto antropometriniai duomenys

F priedėlis

Priekinis matomumas

G priedėlis

Paranga

H priedėlis

Riedmenų posistemio vertinimas

I priedėlis

Techninėmis specifikacijomis nenustatyti aspektai (neišspręsti klausimai)

J priedėlis

Šioje TSS nurodytos techninės specifikacijos

J-1 priedėlis

Standartai ir norminiai dokumentai

J-2 priedėlis

Europos geležinkelio agentūros interneto svetainėje pateikiami techniniai dokumentai

▼M3




A priedėlis

Išbraukta sąmoningai

▼B




B priedėlis

1 520 mm pločio vėžės sistemos gabaritas „T“

1 520 „T“ vėžės gabarito riedmenų viršutinės dalies etaloninis profilis

image

Apatinės dalies etaloninis profilis

image

Pastaba. Taikoma riedmenims, kuriuos ketinama naudoti 1 520 mm pločio vėžės keliuose, išskyrus važiavimą per skirstomuosius kalnelius, kuriuose įrengti vagonų stabdikliai.

Apatinės dalies etaloninis profilis

image

Pastaba. Taikoma riedmenims, kuriuos ketinama naudoti 1 520 mm pločio vėžės keliuose ir kurie gali važiuoti per skirstomuosius kalnelius ir vagonų stabdiklius.




C priedėlis

Specialios nuostatos, taikomos geležinkelio statybos ir priežiūros riedmenims

C.1    Riedmens konstrukcijos tvirtumas

Šios TSS 4.2.2.4 punkto reikalavimai papildomi taip:

Riedmens rėmas turi išlaikyti arba J-1 priedėlio 7 rodyklėje nurodytoje specifikacijoje nustatytas statines apkrovas, arba statines apkrovas pagal J-1 priedėlio 102 rodyklėje nurodytą specifikaciją, neviršijant joje nurodytų leidžiamųjų verčių.

Atitinkama konstrukcinė kategorija pagal J-1 priedėlio 102 rodyklėje nurodytą specifikaciją:

— 
riedmenys, iš kurių neleidžiama formuoti sąstato laisvo riedėjimo būdu – F-II,
— 
visi kiti riedmenys – F-I.

Pagreitis x kryptimi pagal J-1 priedėlio 7 rodyklėje nurodytos specifikacijos 13 lentelę arba pagal J-1 priedėlio 102 rodyklėje nurodytos specifikacijos 10 lentelę yra ± 3g.

C.2    Kėlimas keltuvu ir kėlikliais

Riedmens kėbule numatomi kėlimo taškai, už kurių būtų galima saugiai pakelti visą riedmenį arba jo dalį. Turi būti nustatytas kėlimo keltuvu ir kėlikliais taškų išdėstymas.

Kad būtų lengviau atlikti remonto arba patikros darbus arba sureguliuoti riedmenis pagal vėžės plotį, abiejuose riedmenų šonuose turi būti įrengta ne mažiau kaip po du kėlimo taškus, už kurių būtų galima pakelti tuščią arba pakrautą riedmenį.

Kad būtų galima įtvirtinti kėliklius, po kėlimo taškais paliekama laisvos vietos, kurioje nėra stacionarių dalių. Apkrovos sąlygos atitinka pasirinktąsias pagal šios TSS C.1 priedėlį; jos taikomos tuo atveju, kai kėlimas keltuvais ir kėlikliais yra susijęs su remonto ir parangos darbais.

▼M3

C.3.    Važiavimo dinaminės savybės

Važiavimo savybes leidžiama vertinti atliekant važiavimo bandymus arba remiantis panašaus tipo patvirtintu riedmeniu, kaip išsamiai nurodyta šios TSS 4.2.3.4.2 punkte, arba modeliuojant.

Taikomi šie papildomi nukrypimai nuo J-1 priedo 16 rodyklėje nurodytos specifikacijos:

— 
šio tipo riedmenų bandymas visada atliekamas pagal supaprastintą metodą;
— 
atliekant važiavimo bandymus pagal J-1 priedo 16 rodyklėje nurodytą specifikaciją su naujų ratų profiliu, šie bandymai galioja ne didesnei kaip 50 000  km ridai. Nuvažiavus 50 000  km būtina:
— 
atnaujinti ratų profilį,
— 
arba apskaičiuoti nusidėvėjusio profilio lygiavertį kūgiškumą ir patikrinti, ar jis nuo J-1 priedo 16 rodyklėje nurodytoje specifikacijoje nustatytos bandymo vertės nesiskiria daugiau kaip 50 % (nuokrypis ne didesnis kaip 0,05),
— 
arba atlikti naują bandymą su nudėvėtu rato profiliu pagal J-1 priedo 16 rodyklėje nurodytą specifikaciją;
— 
paprastai nebūtina atlikti stovinčio riedmens bandymų, kuriais būtų siekiama nustatyti tipinės važiuoklės parametrus pagal J-1 priedo 16 rodyklėje nurodytos specifikacijos 5.3.1 punktą;
— 
jeigu riedmuo pats negali pasiekti reikiamo bandomojo greičio, jis atliekant bandymą turi būti traukiamas.

Važiavimo savybes galima įrodyti modeliuojant bandymus, aprašytus J-1 priedo 16 rodyklėje nurodytoje specifikacijoje (su pirmiau nurodytomis išimtimis), jeigu yra patvirtintas įprasto geležinkelio kelio ir riedmens naudojimo sąlygų modelis.

Riedmens, skirto važiavimo savybėms modeliuoti, modelis turi būti patvirtintas lyginant modelio rezultatus su važiavimo bandymo rezultatais, gautais naudojant tuos pačius pradinius geležinkelio kelio savybių duomenis.

Patvirtintas modelis yra imitacinis modelis, patikrintas atliekant tikrąjį važiavimo bandymą, per kurį daromas pakankamas poveikis pakabai ir užtikrinama, kad važiavimo bandymo rezultatai būtų labai artimi imitacinio modelio prognozėms naudojant tą patį bandomąjį geležinkelio kelią.

▼M4




D priedėlis

Tipinis vagonas lokomotyvams, kuriuose sumontuoti galiniai automatiniai taukšų centriniai sukabintuvai ir kurių sukabintuvą veikianti traukos jėga gali būti didesnė nei 300 kN

Traukinio vieneto ir vagono, turinčių tvirtuosius sukabintuvus, susidūrimams vagono modelis yra 80 t masė, turinti tik vieną laisvės laipsnį slenkamojo judėjimo x kryptimi. Vagono sąsajos geometriniai parametrai nurodyti D.1 pav. Laikoma, kad galinės sienos ir sukabintuvo antgalio geometriniai parametrai yra kaip standžiojo kūno. Jame turi būti sumontuotas 110 mm eigos centrinis sukabintuvas, kurio jėgos ir poslinkio charakteristika pavaizduota D.2 pav. Bendra vagono sukabintuvo energijos sugerties geba – 77 kJ.

Sukabintuvo antgalio geometriniai parametrai ir aukštis nuo bėgio viršaus turi būti tokie patys kaip smūgiuojančio traukinio vieneto. Išilginis atstumas nuo sukabintuvo plokštumos iki vagono galinės sienos turi būti 645 mm. Siekiant paprastumo leidžiama modeliuoti sukabintuvų antgalius naudojant D.1 pav. nurodytus geometrinius parametrus ir aukštį.

image

Matmenys milimetrais

Sutartiniai ženklai

1. 

vagono galas

2. 

bėgio viršus

3. 

sukabintuvo plokštuma

D.1 pav.

Vagono su centriniu sukabintuvu sąsaja

image

Sutartiniai ženklai

sukabintuvą veikianti jėga kN

poslinkis mm

D.2 pav.

Vagono sukabintuvo charakteristika

▼B




E priedėlis

Mašinisto antropometriniai duomenys

Naudojami toliau pateikti duomenys, atitinkantys dabartinį technikos lygį.

Pastaba. Jie bus nustatyti šiuo metu rengiamame EN standarte.

— 
Pagrindiniai mažiausio ir didžiausio ūgio mašinistų antropometriniai duomenys:
naudojami UIC informacinio dokumento Nr. 651 (4-as leidimas, 2002 m. liepos mėn.) E priedėlyje pateikti matmenys.
— 
Papildomi mažiausio ir didžiausio ūgio mašinistų antropometriniai duomenys:
naudojami UIC informacinio dokumento Nr. 651 (4-as leidimas, 2002 m. liepos mėn.) G priedėlyje pateikti matmenys.




F priedėlis

Priekinis matomumas

Naudojami toliau pateikti duomenys, atitinkantys dabartinį technikos lygį.

Pastaba. Jie bus nustatyti šiuo metu rengiamame EN standarte.

F.1.    Bendrosios nuostatos

Kabinos išplanavimas yra toks, kad mašinistas galėtų matyti visą su mašinisto darbu susijusią išorės informaciją ir būtų apsaugotas nuo išorinių regimųjų trukdžių. Tuo tikslu taikomi šie reikalavimai:

— 
sumažinamas mirgėjimas prie apatinio priekinio stiklo krašto, galintis sukelti nuovargį,
— 
įrengiama apsauga nuo saulės ir akinančios iš priekio atvažiuojančių traukinių priekinių žibintų šviesos, tačiau ši apsauga neturi trukdyti mašinistui matyti išorėje esančių ženklų, signalų ir kitos vaizdinės informacijos,
— 
kabinos įranga išdėstoma taip, kad netrukdytų mašinistui matyti išorės informacijos ir jos neiškraipytų,
— 
langų matmenys, vieta, forma ir apdaila (įskaitant priežiūros priemones) yra tokie, kad netrukdytų mašinistui matyti išorės vaizdo ir užtikrintų galimybę valdyti traukinį,
— 
Priekinio stiklo valymo įtaisų vieta, tipas ir kokybė mašinistui užtikrina galimybę aiškiai matyti išorės vaizdą beveik visomis orų ir naudojimo sąlygomis ir netrukdo jį matyti,
— 
mašinisto kabina projektuojama taip, kad mašinistas, valdydamas traukinį, galėtų žiūrėti į priekį,
— 
mašinisto kabina projektuojama taip, kad mašinistas iš įprastos sėdimos traukinio valdymo padėties galėtų aiškiai apžvelgti neužstotą regėjimo lauką ir matyti stacionarius signalus abiejose geležinkelio kelio pusėse, kaip nustatyta UIC informacinio dokumento Nr. 651 (4-as leidimas, 2002 m. liepos mėn.) D priedėlyje.

Pastaba. Minėtame D priedėlyje nurodyta čia aprašyta sėdynės padėtis yra tik pavyzdys; šioje TSS nenustatoma sėdynės vietos kabinoje (kairėje, per vidurį ar dešinėje) reikalavimų; šioje TSS nenustatoma stovimos mašinisto padėties kokiuose nors riedmenų vienetuose reikalavimų.

Pirmiau pateiktame priedėlyje išdėstytomis taisyklėmis nustatomos matomumo sąlygos kiekviena važiavimo kryptimi, važiuojant tiesiu geležinkelio keliu ir vingiais, kurių spindulys 300 m arba didesnis. Jos taikomos mašinisto padėčiai (-ims).

Pastabos

— 
Jeigu kabinoje įrengtos dvi mašinisto sėdynės (variantas su dviem mašinisto vietomis), šios sąlygos taikomos abiem sėdimoms vietoms.
— 
TSS 4.2.9.1.3.1 punkte nustatytos specialios sąlygos, taikomos lokomotyvams su centrine kabina, taip pat geležinkelių statybos ir priežiūros riedmenims.

F.2.    Standartinė geležinkelių riedmens padėtis geležinkelio kelio atžvilgiu

Taikomas UIC informacinio dokumento Nr. 651 (4-as leidimas, 2002 m. liepos mėn.) 3.2.1 punktas.

Ištekliai ir naudingoji apkrova vertinami taip, kaip nustatyta J-1 priedėlio 13 rodyklėje nurodytoje specifikacijoje ir šios TSS 4.2.2.10 punkte.

F.3.    Standartinė traukinio brigados narių akių padėtis

Taikomas UIC informacinio dokumento Nr. 651 (4-as leidimas, 2002 m. liepos mėn.) 3.2.2 punktas.

Atstumas nuo sėdinčio mašinisto akių iki priekinio stiklo ne mažesnis kaip 500 mm.

F.4.    Matomumo sąlygos

Taikomas UIC informacinio dokumento Nr. 651 (4-as leidimas, 2002 m. liepos mėn.) 3.3 punktas.

Pastaba. UIC informacinio dokumento Nr. 651 3.3.1 punkte pateikiama nuoroda į stovimą padėtį, aprašytą to dokumento 2.7.2 punkte, kuriame nustatytas mažiausias atstumas nuo grindų iki priekinio lango viršutinio krašto 1,8 metro.




G priedėlis

Paranga

Riedmens tualeto nuotekų šalinimo sistemos jungtys;

G1 pav.

Nuotekų šalinimo atvamzdis (vidinė dalis)

image

Bendros leidžiamosios nuokrypos +/– 0,1.

Medžiaga – nerūdijantis plienas.

G2 pav.

Tualeto bakelio plovimo jungtis, kurią naudoti neprivaloma (vidinė dalis)

image

Bendros leidžiamosios nuokrypos +/– 0,1.

Medžiaga – nerūdijantis plienas.

▼M3




H priedėlis

Riedmenų posistemio vertinimas

H.1    Taikymo sritis

Šiame priedėlyje nurodyta, kaip vertinama riedmenų posistemio atitiktis.

H.2    Savybės ir moduliai

Posistemio savybės, vertintinos įvairiais projektavimo, tobulinimo ir gamybos etapais, H.1 lentelėje pažymėtos ženklu „X“. H.1 lentelės 4 skiltyje nurodytas ženklas „X“ reiškia, kad atitinkamos savybės tikrinamos išbandant kiekvieną atskirą posistemį.



H.1 lentelė

Riedmenų posistemio vertinimas

1

2

3

4

5

Savybės, kurias būtina įvertinti, kaip nurodyta šios TSS 4.2 punkte

Projektavimo ir tobulinimo etapu

Gamybos etapu

Konkreti vertinimo procedūra

Projekto peržiūra

Tipo bandymas

Įprastas bandymas

Riedmenų posistemio elementas

Punktas

 

 

 

Punktas

Konstrukcija ir mechaninės dalys

4.2.2

 

Vidinė sankaba

4.2.2.2.2

X

ntk.

ntk.

Galinė sankaba

4.2.2.2.3

X

ntk.

ntk.

SSD automatinis taukšų centrinis sukabintuvas

5.3.1

X

X

X

SSD rankinė galinė sankaba

5.3.2

X

X

X

Avarinio sukabinimo įtaisas

4.2.2.2.4

X

X

ntk.

SSD avarinio sukabinimo įtaisas

5.3.3

X

X

X

 

Prieiga darbuotojams atlikti sukabinimą ir (arba) atkabinimą

4.2.2.2.5

X

X

ntk.

Keleivinių vagonų perėjos

4.2.2.3

X

X

ntk.

Riedmens konstrukcijos tvirtumas

4.2.2.4

X

X

ntk.

Pasyvioji sauga

4.2.2.5

X

X

ntk.

Kėlimas keltuvu ir kėlikliais

4.2.2.6

X

X

ntk.

Įtaisų tvirtinimas prie riedmens kėbulo konstrukcijos

4.2.2.7

X

ntk.

ntk.

Traukinio darbuotojams ir prieigai prie krovinių skirtos durys

4.2.2.8

X

X

ntk.

Mechaninės stiklo savybės

4.2.2.9

X

ntk.

ntk.

Apkrovos sąlygos ir svertinė masė

4.2.2.10

X

X

X

6.2.3.1

Sąveika su bėgių keliu ir gabaritų nustatymas

4.2.3

 

Gabaritai

4.2.3.1

X

ntk.

ntk.

Rato apkrova

4.2.3.2.2

X

X

ntk.

6.2.3.2

Riedmens savybės suderinamumui su traukinių buvimo vietos nustatymo sistemomis užtikrinti

4.2.3.3.1

X

X

X

Ašies guolių būklės stebėjimas

4.2.3.3.2

X

X

ntk.

Sauga nuo nuriedėjimo nuo bėgių važiuojant kelio sąsūka

4.2.3.4.1

X

X

ntk.

6.2.3.3

Važiavimo dinaminių savybių reikalavimai

4.2.3.4.2 a)

X

X

ntk.

6.2.3.4

Aktyviosios sistemos. Saugos reikalavimas

4.2.3.4.2 b)

X

ntk.

ntk.

6.2.3.5

Važiavimo saugos ribinės vertės

4.2.3.4.2.1

X

X

ntk.

6.2.3.4

Geležinkelio kelio apkrovos ribinės vertės

4.2.3.4.2.2

X

X

ntk.

6.2.3.4

Lygiavertis kūgiškumas

4.2.3.4.3

X

ntk.

ntk.

Naujų ratų profilių projektinės vertės

4.2.3.4.3.1

X

ntk.

ntk.

6.2.3.6

Aširačio lygiaverčio kūgiškumo eksploatacinės vertės

4.2.3.4.3.2

X

 

 

Vežimėlio rėmo konstrukcija

4.2.3.5.1

X

X.

ntk.

Aširačių mechaninės ir geometrinės savybės

4.2.3.5.2.1

X

X

X

6.2.3.7

Ratų mechaninės ir geometrinės savybės

4.2.3.5.2.2

X

X

X

Ratai (SSD)

5.3.2

X

X

X

6.1.3.1

 

 

 

 

 

 

Automatinės keičiamojo vėžės pločio sistemos

4.2.3.5.3

X

X

X

6.2.3.7a

Automatinės keičiamojo vėžės pločio sistemos (SSD)

5.3.4a

X

X

X

6.1.3.1a

Mažiausias kreivės spindulys

4.2.3.6

X

ntk.

ntk.

Apsauginės užtvaros

4.2.3.7

X

ntk.

ntk.

Stabdymas

4.2.4

 

Funkciniai reikalavimai

4.2.4.2.1

X

X

ntk.

Saugos reikalavimai

4.2.4.2.2

X

ntk.

ntk.

6.2.3.5

Stabdžių sistemos tipas

4.2.4.3

X

X

ntk.

Stabdymo komanda

4.2.4.4

 

Avarinis stabdymas

4.2.4.4.1

X

X

X

Paprastasis stabdymas

4.2.4.4.2

X

X

X

Tiesioginė stabdymo komanda

4.2.4.4.3

X

X

X

Dinaminio stabdymo komanda

4.2.4.4.4

X

X

ntk.

Stovėjimo stabdžio įjungimo komanda

4.2.4.4.5

X

X

X

Stabdymo efektyvumas

4.2.4.5

 

Bendrieji reikalavimai

4.2.4.5.1

X

ntk.

ntk.

Avarinis stabdymas

4.2.4.5.2

X

X

X

6.2.3.8

Paprastasis stabdymas

4.2.4.5.3

X

X

X

6.2.3.9

Su šilumine talpa susiję skaičiavimai

4.2.4.5.4

X

ntk.

ntk.

Stovėjimo stabdys

4.2.4.5.5

X

ntk.

ntk.

Rato sankybio su bėgiu profilio ribinės vertės

4.2.4.6.1

X

ntk.

ntk.

Apsaugos nuo ratų slydimo sistema

4.2.4.6.2

X

X

ntk.

6.2.3.10

Apsaugos nuo ratų slydimo sistema (SSD)

5.3.5

X

X

X

6.1.3.2

Sąsaja su trauka. Su traukos sistema susijusios stabdžių sistemos (elektrinės, hidrodinaminės)

4.2.4.7

X

X

X

Nuo sankybio nepriklausoma stabdžių sistema

4.2.4.8

 

Bendrosios nuostatos

4.2.4.8.1.

X

ntk.

ntk.

Magnetinis bėginis stabdys

4.2.4.8.2.

X

X

ntk.

Sūkurinių srovių bėginis stabdys

4.2.4.8.3

X

X

ntk.

Stabdžių būsenos ir trikties signalizavimas

4.2.4.9

X

X

X

Stabdžiams taikomi reikalavimai, susiję su gelbėjimo darbais

4.2.4.10

X

X

ntk.

Su keleiviais susijusios nuostatos

4.2.5

 

Sanitarinės sistemos

4.2.5.1

X

ntk.

ntk.

6.2.3.11

Garsinio ryšio sistema

4.2.5.2

X

X

X

Keleivių pavojaus signalas

4.2.5.3

X

X

X

Keleivių pavojaus signalas. Saugos reikalavimas

4.2.5.3

X

ntk.

ntk.

6.2.3.5

Keleiviams skirti ryšio įtaisai

4.2.5.4

X

X

X

Išorinės durys. Įėjimas į riedmenį ir išėjimas iš jo

4.2.5.5

X

X

X

Išorinės durys. Saugos reikalavimas

4.2.5.5

X

ntk.

ntk.

6.2.3.5

Išorinių durų sistemos konstrukcija

4.2.5.6

X

ntk.

ntk.

Perėjimo iš vieno riedmenų vieneto į kitą durys

4.2.5.7

X

X

ntk.

Patalpų oro kokybė

4.2.5.8

X

ntk.

ntk.

6.2.3.12

Kėbulo šoniniai langai

4.2.5.9

X

 

 

Aplinkos sąlygos ir aerodinaminis poveikis

4.2.6

 

Aplinkos sąlygos

4.2.6.1

 

Temperatūra

4.2.6.1.1

X

ntk. X (1)

ntk.

Sniegas, ledas ir kruša

4.2.6.1.2

X

ntk. X (1)

ntk.

(1)  Tipo bandymas, jeigu taip yra nustatęs pareiškėjas.

 

 

Aerodinaminis poveikis

4.2.6.2

 

Sūkurinių oro srovių poveikis perone esantiems keleiviams ir šalia geležinkelio kelio esantiems darbuotojams

4.2.6.2.1

X

X

ntk.

6.2.3.13

Traukinio priekinės dalies sukelti slėgio pokyčiai

4.2.6.2.2

X

X

ntk.

6.2.3.14

Didžiausi slėgio pokyčiai tuneliuose

4.2.6.2.3

X

X

ntk.

6.2.3.15

Šoninis vėjas

4.2.6.2.4

X

ntk.

ntk.

6.2.3.16

Išoriniai žibintai ir regimieji bei garsinio įspėjimo įrenginiai

4.2.7

 

Išoriniai priekiniai ir galiniai žibintai

4.2.7.1

 

Priekiniai žibintai

SSD

4.2.7.1.1

5.3.6

X

X

ntk.

- 6.1.3.3

Gabaritiniai žibintai

SSD

4.2.7.1.2

5.3.7

X

X

ntk.

- 6.1. 3.4

Galiniai žibintai

SSD

4.2.7.1.3

5.3.8

X

X

ntk.

-6.1.3.5

Lempų valdikliai

4.2.7.1.4

X

X

ntk.

-

Įspėjamojo garso signalo įtaisas

4.2.7.2

 

Bendrosios nuostatos. Įspėjamasis garso signalas

SSD

4.2.7.2.1

5.3.9

X

X

ntk.

- 6.1.3.6

Įspėjamojo garso signalo garso slėgio lygiai

4.2.7.2.2

5.3.9

X

X

ntk.

6.2.3.17

6.1.3.6

Apsauga

4.2.7.2.3

X

ntk.

ntk.

Valdymas

4.2.7.2.4

X

X

ntk.

Traukos ir elektros įranga

4.2.8

 

Traukos savybės

4.2.8.1

 

Bendrosios nuostatos

4.2.8.1.1

 

Eksploatacinių savybių reikalavimai

4.2.8.1.2

X

ntk.

ntk.

Elektros energijos tiekimas

4.2.8.2

 

Bendrosios nuostatos

4.2.8.2.1

X

ntk.

ntk.

Naudojimas tam tikrame įtampų ir dažnių intervale

4.2.8.2.2

X

X

ntk.

Rekuperacinis stabdys, perduodantis energiją į orinę kontaktinę liniją

4.2.8.2.3

X

X

ntk.

Didžiausia galia ir stipriausia srovė iš orinės kontaktinės linijos

4.2.8.2.4

X

X

ntk.

6.2.3.18

Stipriausia nuolatinės srovės sistemų srovė traukiniui stovint

4.2.8.2.5

X

X

ntk.

Galios faktorius

4.2.8.2.6

X

X

ntk.

6.2.3.19

Energijos tiekimo sistemos triktys

4.2.8.2.7

X

X

ntk.

Elektros energijos suvartojimo matavimo funkcija

4.2.8.2.8

X

X

ntk.

Su pantografu susiję reikalavimai

4.2.8.2.9

X

X

ntk.

6.2.3.20, 6.2.3.21

Pantografas (SSD)

5.3.10

X

X

X

6.1.3.7

Kontaktiniai intarpai (SSD)

5.3.11

X

X

X

6.1.3.8

Traukinio elektros įrenginių apsauga

SSD pagrindinis srovės išjungiklis

4.2.8.2.10

5.3.12

X

X

ntk.

Dyzelinės ir kitos šiluminės traukos sistemos

4.2.8.3

Kita direktyva

Apsauga nuo elektros srovės pavojaus

4.2.8.4

X

X

ntk.

Kabina ir valdymas

4.2.9

 

Mašinisto kabina

4.2.9.1

X

ntk.

ntk.

Bendrosios nuostatos

4.2.9.1.1

X

ntk.

ntk.

Įėjimas ir išėjimas

4.2.9.1.2

X

ntk.

ntk.

Įėjimas ir išėjimas naudojimo sąlygomis

4.2.9.1.2.1

X

ntk.

ntk.

Avarinis išėjimas iš mašinisto kabinos

4.2.9.1.2.2

X

ntk.

ntk.

Išorės matomumas

4.2.9.1.3

X

ntk.

ntk.

Priekinis matomumas

4.2.9.1.3.1

X

ntk.

ntk.

Galinis ir šoninis vaizdas

4.2.9.1.3.2

X

ntk.

ntk.

Vidaus išplanavimas

4.2.9.1.4

X

ntk.

ntk.

Mašinisto sėdynė

SSD

4.2.9.1.5

5.3.13

X

X

ntk.

X

ntk.

X

Mašinisto pultas. Ergonominės savybės

4.2.9.1.6

X

ntk.

ntk.

Mikroklimato reguliavimas ir oro kokybė

4.2.9.1.7

X

X

ntk.

6.2.3.12

Vidaus apšvietimas

4.2.9.1.8

X

X

ntk.

Priekinis stiklas. Mechaninės savybės

4.2.9.2.1

X

X

ntk.

6.2.3.22

Priekinis stiklas. Optinės savybės

4.2.9.2.2

X

X

ntk.

6.2.3.22

Priekinis stiklas. Įranga

4.2.9.2.3

X

X

ntk.

Mašinisto ir įrangos sąsaja

4.2.9.3

 

Mašinisto veiklos priežiūros funkcija

4.2.9.3.1

X

X

X

Greičio rodymas

4.2.9.3.2

Mašinisto vaizduoklis ir ekranai

4.2.9.3.3

X

X

ntk.

Valdikliai ir rodytuvai

4.2.9.3.4

X

X

ntk.

Ženklinimas

4.2.9.3.5

X

ntk.

ntk.

Nuotolinio valdymo radijo bangomis funkcija, kuria naudojasi darbuotojai per manevravimo operacijas

4.2.9.3.6

X

X

ntk.

Transporto priemonėje turimi įrankiai ir kilnojamoji įranga

4.2.9.4

X

ntk.

ntk.

Traukinio darbuotojų reikmėms skirtos sandėliavimo patalpos

4.2.9.5

X

ntk.

ntk.

Registravimo įtaisas

4.2.9.6

X

X

X

Gaisrinė sauga ir evakuacija

4.2.10

 

Bendrosios nuostatos ir skirstymas į kategorijas

4.2.10.1

X

ntk.

ntk.

Gaisrinės saugos priemonės

4.2.10.2

X

X

ntk.

Gaisro aptikimo ir (arba) valdymo priemonės

4.2.10.3

X

X

ntk.

Avarijos atvejais taikomi reikalavimai

4.2.10.4

X

X

ntk.

Su evakuacija susiję reikalavimai

4.2.10.5

X

X

ntk.

Paranga

4.2.11

 

Mašinisto kabinos priekinio stiklo valymas

4.2.11.2

X

X

ntk.

Jungtis su tualeto nuotekų šalinimo sistema

SSD

4.2.11.3

5.3.14

X

ntk.

ntk.

Vandens pildymo įranga

4.2.11.4

X

ntk.

ntk.

Vandens pildymo sąsaja

SSD

4.2.11.5

5.3.15

X

ntk.

ntk.

Specialūs traukinių statymo į atsarginį kelią reikalavimai

4.2.11.6

X

X

ntk.

Degalų pildymo įranga

4.2.11.7

X

ntk.

ntk.

Traukinio vidaus valymas. Elektros energijos tiekimas

4.2.11.8

X

ntk.

ntk.

Naudojimo ir techninės priežiūros dokumentai

4.2.12

 

Bendrosios nuostatos

4.2.12.1

X

ntk.

ntk.

Bendrieji dokumentai

4.2.12.2

X

ntk.

ntk.

Su technine priežiūra susiję dokumentai

4.2.12.3

X

ntk.

ntk.

Techninės priežiūros planą pagrindžiantis dokumentų rinkinys

4.2.12.3.1

X

ntk.

ntk.

Techninės priežiūros darbų aprašomųjų dokumentų rinkinys

4.2.12.3.2

X

ntk.

ntk.

Naudojimo dokumentai

4.2.12.4

X

ntk.

ntk.

Kėlimo schema ir nurodymai

4.2.12.4

X

ntk.

ntk.

Gelbėjimo darbų aprašymai

4.2.12.5

X

ntk.

ntk.




I priedėlis

Techninėmis specifikacijomis nenustatyti aspektai

(neišspręsti klausimai)

Neišspręsti klausimai, susiję su techniniu geležinkelių riedmens ir tinklo suderinamumu.



Riedmenų posistemio elementas

Šios TSS punktas

Šioje TSS nenagrinėjamas techninis aspektas

Pastabos

Suderinamumas su traukinių buvimo vietos nustatymo sistemomis

4.2.3.3.1

Žr. J-2 priedo 1 rodyklėje nurodytą specifikaciją

Neišspręsti klausimai taip pat nurodyti kontrolės, valdymo ir signalizacijos TSS

Važiavimo dinaminės savybės 1 520 mm pločio vėžės sistemoje

4.2.3.4.2

4.2.3.4.3

Važiavimo dinaminės savybės Lygiavertis kūgiškumas

TSS nurodyti norminiai dokumentai grindžiami 1 435 mm pločio vėžės sistemoje sukaupta patirtimi

Nuo sankybio nepriklausoma stabdžių sistema

4.2.4.8.3

Sūkurinių srovių bėginis stabdys

Įranga neprivaloma.

Elektromagnetinis suderinamumas su atitinkamu tinklu.

Riedmenų, kurių projektinis greitis >= 250 km/h., aerodinaminis poveikis balastuotam geležinkelio keliui

4.2.6.2.5

Ribinė vertė ir atitikties vertinimas siekiant apriboti riziką dėl skriejančio balasto

Klausimas sprendžiamas CEN.

Taip pat neišspręstas klausimas infrastruktūros TSS

Neišspręsti klausimai, nesusiję su geležinkelių riedmens ir tinklo techniniu suderinamumu.



Riedmenų posistemio elementas

Šios TSS punktas

Šioje TSS nenagrinėjamas techninis aspektas

Pastabos

Gaisro lokalizavimo ir valdymo sistemos

4.2.10.3.4

Kitų transporto priemonėje įrengtų gaisro lokalizavimo ir valdymo sistemų, išskyrus viso skerspjūvio pertvaras, atitikties vertinimas.

Gaisro ir dūmų valdymo efektyvumo vertinimo procedūra, kurią parengė Europos standartizacijos komitetas Europos geležinkelio agentūros prašymu parengti standartą.




J priedėlis

Šioje TSS nurodytos techninės specifikacijos

J.1    Standartai ir norminiai dokumentai



 

TSS

Norminis dokumentas

Rodyklės Nr.

Savybės, kurias reikia įvertinti

Punktas

Dokumento Nr.

Privalomieji punktai

1

Lankstinių riedmenų vienetų vidinė sankaba

4.2.2.2.2

EN 12663–1:2010+A1:2014

6.5.3, 6.7.5

2

Rankinio UIC tipo galinė sankaba. Vamzdžių sąsaja

4.2.2.2.3

EN 15807:2011

atitinkamas punktas (1)

3

Rankinio UIC tipo galinė sankaba. Galiniai čiaupai

4.2.2.2.3

EN 14601:2005+ A1:2010

atitinkamas punktas (1)

4

Rankinio UIC tipo galinė sankaba. Skersinė stabdžių sistemos vamzdžio ir čiaupų padėtis

4.2.2.2.3

UIC 648 (2001 m. rugsėjo mėn.)

atitinkamas punktas (1)

5

Avarinio sukabinimo įtaisas. Sąsaja su gelbėjimo riedmenų vienetu

4.2.2.2.4

UIC 648 (2001 m. rugsėjo mėn.)

atitinkamas punktas (1)

6

Prieiga darbuotojams atlikti sukabinimą ir (arba) atkabinimą. Sukabintojų darbo erdvė

4.2.2.2.5

EN 16839:2017

4

7

Riedmens konstrukcijos tvirtumas. Bendrosios nuostatos

4.2.2.4

EN 12663–1:2010+A1:2014

atitinkamas punktas (1)

Riedmens konstrukcijos tvirtumas. Riedmenų skirstymas į kategorijas

5.2

Riedmens konstrukcijos tvirtumas. Patikros metodas

9.2

Riedmens konstrukcijos tvirtumas. Alternatyvūs reikalavimai geležinkelių statybos ir priežiūros riedmenims

C priedėlis

C.1 skirsnis

6.1–6.5

▼M4

8

Pasyvioji sauga. Bendrosios nuostatos

4.2.2.5

EN 15227:2008+A1:2010

atitinkamas punktas (1)

Išskyrus A priedą

Pasyvioji sauga. Skirstymas į kategorijas

4 (1 lentelė)

Pasyvioji sauga. Scenarijai

5 (2 ir 6 lentelės)

Pasyvioji sauga. Kliūčių verstuvas

6.5

▼M3

9

Kėlimas keltuvu ir kėlikliais. Stacionariųjų ir nuimamųjų kėlimo taškų forma

4.2.2.6

EN 16404:2016

5.2, 5.3

▼M4

10

Kėlimas keltuvu ir kėlikliais. Ženklinimas

4.2.2.6

EN 15877–2:2013

4.5.19

▼M3

11

Kėlimas keltuvu ir kėlikliais. Tvirtumo patikros metodas

4.2.2.6

EN 12663–1:2010+A1:2014

6.3.2, 6.3.3, 9.2

12

Įtaisų tvirtinimas prie riedmens kėbulo konstrukcijos

4.2.2.7

EN 12663–1:2010+A1:2014

6.5.2

13

Apkrovos sąlygos ir pasvertoji masė. Apkrovos sąlygos

Apkrovos sąlygų prielaidos

4.2.2.10

EN 15663:2009

/AC:2010

2.1

atitinkamas punktas (1)

14

Gabaritai. Metodas, etaloniniai kontūrai.

4.2.3.1

EN 15273–2:2013+A1:2016

atitinkamas punktas (1)

Gabaritai. Metodas, etaloniniai kontūrai.

Sūkurinių srovių bėginių stabdžių patikra

Pantografo gabarito patikra

4.2.4.8.3 punkto 3 papunktis

A.3.12

Gabaritai. Metodas, etaloniniai kontūrai.

Sūkurinių srovių bėginių stabdžių patikra

Pantografo gabarito patikra

4.2.3.1

atitinkamas punktas (1)

15

Ašies guolių būklės stebėjimas. Geležinkelio kelio įranga stebima zona

4.2.3.3.2.2

EN 15437–1:2009

5.1, 5.2

16

Važiavimo dinaminės savybės

4.2.3.4.2

C priedėlis

EN 14363:2016

atitinkamas punktas (1)

17

Važiavimo dinaminės savybės. Važiavimo saugos ribinės vertės

4.2.3.4.2.1

EN 14363:2016

7.5

18

NENAUDOJAMA

19

Važiavimo dinaminės savybės. Geležinkelio kelio apkrovos ribinės vertės

4.2.3.4.2.2

EN 14363: 2016

7.5

20

Vežimėlio rėmo konstrukcija

4.2.3.5.1

EN 13749:2011

6.2,

C priedas

21

Vežimėlio rėmo konstrukcija. Korpuso ir vežimėlio jungtis

4.2.3.5.1

EN 12663–1:2010+A1:2014

atitinkamas punktas (1)

22

Stabdymas. Stabdžių sistemos tipas, UIC stabdžių sistema

4.2.4.3

6.2.7a

EN 14198:2016

5.4

23

Stabdymo efektyvumas. Skaičiavimas. Bendrosios nuostatos

4.2.4.5.1

EN 14531–1:2005 arba

EN 14531–6:2009

atitinkamas punktas (1)

24

Stabdymo efektyvumas. Trinties koeficientas

4.2.4.5.1

EN 14531–1:2005

5.3.1.4

25

Avarinio stabdymo efektyvumas. Atsako trukmė/delsa.

4.2.4.5.2

EN 14531–1:2005

5.3.3

Avarinio stabdymo efektyvumas. Stabdymo svorio procentinė dalis

5.12

26

Avarinio stabdymo efektyvumas. Skaičiavimas

4.2.4.5.2

EN 14531–1:2005 arba

EN 14531–6:2009

atitinkamas punktas (1)

27

Avarinio stabdymo efektyvumas. Trinties koeficientas

4.2.4.5.2

EN 14531–1:2005

5.3.1.4

28

Paprastojo stabdymo efektyvumas. Skaičiavimas

4.2.4.5.3

EN 14531–1:2005 arba

EN 14531–6:2009

atitinkamas punktas (1)

29

Stovėjimo stabdžio savybės. Skaičiavimas

4.2.4.5.5

EN 14531–1:2005 arba

EN 14531–6:2009

atitinkamas punktas (1)

30

Apsaugos nuo ratų slydimo sistema. Konstrukcija.

4.2.4.6.2

EN 15595:2009+A1:2011

4

Apsaugos nuo ratų slydimo sistema. Patikros metodas

5, 6

Apsaugos nuo ratų slydimo sistema. Ratų sukimosi stebėjimo sistema

4.2.4.3

31

Magnetinis bėginis stabdys

4.2.4.8.2

EN 16207:2014

C priedas

32

Kliūčių uždaryti duris aptikimas. Jautrumas.

4.2.5.5.3

EN 14752:2015

5.2.1.4.1

Kliūčių uždaryti duris aptikimas. Didžiausioji jėga

5.2.1.4.2.2

33

Avarinis durų atidarymas. Durų atidarymo rankiniu būdu jėga

4.2.5.5.9

EN 14752:2015

5.5.1.5

34

Aplinkos sąlygos. Temperatūra

4.2.6.1.1

EN 50125–1:2014

4.3

35

Aplinkos sąlygos. Sniegas, ledas ir kruša

4.2.6.1.2

EN 50125–1:2014

4.7

▼M4

36

Aplinkos sąlygos. Kliūčių verstuvas

4.2.6.1.2

EN 15227:2008

+A1:2010

atitinkamas punktas (1)

▼M3

37

Aerodinaminis poveikis. Šoninio vėjo poveikio patikros metodas

4.2.6.2.4.

EN 14067–6:2010

5

38

Priekiniai žibintai. Spalva.

Tolimosios šviesos žibinto šviesos stiprio reguliavimas

4.2.7.1.1

EN 15153–1:2013+A1:2016

5.3.3

5.3.5

Priekiniai žibintai. Artimosios šviesos žibinto šviesos stipris

5.3.4 punkto 2 lentelės pirma eilutė

Priekiniai žibintai. Tolimosios šviesos žibinto šviesos stipris

5.3.4 punkto 2 lentelės pirma eilutė

Priekiniai žibintai. Lygiavimas

5.3.5

39

Gabaritiniai žibintai. Spalva.

4.2.7.1.2

EN 15153–1:2013+A1:2016

5.4.3.1 punkto 4 lentelė

Gabaritiniai žibintai. Spinduliuotės spektrinis pasiskirstymas

5.4.3.2

Gabaritiniai žibintai. Šviesos stipris

5.4.4 punkto

6 lentelė

40

Galiniai žibintai. Spalva.

4.2.7.1.3

EN 15153–1:2013+A1:2016

5.5.3 punkto

7 lentelė

Galiniai žibintai. Šviesos stipris

5.5.4 punkto

8 lentelė

41

Įspėjamojo garso signalo garso slėgio lygiai

4.2.7.2.2

EN 15153–2:2013

5.2.2

42

Rekuperacinis stabdys, perduodantis energiją į orinę kontaktinę liniją

4.2.8.2.3

EN 50388:2012 ir EN 50388:2012/AC:2013

12.1.1

43

Didžiausia galia ir stipriausia srovė iš orinės kontaktinės linijos. Automatinis srovės reguliavimas

4.2.8.2.4

EN 50388:2012 ir EN 50388:2012/AC:2013

7.2

44

Galios faktorius. Patikros metodas

4.2.8.2.6

EN 50388:2012 ir EN 50388:2012/AC:2013

6

45

Kintamosios srovės sistemų energijos tiekimo triktys. Harmonikos ir dinaminis poveikis.

4.2.8.2.7

EN 50388:2012 ir EN 50388:2012/AC:2013

10.1

Kintamosios srovės sistemų energijos tiekimo triktys. Suderinamumo tyrimas

10.3

5 lentelė

D priedas

10.4

46

Pantografo veikimo aukščio intervalas (SSD lygmuo). Charakteristikos

4.2.8.2.9.1.2

EN 50206–1:2010

4.2, 6.2.3

47

Pantografo vežimėlio geometrinės savybės

4.2.8.2.9.2

EN 50367:2012 ir EN 50367:2012/AC:2013

5.3.2.2

48

1 600 mm ilgio pantografo vežimėlio geometrinės savybės

4.2.8.2.9.2.1

EN 50367:2012 ir EN 50367:2012/AC:2013

A.2 priedas, A.6 paveikslas

49

1 950 mm ilgio pantografo vežimėlio geometrinės savybės

4.2.8.2.9.2.2

EN 50367:2012 ir EN 50367:2012/AC:2013

A.2 priedas, A.7 paveikslas

50

Pantografo srovės pralaidumas (SSD lygmuo)

4.2.8.2.9.3

EN 50206–1:2010

6.13.2

51

Pantografo nuleidimas (riedmenų lygmuo). Pantografo nuleidimo trukmė.

4.2.8.2.9.10

EN 50206–1:2010

4.7

Pantografo nuleidimas (riedmenų lygmuo). Automatinis nuleidimo įtaisas

4.8

52

Pantografo nuleidimas (riedmenų lygmuo). Dinaminis izoliacinis atstumas

4.2.8.2.9.10

EN 50119:2009 ir EN 50119:2009/A1:2013

2 lentelė

53

Traukinio elektros įrenginių apsauga. Apsaugos derinimas

4.2.8.2.10

EN 50388:2012 ir EN 50388:2012/AC:2013

11

54

Apsauga nuo elektros srovės pavojaus

4.2.8.4

EN 50153:2014

atitinkamas punktas (1)

55

Priekinis stiklas. Mechaninės savybės

4.2.9.2.1

EN 15152:2007

4.2.7, 4.2.9

56

Priekinis stiklas. Kampas tarp pagrindinio ir šalutinio vaizdų

4.2.9.2.2

EN 15152:2007

4.2.2

Priekinis stiklas. Optinis iškraipymas

4.2.3

Priekinis stiklas. Matiškumas

4.2.4

Priekinis stiklas. Šviesos pralaidumas

4.2.5

Priekinis stiklas. Spalvis

4.2.6

57

Registravimo įtaisas. Funkciniai reikalavimai.

4.2.9.6

EN/IEC 62625–1:2013

4.2.1, 4.2.2, 4.2.3, 4.2.4

Registravimo įtaisas. Registravimo veikimo charakteristikos

4.3.1.2.2

Registravimo įtaisas. Vientisumas

4.3.1.4

Registravimo įtaisas. Duomenų vientisumo apsauga

4.3.1.5

Registravimo įtaisas. Apsaugos lygis

4.3.1.7

58

Gaisrinės saugos priemonės. Medžiagų reikalavimai

4.2.10.2.1

EN 45545–2:2013+A1:2015

atitinkamas punktas (1)

59

Specialiosios degiesiems skysčiams taikomos priemonės

4.2.10.2.2

EN 45545–2:2013+A1:2015

5 lentelė

60

Keleivinių riedmenų vienetų apsaugos nuo gaisro plitimo priemonės. Pertvarų bandymas

4.2.10.3.4

EN 1363–1:2012

atitinkamas punktas (1)

61

Keleivinių riedmenų vienetų apsaugos nuo gaisro plitimo priemonės. Pertvarų bandymas

4.2.10.3.5

EN 1363–1:2012

atitinkamas punktas (1)

62

Avarinis apšvietimas. Apšviestumo lygis

4.2.10.4.1

EN 13272:2012

5.3

63

Tinkamumas važiuoti

4.2.10.4.4

EN 50553:2012 ir EN 50553:2012/AC:2013

atitinkamas punktas (1)

64

Vandens pildymo sąsaja

4.2.11.5

EN 16362:2013

4.1.2

1 pav.

65

Specialūs traukinių statymo į atsarginį kelią reikalavimai. Išorinis pagalbinis elektros energijos tiekimas

4.2.11.6

EN/IEC 60309–2:1999 ir pakeitimai EN 60309–2:1999/A11:2004, A1: 2007 ir A2:2012

atitinkamas punktas (1)

66

10 tipo automatinis taukšų centrinis sukabintuvas

5.3.1

EN 16019:2014

atitinkamas punktas (1)

67

Rankinė galinė sankaba. UIC tipas

5.3.2

EN 15551:2017

atitinkamas punktas (1)

68

Rankinė galinė sankaba. UIC tipas

5.3.2

EN 15566:2016

atitinkamas punktas (1)

69

Avarinio sukabinimo įtaisas

5.3.3

EN 15020:2006+A1:2010

atitinkamas punktas (1)

70

Pagrindinis srovės išjungiklis. Apsaugos derinimas

5.3.12

EN 50388:2012 ir EN 50388:2012/AC:2013

11

71

Ratai. Patikros metodas.

Sprendimo priėmimo kriterijai

6.1.3.1

EN 13979–1:2003+A2:2011

7.2.1, 7.2.2

7.2.3

Ratai. Patikros metodas

Išsamesnės patikros metodas

7.3

Ratai. Patikros metodas

Termomechaninės savybės

6

72

Apsauga nuo ratų slydimo. Patikros metodas

6.1.3.2

EN 15595:2009+A1:2011

5

Apsauga nuo ratų slydimo. Bandymo programa

tik 6.2 skirsnio 6.2.3 punktas

73

Priekiniai žibintai. Spalva

6.1.3.3

EN 15153–1:2013+A1:2016

6.3

Priekiniai žibintai. Šviesos stipris

6.4

74

Gabaritiniai žibintai. Spalva.

6.1.3.4

EN 15153–1:2013+A1:2016

6.3

Gabaritiniai žibintai. Šviesos stipris

6.4

75

Galiniai žibintai. Spalva.

6.1.3.5

EN 15153–1:2013+A1:2016

6.3

Galiniai žibintai. Šviesos stipris

6.4

76

Įspėjamojo garso signalo įtaisas. Garso signalas.

6.1.3.6

EN 15153–2:2013

6

Garso signalas. Garso slėgio lygis

6

77

Pantografas. Statinė prispaudžiamoji jėga

6.1.3.7

EN 50367:2012 ir EN 50367:2012/AC:2013

7.2

78

Pantografas. Ribinė vertė

6.1.3.7

EN 50119:2009 ir EN 50119:2009/A1:2013

5.1.2

79

Pantografas. Patikros metodas

6.1.3.7

EN 50206–1:2010

6.3.1

80

Pantografas. Dinaminės savybės

6.1.3.7

EN 50318:2002

atitinkamas punktas (1)

81

Pantografas. Sąveikos charakteristikos

6.1.3.7

EN 50317:2012 ir EN 50317:2012/AC:2012

atitinkamas punktas (1)

82

Kontaktiniai intarpai. Patikros metodas

6.1.3.8

EN 50405:2015

7.2, 7.3

7.4, 7.6

7.7

83

Sauga nuo nuriedėjimo nuo bėgių važiuojant kelio sąsūka

6.2.3.3

EN 14363:2016

4, 5, 6.1

84

Važiavimo dinaminės savybės. Patikros metodas.

Vertinimas pagal kriterijus.

Vertinimo sąlygos

6.2.3.4

EN 14363:2016

4, 5, 7

85

Lygiavertis kūgiškumas. Bėgio profilių apibrėžtys

6.2.3.6

EN 13674–1:2011

atitinkamas punktas (1)

86

Lygiavertis kūgiškumas. Rato profilio apibrėžtys

6.2.3.6

EN 13715:2006+A1:2010

atitinkamas punktas (1)

87

Aširatis. Surinkimas

6.2.3.7

EN 13260:2009+A1:2010

3.2.1

88

Aširatis. Ašių patikros metodas

6.2.3.7

EN 13103:2009+A1:2010 +A2:2012

4, 5, 6

Aširatis. Ašys. Sprendimo kriterijai

7

89

Aširatis. Ašių patikros metodas.

6.2.3.7

EN 13104:2009+A1:2010

4, 5, 6

Aširatis. Ašys. Sprendimo kriterijai

7

90

Ašidėžės/guoliai

6.2.3.7

EN 12082:2007+A1:2010

6

91

Avarinio stabdymo efektyvumas

6.2.3.8

EN 14531–1:2005

5.11.3

92

Paprastojo stabdymo efektyvumas

6.2.3.9

EN 14531–1:2005

5.11.3

93

Apsauga nuo ratų slydimo. Veikimo charakteristikų patikros metodas

6.2.3.10

EN 15595:2009+A1:2011

6.4

94

Sūkurinių oro srovių poveikis. Išsamūs bandymai

6.2.3.13

EN 14067–4:2013

6.2.2.1

Sūkurinių oro srovių poveikis. Supaprastintas vertinimas

4.2.4 ir 7 lentelė

95

Traukinio priekinės dalies sukelti slėgio pokyčiai. Patikros metodas.

6.2.3.14

EN 14067–4:2013

6.1.2.1

Traukinio priekinės dalies sukelti slėgio pokyčiai. Skaičiuojamoji skysčių dinamika

6.1.2.4

Traukinio priekinės dalies sukelti slėgio pokyčiai. Judantis modelis

6.1.2.2

Traukinio priekinės dalies sukelti slėgio pokyčiai. Supaprastinto vertinimo metodas

4.1.4 ir 4 lentelė

96

Didžiausi slėgio pokyčiai. Atstumas xp nuo įvažiavimo vartų iki matavimo vietos, ΔpFr, ΔpN ir ΔpT apibrėžtys, mažiausias tunelio ilgis

6.2.3.15

EN 14067–5:2006+A1:2010

atitinkamas punktas (1)

97

Garso signalas. Garso slėgio lygis

6.2.3.17

EN 15153–2:2013+A1:2016

5

98

Didžiausia galia ir stipriausia srovė iš orinės kontaktinės linijos. Patikros metodas

6.2.3.18

EN 50388:2012 ir EN 50388:2012/AC:2013

15.3

99

Galios faktorius. Patikros metodas

6.2.3.19

EN 50388:2012 ir EN 50388:2012/AC:2013

15.2

100

Srovės imtuvo dinaminės savybės. Dinaminiai bandymai

6.2.3.20

EN 50317:2012 ir EN 50317:2012/AC:2012

atitinkamas punktas (1)

101

Priekinis stiklas. Savybės

6.2.3.22

EN 15152:2007

6.2.1–6.2.7

102

Konstrukcijos tvirtumas

C priedėlis

C.1 skirsnis

EN 12663–2:2010

5.2.1–5.2.4

103

NENAUDOJAMA

104

NENAUDOJAMA

105

NENAUDOJAMA

106

NENAUDOJAMA

107

Naujų ratų profilių projektinės vertės. Ekvivalentinio kūgiškumo vertinimas

6.2.3.6

EN 14363:2016

O ir P priedai

108

Sūkurinių oro srovių poveikis. Reikalavimai

4.2.6.2.1

EN 14067–4:2013

4.2.2.1, 4.2.2.2, 4.2.2.3 ir 4.2.2.4

109

Traukinio priekinės dalies sukelti slėgio pokyčiai. Reikalavimai

4.2.6.2.2

EN 14067–4:2013

4.1.2

110

Galinė sankaba. Riedmenų vienetų suderinamumas. Rankinis UIC tipas

4.2.2.2.3

EN 16839:2017

5, 6

7, 8

111

Vienpolė elektros energijos tiekimo linija

4.2.11.6

CLC/TS 50534:2010

A priedas

112

Ryšio protokolai

4.2.12.2

IEC 61375–1:2012

atitinkamas punktas (1)

113

Keleivinių vagonų perėjų-jungių tarpusavio sujungimo jungtys

6.2.7a

EN 16286–1:2013

A ir B priedai

114

Fizinė signalų perdavimo sąsaja tarp riedmenų vienetų

6.2.7a

UIC 558, 1996 m. sausio mėn.

2 lapas

115

Ženklinimas. Ilgis su taukšais ir elektros energijos tiekimas

6.2.7a

EN 15877–2:2013

4.5.5.1

4.5.6.3

116

Transporto priemonėje įdiegtos buvimo vietos nustatymo funkcijos reikalavimai

4.2.8.2.8.1

EN 50463–3:2017

4.4

117

Energijos matavimo funkcija. Aktyviosios energijos matavimo tikslumas

4.2.8.2.8.2

EN 50463–2:2017

4.2.3.1 ir 4.2.3.4

Energijos matavimo funkcija. Klasės

4.3.3.4, 4.3.4.3 ir 4.4.4.2

Energijos matavimo funkcija. Vertinimas

6.2.3.19b

5.4.3.4.1, 5.4.3.4.2, 5.4.4.3.1, 3 lentelė, 5.4.3.4.3.1 ir 5.4.4.3.2.1

118

Energijos matavimo funkcija. Vartojimo vietos nustatymas. Apibrėžtis

4.2.8.2.8.3

EN 50463–1:2017

4.2.5.2

119

Riedmenyje įrengtos energijos matavimo sistemos ir antžeminės duomenų rinkimo sistemos sąsajos protokolai. Reikalavimai

4.2.8.2.8.4

EN 50463–4:2017

4.3.3.1, 4.3.3.3, 4.3.4, 4.3.5, 4.3.6 ir 4.3.7

120

Energijos matavimo funkcija. Kiekvieno įtaiso vidutinis temperatūrinis koeficientas. Vertinimo metodika

6.2.3.19b

EN 50463–2:2017

5.4.3.4.3.2 ir 5.4.4.3.2.2

121

Duomenų kompiliavimas ir tvarkymas duomenų tvarkymo sistemoje. Vertinimo metodika

6.2.3.19b

EN 50463–3:2017

5.4.8.3, 5.4.8.5 ir 5.4.8.6

122

Riedmenyje įrengta energijos matavimo sistema. Bandymai

6.2.3.19b

EN 50463–5:2017

5.3.3 ir 5.5.4

(1)   Standarto punktai, tiesiogiai susiję su 3 skiltyje nurodyto TSS punkto reikalavimu.

J.2.    Europos geležinkelio agentūros interneto svetainėje pateikiami techniniai dokumentai



 

TSS

Europos geležinkelio agentūros techninis dokumentas

Rodyklės Nr.

Savybės, kurias reikia įvertinti

Punktas

Privalomojo inf.

dokumento Nr.

Punktai

1

Geležinkelio kelio kontrolės, valdymo ir signalizacijos posistemio sąsaja su kitais posistemiais

4.2.3.3.1

ERA/ERTMS/033281 4.0 red.

3.1 ir 3.2

▼M4 —————



( 1 ) 2016 m. gegužės 11 d. Europos Parlamento ir Tarybos direktyva (ES) 2016/797 dėl geležinkelių sistemos sąveikos Europos Sąjungoje (OL L 138, 2016 5 26, p. 44).

( 2 ) 2014 m. lapkričio 18 d. Komisijos reglamentas (ES) Nr. 1301/2014 dėl Sąjungos geležinkelių sistemos energijos posistemio techninės sąveikos specifikacijos (žr. šio Oficialiojo leidinio p. 179).

( 3 ) 2016 m. gegužės 11 d. Europos Parlamento ir Tarybos direktyva (ES) 2016/798 dėl geležinkelių saugos (OL L 138, 2016 5 26, p. 102).

( *1 ) Vertinama pagal stabdymą visu pajėgumu arba (pneumatinėje stabdžių sistemoje) pagal slėgį stabdžių cilindruose; apibrėžtis pateikta J-1 priedėlio 25 rodyklėje nurodytos specifikacijos 5.3.3 punkte.

( 4 ) 1998 m. lapkričio 3 d. Tarybos direktyva 98/83/EB dėl žmonėms vartoti skirto vandens kokybės (OL L 330, 1998 12 5, p. 32).

( 5 ) 2006 m. vasario 15 d. Europos Parlamento ir Tarybos direktyva 2006/7/EB dėl maudyklų vandens kokybės valdymo ir pakeičianti Direktyvą 76/160/EEB (OL L 64, 2006 3 4, p. 37).

( 6 ) 2006 m. vasario 15 d. Europos Parlamento ir Tarybos direktyva 2006/11/EB dėl tam tikrų į Bendrijos vandenis išleidžiamų pavojingų medžiagų sukeltos taršos (OL L 64, 2006 3 4, p. 52).

( 7 ) 2009 m. balandžio 23 d. Europos Parlamento ir Tarybos direktyva 2009/30/EB, iš dalies keičianti Direktyvos 98/70/EB nuostatas dėl benzino, dyzelinių degalų (dyzelino) ir gazolių kokybės rodiklių, nustatanti šiltnamio efektą sukeliančių dujų stebėsenos ir mažinimo mechanizmą, iš dalies keičianti Tarybos direktyvos 1999/32/EB nuostatas dėl vidaus vandens kelių laivų kuro kokybės rodiklių ir panaikinanti Direktyvą 93/12/EEB (OL L 140, 2009 6 5, p. 88).

( 8 ) 2016 m. gegužės 11 d. Europos Parlamento ir Tarybos direktyva (ES) 2016/798 dėl geležinkelių saugos (OL L 138, 2016 5 26, p. 102).

( 9 ) 2007 m. spalio 23 d. Europos Parlamento ir Tarybos direktyva 2007/59/EB dėl traukinių mašinistų, valdančių lokomotyvus ir traukinius geležinkelių sistemoje Bendrijos teritorijoje, sertifikavimo (OL L 315, 2007 12 3, p. 51).

( 10 ) 2011 m. spalio 4 d. Komisijos įgyvendinimo sprendime 2011/665/ES dėl Europos patvirtintų geležinkelio transporto priemonių tipų registro (OL L 264, 2011 10 8, p. 32).

( 11 ) 2019 m. gegužės 16 d. Komisijos įgyvendinimo reglamentas (ES) 2019/773 dėl Europos Sąjungos geležinkelių sistemos traukinių eismo organizavimo ir valdymo posistemio techninės sąveikos specifikacijos, kuriuo panaikinimas Sprendimas 2012/757/ES (OL L 139 I, 2019 5 27, p. 5).

( 12 ) 2010 m. lapkričio 9 d. Komisijos sprendimas 2010/713/ES dėl atitikties ir tinkamumo naudoti vertinimo ir EB patikros procedūrų modulių, skirtų naudoti pagal Europos Parlamento ir Tarybos direktyvą 2008/57/EB priimtose techninėse sąveikos specifikacijose (OL L 319, 2010 12 4, p. 1).

( 13 ) 2011 m. rugsėjo 20 d. Komisijos rekomendacija dėl eksploatuojamų geležinkelio linijų pagrindinių parametrų atitikties techninėms sąveikos specifikacijoms lygio įrodymo tvarkos (OL L 243, 2011 9 21, p. 23).

( 14 ) 2013 m. balandžio 30 d. Komisijos įgyvendinimo reglamentas (ES) Nr. 402/2013, kuriuo nustatomas bendrasis saugos būdas, susijęs su pavojaus lygio nustatymu ir pavojaus vertinimu, ir panaikinamas Reglamentas (EB) Nr. 352/2009, kaip nurodyta Europos Parlamento ir Tarybos direktyvos 2004/49/EB 6 straipsnio 3 dalies a punkte (OL L 121, 2013 5 3, p. 8).

( 15 ) 2018 m. balandžio 4 d. Komisijos įgyvendinimo reglamentas (ES) 2018/545, kuriuo nustatomos geležinkelių transporto priemonių patvirtinimo ir geležinkelių transporto priemonių tipų patvirtinimo pagal Europos Parlamento ir Tarybos direktyvą (ES) 2016/797 praktinės priemonės (OL L 90, 2018 4 6, p. 66).

( 16 ) 2010 m. lapkričio 9 d. Komisijos sprendimas 2010/713/ES dėl atitikties ir tinkamumo naudoti vertinimo ir EB patikros procedūrų modulių, skirtų naudoti pagal Europos Parlamento ir Tarybos direktyvą 2008/57/EB priimtose techninėse sąveikos specifikacijose (OL L 319, 2010 12 4, p. 1)

( 17 ) 2014 m. lapkričio 18 d. Komisijos reglamentas (ES) Nr. 1300/2014 dėl Sąjungos geležinkelių sistemos prieinamumo neįgaliesiems ir riboto judumo asmenims techninių sąveikos specifikacijų (OL L 356, 2014 12 12, p. 110).

( 18 ) 2014 m. lapkričio 26 d. Komisijos reglamentas (ES) Nr. 1304/2014 dėl posistemio „Geležinkelių riedmenys. Triukšmas“ techninės sąveikos specifikacijos, kuriuo iš dalies keičiamas Sprendimas 2008/232/EB ir panaikinamas Sprendimas 2011/229/ES (OL L 356, 2014 12 12, p. 421).

( 19 ) 2007 m. lapkričio 9 d. Komisijos sprendimas 2007/756/EB, kuriuo priimama bendra nacionalinio geležinkelių riedmenų registro specifikacija, kaip numatyta direktyvų 96/48/EB ir 2001/16/EB 14 straipsnio 4 ir 5 dalyse (OL L 305, 2007 11 23, p. 30).

( 20 ) 2018 m. spalio 25 d. Komisijos įgyvendinimo sprendimas (ES) 2018/1614, kuriuo nustatomos Europos Parlamento ir Tarybos direktyvos (ES) 2016/797 47 straipsnyje nurodytų transporto priemonių registrų specifikacijos ir iš dalies keičiamas ir panaikinamas Komisijos sprendimas 2007/756/EB (OL L 268, 2018 10 26, p. 53).

( 21 ) 2019 m. gegužės 16 d. Komisijos įgyvendinimo reglamentas (ES) 2019/779, kuriuo pagal Europos Parlamento ir Tarybos direktyvą (ES) 2016/798 nustatomos išsamios už transporto priemonių techninę priežiūrą atsakingų subjektų sertifikavimo sistemos nuostatos ir panaikinamas Komisijos reglamentas (ES) Nr. 445/2011 (OL L 139 I, 2019 5 27, p. 360).

( 22 ) 2019 m. gegužės 16 d. Komisijos įgyvendinimo reglamentas (ES) 2019/777 dėl geležinkelio infrastruktūros registro bendrųjų specifikacijų, kuriuo panaikinamas Įgyvendinimo sprendimas 2014/880/ES (OL L 139 I, 2019 5 27, p. 312).

( 23 ) 2019 m. gegužės 16 d. Komisijos įgyvendinimo reglamentas (ES) 2019/776 kuriuo dėl suderinimo su Europos Parlamento ir Tarybos direktyva (ES) 2016/797 ir konkrečių tikslų, išdėstytų Komisijos deleguotajame sprendime (ES) 2017/1474, įgyvendinimo iš dalies keičiami Komisijos reglamentai (ES) Nr. 321/2013, (ES) Nr. 1299/2014, (ES) Nr. 1301/2014, (ES) Nr. 1302/2014 ir (ES) Nr. 1303/2014, Komisijos reglamentas (ES) 2016/919 ir Komisijos įgyvendinimo sprendimas 2011/665/ES (OL L 139 I, 2019 5 27, p. 108).