02014R1302 — ES — 04.07.2018 — 002.001


Este texto es exclusivamente un instrumento de documentación y no surte efecto jurídico. Las instituciones de la UE no asumen responsabilidad alguna por su contenido. Las versiones auténticas de los actos pertinentes, incluidos sus preámbulos, son las publicadas en el Diario Oficial de la Unión Europea, que pueden consultarse a través de EUR-Lex. Los textos oficiales son accesibles directamente mediante los enlaces integrados en este documento

►B

REGLAMENTO (UE) No 1302/2014 DE LA COMISIÓN

de 18 de noviembre de 2014

sobre la especificación técnica de interoperabilidad del subsistema de material rodante «locomotoras y material rodante de viajeros» del sistema ferroviario en la Unión Europea

(Texto pertinente a efectos del EEE)

(DO L 356 de 12.12.2014, p. 228)

Modificado por:

 

 

Diario Oficial

  n°

página

fecha

►M1

REGLAMENTO (UE) 2016/919 DE LA COMISIÓN de 27 de mayo de 2016

  L 158

1

15.6.2016

►M2

REGLAMENTO DE EJECUCIÓN (UE) 2018/868 DE LA COMISIÓN de 13 de junio de 2018

  L 149

16

14.6.2018


Rectificado por:

►C1

Rectificación,, DO L 010, 16.1.2015, p.  45 (1302/2014)




▼B

REGLAMENTO (UE) No 1302/2014 DE LA COMISIÓN

de 18 de noviembre de 2014

sobre la especificación técnica de interoperabilidad del subsistema de material rodante «locomotoras y material rodante de viajeros» del sistema ferroviario en la Unión Europea

(Texto pertinente a efectos del EEE)



Artículo 1

Se aprueba la Especificación Técnica de Interoperabilidad («ETI») relativa al subsistema «material rodante, locomotoras y material rodante de viajeros» del sistema ferroviario en toda la Unión Europea, tal como figura en el anexo.

Artículo 2

1.  La ETI será de aplicación al subsistema de «material rodante» según lo establecido en el punto 2.7 del anexo II de la Directiva 2008/57/CE, que se utilice, o esté destinado a utilizarse, en la red ferroviaria definida en el punto 1.2 del anexo y que corresponda a uno de los siguientes tipos:

a) las unidades autopropulsadas térmicas o eléctricas;

b) las locomotoras o unidades de tracción térmicas o eléctricas;

c) los coches de viajeros;

d) material rodante auxiliar para la construcción de infraestructuras ferroviarias y el mantenimiento.

2.  La ETI será de aplicación al material rodante al que se refiere el apartado 1 que esté destinado a utilizarse en uno o varios de los siguientes anchos de vía nominales: 1 435  mm, 1 520  mm, 1 524  mm, 1 600  mm y 1 668  mm, conforme al punto 2.3.2 del anexo.

Artículo 3

1.  Sin perjuicio de los artículos 8 y 9, y del punto 7.1.1 del anexo, la ETI será de aplicación a todo el material rodante de nueva construcción del sistema ferroviario de la Unión, según define el artículo 2, apartado 1, que se ponga en servicio a partir del 1 de enero de 2015.

2.  La ETI no será de aplicación al material rodante existente en el sistema ferroviario de la Unión Europea que ya se haya puesto en servicio en la red de cualquier Estado miembro, ya sea en toda la red o en una parte de ella, a fecha de 1 de enero de 2015, excepto cuando deba someterse a renovación o rehabilitación conforme al artículo 20 de la Directiva 2008/57/CE y al punto 7.1.2 del anexo.

3.  El ámbito técnico y geográfico del presente Reglamento se establece en las secciones 1.1 y 1.2 del anexo.

4.  La instalación del sistema embarcado de medición de energía definido en la cláusula 4.2.8.2.8 del anexo será obligatoria para los vehículos nuevos, renovados o rehabilitados destinados a utilizarse en redes equipadas con el sistema de captación de datos (DCS) de energía instalado en la infraestructura, definido en el punto 4.2.17 del Reglamento (UE) no 1301/2014 de la Comisión ( 1 ).

Artículo 4

1.  En relación con los aspectos clasificados como «puntos abiertos» en el apéndice I del anexo del presente Reglamento, las condiciones que deben cumplirse para la verificación de la interoperabilidad de conformidad con el artículo 17, apartado 2, de la Directiva 2008/57/CE serán las normas nacionales aplicables en el Estado miembro que autorice la puesta en servicio del subsistema objeto del presente Reglamento.

2.  En el plazo de seis meses desde la entrada en vigor del presente Reglamento, cada Estado miembro enviará a los demás Estados miembros y a la Comisión la siguiente información, a menos que se les haya remitido ya en virtud de la Decisión 2008/232/CE o la Decisión 2011/291/UE:

a) las normas nacionales a las que se refiere el apartado 1;

b) los procedimientos de evaluación de la conformidad y verificación que deben seguirse en relación con la aplicación de las normas nacionales a las que se refiere el apartado 1;

c) los organismos designados con arreglo al artículo 17, apartado 3, de la Directiva 2008/57/CE para llevar a cabo los procedimientos de evaluación de la conformidad y verificación con respecto a los puntos abiertos.

Artículo 5

1.  En relación con los casos específicos enumerados en el punto 7.3 del anexo del presente Reglamento, las condiciones que deben cumplirse para la verificación de la interoperabilidad de conformidad con el artículo 17, apartado 2, de la Directiva 2008/57/CE serán las normas nacionales aplicables utilizadas en el Estado miembro que autorice la puesta en servicio del subsistema objeto del presente Reglamento.

2.  En el plazo de seis meses a partir de la entrada en vigor del presente Reglamento, cada Estado miembro notificará a los demás Estados miembros y a la Comisión:

a) las normas nacionales a las que se refiere el apartado 1;

b) los procedimientos de evaluación de la conformidad y verificación que deben seguirse en relación con la aplicación de las normas nacionales a las que se refiere el apartado 1;

c) los organismos designados con arreglo al artículo 17, apartado 3, de la Directiva 2008/57/CE para llevar a cabo los procedimientos de evaluación de la conformidad y de verificación para los casos específicos que establece la sección 7.3 del anexo.

Artículo 6

1.  Sin perjuicio de los acuerdos qua ya hayan sido notificados en virtud de la Decisión 2008/232/CE de la Comisión, que no serán notificados de nuevo, los Estados miembros notificarán a la Comisión, en el plazo de seis meses a partir de la entrada en vigor del presente Reglamento, los acuerdos nacionales, bilaterales, multilaterales o internacionales existentes que rijan la utilización del material rodante que pertenezca al ámbito de aplicación del presente Reglamento.

2.  Los Estados miembros comunicarán inmediatamente a la Comisión cualquier futuro acuerdo o modificación de un acuerdo existente.

Artículo 7

Conforme al artículo 9, apartado 3, de la Directiva 2008/57/CE, cada Estado miembro comunicará a la Comisión, en el plazo de un año a partir de la entrada en vigor del presente Reglamento, una lista de los proyectos que se están ejecutando en su territorio y se encuentran en fase avanzada de desarrollo.

Artículo 8

1.  Podrá expedirse un certificado «CE» de verificación para un subsistema que contenga componentes de interoperabilidad que carezcan de una declaración «CE» de conformidad o idoneidad para el uso, durante un período transitorio que finalizará el 31 de mayo de 2017, a condición de que se cumplan las disposiciones establecidas en la sección 6.3 del anexo.

2.  La fabricación, rehabilitación o renovación del subsistema que utilice componentes de interoperabilidad no certificados deberá finalizarse dentro del período transitorio establecido en el apartado 1, incluida su puesta en servicio.

3.  Durante el período transitorio establecido en el apartado 1:

a) el organismo notificado deberá especificar adecuadamente los motivos por los que no se haya certificado algún componente de interoperabilidad antes de conceder el certificado «CE» en virtud del artículo 18 de la Directiva 2008/57/CE;

b) conforme al artículo 16, apartado 2, letra c), de la Directiva 2004/49/CE del Parlamento Europeo y del Consejo ( 2 ), las autoridades nacionales de seguridad informarán del uso de componentes de interoperabilidad no certificados en el contexto de los procedimientos de autorización, en el informe anual indicado en el artículo 18 de la Directiva 2004/49/CE.

4.  Cuando haya transcurrido un año de la entrada en vigor del presente Reglamento, los nuevos componentes de interoperabilidad producidos deberán contar con la declaración «CE» de conformidad o idoneidad para el uso.

Artículo 9

La declaración de verificación de un subsistema (a la que se refieren los artículos 16 a 18 de la Directiva 2008/57/CE) o la declaración de conformidad con el tipo de un nuevo vehículo (a la que se refiere el artículo 26 de la Directiva 2008/57/CE) o ambas, determinadas conforme a la Decisión 2008/232/CE o la Decisión 2011/291/UE, se considerarán válidas hasta que los Estados miembros decidan que el certificado de tipo o diseño debe renovarse conforme a dichas Decisiones.

Artículo 10

1.  A efectos de adecuación al progreso tecnológico, pueden ser necesarias soluciones innovadoras que no cumplan las especificaciones contempladas en el anexo o para las cuales no puedan aplicarse los métodos de evaluación previstos en el mismo, o ambos casos. En tal caso deberán desarrollarse nuevas especificaciones o nuevos métodos de evaluación asociados a esas soluciones innovadoras, o ambos.

2.  Las soluciones innovadoras pueden estar relacionadas con el subsistema de material rodante, sus partes y sus componentes de interoperabilidad.

3.  Si se propone una solución innovadora, el fabricante o su representante autorizado en la Unión indicarán en qué se diferencia de las disposiciones pertinentes de la presente ETI o cómo las complementa y someterán tales diferencias al análisis de la Comisión. La Comisión podrá solicitar la opinión de la Agencia Ferroviaria Europea (la Agencia) acerca de la solución innovadora propuesta.

4.  La Comisión emitirá un dictamen acerca de la solución innovadora propuesta. Si dicho dictamen resulta favorable, se elaborarán las especificaciones funcionales y de interfaz así como el método de evaluación necesarios para su inclusión en la ETI a fin de permitir el uso de esta solución innovadora y, posteriormente, se integrarán en la ETI durante el proceso de revisión conforme al artículo 6 de la Directiva 2008/57/CE. Si el dictamen resulta desfavorable, la solución innovadora propuesta no podrá aplicarse.

5.  En espera de la revisión de la ETI, el dictamen favorable emitido por la Comisión se considerará un medio aceptable de cumplimiento de los requisitos esenciales de la Directiva 2008/57/CE y, por consiguiente, será admisible a efectos de evaluación del subsistema.

Artículo 11

1.  Quedan derogadas, con efecto a partir del 1 de enero de 2015, las Decisiones 2008/232/CE y 2011/291/UE.

No obstante, seguirán siendo de aplicación a:

a) los subsistemas autorizados conforme a dichas Decisiones;

b) los casos a los que se refiere el artículo 9 del presente Reglamento;

c) los proyectos de subsistemas nuevos, renovados o rehabilitados que, a la fecha de publicación del presente Reglamento, se encuentren en una fase avanzada de desarrollo, sean de un diseño ya existente o sean objeto de un contrato que se encuentre en curso, según establece el punto 7.1.1.2 del anexo del presente Reglamento.

2.  La Decisión 2008/232/CE seguirá siendo de aplicación a los requisitos en materia de ruido y vientos transversales en las condiciones que establecen los puntos 7.1.1.6 y 7.1.1.7 del anexo del presente Reglamento.

Artículo 12

El presente Reglamento entrará en vigor el vigésimo día siguiente al de su publicación en el Diario Oficial de la Unión Europea.

Será aplicable a partir del 1 de enero de 2015. No obstante, antes del 1 de enero de 2015 podrá autorizarse la puesta en servicio conforme a la ETI según establece el anexo del presente Reglamento.

El presente Reglamento será obligatorio en todos sus elementos y directamente aplicable en cada Estado miembro.




ANEXO

ÍNDICE

1.

Introducción

1.1.

Ámbito técnico

1.2.

Ámbito geográfico

1.3.

Contenido de la presente ETI

2.

Subsistema de material rodante y funciones

2.1.

El subsistema de material rodante como parte del sistema ferroviario de la Unión

2.2.

Definiciones relacionadas con el material rodante

2.2.1.

Formación de tren

2.2.2.

Material rodante

2.3.

Material rodante al que se aplica la presente ETI

2.3.1.

Tipos de material rodante

2.3.2.

Ancho de vía

2.3.3.

Velocidad máxima

3.

Requisitos esenciales

3.1.

Requisitos esenciales que deben cumplir los elementos del subsistema de material rodante

3.2.

Requisitos esenciales no cubiertos por la presente ETI

3.2.1.

Requisitos generales, requisitos relacionados con el mantenimiento y la explotación

3.2.2.

Requisitos específicos de otros subsistemas

4.

Caracterización del subsistema de material rodante

4.1.

Introducción

4.1.1.

Aspectos generales

4.1.2.

Descripción del material rodante al que se aplica la presente ETI

4.1.3.

Principales categorías del material rodante para la aplicación de los requisitos de la ETI

4.1.4.

Categorización del material rodante para la seguridad contra incendios

4.2.

Especificación funcional y técnica del subsistema

4.2.1.

Aspectos generales

4.2.2.

Estructura y partes mecánicas

4.2.3.

Interacción con la vía y gálibo

4.2.4.

Frenado

4.2.5.

Elementos relativos a los viajeros

4.2.6.

Condiciones ambientales y efectos aerodinámicos

4.2.7.

Iluminación exterior y dispositivos de aviso acústico y visual

4.2.8.

Equipo de tracción y eléctrico

4.2.9.

Cabina de conducción e interfaz hombre-máquina

4.2.10.

Seguridad contra incendios y evacuación

4.2.11.

Mantenimiento diario

4.2.12.

Documentación para la explotación y el mantenimiento

4.3.

Especificación funcional y técnica de las interfaces

4.3.1.

Interfaz con el subsistema de energía

4.3.2.

Interfaz con el subsistema de infraestructura

4.3.3.

Interfaz con el subsistema de explotación

4.3.4.

Interfaz con el subsistema de control-mando y señalización

4.3.5.

Interfaz con el subsistema de aplicaciones telemáticas para viajeros

4.4.

Normas de explotación

4.5.

Normas de mantenimiento

4.6.

Competencias profesionales

4.7.

Condiciones de salud y seguridad

4.8.

Registro Europeo de Tipos Autorizados de Vehículos

5.

Componentes de interoperabilidad

5.1.

Definición

5.2.

Soluciones innovadoras

5.3.

Especificación del componente de interoperabilidad

5.3.1.

Acoplador automático de tope central

5.3.2.

Enganche final manual

5.3.3.

Enganches de rescate

5.3.4.

Ruedas

5.3.5.

Sistema de protección antideslizamiento de las ruedas (WSP)

5.3.6.

Focos de cabeza

5.3.7.

Luces de posición

5.3.8.

Luces de cola

5.3.9.

Bocinas

5.3.10.

Pantógrafo

5.3.11.

Frotadores

5.3.12.

Disyuntor principal

5.3.13.

Asiento del maquinista

5.3.14.

Conexión de la descarga de retretes

5.3.15.

Conexión de entrada para depósitos de agua

6.

Evaluación de la conformidad o la idoneidad para el uso y verificación «CE»

6.1.

Componentes de interoperabilidad

6.1.1.

Evaluación de la conformidad

6.1.2.

Aplicación de módulos

6.1.3.

Procedimientos de evaluación particulares para componentes de interoperabilidad

6.1.4.

Fases del proyecto en las que se requiere evaluación

6.1.5.

Soluciones innovadoras

6.1.6.

Evaluación de la idoneidad para el uso

6.2.

Subsistema de material rodante

6.2.1.

Verificación «CE» (aspectos generales)

6.2.2.

Aplicación de módulos

6.2.3.

Procedimientos particulares de evaluación de subsistemas

6.2.4.

Fases del proyecto en las que se requiere evaluación

6.2.5.

Soluciones innovadoras

6.2.6.

Evaluación de la documentación solicitada para la explotación y el mantenimiento

6.2.7.

Evaluación de las unidades destinadas a explotación general

6.2.8.

Evaluación de las unidades destinadas a formaciones predefinidas

6.2.9.

Caso particular: evaluación de las unidades destinadas a una formación fija existente

6.3.

Subsistemas que incluyen componentes de interoperabilidad sin declaración «CE»

6.3.1.

Condiciones

6.3.2.

Documentación

6.3.3.

Mantenimiento de los subsistemas certificados conforme a la cláusula 6.3.1

7.

Aplicación

7.1.

Normas generales de aplicación

7.1.1.

Aplicación a material rodante de nueva construcción

7.1.2.

Renovación y rehabilitación del material rodante ya existente

7.1.3.

Normas relativas a los certificados de examen de tipo o de diseño

7.2.

Compatibilidad con otros subsistemas

7.3.

Casos específicos

7.3.1.

Aspectos generales

7.3.2.

Lista de casos específicos

7.4.

Condiciones ambientales específicas

7.5.

Aspectos que han de tenerse en cuenta en el proceso de revisión o en otras actividades de la Agencia

7.5.1.

Aspectos relacionados con un parámetro básico de la presente ETI

7.5.2.

Aspectos no relacionados con un parámetro básico en la presente ETI, pero objeto de proyectos de investigación

7.5.3.

Aspectos pertinentes para el sistema ferroviario de la UE, pero que no pertenecen al ámbito de aplicación de las ETI

▼C1

APÉNDICE A —

Topes y sistema de enganche de husillo

APÉNDICE B —

Perfil «T» del ancho de vía de 1 520 mm

APÉNDICE C —

Disposiciones especiales sobre el material rodante auxiliar para la construcción de infraestructuras ferroviarias y el mantenimiento

APÉNDICE D —

Sistema embarcado de medición de energía

APÉNDICE E —

Medidas antropométricas del maquinista

APÉNDICE F —

Visibilidad delantera

APÉNDICE G —

Mantenimiento diario

APÉNDICE H —

Evaluación del subsistema de material rodante

APÉNDICE I —

Aspectos para los cuales no se dispone de especificación técnica (puntos abiertos)

APÉNDICE J —

Especificaciones técnicas a las que se refiere la presente ETI

▼B

1.   INTRODUCCIÓN

1.1.    Ámbito técnico

La presente especificación técnica de interoperabilidad (ETI) se aplica a un subsistema determinado con el fin de dar cumplimiento a los requisitos esenciales y asegurar la interoperabilidad del sistema ferroviario de la Unión conforme a los términos del artículo 1 de la Directiva 2008/57/CE.

El subsistema en cuestión es el material rodante del sistema ferroviario de la Unión al que se refiere el anexo II, punto 2.7, de la Directiva 2008/57/CE.

La presente ETI se aplica al material rodante:

 que se utilice (o esté destinado a utilizarse) en la red ferroviaria definida en la sección 1.2, «Ámbito geográfico», de la presente ETI,

 y

 que sea de uno de los siguientes tipos (según define el anexo I, secciones 1.2 y 2.2, de la Directiva 2008/57/CE):

 

 unidades autopropulsadas térmicas o eléctricas,

 locomotoras o unidades de tracción térmicas o eléctricas,

 coches de viajeros,

 material rodante auxiliar para la construcción de infraestructuras ferroviarias y el mantenimiento.

El material rodante de los tipos mencionados en el artículo 1, apartado 3, de la Directiva 2008/57/CE queda fuera del ámbito de aplicación de la presente ETI:

 metros, tranvías y otros vehículos ferroviarios ligeros,

 vehículos para la prestación de servicios de viajeros a escala local, urbana y suburbana en redes aisladas funcionalmente del resto del sistema ferroviario,

 vehículos utilizados exclusivamente en infraestructuras ferroviarias de propiedad privada que existan únicamente para ser utilizadas por su propietario para sus propias operaciones de transporte de mercancías,

 vehículos reservados para uso estrictamente local, histórico o turístico.

En el capítulo 2 se define de manera pormenorizada el material rodante al que se aplica la presente ETI.

1.2.    Ámbito geográfico

El ámbito geográfico de la presente ETI es la red del sistema ferroviario en su totalidad, que consta de:

 la red del sistema ferroviario transeuropeo convencional (RTE) descrita en el anexo I, sección 1.1, «Red», de la Directiva 2008/57/CE,

 la red del sistema ferroviario transeuropeo de alta velocidad (RTE) descrita en el anexo I, sección 2.1, «Red», de la Directiva 2008/57/CE,

 otras partes de la red del sistema ferroviario en su totalidad, conforme a la ampliación del ámbito de aplicación según lo descrito en el anexo I, sección 4, de la Directiva 2008/57/CE,

y excluye los casos a los que se refiere el artículo 1, apartado 3, de la Directiva 2008/57/CE.

1.3.    Contenido de la presente ETI

Con arreglo al artículo 5, apartado 3, de la Directiva 2008/57/CE, la presente ETI:

a) indica su ámbito de aplicación previsto (capítulo 2);

b) precisa los requisitos esenciales para el subsistema de material rodante «locomotoras y material rodante de viajeros» y sus interfaces con otros subsistemas (capítulo 3);

c) establece las especificaciones funcionales y técnicas que deben respetar el subsistema y sus interfaces con otros subsistemas (capítulo 4);

d) determina los componentes de interoperabilidad e interfaces objeto de especificaciones europeas, incluidas normas europeas, que son necesarios para lograr la interoperabilidad del sistema ferroviario dentro de la Unión Europea (capítulo 5);

e) establece, en cada caso considerado, qué procedimientos deben emplearse para evaluar la conformidad o la idoneidad para el uso de los componentes de interoperabilidad, por una parte, o para la verificación «CE» de los subsistemas, por otra (capítulo 6);

f) indica la estrategia de aplicación de la presente ETI (capítulo 7);

g) indica, para el personal afectado, las competencias profesionales y las condiciones de seguridad y salud en el trabajo requeridas en la explotación y el mantenimiento del subsistema en cuestión, así como para la aplicación de la presente ETI (capítulo 4).

De conformidad con el artículo 5, apartado 5, de la Directiva 2008/57/CE, cada ETI puede prever casos específicos, los cuales se indican en el capítulo 7.

2.   SUBSISTEMA DE MATERIAL RODANTE Y FUNCIONES

2.1.    El subsistema de material rodante como parte del sistema ferroviario de la Unión

El sistema ferroviario de la Unión se ha dividido en los siguientes subsistemas definidos en el anexo II, sección 1, de la Directiva 2008/57/CE:

a) Ámbitos estructurales:

 infraestructura,

 energía,

 control-mando y señalización en tierra,

 control-mando y señalización embarcado,

 material rodante;

b) Ámbitos funcionales:

 explotación y gestión del tráfico,

 mantenimiento,

 aplicaciones telemáticas para servicios de viajeros y de transporte de mercancías.

Con excepción del mantenimiento, cada subsistema se aborda en una o varias ETI concretas.

El subsistema de material rodante que aborda la presente ETI (según se define en la sección 1.1) tiene interfaces con todos los demás subsistemas del sistema ferroviario de la Unión mencionados anteriormente; tales interfaces se consideran en el marco de un sistema integrado que cumple todas las ETI aplicables.

Además, existen dos ETI que describen aspectos específicos del sistema ferroviario y afectan a varios subsistemas, siendo uno de ellos el de material rodante:

a) ETI sobre Seguridad en los Túneles;

b) ETI relativa al acceso para las Personas con Movilidad Reducida;

y dos ETI relativas a aspectos concretos del subsistema de material rodante:

c) ETI de Ruido;

d) ETI de Vagones de mercancías.

Los requisitos del subsistema de material rodante establecidos en estas cuatro ETI no se repiten en la presente ETI. Estas cuatro ETI se aplican igualmente al subsistema de material rodante conforme a sus respectivos ámbitos de aplicación y normas de aplicación.

2.2.    Definiciones relacionadas con el material rodante

A los efectos de la presente ETI, se aplican las siguientes definiciones:

2.2.1.    Formación de tren:

a) Por «unidad» se entiende el término genérico utilizado para referirse al material rodante al que se aplica la presente ETI y, por tanto, sujeto a una verificación «CE».

b) Una unidad puede estar compuesta por varios «vehículos», tal como se define en el artículo 2, letra c), de la Directiva 2008/57/CE. Considerando el alcance de la presente ETI, el uso del término «vehículo» en la misma se limita al subsistema de material rodante según se define en el capítulo 1.

c) Por «tren» se entiende una formación en condiciones de servicio que consta de una o más unidades.

d) Por «tren de viajeros» se entiende una formación en condiciones de servicio accesible a los viajeros (un tren formado de vehículos de viajeros pero no accesible a estos no se considera un tren de viajeros).

e) Por «formación fija» se entiende una formación de tren que solo puede reconfigurarse en un entorno de taller.

f) Por «formación predefinida» se entiende una formación de tren o varias formaciones de trenes compuestas de varias unidades acopladas entre sí; esta formación se define en la fase de diseño y puede reconfigurarse durante la explotación.

g) «Explotación múltiple»: es una formación en condiciones de servicio que consta de una o más unidades:

 ramas diseñadas de manera que varias de ellas (del tipo sujeto a evaluación) puedan acoplarse entre sí para circular como un tren único controlado desde una cabina de conducción,

 locomotoras diseñadas de manera que varias de ellas (del tipo sujeto a evaluación) puedan incluirse en un tren único controlado desde una cabina de conducción.

h) «Explotación general»: una unidad está diseñada para explotación general cuando está destinada a acoplarse con otra unidad u otras unidades en una formación de tren que no está definida en la fase de diseño.

2.2.2.    Material rodante:

Las siguientes definiciones se clasifican en los cuatro grupos definidos en la sección 1.2 del anexo I de la Directiva 2008/57/CE.

A)  Unidades autopropulsadas térmicas o eléctricas

a) Una «rama de tren» es una formación fija que puede circular como un tren; por definición no está destinada a ser reconfigurada, excepto en un entorno de taller. Está compuesta solo de vehículos motorizados o bien de vehículos motorizados y no motorizados.

b) Una «unidad múltiple eléctrica y/o diésel» es una rama de tren en la que todos los vehículos pueden transportar carga útil (viajeros o equipaje/correo o mercancías).

c) Un «vehículo autopropulsado» es un vehículo que puede circular de manera autónoma y transportar una carga útil (viajeros o equipaje/correo o mercancías).

B)  Locomotoras o unidades de tracción térmicas o eléctricas:

Una «locomotora» es un vehículo de tracción (o una combinación de varios vehículos) que no está destinada a transportar carga útil y que puede desacoplarse de un tren en condiciones normales de servicio y circular de manera independiente.

Un «tractor de maniobras» es una unidad de tracción diseñada a ser utilizada únicamente en zonas de maniobras, estaciones y complejos ferroviarios.

La tracción en un tren también puede proporcionarla un vehículo de tracción con o sin cabina de conducción que no está destinado a desacoplarse en condiciones normales de servicio. Este vehículo se denomina «coche motriz» en general o «cabeza motriz» cuando se sitúa en un extremo de la rama y está equipado con una cabina de conducción.

C)  Coches de viajeros y otros coches relacionados con estos

Un «coche» es un vehículo sin tracción en una formación fija o variable capaz de transportar viajeros (por extensión, los requisitos aplicables a los coches según la presente ETI se considera que se aplican también a los coches-restaurante, coches-cama, coches-litera, etc.).

Un «furgón» es un vehículo sin tracción capaz de transportar una carga útil distinta a viajeros, como por ejemplo equipaje o correo, y prevista para integrarse en una formación fija o variable destinada al transporte de viajeros.

Un «remolque con cabina de conducción» es un vehículo sin tracción equipado con una cabina de conducción.

Un coche puede ir equipado con una cabina de conducción, en cuyo caso recibe el nombre de «coche con cabina de conducción».

Un furgón puede ir equipado con una cabina de conducción y en ese caso se denomina «furgón con cabina de conducción».

Un «vagón de transporte de automóviles» es un vehículo sin tracción capaz de transportar automóviles sin sus pasajeros y destinado a integrarse en un tren de viajeros.

Una «composición fija de coches» es una formación de varios coches acoplados «semipermanentemente» o que puede reconfigurarse solo cuando está fuera de servicio.

D)  Material rodante auxiliar para la construcción de infraestructuras ferroviarias y el mantenimiento

El material rodante auxiliar se corresponde con vehículos especialmente diseñados para la construcción de las vías e infraestructuras y para el mantenimiento. Este material se utiliza en diferentes modos de funcionamiento: en modo de trabajo, en modo de transporte como vehículo autopropulsado y en modo de transporte como vehículo remolcado.

Los vehículos de inspección de infraestructuras se utilizan para supervisar el estado de las infraestructuras. Se utilizan del mismo modo que los trenes de mercancías o viajeros, sin distinción entre los modos de transporte y de trabajo.

2.3.    Material rodante al que se aplica la presente ETI

2.3.1.    Tipos de material rodante

A continuación se detalla el ámbito de aplicación de la presente ETI con respecto al material rodante, clasificado en los cuatro tipos definidos en la sección 1.2 del anexo I de la Directiva 2008/57/CE:

A)  Unidades autopropulsadas térmicas o eléctricas

Este tipo incluye cualquier tren en una formación fija o predefinida, compuesto de vehículos de viajeros y/o de vehículos que no lleven viajeros.

Algunos vehículos del tren llevan instalados equipos de tracción térmica o eléctrica y el tren va equipado con, al menos, una cabina de conducción.

Exclusión del ámbito de aplicación

 Los autopropulsados o las unidades múltiples eléctricas y/o diésel destinados a circular por redes locales, urbanas o suburbanas identificadas explícitamente y funcionalmente independientes del resto del sistema ferroviario, quedan fuera del ámbito de aplicación de la presente ETI.

 El material rodante diseñado para circular principalmente por redes urbanas de metro o tranvía u otras redes de ferrocarriles ligeros, queda fuera del ámbito de aplicación de la presente ETI.

Estos tipos de material rodante podrán autorizarse a circular en partes concretas de la red ferroviaria de la Unión que estén identificadas a tal fin (debido a la configuración local de la red ferroviaria) mediante referencia al Registro de Infraestructura.

En tal caso, y siempre que se no hayan excluido de manera explícita del ámbito de aplicación de la Directiva 2008/57/CE, serán aplicables los artículos 24 y 25 de la Directiva 2008/57/CE (referentes a las normas nacionales).

B)  Locomotoras o unidades de tracción térmicas y/o eléctricas

Este tipo de material rodante incluye los vehículos de tracción que no pueden transportar una carga útil, tales como las locomotoras o los vehículos motores térmicos o eléctricos.

Estos vehículos de tracción están destinados a proporcionar la tracción para el transporte de mercancías o de viajeros, o ambos.

Exclusión del ámbito de aplicación

Los tractores de maniobras (según se definen en la sección 2.2) quedan fuera del ámbito de aplicación de la presente ETI. Cuando estén destinados a circular en la red ferroviaria de la Unión (circulación entre zonas de maniobras, estaciones y complejos ferroviarios), serán aplicables los artículos 24 y 25 de la Directiva 2008/57/CE (referentes a las normas nacionales).

C)  Coches de viajeros y otros coches relacionados con estos

 Coches de viajeros:

 Este tipo incluye vehículos sin tracción que transportan viajeros (coches, según define la sección 2.2) y circulan en una formación variable con vehículos de la categoría «locomotoras» que aportan la función de tracción, definida anteriormente.

 Vehículos que no transportan viajeros incluidos en un tren de viajeros:

 Este tipo incluye los vehículos sin tracción incluidos en trenes de viajeros (por ejemplo, furgones postales o de equipaje, vagones de transporte de automóviles, vehículos de servicio, etc.). Como vehículos relacionados con el transporte de viajeros, pertenecen al ámbito de aplicación de la presente ETI.

Exclusión del ámbito de aplicación de la presente ETI

 Los vagones de mercancías quedan excluidos del ámbito de aplicación de la presente ETI. Estos vagones están cubiertos por la ETI de «Vagones de mercancías», incluso cuando están incluidos en un tren de viajeros (la composición del tren es, en este caso, una cuestión operativa).

 Los vehículos destinados a transportar automóviles (con personas a bordo de los mismos) quedan fuera del ámbito de aplicación de la presente ETI. Cuando estén destinados a circular en la red ferroviaria de la Unión, serán aplicables los artículos 24 y 25 de la Directiva 2008/57/CE (referentes a las normas nacionales).

D)  Material rodante auxiliar para la construcción de infraestructuras ferroviarias y el mantenimiento

Este tipo de material rodante pertenecerá al ámbito de aplicación de la presente ETI solo cuando:

 circule por las vías sobre sus propias ruedas, y

 esté diseñado y destinado a poder ser detectado por un sistema de detección de trenes instalado en la vía, de cara a la gestión del tráfico, y

 en el caso del material rodante auxiliar, esté en una configuración de transporte (circulando), bien autopropulsado o remolcado.

Exclusión del ámbito de aplicación de la presente ETI

En el caso del material rodante auxiliar, la configuración de trabajo queda fuera del ámbito de aplicación de la presente ETI.

2.3.2.    Ancho de vía

La presente ETI es aplicable al material rodante que está destinado a utilizarse en redes con un ancho de vía de 1 435  mm, o en uno de los siguientes anchos de vía nominales: 1 520  mm, 1 524  mm, 1 600  mm y 1 668  mm.

2.3.3.    Velocidad máxima

Teniendo en cuenta el sistema ferroviario integrado, compuesto por varios subsistemas (en particular instalaciones fijas; véase la sección 2.1), se considera que la velocidad máxima de diseño del material rodante será inferior o igual a 350 km/h.

En caso de que la velocidad máxima de diseño sea superior a 350 km/h, se aplicará esta especificación técnica, pero deberá complementarse, para los rangos de velocidades superiores a 350 km/h (o la velocidad máxima relativa a un parámetro concreto, cuando así se especifique en el punto pertinente de la sección 4.2) hasta la velocidad máxima de diseño, mediante la aplicación del procedimiento para soluciones innovadoras, descrito en el artículo 10.

3.   REQUISITOS ESENCIALES

3.1.    Requisitos esenciales que deben cumplir los elementos del subsistema de material rodante

El cuadro siguiente indica los requisitos esenciales, según establece el anexo III de la Directiva 2008/57/CE, que son tenidos en consideración en las especificaciones establecidas en el capítulo 4 de la presente ETI.

Requisitos esenciales que deben cumplir los elementos del material rodante

Nota: Solo se enumeran los puntos de la sección 4.2 que contienen requisitos.



Cláusula

Elemento del subsistema de material rodante

Seguridad

Fiabilidad — Disponibilidad

Salud

Protección del medio ambiente

Compatibilidad técnica

4.2.2.2.2

Enganche interno

1.1.3

2.4.1

 

 

 

 

4.2.2.2.3

Enganche final

1.1.3

2.4.1

 

 

 

 

4.2.2.2.4

Enganche de rescate

 

2.4.2

 

 

2.5.3

4.2.2.2.5

Acceso del personal para el enganche y el desenganche

1.1.5

 

2.5.1

 

2.5.3

4.2.2.3

Pasarelas

1.1.5

 

 

 

 

4.2.2.4

Resistencia de la estructura del vehículo

1.1.3

2.4.1

 

 

 

 

4.2.2.5

Seguridad pasiva

2.4.1

 

 

 

 

4.2.2.6

Elevación y levante con gatos

 

 

 

 

2.5.3

4.2.2.7

Fijación de dispositivos en la estructura de caja del vehículo

1.1.3

 

 

 

 

4.2.2.8

Puertas de acceso para el personal y la carga

1.1.5

2.4.1

 

 

 

 

4.2.2.9

Características mecánicas del cristal

2.4.1

 

 

 

 

4.2.2.10

Condiciones de carga y masa

1.1.3

 

 

 

 

4.2.3.1

Gálibo

 

 

 

 

2.4.3

4.2.3.2.1

Parámetro de carga por eje

 

 

 

 

2.4.3

4.2.3.2.2

Carga por rueda

1.1.3

 

 

 

 

4.2.3.3.1

Características del material rodante para la compatibilidad con los sistemas de detección de trenes

1.1.1

 

 

 

2.4.3

2.3.2

4.2.3.3.2

Monitorización del estado de los rodamientos de los ejes

1.1.1

1.2

 

 

 

4.2.3.4.1

Seguridad contra el descarrilamiento en la circulación por vías alabeadas

1.1.1

1.1.2

 

 

 

2.4.3

4.2.3.4.2

Comportamiento dinámico en circulación

1.1.1

1.1.2

 

 

 

2.4.3

4.2.3.4.2.1

Valores límite para la seguridad en circulación

1.1.1

1.1.2

 

 

 

2.4.3

4.2.3.4.2.2

Valores límites del esfuerzo sobre la vía

 

 

 

 

2.4.3

4.2.3.4.3

Conicidad equivalente

1.1.1

1.1.2

 

 

 

2.4.3

4.2.3.4.3.1

Valores teóricos de los perfiles de las ruedas nuevas

1.1.1

1.1.2

 

 

 

2.4.3

4.2.3.4.3.2

Valores en servicio de la conicidad equivalente del eje montado

1.1.2

1.2

 

 

2.4.3

4.2.3.5.1

Diseño estructural del bastidor del bogie

1.1.1

1.1.2

 

 

 

 

4.2.3.5.2.1

Características mecánicas y geométricas de los ejes montados

1.1.1

1.1.2

 

 

 

2.4.3

4.2.3.5.2.2

Características mecánicas y geométricas de las ruedas

1.1.1

1.1.2

 

 

 

 

4.2.3.5.2.3

Ejes montados de ancho variable

1.1.1

1.1.2

 

 

 

 

4.2.3.6

Radio mínimo de las curvas

1.1.1

1.1.2

 

 

 

2.4.3

4.2.3.7

Protección quitapiedras

1.1.1

 

 

 

 

4.2.4.2.1

Frenado: requisitos funcionales

1.1.1

2.4.1

2.4.2

 

 

1.5

4.2.4.2.2

Frenado: requisitos de seguridad

1.1.1

1.2

2.4.2

 

 

 

4.2.4.3

Tipo de sistema de frenado

 

 

 

 

2.4.3

4.2.4.4.1

Mando de freno de emergencia

2.4.1

 

 

 

2.4.3

4.2.4.4.2

Mando de freno de servicio

 

 

 

 

2.4.3

4.2.4.4.3

Mando de freno directo

 

 

 

 

2.4.3

4.2.4.4.4

Mando de freno dinámico

1.1.3

 

 

 

 

4.2.4.4.5

Mando de freno de estacionamiento

 

 

 

 

2.4.3

4.2.4.5.1

Prestaciones de frenado: requisitos generales

1.1.1

2.4.1

2.4.2

 

 

1.5

4.2.4.5.2

Frenado de emergencia

1.1.2

2.4.1

 

 

 

2.4.3

4.2.4.5.3

Frenado de servicio

 

 

 

 

2.4.3

4.2.4.5.4

Cálculos relacionados con la capacidad térmica

2.4.1

 

 

 

2.4.3

4.2.4.5.5

Freno de estacionamiento

2.4.1

 

 

 

2.4.3

4.2.4.6.1

Límite del perfil de adherencia rueda-carril

2.4.1

1.2

2.4.2

 

 

 

4.2.4.6.2

Sistema de protección antideslizamiento de las ruedas

2.4.1

1.2

2.4.2

 

 

 

4.2.4.7

Freno dinámico: sistemas de frenado mediante el sistema de tracción

2.4.1

1.2

2.4.2

 

 

 

4.2.4.8.1.

Sistema de frenado independiente de las condiciones de adherencia: aspectos generales

2.4.1

1.2

2.4.2

 

 

 

4.2.4.8.2.

Freno de vía magnético

 

 

 

 

2.4.3

4.2.4.8.3

Freno de Foucault

 

 

 

 

2.4.3

4.2.4.9

Estado del freno e indicación de avería

1.1.1

1.2

2.4.2

 

 

 

4.2.4.10

Requisitos de frenado con fines de rescate

 

2.4.2

 

 

 

4.2.5.1

Sistemas sanitarios

 

 

 

1.4.1

 

4.2.5.2

Sistema de megafonía: sistema de comunicación sonora

2.4.1

 

 

 

 

4.2.5.3

Alarma de viajeros

2.4.1

 

 

 

 

4.2.5.4

Dispositivos de comunicación para los viajeros

2.4.1

 

 

 

 

4.2.5.5

Puertas exteriores: entrada en el material rodante y salida

2.4.1

 

 

 

 

4.2.5.6

Puertas exteriores: construcción del sistema

1.1.3

2.4.1

 

 

 

 

4.2.5.7

Puertas entre unidades

1.1.5

 

 

 

 

4.2.5.8

Calidad del aire interno

 

 

1.3.2

 

 

4.2.5.9

Ventanas laterales

1.1.5

 

 

 

 

4.2.6.1

Condiciones ambientales

 

2.4.2

 

 

 

4.2.6.2.1

Efecto estela en los viajeros situados en el andén y en los trabajadores situados junto a la vía

1.1.1

 

1.3.1

 

 

4.2.6.2.2

Pulso de presión por paso de la cabeza del tren

 

 

 

 

2.4.3

4.2.6.2.3

Variaciones máximas de presión en los túneles

 

 

 

 

2.4.3

4.2.6.2.4

Viento transversal

1.1.1

 

 

 

 

4.2.6.2.5

Efecto aerodinámico en vía con balasto

1.1.1.

 

 

 

2.4.3

4.2.7.1.1

Focos de cabeza

 

 

 

 

2.4.3

4.2.7.1.2

Luces de posición

1.1.1

 

 

 

2.4.3

4.2.7.1.3

Luces de cola

1.1.1

 

 

 

2.4.3

4.2.7.1.4

Mandos de las luces

 

 

 

 

2.4.3

4.2.7.2.1

Bocina: aspectos generales

1.1.1

 

 

 

2.4.3

2.6.3

4.2.7.2.2

Niveles de presión acústica de la bocina de advertencia

1.1.1

 

1.3.1

 

 

4.2.7.2.3

Protección

 

 

 

 

2.4.3

4.2.7.2.4

Mando de la bocina

1.1.1

 

 

 

2.4.3

4.2.8.1

Prestaciones de tracción

 

 

 

 

2.4.3

2.6.3

4.2.8.2

4.2.8.2.1 a 4.2.8.2.9

Alimentación eléctrica

 

 

 

 

1.5

2.4.3

2.2.3

4.2.8.2.10

Protección eléctrica del tren

2.4.1

 

 

 

 

4.2.8.3

Sistemas diésel y otros sistemas de tracción térmica

2.4.1

 

 

 

1.4.1

4.2.8.4

Protección contra los riesgos eléctricos

2.4.1

 

 

 

 

4.2.9.1.1

Cabina de conducción: aspectos generales

4.2.9.1.2

Entrada y salida

1.1.5

 

 

 

2.4.3

4.2.9.1.3

Visibilidad exterior

1.1.1

 

 

 

2.4.3

4.2.9.1.4

Distribución interior

1.1.5

 

 

 

 

4.2.9.1.5

Asiento del maquinista

 

 

1.3.1

 

 

4.2.9.1.6

Pupitre de conducción: ergonomía

1.1.5

 

1.3.1

 

 

4.2.9.1.7

Control de la climatización y calidad del aire

 

 

1.3.1

 

 

4.2.9.1.8

Iluminación interior

 

 

 

 

2.6.3

4.2.9.2.1

Parabrisas: características mecánicas

2.4.1

 

 

 

 

4.2.9.2.2

Parabrisas: características ópticas

 

 

 

 

2.4.3

4.2.9.2.3

Parabrisas: equipo

 

 

 

 

2.4.3

4.2.9.3.1

Función de control de la actividad del maquinista

1.1.1

 

 

 

2.6.3

4.2.9.3.2

Indicación de la velocidad

1.1.5

 

 

 

 

4.2.9.3.3

Pantallas y consolas del maquinista

1.1.5

 

 

 

 

4.2.9.3.4

Controles e indicadores

1.1.5

 

 

 

 

4.2.9.3.5

Marcado interior

 

 

 

 

2.6.3

4.2.9.3.6

Función de control remoto por radio por parte del personal para maniobras

1.1.1

 

 

 

 

4.2.9.4

Dotación y equipos portátiles

2.4.1

 

 

 

2.4.3

2.6.3

4.2.9.5

Almacenamiento de efectos personales de los trabajadores

4.2.9.6

Aparato registrador

 

 

 

 

2.4.4

4.2.10.2

Seguridad contra incendios: medidas de prevención de incendios

1.1.4

 

1.3.2

1.4.2

 

4.2.10.3

Medidas de detección y control de incendios

1.1.4

 

 

 

 

4.2.10.4

Requisitos aplicables a situaciones de emergencia

2.4.1

 

 

 

 

4.2.10.5

Requisitos relativos a la evacuación

2.4.1

 

 

 

 

4.2.11.2

Limpieza exterior del tren

 

 

 

 

1.5

4.2.11.3

Conexión al sistema de descarga de retretes

 

 

 

 

1.5

4.2.11.4

Equipo de recarga de agua

 

 

1.3.1

 

 

4.2.11.5

Interfaz para la recarga de agua

 

 

 

 

1.5

4.2.11.6

Requisitos especiales aplicables al estacionamiento de los trenes

 

 

 

 

1.5

4.2.11.7

Equipos de repostaje

 

 

 

 

1.5

4.2.11.8

Limpieza interior del tren: alimentación eléctrica

 

 

 

 

2.5.3

4.2.12.2

Documentación general

 

 

 

 

1.5

4.2.12.3

Documentación relacionada con el mantenimiento

1.1.1

 

 

 

2.5.1

2.5.2

2.6.1

2.6.2

4.2.12.4

Documentación sobre la explotación

1.1.1

 

 

 

2.4.2

2.6.1

2.6.2

4.2.12.5

Diagrama de elevación e instrucciones

 

 

 

 

2.5.3

4.2.12.6

Descripciones relacionadas con el rescate

 

2.4.2

 

 

2.5.3

3.2.    Requisitos esenciales no cubiertos por la presente ETI

Algunos de los requisitos esenciales clasificados como «requisitos generales» o «requisitos específicos de otros subsistemas» en el anexo III de la Directiva 2008/57/CE afectan al subsistema de material rodante; a continuación se especifican los que no están incluidos, o lo están con limitaciones, dentro del ámbito de aplicación de la presente ETI.

3.2.1.    Requisitos generales, requisitos relacionados con el mantenimiento y la explotación

La numeración de los apartados y los requisitos esenciales indicados a continuación son los establecidos en el anexo III de la Directiva 2008/57/CE.

Los requisitos esenciales no cubiertos por la presente ETI son los siguientes:

1.4.    Protección del medio ambiente

1.4.1.  «En la concepción del sistema ferroviario deben evaluarse y tenerse en cuenta las repercusiones de su implantación y explotación sobre el medio ambiente, de conformidad con la normativa comunitaria vigente.»

Este requisito esencial está cubierto por las disposiciones de la legislación Europea en vigor.

1.4.3.  «El material rodante y los sistemas de alimentación eléctrica deben concebirse y fabricarse de modo que sean compatibles desde el punto de vista electromagnético con las instalaciones, los equipos y las redes públicas y privadas con las que pudieran interferir.»

Este requisito esencial está cubierto por las disposiciones de la legislación Europea en vigor.

1.4.4.  «La explotación del sistema ferroviario debe respetarla reglamentación existente en materia de contaminación acústica.»

Este requisito esencial queda cubierto por las pertinentes disposiciones europeas en vigor (en particular, la ETI de Ruido y la ETI de Material Rodante de Alta Velocidad de 2008 hasta que todo el material rodante esté cubierto por la ETI de Ruido).

1.4.5.  «La explotación del sistema ferroviario no debe provocar en el suelo un nivel de vibraciones inadmisible para las actividades y el medio por el que discurra, en las proximidades de la infraestructura y en estado normal de mantenimiento.»

Este requisito esencial pertenece al ámbito de aplicación de la Infraestructura.

2.5    Mantenimiento

Estos requisitos esenciales son pertinentes en relación con el ámbito de aplicación de la presente ETI, según su sección 3.1, solo para la documentación técnica sobre mantenimiento relacionada con el subsistema de material rodante; pero no están cubiertos por la presente ETI en lo que se refiere a instalaciones de mantenimiento.

2.6    Explotación

Estos requisitos esenciales son pertinentes en relación con la aplicación de la presente ETI, según su sección 3.1, para la documentación sobre explotación relacionada con el subsistema de material rodante (requisitos esenciales 2.6.1 y 2.6.2) y para la compatibilidad técnica del material rodante con las normas de explotación (requisitos esenciales 2.6.3).

3.2.2.    Requisitos específicos de otros subsistemas

Para cumplir los requisitos esenciales relativos al sistema ferroviario en su conjunto son necesarios requisitos sobre otros subsistemas pertinentes.

Los requisitos sobre el subsistema de material rodante que contribuyen al cumplimiento de estos requisitos esenciales se mencionan en la sección 3.1 de la presente ETI; estos requisitos esenciales son los establecidos en las secciones 2.2.3 y 2.3.2 del anexo III de la Directiva 2008/57/CE.

Otros requisitos esenciales no están cubiertos por la presente ETI.

4.   CARACTERIZACIÓN DEL SUBSISTEMA DE MATERIAL RODANTE

4.1.    Introducción

4.1.1.    Aspectos generales

1) El sistema ferroviario de la Unión, al que se aplica la Directiva 2008/57/CE y del cual forma parte el subsistema de material rodante, es un sistema integrado cuya coherencia debe verificarse. Dicha coherencia debe ser comprobada, especialmente, en lo que se refiere a las especificaciones del subsistema de material rodante, sus interfaces con los demás subsistemas del sistema ferroviario de la Unión en el que está integrado y las normas de explotación y mantenimiento.

2) En el capítulo 4 de la presente ETI se definen los parámetros básicos del subsistema de material rodante.

3) Salvo cuando es estrictamente necesario para la interoperabilidad del sistema ferroviario de la Unión, las especificaciones funcionales y técnicas del subsistema y sus interfaces, descritas en las secciones 4.2 y 4.3, no imponen el uso de tecnologías o soluciones técnicas concretas.

4) Algunas de las características del material rodante que deben registrarse en el «Registro Europeo de Tipos Autorizados de Vehículos» (de conformidad con la Decisión pertinente de la Comisión) se describen en las secciones 4.2 y 6.2 de la presente ETI. Adicionalmente, se requiere que tales características se hagan constar en la documentación técnica del material que se describe en el punto 4.2.12 de la presente ETI.

4.1.2.    Descripción del material rodante al que se aplica la presente ETI

1) El material rodante al que se aplica la presente ETI (designado como una unidad en el contexto de la presente ETI) se describirá en el certificado «CE» de verificación utilizando una de las siguientes características:

 rama en formación fija y, en caso necesario, formación predefinida de varias ramas de las anteriores, para explotación múltiple,

 vehículo único o composición fija de vehículos prevista para formaciones predefinidas,

 vehículo único o composición fija de vehículos prevista para explotación general y, en caso necesario, formación predefinida de varios vehículos (locomotoras) para explotación múltiple.

Nota: La explotación múltiple de la unidad sometida a evaluación, con otros tipos de material rodante no pertenece al ámbito de aplicación de la presente ETI.

2) En la sección 2.2 de la presente ETI se dan las definiciones relativas a la formación de trenes y las unidades.

3) Cuando se evalúe una unidad destinada a ser usada en una o en varias formaciones fijas o predefinidas, las formaciones para las que sea válida esta evaluación serán definidas por el solicitante de la evaluación e indicadas en el certificado «CE» de verificación. La definición de cada formación incluirá la denominación del tipo de cada vehículo (o de las cajas del vehículo y de los ejes montados en caso de formación fija articulada) y su disposición en la formación. En las cláusulas 6.2.8 y 9 se proporcionan más detalles.

4) Algunas características o algunas evaluaciones de una unidad prevista para explotación general requerirán la definición de límites en lo que se refiere a las formaciones de trenes. Estos límites se establecen en la sección 4.2 y la cláusula 6.2.7.

4.1.3.    Principales categorías del material rodante para la aplicación de los requisitos de la ETI

1) En las cláusulas siguientes de la presente ETI se utiliza un sistema de categorización técnica del material rodante para definir los requisitos relevantes aplicables a una unidad.

2) La categoría o las categorías correspondientes a la unidad sujeta a la aplicación de la presente ETI serán indicadas por la parte que solicite la evaluación. Esta categorización será utilizada por el organismo notificado a cargo de la evaluación a fin de evaluar los requisitos aplicables de la presente ETI y se hará constar en el certificado «CE» de verificación.

3) Las categorías técnicas del material rodante son las siguientes:

 unidad diseñada para transportar viajeros,

 unidad diseñada para transportar carga relacionada con los viajeros (equipaje, automóviles, etc.),

 unidad diseñada para transportar otro tipo de carga (correo, mercancías, etc.) en trenes autopropulsados,

 unidad equipada con una cabina de conducción,

 unidad equipada con equipo de tracción,

 unidad eléctrica, definida como una unidad alimentada con energía eléctrica por uno o varios de los sistemas de electrificación especificados en la ETI de Energía,

 unidad de tracción térmica,

 locomotora de tren de mercancías: unidad diseñada para remolcar vagones de mercancías,

 locomotora de viajeros: unidad diseñada para remolcar coches de viajeros,

 material rodante auxiliar,

 vehículos de inspección de infraestructuras.

Una unidad puede caracterizarse por una o varias de las categorías anteriores.

4) A menos que se indique otra cosa en las cláusulas de la sección 4.2, los requisitos especificados en la presente ETI se aplican a todas las categorías técnicas de material rodante definidas anteriormente.

5) También se tendrá en cuenta la configuración operativa de la unidad, cuando esta se evalúe; se hará una distinción entre:

 una unidad que pueda explotarse como un tren,

 una unidad que no pueda explotarse de manera independiente y tenga que ir acoplada a otra u otras unidades de cara a poder explotarse como un tren (véanse también las cláusulas 4.1.2, 6.2.7 y 6.2.8).

6) La velocidad máxima de diseño de la unidad objeto de la aplicación de la presente ETI será definida por el solicitante de la evaluación. Cuando su valor sea superior a 60 km/h, será un múltiplo de 5 km/h (véase también la cláusula 4.2.8.1.2); será utilizada por el organismo notificado a cargo de la evaluación de cara a evaluar los requisitos aplicables de la presente ETI, y se hará constar en el certificado «CE» de verificación.

4.1.4.    Categorización del material rodante para la seguridad contra incendios

1) Con respecto a los requisitos de seguridad contra incendios, se definen cuatro categorías de material rodante, que se especifican en la ETI de Seguridad en los Túneles:

 categoría A de material rodante de viajeros (incluidas locomotoras de viajeros),

 categoría B de material rodante de viajeros (incluidas locomotoras de viajeros),

 locomotoras de mercancías, y unidades autopropulsadas destinadas a transportar carga útil distinta de viajeros (como correo, mercancías, vehículo de inspección de infraestructuras, etc.),

 material rodante auxiliar.

2) La compatibilidad entre la categoría de la unidad y su explotación en túneles se establece en la ETI de Seguridad en los Túneles.

3) Respecto a las unidades destinadas a transportar viajeros o remolcar coches de viajeros, y sujetas a la aplicación de la presente ETI, la categoría A es la categoría mínima que debe seleccionar el solicitante de la evaluación; los criterios para seleccionar la categoría B se especifican en la ETI de Seguridad en los Túneles.

4) Esta categorización será utilizada por el organismo notificado a cargo de la evaluación a fin de evaluar los requisitos aplicables de la cláusula 4.2.10 de la presente ETI y se hará constar en el certificado «CE» de verificación.

4.2.    Especificación funcional y técnica del subsistema

4.2.1.    Aspectos generales

4.2.1.1.    Desglose

1) Las especificaciones funcionales y técnicas del subsistema de material rodante se agrupan y clasifican en las siguientes cláusulas de esta sección:

 estructuras y partes mecánicas,

 interacción con la vía y gálibo,

 frenado,

 elementos relativos a los viajeros,

 condiciones ambientales,

 iluminación exterior y dispositivos de aviso acústico y visual,

 equipo de tracción y eléctrico,

 cabina de conducción e interfaz hombre-máquina,

 seguridad contra incendios y evacuación,

 mantenimiento diario,

 documentación para la explotación y el mantenimiento.

2) Para aspectos técnicos particulares especificados en los capítulos 4, 5 y 6, la especificación técnica y funcional hace referencia explícita a una cláusula de una norma EN o a otro documento técnico, tal como se contempla en el artículo 5, apartado 8, de la Directiva 2008/57/CE. Estas referencias se enumeran en el apéndice J de la presente ETI.

3) La información que se necesita a bordo para que el personal del tren tenga conocimiento del estado operativo del tren (estado de funcionamiento normal, equipo averiado, situación degradada, etc.) se describe en la cláusula sobre la función correspondiente y en la cláusula 4.2.12, «Documentación para la explotación y el mantenimiento».

4.2.1.2.    Puntos abiertos

1) Cuando para un aspecto técnico particular no se haya desarrollado la especificación técnica y funcional necesaria a fin de cumplir los requisitos esenciales y, por tanto, esta no se encuentre incluida en la presente ETI, se indicará en la cláusula correspondiente que este aspecto constituye un punto abierto; en el apéndice I de la presente ETI se enumeran todos los puntos abiertos, conforme establece el artículo 5, apartado 6, de la Directiva 2008/57/CE.

En el apéndice I se menciona también si los puntos abiertos se refieren a la compatibilidad técnica con la red; a este efecto, dicho anexo se divide en dos partes:

 puntos abiertos que se refieren a la compatibilidad técnica entre el vehículo y la red,

 puntos abiertos que no se refieren a la compatibilidad técnica entre el vehículo y la red.

2) Según lo dispuesto en el artículo 5, apartado 6, y el artículo 17, apartado 3, de la Directiva 2008/57/CE, los puntos abiertos se abordarán mediante la aplicación de las normas técnicas nacionales.

4.2.1.3.    Aspectos de seguridad

1) Las funciones esenciales para la seguridad están identificadas en la sección 3.1 de la presente ETI por su relación con los requisitos esenciales de «seguridad».

2) Los requisitos de seguridad relacionados con estas funciones están cubiertos por las especificaciones técnicas expresadas en las correspondientes cláusulas de la sección 4.2 (por ejemplo, «seguridad pasiva», «ruedas», etc.).

3) Cuando tales especificaciones técnicas deban complementarse por los requisitos expresados en términos de requisitos de seguridad (nivel de gravedad), estos se encuentran igualmente especificados en las cláusulas correspondientes de la sección 4.2.

4) Los equipos electrónicos y software que se utilicen para desempeñar funciones esenciales para la seguridad se desarrollarán y evaluarán según una metodología adecuada para equipos electrónicos y software relacionados con la seguridad.

4.2.2.    Estructura y partes mecánicas

4.2.2.1.    Aspectos generales

1) En esta parte se tratan los requisitos relativos al diseño de la estructura del vehículo (resistencia de la estructura del vehículo) y de las uniones mecánicas (interfaces mecánicas) entre vehículos o entre unidades.

2) La mayor parte de estos requisitos tienen por objeto asegurar la integridad mecánica del tren en circulación y en operaciones de rescate, así como proteger los compartimentos de viajeros y de personal en caso de colisión o descarrilamiento.

4.2.2.2.    Interfaces mecánicas

4.2.2.2.1.   Generalidades y definiciones

Para formar un tren (según lo definido en la sección 2.2), los vehículos se acoplan entre sí de tal manera que puedan circular juntos. El enganche es la interfaz mecánica que permite hacerlo. Hay varios tipos de acoplamiento:

1) enganche «interno» (también denominado enganche «intermedio») es el dispositivo de enganche entre vehículos destinado a formar una unidad compuesta de varios vehículos (por ejemplo, una composición fija de coches o una rama);

2) enganche final (enganche «externo») es el dispositivo de enganche empleado para acoplar dos (o varias) unidades a fin de formar un tren. Un enganche final puede ser «automático», «semiautomático» o «manual». Un enganche final puede servir para fines de rescate (véase la cláusula 4.2.2.2.4). A los efectos de la presente ETI, un enganche «manual» es un sistema de enganche final que requiere que una o varias personas se sitúen entre las unidades que deben engancharse o desengancharse mediante el acoplamiento mecánico de dichas unidades;

3) enganche de rescate es un dispositivo de enganche que permite a una unidad ser rescatada por una unidad de tracción de rescate equipada con un enganche manual «estándar» según lo dispuesto en la cláusula 4.2.2.2.3 cuando la unidad que deba rescatarse esté equipada con un sistema de enganche diferente o no esté equipada con ninguno.

4.2.2.2.2   Enganche interno

1) Los enganches internos entre los diferentes vehículos (plenamente soportados por sus propias ruedas) de una unidad llevarán incorporado un sistema que sea capaz de resistir las fuerzas generadas por las condiciones de explotación previstas.

2) Cuando el sistema de enganche interno entre vehículos tenga una resistencia longitudinal inferior a la de los enganches finales de la unidad, se tomarán medidas para el rescate de la unidad en caso de rotura de cualquiera de estos enganches internos; estas medidas se describirán en la documentación requerida en la cláusula 4.2.12.6.

3) En el caso de las unidades articuladas, la unión entre dos vehículos que compartan el mismo órgano de rodadura cumplirá con los requisitos de la especificación a la que se refiere el apéndice J-1, índice 1.

4.2.2.2.3   Enganche final

a) Requisitos generales

a-1) Requisitos aplicables a las características de enganche final

1) Cuando se dote a una unidad de enganche final en cualquiera de sus extremos, se aplicarán los siguientes requisitos a todos los tipos de enganche final (automático, semiautomático o manual):

 los enganches extremos llevarán incorporado un sistema de enganche resistente capaz de resistir las fuerzas generadas por las condiciones de explotación y de rescate previstas,

 el tipo de enganche final mecánico junto con los valores nominales de diseño de las fuerzas de tracción y compresión de este tipo de enganche y la altura sobre el nivel del carril respecto de su línea de centros de topes (unidad en condición de carga «masa de diseño en orden de trabajo» con nuevas ruedas) se registrará en la documentación técnica descrita en la cláusula 4.2.12.

2) Cuando no exista enganche en alguno de los extremos de una unidad, se dispondrá de un dispositivo que permita realizar un enganche de rescate en dicho extremo de la unidad.

a-2) Requisitos aplicables a los distintos tipos de enganche final

1) Las unidades evaluadas en una formación fija o predefinida, y cuya velocidad teórica máxima sea superior o igual a 250 km/h, estarán equipadas, en cada extremo de la formación, con un acoplador automático de tope central, geométrica y funcionalmente compatible con un «enganche automático de tope central tipo 10» (según se define en la cláusula 5.3.1); la altura sobre el nivel del carril respecto de su línea central de acoplamiento será de 1 025  mm + 15 mm /– 5 mm (medida con ruedas nuevas en condición de carga «masa de diseño en orden de trabajo»).

2) Las unidades diseñadas y evaluadas para explotación general y diseñadas para ser explotadas exclusivamente en el ancho de vía de 1 520  mm estarán equipadas con un enganche automático de tope central, el cual será geométrica y funcionalmente compatible con un «enganche SA3»; la altura sobre el nivel del carril respecto de su línea central de acoplamiento estará entre 980 mm y 1 080  mm (para todas las condiciones de carga y ruedas).

b) Requisitos aplicables al sistema de enganche «manual»

B-1) Disposiciones relativas a las unidades

1) Las siguientes disposiciones se aplican específicamente a las unidades dotadas de un sistema de enganche «manual»:

 el sistema de acoplamiento estará diseñado de manera que no se requiera presencia humana entre las unidades que deban engancharse o desengancharse mientras alguna de ellas esté en movimiento,

 para las unidades diseñadas y evaluadas para utilizarse en «explotación general» o en una «formación predefinida», y que estén equipadas con un sistema de enganche manual, dicho sistema de enganche será de tipo UIC (según se define en la cláusula 5.3.2).

2) Estas unidades cumplirán los requisitos adicionales del punto b-2.

B-2) Compatibilidad entre las unidades

En el caso de las unidades equipadas con un sistema de enganche manual de tipo UIC (según se describe en la cláusula 5.3.2) y sistema de freno neumático compatible con el tipo UIC (conforme a la cláusula 4.2.4.3), se aplicarán los siguientes requisitos:

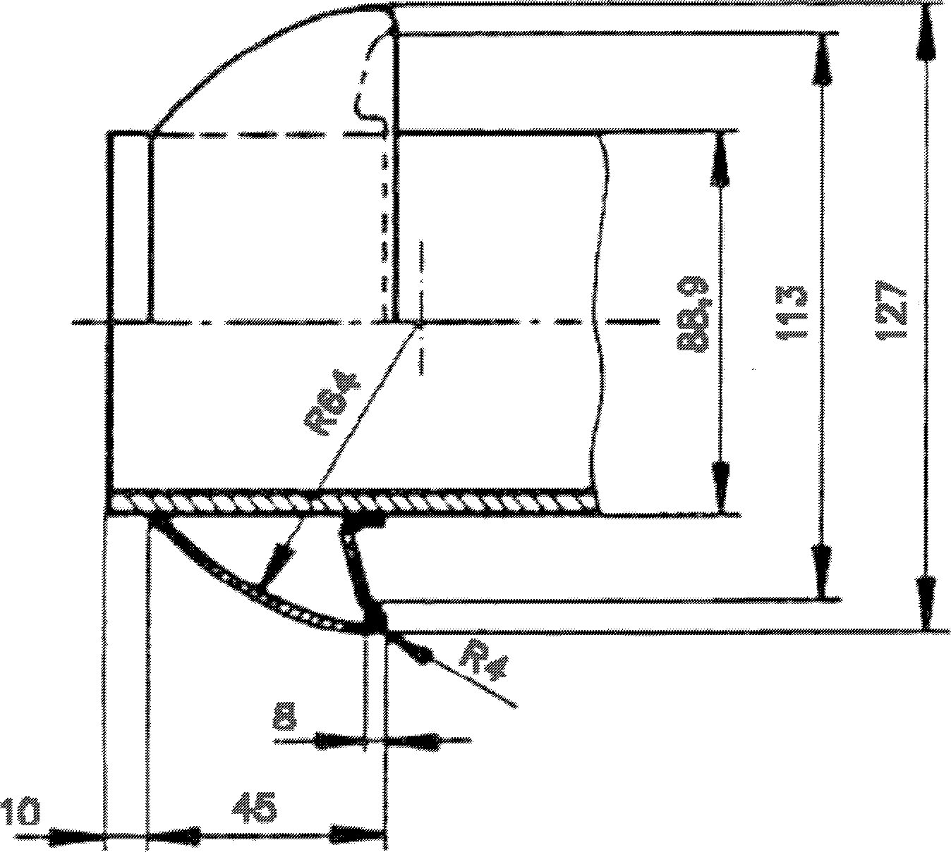
1) Los topes y el enganche de husillo se instalarán según lo dispuesto en las cláusulas 1 a 3 del apéndice A.

2) Las dimensiones y la disposición de las tuberías y mangas, los enganches y las válvulas de freno cumplirán los requisitos siguientes:

 la interfaz de la tubería del freno y la tubería del depósito principal se ajustará a la especificación a la que se refiere el apéndice J-1, índice 2,

 la boquilla de la manga de acoplamiento del freno neumático estará orientada hacia la izquierda si se mira al testero del vehículo,

 la boquilla de la manga de acoplamiento del depósito principal estará orientada hacia la derecha si se mira al testero de la unidad,

 las llaves de aislamiento serán conformes a la especificación a la que se refiere el apéndice J-1, índice 3,

 la ubicación lateral de las tuberías y válvulas del freno será compatible con los requisitos de la especificación a la que se refiere el apéndice J-1, índice 4.

4.2.2.2.4   Enganche de rescate

1) Se tomarán medidas que permitan la recuperación de la línea en caso de avería, remolcando o propulsando la unidad que deba rescatarse.

2) Cuando la unidad que deba rescatarse esté equipada con un enganche final, el rescate será posible por medio de una unidad de tracción equipada con el mismo tipo de sistema de enganche final (incluida la compatibilidad con la altura sobre el nivel del carril respecto de la línea central del enganche).

3) Para todas las unidades, el rescate será posible por medio de una unidad de recuperación, es decir, una unidad de tracción dotada en cada uno de los extremos destinados a ser usados con fines de rescate de:

a) en el caso de los anchos de vía de 1 435  mm, 1 524  mm, 1 600  mm o 1 668  mm:

 un sistema de enganche manual de tipo UIC (según se describe en las cláusulas 4.2.2.2.3 y 5.3.2) y sistema de freno neumático de tipo UIC (conforme a la cláusula 4.2.4.3),

 colocación lateral de los tubos y las válvulas del freno conforme a la especificación a la que se refiere el apéndice J-1, índice 5,

 un espacio libre de 395 mm por encima de la línea central del gancho que permita la colocación del adaptador de rescate descrito más adelante;

b) en el caso del ancho de vía de 1 520  mm:

 un acoplador automático de tope central que será geométrica y funcionalmente compatible con un «enganche SA3»; la altura sobre el nivel del carril respecto de su línea central de acoplamiento estará entre 980 mm y 1 080  mm (para todas las condiciones de carga y ruedas).

Esto se consigue mediante un sistema de enganche compatible instalado de manera permanente o bien mediante un enganche de rescate (también denominado «adaptador de rescate»). En el segundo caso, la unidad que deba evaluarse conforme a la presente ETI estará proyectada de manera que sea posible transportar el enganche de rescate a bordo.

4) El enganche de rescate (según se define en la cláusula 5.3.3) cumplirá los requisitos siguientes:

 estará proyectado de manera que permita el rescate a una velocidad de al menos 30 km/h,

 estará amarrado una vez montado en la unidad de recuperación de manera que no pueda soltarse durante la operación de rescate,

 soportará las fuerzas generadas por la condiciones de rescate previstas,

 estará proyectado de manera que no se requiera presencia humana entre la unidad de recuperación y la unidad que deba rescatarse mientras una de las dos esté en movimiento,

 ni el enganche de rescate ni ninguna manga del freno limitarán el movimiento lateral del gancho cuando este se fije a la unidad de recuperación.

5) El requisito de frenado para fines de rescate está cubierto por la cláusula 4.2.4.10 de la presente ETI.

4.2.2.2.5   Acceso del personal para el enganche y el desenganche

1) Las unidades y los sistemas de enganche final deberán estar proyectados de manera que el personal no corra riesgos indebidos durante el enganche y el desenganche ni durante las operaciones de rescate.

2) Para cumplir esta exigencia, las unidades equipadas con los sistemas de enganche manual de tipo UIC indicados en la cláusula 4.2.2.2.3, letra b), cumplirán los requisitos siguientes («el rectángulo de Berna»):

 en el caso de las unidades equipadas con enganches de husillo y topes laterales, el espacio para las operaciones del personal se ajustará a la especificación a la que se refiere el apéndice J-1, índice 6,

 si se emplea un enganche combinado automático y de husillo, la cabeza del enganche automático podrá invadir el rectángulo de Berna en el lado izquierdo cuando se encuentre abatida y se utilice el enganche de husillo,

 bajo de cada tope se instalará un pasamanos. Los pasamanos soportarán una fuerza de 1,5 kN.

3) La documentación de explotación y rescate especificada en las cláusulas 4.2.12.4 y 4.2.12.6 describirá las medidas necesarias para cumplir esta exigencia. Los Estados miembros pueden exigir también la aplicación de esos requisitos.

4.2.2.3.    Pasarelas

1) Cuando se disponga de una pasarela de intercirculación como medio para que los viajeros circulen de un vehículo a otro dentro de la misma composición, esta pasarela se adaptará a todos los movimientos relativos de los vehículos en condiciones normales de explotación, sin exponer a los viajeros a un riesgo indebido.

2) Cuando esté previsto el funcionamiento sin que la pasarela esté conectada, deberá ser posible evitar el acceso de los viajeros a esta pasarela.

3) Los requisitos aplicables a la puerta de la pasarela cuando esta no esté en uso se especifican la cláusula 4.2.5.7, «Elementos relativos a los viajeros: puertas entre unidades».

4) La ETI sobre el acceso para las personas con movilidad reducida contempla otros requisitos adicionales.

5) Los requisitos de esta cláusula no se aplican al extremo de los vehículos cuando esta zona no está prevista para uso regular por parte de los viajeros.

4.2.2.4.    Resistencia de la estructura del vehículo

1) Esta cláusula se aplica a todas las unidades, excepto al material rodante auxiliar.

2) Para el material rodante auxiliar se establecen en el apéndice C, cláusula C.1, requisitos alternativos a los indicados en la presente cláusula en cuanto a cargas estáticas, categorías y aceleraciones.

3) La resistencia estática y dinámica (fatiga) de las cajas de los vehículos es importante para asegurar el nivel de seguridad requerido para sus ocupantes y la integridad estructural de los vehículos en la explotación de los trenes y en las operaciones de maniobras. Por tanto, la estructura de cada vehículo se ajustará a los requisitos de la especificación a la que se refiere el apéndice J-1, índice 7. Las categorías de material rodante que deben tenerse en cuenta corresponderán a la categoría L para las locomotoras y cabezas motrices y las categorías PI o PII para todos los demás tipos de vehículo cubiertos por la presente ETI, definidos en la especificación a la que se refiere el apéndice J-1, índice 7, cláusula 5.2.

4) La resistencia de la estructura del vehículo podrá demostrarse mediante cálculos o mediante pruebas, o ambos, según las condiciones establecidas en la especificación a la que se refiere el apéndice J-1, índice 7, cláusula 9.2.

5) En caso de que una unidad sea diseñada para una fuerza de compresión superior a las de las categorías (requeridas anteriormente como mínimo) de la especificación a la que se refiere el apéndice J-1, índice 7, esta especificación no cubrirá la solución técnica propuesta; en tal caso podrán utilizarse para la fuerza de compresión otros documentos normativos que sean de acceso público.

De ser así, el organismo notificado verificará que los documentos normativos alternativos forman parte de un conjunto de normas técnicamente consistentes aplicables al diseño, la construcción y los ensayos de la estructura del vehículo.

El valor de la fuerza de compresión se registrará en la documentación técnica definida en la cláusula 4.2.12.

6) Las condiciones de carga consideradas serán coherentes con las definidas en la cláusula 4.2.2.10 de la presente ETI.

7) Los escenarios para la carga aerodinámica serán los descritos en la cláusula 4.2.6.2.2 de la presente ETI (paso de dos trenes).

8) Las técnicas de unión están cubiertas por los requisitos anteriores. Se establecerá un procedimiento de verificación que asegure que en la fase de producción los posibles defectos que pudieran disminuir las características mecánicas de la estructura estén controlados.

4.2.2.5.    Seguridad pasiva

1) Los requisitos especificados en esta cláusula se aplicarán a todas las unidades, a excepción de aquellas no destinadas a transportar viajeros ni personal durante su explotación y del material rodante auxiliar.

2) Para las unidades proyectadas para utilizarse en el ancho de vía de 1 520  mm, los requisitos sobre seguridad pasiva descritos en la presente cláusula se aplicarán de manera voluntaria. En caso de que el solicitante opte por aplicar los requisitos sobre seguridad pasiva descritos en esta cláusula, esto será reconocido por los Estados miembros. Los Estados miembros podrán asimismo exigir la aplicación de estos requisitos.

3) Para las locomotoras proyectadas para utilizarse en el ancho de vía de 1 524  mm, los requisitos sobre seguridad pasiva descritos en la presente cláusula se aplicarán de manera voluntaria. En caso de que el solicitante opte por aplicar los requisitos sobre seguridad pasiva descritos en esta cláusula, esto será reconocido por los Estados miembros.

4) Aquellas unidades que no puedan circular a las velocidades de colisión especificadas en cualquiera de los escenarios de colisión indicados a continuación, están exentas de las disposiciones sobre dicho escenario de colisión.

5) La seguridad pasiva está destinada a complementar la seguridad activa cuando todas las demás medidas hayan fallado. Para ello, la estructura mecánica de los vehículos dará protección a los ocupantes en caso de colisión aportando medios que:

 limiten la deceleración,

 mantengan un espacio de supervivencia así como la integridad estructural de las zonas ocupadas,

 reduzcan el riesgo de encaballamiento,

 reduzcan el riesgo de descarrilamiento y

 limiten las consecuencias de un choque con un obstáculo en la vía.

Para satisfacer estos requisitos funcionales, las unidades cumplirán los requisitos detallados especificados en la especificación a la que se refiere el apéndice J-1, índice 8, relativos a la categoría de diseño C-I de resistencia a colisiones (conforme a la especificación a la que se refiere el apéndice J-1, índice 8, cuadro 1, sección 4), a menos que se especifique otra cosa a continuación.

Se tendrán en cuenta los siguientes cuatro escenarios de colisión:

escenario 1: : un impacto frontal entre dos unidades idénticas,

escenario 2: : un impacto frontal con un vagón de mercancías,

escenario 3: : un impacto de la unidad con un vehículo de carretera de grandes dimensiones en un paso a nivel,

escenario 4: : un choque de la unidad contra un obstáculo bajo (por ejemplo, un coche en un paso a nivel, un animal, una roca, etc.).

Estos escenarios se describen en la especificación a la que se refiere el apéndice J-1, índice 8, cuadro 2 de la sección 5.

6) Dentro del ámbito de aplicación de la presente ETI, las «normas de aplicación del cuadro 2» de la especificación a la que se refiere el punto 5 anterior se completan con la disposición siguiente: la aplicación de los requisitos de los escenarios 1 y 2 a locomotoras:

 equipadas con acopladores automáticos de tope central, y

 capaces de realizar un esfuerzo de tracción superior a 300 kN

es un punto abierto.

Nota: dicho esfuerzo de tracción se exige en el caso de grandes locomotoras de mercancías.

7) Dada su arquitectura específica, en el caso de las locomotoras con una única «cabina central» se permite, como un método alternativo para demostrar el cumplimiento del requisito del escenario 3, demostrar el cumplimiento de los siguientes criterios:

 el bastidor de la locomotora está diseñado conforme a la especificación a la que se refiere el apéndice J-1, índice 8, categoría L (como ya se ha especificado en la cláusula 4.2.2.4 de la presente ETI),

 la distancia entre los topes y el parabrisas de la cabina es de al menos 2,5 m.

8) La presente ETI especifica requisitos de resistencia a colisiones dentro de su ámbito de aplicación; por consiguiente, no será aplicable el anexo A de la especificación a la que se refiere el apéndice J-1, índice 8. Los requisitos de la especificación a la que se refiere el apéndice J-1, índice 8, sección 6, se aplicarán en relación con los escenarios de colisión de referencia indicados anteriormente.

9) A fin de limitar las consecuencias de un choque con un obstáculo en la vía, los testeros delanteros de las locomotoras, las cabezas motrices, los coches con cabina de conducción y las ramas irán equipados con un deflector de obstáculos. Los requisitos que deben cumplir los deflectores de obstáculos se definen en la especificación a la que se refiere el apéndice J-1, índice 8, cuadro 3 de la sección 5 y sección 6.5.

4.2.2.6.    Elevación y levante con gatos

1) Esta cláusula se aplica a todas las unidades.

2) En el apéndice C, cláusula C.2, se especifican disposiciones adicionales sobre la elevación y el levante con gatos del material rodante auxiliar.

3) Deberá poderse elevar o levantar con gatos de manera segura cualquier vehículo que componga una unidad, tanto con fines de recuperación (tras un descarrilamiento u otro accidente o incidente) como con fines de mantenimiento. Con este fin, se dispondrá de interfaces adecuadas con la caja del vehículo (puntos de elevación/levante con gatos) que permitan la aplicación de fuerzas verticales o cuasi-verticales. El vehículo estará diseñado para permitir ser elevado o levantado con gatos de forma completa, lo que incluye los órganos de rodadura (por ejemplo, asegurando/fijando los bogies a la caja del vehículo). Asimismo, deberá poderse elevar o levantar con gatos cualquier extremo del vehículo (incluido su órgano de rodadura) mientras el otro extremo reposa sobre los demás órganos de rodadura (sean uno o varios).

4) Se recomienda diseñar los puntos de levante con gatos de manera que puedan utilizarse como puntos de elevación con todos los órganos de rodadura del vehículo unidos a la parte inferior de la caja del vehículo.

5) Los puntos de levante con gatos o de elevación se situarán de manera que permitan la elevación segura y estable del vehículo. Se dispondrá de espacio suficiente debajo y alrededor de cada punto de levante con gatos para permitir instalar con facilidad los dispositivos de rescate. Los puntos de elevación o levante con gatos se diseñarán de manera que el personal no esté expuesto a riesgos indebidos en condiciones de funcionamiento normal o cuando se utilicen equipos de rescate.

6) Cuando la parte inferior de la estructura de caja no permita disponer de puntos de levante con gatos/elevación de carácter permanente, dicha estructura estará dotada de elementos que permitan la fijación de puntos de levante con gatos/elevación desmontables durante las operaciones de encarrilamiento.

7) La geometría de los puntos de levante con gatos/elevación de carácter permanente será conforme a la especificación a la que se refiere el apéndice J-1, índice 9, cláusula 5.3; la geometría de los puntos de levante con gatos/elevación desmontables será conforme a la especificación a la que se refiere el apéndice J-1, índice 9, cláusula 5.4.

8) El marcado de los puntos de elevación se hará mediante signos que cumplan la especificación a la que se refiere el apéndice J-1, índice 10.

9) En el diseño de la estructura se tendrán en cuenta las cargas definidas en la especificación a la que se refiere el apéndice J-1, índice 11, cláusulas 6.3.2 y 6.3.3. En particular, la resistencia de la estructura del vehículo podrá demostrarse mediante cálculos o mediante pruebas, según las condiciones establecidas en la especificación a la que se refiere el apéndice J-1, índice 11, cláusula 9.2.

Podrán emplearse documentos normativos alternativos, en las mismas condiciones anteriormente definidas en la cláusula 4.2.2.4.

10) Para cada vehículo de la unidad, se incluirá un diagrama de levante con gatos y elevación y las instrucciones correspondientes en la documentación descrita en las cláusulas 4.2.12.5 y 4.2.12.6 de la presente ETI. Las instrucciones se presentarán en la medida de lo posible mediante pictogramas.

4.2.2.7.    Fijación de dispositivos en la estructura de caja del vehículo

1) Esta cláusula se aplica a todas las unidades excepto al material rodante auxiliar.

2) En el apéndice C, cláusula C.1, se especifican las disposiciones relativas a la resistencia estructural del material rodante auxiliar.

3) Los dispositivos fijados, incluidos los colocados en el interior de las zonas de viajeros, irán unidos a la estructura de la caja del vehículo de manera que se impida que se suelten y supongan un riesgo de lesiones para los viajeros o provoquen un descarrilamiento. A tal fin, las fijaciones de estos dispositivos estarán diseñadas de conformidad con la especificación a la que se refiere el apéndice J-1, índice 12, considerándose la categoría L para las locomotoras y la categoría P-I o P-II para el material rodante de viajeros.

Podrán emplearse documentos normativos alternativos, en las mismas condiciones anteriormente definidas en la cláusula 4.2.2.4.

4.2.2.8.    Puertas de acceso para el personal y la carga

1) Las puertas para uso de los viajeros están cubiertas por la cláusula 4.2.5 de la presente ETI: «Elementos relativos a los viajeros». Las puertas de cabina se tratan en la cláusula 4.2.9 de la presente ETI. Esta cláusula se ocupa de las puertas para la carga y de aquellas para el uso de la tripulación del tren que no sean las puertas de cabina.

2) Los vehículos dotados de un compartimento dedicado a la tripulación del tren o a la carga irán equipados de un dispositivo para cerrar y bloquear las puertas. Las puertas permanecerán cerradas y bloqueadas hasta que se liberen de manera intencionada.

4.2.2.9.    Características mecánicas de los cristales (distintos de los parabrisas)

1) Cuando se utilice vidrio en los cristales (incluidos los espejos), este será laminado o templado, de conformidad con una de las normas pertinentes que sean de acceso público y resulten adecuadas para aplicación ferroviaria en cuanto a la calidad y al ámbito de uso, de manera que se minimice el riesgo de que los viajeros y el personal sufran lesiones debido a una posible rotura del vidrio.

4.2.2.10.    Condiciones de carga y masa

1) Se determinarán las siguientes condiciones de carga definidas en la especificación a la que se refiere el apéndice J-1, índice 13, cláusula 2.1:

 masa de diseño bajo carga útil excepcional,

 masa de diseño bajo carga útil normal,

 masa de diseño en orden de trabajo.

2) Las hipótesis consideradas para llegar a las condiciones de carga anteriores se justificarán y documentarán en la documentación general descrita en la cláusula 4.2.12.2 de la presente ETI.

Tales hipótesis se basarán en una clasificación del material rodante (tren de alta velocidad y larga distancia, otro) y en una descripción de la carga útil (viajeros, carga útil por m2 en las zonas con transporte de viajeros de pie y zonas de servicio) coherentes con la especificación a la que se refiere el apéndice J-1, índice 13; los valores de los distintos parámetros podrán desviarse de esta norma siempre y cuando se justifiquen.

3) Para el material rodante auxiliar, podrán emplearse diferentes condiciones de carga (masa mínima, masa máxima) a fin de tener en cuenta el posible equipo opcional embarcado.

4) En la cláusula 6.2.3.1 de la presente ETI se describe el procedimiento de evaluación de la conformidad.

5) Para cada una de las condiciones de carga definidas anteriormente, se facilitará en la documentación técnica descrita en la cláusula 4.2.12 la información siguiente:

 masa total del vehículo (para cada vehículo de la unidad),

 masa por eje (para cada eje),

 masa por rueda (para cada rueda).

Nota: Para las unidades equipadas con ruedas de giro independiente, «eje» se interpretará como concepto geométrico y no como componente físico; esto es válido para la totalidad de la ETI, a menos que se especifique otra cosa.

4.2.3.    Interacción con la vía y gálibo

4.2.3.1.    Gálibo

1) Esta cláusula se ocupa de las normas relativas al cálculo y la verificación de las dimensiones del material rodante de modo que este pueda circular por una o varias infraestructuras sin riesgo de interferencia.

Para las unidades diseñadas para utilizarse en anchos de vía distintos del ancho de vía de 1 520  mm:

2) El solicitante seleccionará el perfil de referencia previsto incluyendo el perfil de referencia para las partes inferiores. El perfil de referencia se registrará en la documentación técnica definida en la cláusula 4.2.12 de la presente ETI.

3) Se demostrará que una unidad se ajusta a este perfil de referencia mediante uno de los métodos que establece la especificación a la que se refiere el apéndice J-1, índice 14.

Durante un período transitorio que finalizará tres años después de la fecha de aplicación de la presente ETI, de cara a la compatibilidad técnica con la red nacional existente estará permitido que el perfil de referencia de la unidad sea establecido de forma alternativa, de conformidad con las normas técnicas nacionales notificadas al efecto.

Sin embargo, ello no impedirá el acceso a la red nacional del material rodante conforme con la ETI.

4) En caso de declararse que la unidad cumple uno o varios de los contornos de referencia G1, GA, GB, GC o DE3, incluidos los relativos a la parte inferior GIC1, GIC2 o GIC3, según establece la especificación a la que hace referencia el apéndice J-1, índice 14, el cumplimiento se establecerá mediante el método cinemático que define la especificación a la que hace referencia el apéndice J-1, índice 14.

El cumplimiento de estos contornos de referencia se registrará en la documentación técnica definida en la cláusula 4.2.12 de la presente ETI.

5) Para las unidades eléctricas, el gálibo del pantógrafo se verificará mediante cálculo de conformidad con el apéndice J-1, índice 14, cláusula A.3.12, a fin de asegurar que la envolvente del pantógrafo se ajusta al gálibo cinemático mecánico del pantógrafo que, por su parte, se determina con arreglo al apéndice D de la ETI de Energía y depende de la geometría del arco del pantógrafo elegida: las dos posibilidades permitidas se definen en la cláusula 4.2.8.2.9.2 de la presente ETI.

La tensión de la alimentación eléctrica se tiene en cuenta en el gálibo de infraestructura a fin de asegurar las distancias de aislamiento adecuadas entre el pantógrafo y las instalaciones fijas.

6) El balanceo del pantógrafo especificado en la cláusula 4.2.10 de la ETI de Energía y utilizado para el cálculo del gálibo cinemático mecánico se justificará mediante cálculos o mediciones según lo establecido en la especificación a la que hace referencia el apéndice J-1, índice 14.

Para las unidades diseñadas para utilizarse en el ancho de vía del ancho de vía de 1 520  mm:

7) El contorno estático del vehículo estará dentro del perfil uniforme del vehículo en «T»; el contorno de referencia para la infraestructura es el gálibo «S». Este contorno se especifica en el apéndice B.

8) Para las unidades eléctricas, el gálibo del pantógrafo se verificará mediante cálculo a fin de asegurar que la envolvente del pantógrafo se ajusta al gálibo estático mecánico del pantógrafo que se define en el apéndice D de la ETI de Energía; se tendrá en cuenta la geometría del arco del pantógrafo elegida: las posibilidades permitidas se definen en la cláusula 4.2.8.2.9.2 de la presente ETI.

4.2.3.2.    Carga por eje y carga por rueda

4.2.3.2.1.   Parámetro de carga por eje

1) La carga por eje es un parámetro de la interfaz entre la unidad y la infraestructura. La carga por eje es un parámetro de las prestaciones de la infraestructura especificado en la cláusula 4.2.1 de la ETI de Infraestructura y depende del código de tráfico de la línea. Este parámetro tiene que considerarse en combinación con la distancia entre ejes, la longitud del tren y la velocidad máxima permitida para la unidad en la línea de que se trate.

2) En la documentación general que se produzca cuando se evalúe la unidad, descrita en la cláusula 4.2.12.2 de la presente ETI, se consignarán las características siguientes, que deberán utilizarse como interfaz con la infraestructura

 la masa por eje (para cada eje) para las tres condiciones de carga (definidas y requeridas como parte de la documentación en la cláusula 4.2.2.10 de la presente ETI),

 la posición de los ejes a lo largo de la unidad (distancia entre ejes),

 la longitud de la unidad,

 la velocidad máxima de diseño (que debe consignarse en la documentación según la cláusula 4.2.8.1.2 de la presente ETI).

3) Uso de esta información a escala operacional para la comprobación de la compatibilidad entre el material rodante y la infraestructura (fuera del ámbito de aplicación de la presente ETI):

La carga por eje de cada uno de los ejes de la unidad que debe utilizarse como parámetro de interfaz con la infraestructura tendrá que ser definida por la empresa ferroviaria según lo dispuesto en la cláusula 4.2.2.5 de la ETI de Explotación, considerando la carga prevista para el servicio que deba prestarse (no definida cuando se evalúa la unidad). La carga por eje en la condición de carga «masa de diseño bajo carga útil excepcional» representa el valor máximo posible de la carga por eje mencionada anteriormente. Debe tenerse en cuenta igualmente la carga máxima considerada para el diseño del sistema de frenado que se define en la cláusula 4.2.4.5.2.

4.2.3.2.2.   Carga por rueda

1) La ratio de la diferencia de carga por rueda por eje Dqj = (Ql – Qr)/(Ql + Qr) se evaluará mediante medición de la carga por rueda considerando la condición de carga «masa de diseño en orden de trabajo». Se permiten diferencias de carga por rueda superiores al 5 % de la carga por eje para ese eje montado solo si se demuestra que son aceptables mediante la prueba que acredita la seguridad contra el descarrilamiento en vías alabeadas indicada en la cláusula 4.2.3.4.1 de la presente ETI.

2) En la cláusula 6.2.3.2 de la presente ETI se describe el procedimiento de evaluación de la conformidad.

3) Para las unidades con carga por eje, en masa de diseño bajo carga útil normal, inferior o igual a 22,5 toneladas y diámetro de rueda desgastada superior o igual a 470 mm, la carga por rueda sobre el diámetro de rueda (Q/D) será inferior o igual a 0,15 kN/mm, medida para un diámetro mínimo de rueda desgastada y masa de diseño bajo carga útil normal.

4.2.3.3.    Parámetros del material rodante que influyen en los sistemas instalados en tierra

4.2.3.3.1   Características del material rodante para la compatibilidad con los sistemas de detección de trenes

1) En relación con las unidades diseñadas para ser explotadas en vías de ancho distinto al del ancho de vía de 1 520  mm, las cláusulas 4.2.3.3.1.1, 4.2.3.3.1.2 y 4.2.3.3.1.3 contemplan el conjunto de características del material rodante para la compatibilidad con los sistemas de detección de trenes que se definen como objetivo.

Se hace referencia a las cláusulas de la especificación a la que se refiere el apéndice J-2, índice 1 de la presente ETI (a la que también se refiere el anexo A, índice 77, de la ETI de Control-Mando y Señalización).

2) El conjunto de características con las que el material rodante es compatible se consignará en la documentación técnica descrita en la cláusula 4.2.12 de la presente ETI.

4.2.3.3.1.1   Características del material rodante para la compatibilidad con los sistemas de detección de trenes basados en circuitos de vía

  Geometría del vehículo

 

1) La distancia máxima entre dos ejes consecutivos se indica en la especificación a la que se refiere el apéndice J-2, índice 1, cláusula 3.1.2.1 (distancia a1 en la figura 1).

2) La distancia máxima entre el extremo del tope y el primer eje se indica en la especificación a la que se refiere el apéndice J-2, índice 1, cláusulas 3.1.2.5 y 6 (distancia b1 en la figura 1).

3) La distancia mínima entre los ejes finales de una unidad se indica en la especificación a la que se refiere el apéndice J-2, índice 1, cláusula 3.1.2.4.

  Diseño del vehículo

 

4) La carga por eje mínima en todas las condiciones de carga se indica en la especificación a la que se refiere el apéndice J-2, índice 1, cláusula 3.1.7.

5) La resistencia eléctrica entre las superficies de rodadura de las ruedas opuestas de un eje montado se indica en la especificación a la que se refiere el apéndice J-2, índice 1, cláusula 3.1.9, y el método para medirla se especifica en la misma cláusula.

6) Para las unidades eléctricas equipadas con pantógrafo, la impedancia mínima entre el pantógrafo y cada rueda del tren se indica en la especificación a la que se refiere el apéndice J-2, índice 1, cláusula 3.2.2.1.

  Emisiones de aislamiento

 

7) Las limitaciones del uso de equipo de enarenado se indican en la especificación a la que se refiere el apéndice J-2, índice 1, cláusula 3.1.4; las «características de la arena» están igualmente contempladas en dicha especificación.

En caso de que se dote de una función de enarenado automático, el maquinista podrá suspender su uso en puntos concretos de la vía cuando en las normas de explotación se identifique que dichos puntos no son compatibles con el enarenado.

8) Las limitaciones de uso de zapatas de freno de material compuesto se indican en la especificación a la que se refiere el apéndice J-2, índice 1, cláusula 3.1.6.

  EMC

 

9) Los requisitos relativos a la compatibilidad electromagnética se indican en la especificación a la que se refiere el apéndice J-2, índice 1, cláusulas 3.2.1 y 3.2.2.

10) Los niveles límite de interferencia electromagnética derivados de la corriente de tracción se indican en la especificación a la que se refiere el apéndice J-2, índice 1, cláusula 3.2.2.

4.2.3.3.1.2   Características del material rodante para la compatibilidad con los sistemas de detección de trenes basados en contadores de ejes

  Geometría del vehículo

 

1) La distancia máxima entre dos ejes consecutivos se indica en la especificación a la que se refiere el apéndice J-2, índice 1, cláusula 3.1.2.1.

2) La distancia mínima entre dos ejes consecutivos del tren se indica en la especificación a la que se refiere el apéndice J-2, índice 1, cláusula 3.1.2.2.

3) En el extremo de una unidad destinada a acoplarse, la distancia mínima entre el extremo y el primer eje de la unidad será la mitad del valor indicado en la especificación a la que se refiere el apéndice J-2, índice 1, cláusula 3.1.2.2.

4) La distancia máxima entre el extremo y el primer eje se indica en la especificación a la que se refiere el apéndice J-2, índice 1, cláusulas 3.1.2.5 y 6 (distancia b1 en la figura 1).

  Geometría de las ruedas

 

5) La geometría de las ruedas se especifica en la cláusula 4.2.3.5.2.2 de la presente ETI.

6) El diámetro mínimo de la rueda (dependiente de la velocidad) se indica en la especificación a la que se refiere el apéndice J-2, índice 1, cláusula 3.1.3.

  Diseño del vehículo

 

7) El espacio libre de metales alrededor de las ruedas se indica en la especificación a la que se refiere el apéndice J-2, índice 1, cláusula 3.1.3.5.

8) Las características del material de las ruedas en lo que se refiere a campos magnéticos se indica en la especificación a la que se refiere el apéndice J-2, índice 1, cláusula 3.1.3.6.

  EMC

 

9) Los requisitos relativos a la compatibilidad electromagnética se indican en la especificación a la que se refiere el apéndice J-2, índice 1, cláusulas 3.2.1 y 3.2.2.

10) Los niveles límite de interferencia electromagnética derivados del uso de frenos de Foucault o frenos de vía magnéticos se indican en la especificación a la que se refiere el apéndice J-2, índice 1, cláusula 3.2.3.

4.2.3.3.1.3   Características del material rodante para la compatibilidad con circuitos de isla

  Diseño del vehículo

 

1) La construcción metálica del vehículo se indica en la especificación a la que se refiere el apéndice J-2, índice 1, cláusula 3.1.7.2.

4.2.3.3.2   Monitorización del estado de los rodamientos de los ejes

1) El objetivo de la monitorización del estado de los rodamientos de los ejes es detectar deficiencias en los rodamientos de las cajas de grasa.

2) Las unidades cuya velocidad máxima de diseño sea superior o igual a 250 km/h se dotarán de equipos de detección embarcados.

3) Las unidades cuya velocidad máxima de diseño sea inferior a 250 km/h, y que estén diseñadas para utilizarse en sistemas de ancho de vía distintos del ancho de vía de 1 520  mm, la monitorización del estado de los rodamientos de los ejes se realizará mediante equipo embarcado (conforme a la especificación prevista en la cláusula 4.2.3.3.2.1) o bien mediante equipo instalado en tierra (conforme a la especificación prevista en la cláusula 4.2.3.3.2.2).

4) La dotación de un sistema embarcado o la compatibilidad con el equipo instalado en tierra se consignará en la documentación técnica descrita en la cláusula 4.2.12 de la presente ETI.

4.2.3.3.2.1.   Requisitos aplicables al equipo de detección embarcado

1) Este equipo será capaz de detectar el deterioro de cualquiera de los rodamientos de las cajas de grasa de la unidad.

2) El estado de los rodamientos será evaluado mediante la monitorización de su temperatura, de sus frecuencias dinámicas o de algún otro factor que caracterice apropiadamente el estado de los rodamientos.

3) El sistema de detección estará instalado en su totalidad a bordo de la unidad y los mensajes de diagnóstico estarán disponibles a bordo.

4) Los mensajes de diagnóstico producidos serán descritos y tenidos en cuenta en la documentación sobre la explotación que describe la cláusula 4.2.12.4 de la presente ETI y en la documentación de mantenimiento que describe la cláusula 4.2.12.3 de la presente ETI.

4.2.3.3.2.2.   Requisitos del material rodante para la compatibilidad con el equipo instalado en tierra

1) Para las unidades diseñadas para utilizarse en el sistema de 1 435  mm, la zona visible del material rodante para el equipo de tierra será la definida en la especificación a la que se refiere el apéndice J-1, índice 15.

2) Para las unidades diseñadas para utilizarse en otros anchos de vía se declara un caso específico cuando procede (norma armonizada disponible para la red en cuestión).

4.2.3.4.    Comportamiento dinámico del material rodante

4.2.3.4.1.   Seguridad contra el descarrilamiento en la circulación por vías alabeadas

1) La unidad estará diseñada de manera que pueda circular con seguridad por vías alabeadas, teniendo en cuenta particularmente la zona de transición entre la vía nivelada y la vía peraltada así como los defectos en la nivelación transversal.

2) En la cláusula 6.2.3.3 de la presente ETI se describe el procedimiento de evaluación de la conformidad.

Dicho procedimiento de evaluación de la conformidad es aplicable para cargas por eje dentro de los márgenes mencionados en la cláusula 4.2.1 de la ETI de Infraestructura y en la especificación a la que se refiere el apéndice J-1, índice 16.

No es aplicable a vehículos diseñados para cargas por eje superiores, caso que puede estar contemplado por las normas nacionales o por el procedimiento para soluciones innovadoras descrito en el artículo 10 y el capítulo 6 de la presente ETI.

4.2.3.4.2.   Comportamiento dinámico en circulación

1) La presente cláusula es aplicable a las unidades diseñadas para alcanzar una velocidad superior a 60 km/h, a excepción del material rodante auxiliar para el cual se establecen los requisitos en el apéndice C, cláusula C.3, y a excepción de las unidades diseñadas para utilizarse en el ancho de vía de 1 520  mm para el cual los requisitos correspondientes se consideran un punto abierto.

2) El comportamiento dinámico de un vehículo tiene una fuerte influencia en la seguridad en circulación y los esfuerzos sobre la vía. Se trata de una función esencial para la seguridad y está cubierta por los requisitos de la presente cláusula.

a)   Requisitos técnicos

3) La unidad circulará de manera segura y producirá un nivel aceptable de esfuerzo sobre la vía al utilizarse dentro de los límites definidos por la combinación o las combinaciones de velocidad e insuficiencia de peralte en las condiciones de referencia establecidas en el documento técnico al que se refiere el apéndice J-2, índice 2.

Esto se evaluará verificando que se respetan los valores límite especificados más adelante en las cláusulas 4.2.3.4.2.1 y 4.2.3.4.2.2 de la presente ETI; el procedimiento de evaluación de la conformidad se describe en la cláusula 6.2.3.4 de la presente ETI.

4) Los valores límite y la evaluación de la conformidad mencionados en el punto 3 son aplicables para cargas por eje dentro de los márgenes mencionados en la cláusula 4.2.1 de la ETI de Infraestructura y en la especificación a la que se refiere el apéndice J-1, índice 16.

No son aplicables a los vehículos diseñados para carga por eje superior, dado que no están definidos valores límite de esfuerzo sobre la vía armonizados; esos casos podrían estar contemplados por las normas nacionales o por el procedimiento para soluciones innovadoras descrito en el artículo 10 y el capítulo 6 de la presente ETI.

5) El informe de ensayo del comportamiento dinámico en circulación (que incluirá los límites de uso y parámetros de esfuerzo sobre la vía) se hará constar en la documentación técnica descrita en la cláusula 4.2.12 de la presente ETI.

Los parámetros de esfuerzo sobre la vía (incluidos los adicionales Ymax, Bmax y el Bqst cuando proceda) que deberán registrarse, se definen en la especificación a la que se refiere el apéndice J-1, índice 16, con las modificaciones establecidas en el documento técnico al que se refiere el apéndice J-2, índice 2.

b)   Requisitos adicionales cuando se emplee un sistema activo

6) Cuando se empleen sistemas activos (actuadores de control basados en software o controladores lógicos programables), el fallo funcional conlleva un riesgo potencial verosímil de provocar «víctimas mortales» directas en cualquiera de los siguientes escenarios:

1) fallo en el sistema activo que da lugar a un incumplimiento de los valores límite para la seguridad en circulación (según se definen conforme a las cláusulas 4.2.3.4.2.1 y 4.2.3.4.2.2);

2) fallo en el sistema activo que da lugar a que un vehículo se salga del contorno de referencia cinemático de la caja del vehículo y el pantógrafo, debido a que el ángulo de inclinación (balanceo) supone el incumplimiento de los valores asumidos establecidos en la cláusula 4.2.3.1.

Considerando la gravedad que implica la consecuencia del fallo, deberá demostrarse que existe un nivel aceptable de control del riesgo.

En la cláusula 6.2.3.5 de la presente ETI se describe la demostración del cumplimiento (procedimiento de evaluación de la conformidad).

c)   Requisitos adicionales cuando se instale un sistema de detección de inestabilidad (opción)

7) El sistema de detección de inestabilidad proporcionará información sobre la necesidad de adoptar medidas operativas (como la reducción de la velocidad, etc.) y se describirá en la documentación técnica. Las medidas operativas se describirán en la documentación técnica prevista en la cláusula 4.2.12.4 de la presente ETI.

4.2.3.4.2.1.   Valores límite para la seguridad en circulación

1) Los valores límite para la seguridad en circulación a los que se ajustará la unidad se indican en la especificación a la que se refiere el apéndice J-1, índice 17, y adicionalmente en el caso de los trenes destinados a utilizarse con una insuficiencia de peralte > 165 mm en la especificación a la que se refiere el apéndice J-1, índice 18, con las modificaciones establecidas en el documento técnico al que se refiere el apéndice J-2, índice 2.

4.2.3.4.2.2.   Valores límites del esfuerzo sobre la vía

1) Los valores límite de esfuerzo sobre la vía que la unidad debe cumplir (cuando la evaluación se lleva a cabo por el método normal) se indican en la especificación a la que se refiere el apéndice J-1, índice 19, con las modificaciones establecidas en el documento técnico al que se refiere el apéndice J-2, índice 2.

2) En caso de que los valores estimados superen los valores límite indicados anteriormente, las condiciones de explotación del material rodante (por ejemplo, la velocidad máxima, la insuficiencia de peralte) podrán ajustarse teniendo en cuenta las características de la vía (por ejemplo, el radio de curva, la sección transversal del carril, la distancia entre traviesas, los intervalos de mantenimiento de la vía).

4.2.3.4.3.   Conicidad equivalente

4.2.3.4.3.1.   Valores teóricos de los perfiles de las ruedas nuevas

1) La cláusula 4.2.3.4.3 es aplicable a todas las unidades, a excepción de las unidades diseñadas para utilizarse en un ancho de vía de 1 520  mm o de 1 600  mm para las cuales los requisitos correspondientes son un punto abierto.

2) A fin de establecer la idoneidad de un nuevo perfil de rueda propuesto para la infraestructura con arreglo a la ETI de Infraestructura, se verificarán el nuevo perfil de rueda y la distancia entre las caras activas de las ruedas respecto a los objetivos de conicidad equivalente, mediante los escenarios de cálculo indicados en la cláusula 6.2.3.6 de la presente ETI.

3) Las unidades equipadas con ruedas de giro independiente están exentas de estos requisitos.

4.2.3.4.3.2   Valores en servicio de la conicidad equivalente del eje montado

1) Las conicidades equivalentes combinadas para las que está proyectado el vehículo, verificadas mediante la demostración de la conformidad del comportamiento dinámico en circulación especificado en la cláusula 6.2.3.4 de la presente ETI, se especificarán para las condiciones en servicio en la documentación de mantenimiento conforme al punto 4.2.12.3.2, teniendo en cuenta las aportaciones de los perfiles de las ruedas y del carril.

2) Si se observa inestabilidad durante la circulación, la empresa ferroviaria y el administrador de la infraestructura realizarán una investigación conjunta para localizar la sección de la línea.

3) La empresa ferroviaria llevará a cabo mediciones de los perfiles de las ruedas y de la distancia entre las caras externas (distancia de las caras activas) de los ejes montados en cuestión. La conicidad equivalente se calculará mediante los escenarios de cálculo previstos en la cláusula 6.2.3.6 a fin de verificar que se ajusta a la conicidad equivalente máxima para la cual se diseñó y se ensayó el vehículo. Si no fuese el caso, deben corregirse los perfiles de las ruedas.

4) Si la conicidad del eje montado se ajusta a la conicidad equivalente máxima para la cual se proyectó y se ensayó el vehículo, la empresa ferroviaria y el administrador de la infraestructura realizarán una investigación conjunta para determinar las razones características de la inestabilidad.

5) Las unidades equipadas con ruedas de giro independiente están exentas de estos requisitos.

4.2.3.5.    Órganos de rodadura

4.2.3.5.1.   Diseño estructural del bastidor del bogie

1) En el caso de las unidades que incluyen un bastidor de bogie, la integridad de la estructura del bastidor del bogie, el alojamiento de la caja de grasa y de todos los equipos fijados al mismo se demostrará sobre la base de los métodos establecidos en la especificación a la que se refiere el apéndice J-1, índice 20.

2) La conexión entre la caja y el bogie se ajustará a los requisitos de la especificación a la que se refiere el apéndice J-1, índice 21.

3) Las hipótesis consideradas para evaluar las cargas debidas a la circulación de los bogies, de conformidad con la especificación a la que se refiere el apéndice J-1, índice 20 (fórmulas y coeficientes) se justificarán y documentarán en la documentación técnica descrita en la cláusula 4.2.12 de la presente ETI.

4.2.3.5.2.   Ejes montados

1) A los efectos de la presente ETI, la definición de ejes montados incluye las partes principales que aseguran la interfaz mecánica con la vía (ruedas y elementos de conexión: por ejemplo, eje transversal, eje de rueda independiente) y la partes accesorias (rodamientos del eje, cajas de grasa, transmisiones y frenos de disco).

2) El eje montado estará diseñado y fabricado mediante una metodología coherente utilizando un conjunto de casos de carga consistentes con las condiciones de carga definidas en la cláusula 4.2.2.10 de la presente ETI.

4.2.3.5.2.1.   Características mecánicas y geométricas de los ejes montados

1) Las características mecánicas de los ejes montados garantizarán el movimiento seguro del material rodante.

Las características mecánicas cubrirán:

 el montaje,

 la resistencia mecánica y las características de fatiga.

En la cláusula 6.2.3.7 de la presente ETI se describe el procedimiento de evaluación de la conformidad.

2) Las características del eje asegurarán la transmisión de las fuerzas y el par.

En la cláusula 6.2.3.7 de la presente ETI se describe el procedimiento de evaluación de la conformidad.

3) Las características del extremo del eje (interfaz entre la rueda y el órgano de rodadura) asegurarán la transmisión de las fuerzas y el par.

El procedimiento de evaluación de la conformidad se ajustará al punto 7 de la cláusula 6.2.3.7 de la presente ETI.

4) Las cajas de grasa estarán diseñadas teniendo en cuenta la resistencia mecánica y las características de fatiga.

En la cláusula 6.2.3.7 de la presente ETI se describe el procedimiento de evaluación de la conformidad.

5) Los límites de temperatura se definirán mediante ensayos y se registrarán en la documentación técnica descrita en la cláusula 4.2.12 de la presente ETI.

La monitorización del estado de los rodamientos del eje se define en la cláusula 4.2.3.3.2 de la presente ETI.

6) Las dimensiones geométricas de los ejes montados (definidas en la figura 1) se ajustarán a los valores límite especificados en el cuadro 1 para el ancho de vía pertinente.

Estos valores límite se tomarán como valores de diseño (ejes montados nuevos) y como valores límite en servicio (aplicables con fines de mantenimiento; véase también la cláusula 4.5 de la presente ETI).



Cuadro 1

Límites en servicio de las dimensiones geométricas de los ejes montados

Denominación

Diámetro de rueda D [mm]

Valor mínimo [mm]

Valor máximo [mm]

1 435 mm

Separación entre caras activas de pestaña (SR)

SR = AR + Sd,izquierda + Sd, derecha

330 ≤ D ≤ 760

1 415

1 426

760 < D ≤ 840

1 412

D > 840

1 410

Separación entre caras internas de rueda (AR)

330 ≤ D ≤ 760

1 359

1 363

760 < D ≤ 840

1 358

D > 840

1 357

1 524 mm

Separación entre caras activas de pestaña (SR)

SR = AR + Sd,izquierda + Sd, derecha

400 ≤ D < 725

1 506

1 509

D ≥ 725

1 487

1 514

Separación entre caras internas de rueda (AR)

400 ≤ D < 725

1 444

1 446

D ≥ 725

1 442

1 448

1 520 mm

Separación entre caras activas de pestaña (SR)

SR = AR + Sd,izquierda + Sd, derecha

400 ≤ D ≤ 1 220

1 487

1 509

 

 

 

Separación entre caras internas de rueda (AR)

400 ≤ D ≤ 1 220

1 437

1 443

1 600 mm

Separación entre caras activas de pestaña (SR)

SR = AR + Sd,izquierda + Sd, derecha

690 ≤ D ≤ 1 016

1 573

1 592

Separación entre caras internas de rueda (AR)

690 ≤ D ≤ 1 016

1 521

1 526

1 668 mm

Separación entre caras activas de pestaña (SR)

SR = AR + Sd,izquierda + Sd, derecha

330 ≤ D < 840

1 648

1 659

840 ≤ D ≤ 1 250

1 643

1 659

Separación entre caras internas de rueda (AR)

330 ≤ D < 840

1 592

1 596

840 ≤ D ≤ 1 250

1 590

1 596

La dimensión AR se mide a la altura de cabeza del carril. Las dimensiones AR y SR se respetarán en tara y carga. El fabricante podrá especificar en la documentación de mantenimiento tolerancias inferiores para los valores en servicio, dentro de los límites anteriores. La dimensión SR se mide a 10 mm sobre la banda de rodamiento (como se muestra en la figura 2).

image

4.2.3.5.2.2   Características mecánicas y geométricas de las ruedas

1) Las características de las ruedas garantizarán el movimiento seguro del material rodante y contribuirán a guiarlo.

En la cláusula 6.1.3.1 de la presente ETI se describe el procedimiento de evaluación de la conformidad.

2) Las dimensiones geométricas de las ruedas (definidas en la figura 2) se ajustarán a los valores límite especificados en el cuadro 2. Estos valores límite se tomarán como valores teóricos (ruedas nuevas) y como valores límite en servicio (aplicables con fines de mantenimiento; véase también la cláusula 4.5).



Cuadro 2

Límites en servicio de las dimensiones geométricas de las ruedas

Denominación

Diámetro de la rueda D (mm)

Valor mínimo

Valor máximo (mm)

Anchura de llanta (BR + Burr)

D ≥ 330

133

145

Espesor de pestaña (Sd)

D > 840

22

33

760 < D ≤ 840

25

330 ≤ D ≤ 760

27,5

Altura de pestaña (Sh)

D > 760

27,5

36

630 < D ≤ 760

29,5

330 ≤ D ≤ 630

31,5

Inclinación de la pestaña (qR)

≥ 330

6,5

 

image

3) Las unidades equipadas con ruedas de giro independiente cumplirán, además de los requisitos de la presente cláusula, relativos a las ruedas, los requisitos de la presente ETI sobre las características geométricas de los ejes montados, definidas en la cláusula 4.2.3.5.2.1.

4.2.3.5.2.3   Ejes montados de ancho variable

1) Este requisito es aplicable a las unidades equipadas con ejes montados de ancho variable que permiten pasar del ancho de vía de 1 435  mm a otro ancho de vía perteneciente al ámbito de aplicación de la presente ETI.

2) El mecanismo de cambio de ancho del eje montado asegurará que la rueda permanezca encerrojada de manera segura en la posición axial prevista.

3) Deberá poder verificarse mediante visualización externa el estado del sistema de encerrojamiento (encerrojado o desencerrojado).

4) Si el eje montado está dotado de equipo de freno, se garantizarán la posición y el bloqueo en la posición correcta de este equipo.

5) El procedimiento de evaluación de la conformidad de los requisitos especificados en la presente cláusula es un punto abierto.

4.2.3.6.    Radio mínimo de curva

1) El radio mínimo de curva a negociar será de 150 m para todas las unidades.

4.2.3.7.    Protección quitapiedras

1) Este requisito se aplica a las unidades equipadas con cabina de conducción.

2) Las ruedas estarán protegidas contra daños causados por la existencia de pequeños objetos en los carriles. Este requisito puede cumplirse mediante protecciones quitapiedras instaladas delante de las ruedas del eje delantero.

3) La altura de extremo inferior de las protecciones quitapiedras por encima del carril liso será:

 30 mm como mínimo en todas las condiciones,

 130 mm como máximo en todas las condiciones,

teniendo en cuenta especialmente el desgaste de la rueda y la compresión de la suspensión.

4) Si un deflector de obstáculos especificado en la cláusula 4.2.2.5 tiene su borde inferior a menos de 130 mm por encima del carril liso en todas las condiciones, se considera que cumple el requisito funcional de las protecciones quitapiedras y, por tanto, está permitido no colocar protecciones quitapiedras.

5) Las protecciones quitapiedras se diseñarán de manera que resistan una fuerza estática longitudinal mínima de 20 kN sin deformación permanente. Este requisito se verificará mediante cálculo.

6) Las protecciones quitapiedras se diseñarán de tal manera que, durante la deformación plástica, no obstruyan la vía ni el órgano de rodadura y que el contacto con la banda de rodadura, si se produce, no suponga un riesgo de descarrilamiento.

4.2.4.    Frenado

4.2.4.1.    Aspectos generales

1) La finalidad del sistema de frenado del tren es asegurar que la velocidad puede reducirse o mantenerse en una pendiente, o que el tren puede detenerse dentro de la distancia máxima de frenado permisible. El frenado también asegura la inmovilización del tren.

2) Los factores principales que influyen en las prestaciones del freno son la potencia de frenado (producción de la fuerza de frenado), la masa del tren, la resistencia del tren al avance, la velocidad y la adherencia disponible.

3) Las prestaciones de una unidad determinada, en el caso de unidades que circulen en varias formaciones de tren, se definirán de tal manera que, a partir de ellas, puedan obtenerse las prestaciones de frenado globales del tren.

4) Las prestaciones de frenado se determinarán mediante los perfiles de deceleración (deceleración = F (velocidad) y tiempo de respuesta equivalente).

También podrán utilizarse la distancia de parada, el porcentaje de peso-freno (también denominado «lambda» o «porcentaje de la masa frenada») y la masa frenada, y pueden obtenerse (directamente o mediante la distancia de parada) mediante cálculo a partir de los perfiles de deceleración.

Las prestaciones de frenado podrían variar con la masa del tren o vehículo.

5) Las prestaciones mínimas de frenado de un tren requeridas para que circule por una línea a una velocidad prevista depende de las características de la línea (sistema de señalización, velocidad máxima, gradientes, margen de seguridad de la línea, etc.) y es una característica de la infraestructura.

Los datos principales del tren o del vehículo que caracterizan las prestaciones de frenado están definidos en la cláusula 4.2.4.5 de la presente ETI.

4.2.4.2.    Principales requisitos funcionales y de seguridad

4.2.4.2.1.   Requisitos funcionales

Los siguientes requisitos se aplican a todas las unidades.

Las unidades estarán equipadas con:

1) una función principal de frenado utilizada durante la explotación para el frenado de servicio y de emergencia;

2) una función de frenado de estacionamiento, utilizada cuando el tren está estacionado, que permita la aplicación de una fuerza de frenado sin ninguna energía disponible a bordo durante un período de tiempo ilimitado.

La función principal de frenado del tren será:

3) continua: la señal de aplicación del freno se transmitirá de un mando central a todo el tren por una línea de control;

4) automática: cualquier interrupción accidental (pérdida de integridad, línea desactivada, etc.) de la línea de control dará lugar a la activación del freno en todos los vehículos del tren.

5) Está permitido complementar la función principal de frenado mediante otros sistemas de frenado adicionales descritos en la cláusula 4.2.4.7 (freno dinámico: sistema de frenado ligado al sistema de tracción) o en la cláusula 4.2.4.8 (sistema de frenado independiente de las condiciones de adherencia).

6) La disipación de la energía de frenado se tendrá en cuenta en el diseño del sistema de frenado y no causará ningún daño a los componentes de dicho sistema en condiciones de funcionamiento normales, lo cual se verificará mediante cálculo según lo dispuesto en la cláusula 4.2.4.5.4 de la presente ETI.

También se tendrá en cuenta en el diseño del material rodante la temperatura alcanzada en torno a los componentes del freno.

7) En el diseño del sistema de frenado se incluirán medios para supervisar y poder realizar comprobaciones según lo especificado en la cláusula 4.2.4.9 de la presente ETI.

Los requisitos indicados a continuación en la presente cláusula 4.2.4.2.1 se aplican a nivel de tren a las unidades para las cuales se han definido en la fase de diseño la formación o las formaciones de explotación (es decir, unidad evaluada en formación fija, unidad evaluada en una o varias formaciones predefinidas, locomotora explotada de manera independiente).

8) Las prestaciones de frenado serán concordantes con los requisitos de seguridad indicados en la cláusula 4.2.4.2.2 en caso de interrupción accidental de la línea de control del frenado y también en caso de interrupción del suministro de energía de frenado, interrupción del suministro eléctrico o cualquier otro fallo del abastecimiento de energía.

9) En particular, deberá haber suficiente energía de frenado disponible a bordo del tren (energía almacenada), distribuida a lo largo del tren de manera coherente con el diseño del sistema de frenado, para asegurar la aplicación de los esfuerzos de frenado requeridos.

10) En el diseño del sistema de frenado se considerarán sucesivas activaciones y liberaciones del sistema de frenado (inagotabilidad).

11) En caso de separación accidental del tren, deberán poder detenerse las dos partes del tren; no se requiere que las prestaciones de frenado en las dos partes del tren sean idénticas a las que se obtienen en modo normal.

12) En caso de interrupción del suministro de energía de frenado o de avería de la alimentación eléctrica, será posible parar y retener en posición estacionaria una unidad con carga de frenado máxima (según se define en la cláusula 4.2.4.5.2) en una rampa o pendiente del 40 ‰ aplicando únicamente el freno de fricción del sistema principal de frenado durante al menos dos horas.

13) El sistema de control de frenado de la unidad tendrá tres modos de control:

freno de emergencia : aplicación de un esfuerzo de frenado predefinido en un tiempo de respuesta máximo predefinido a fin de detener el tren con un nivel de prestaciones de frenado definido,

frenado de servicio : aplicación de un esfuerzo de frenado ajustable a fin de controlar la velocidad del tren, incluyendo la parada y la inmovilización temporal,

frenado de estacionamiento : aplicación de un esfuerzo de frenado que mantenga el tren (o el vehículo) permanentemente inmovilizado en posición estacionaria sin ninguna energía disponible a bordo.

14) Cualquier orden de activación del freno, sea cual sea el modo de control, tomará el control del sistema de frenado, incluso en el caso de una orden activa de liberación del freno; está permitido no aplicar este requisito cuando el maquinista anule intencionadamente la orden de activación del freno (por ejemplo, anulación de alarma de viajeros, desenganche, etc.).

15) Para velocidades superiores a 5 km/h, el jerk (derivada de la aceleración) máximo debido a la activación de los frenos será inferior a 4 m/s3. El comportamiento del jerk podrá obtenerse a partir del cálculo y de la evaluación del comportamiento de deceleración medido durante los ensayos de frenado (conforme a las cláusulas 6.2.3.8 y 6.2.3.9).

4.2.4.2.2.   Requisitos de seguridad

1) El sistema de frenado es el medio para detener un tren y, por tanto, contribuye al nivel de seguridad del sistema ferroviario.

Los requisitos funcionales indicados en la cláusula 4.2.4.2.1 contribuyen a asegurar el funcionamiento seguro del sistema de frenado; sin embargo, es necesario llevar a cabo un análisis de riesgos para evaluar las prestaciones de frenado, dados los diversos componentes que intervienen.

2) Para los escenarios de peligro considerados, se cumplirán los requisitos de seguridad correspondientes definidos a continuación en el cuadro 3.

Cuando este cuadro especifique una situación que revista gravedad, se demostrará que existe un nivel aceptable de control del riesgo correspondiente, considerando el fallo funcional y el riesgo potencial verosímil de provocar de forma directa la situación de gravedad definida en el cuadro.



Cuadro 3

Sistema de frenado: requisitos de seguridad

 

 

Requisito de seguridad que debe cumplirse

 

Fallo funcional con su escenario de peligro

Situación de gravedad o consecuencia asociada que debe evitarse

Número mínimo permitido de combinaciones de fallos

No 1

 

Aplicable a unidades equipadas con cabina (mando del freno)

Tras la activación de una orden de frenado de emergencia no se produce la deceleración del tren debido a una avería en el sistema de frenado (pérdida completa y permanente de la fuerza de frenado).

Nota: Debe considerarse la activación por el maquinista o por el sistema de control-mando y señalización. La activación por los viajeros (alarma) no es pertinente para el presente escenario.

Víctimas mortales

2 (no se acepta fallo único)

No 2

 

Aplicable a unidades equipadas con equipo de tracción

Tras la activación de una orden de frenado de emergencia no se produce la deceleración del tren debido a una avería en el sistema de tracción (esfuerzo de tracción ≥ esfuerzo de frenado).

Víctimas mortales

2 (no se acepta fallo único)

No 3

 

Aplicable a todas las unidades

Tras la activación de una orden de frenado de emergencia, la distancia de parada es superior a la del modo normal debido a una o varias averías en el sistema de frenado.

Nota: Las prestaciones del modo normal se definen en la cláusula 4.2.4.5.2.

No aplicable

Se identificará(n) fallo(s) en punto(s) único(s) que tenga(n) como resultado la mayor distancia de parada calculada, y se determinará el aumento de la distancia de frenado en comparación con el modo normal (sin fallo).

No 4

 

Aplicable a todas las unidades

Tras la activación de una orden de frenado de estacionamiento, no se aplica ningún esfuerzo de frenado de estacionamiento (pérdida completa y permanente de la fuerza de frenado de estacionamiento).

No aplicable

2 (no se acepta fallo único)

En el estudio de seguridad se considerarán sistemas de frenado adicionales bajo las condiciones especificadas en las cláusulas 4.2.4.7 y 4.2.4.8.

En la cláusula 6.2.3.5 de la presente ETI se describe la demostración del cumplimiento (procedimiento de evaluación de la conformidad).

4.2.4.3.    Tipo de sistema de freno

1) Las unidades diseñadas y evaluadas para condiciones de explotación general (varias formaciones de vehículos de diferentes orígenes; formación del tren no definida en la fase de diseño), en sistemas de ancho de vía distintos del ancho de vía 1 520  mm, irán equipadas con un sistema de frenado con una tubería del freno compatible con el sistema de frenado UIC. Con este fin, la especificación a la que se refiere el apéndice J-1, índice 22, «Requisitos del sistema de frenado de trenes remolcados por locomotora» especifica los principios que deben aplicarse.

Este requisito se establece para asegurar la compatibilidad técnica de la función de frenado entre vehículos de diferentes orígenes que compongan un tren.

2) No existe un requisito concreto respecto al tipo de sistema de frenado para las unidades (ramas o vehículos) evaluadas en formación fija o predefinida.

4.2.4.4.    Mando de freno

4.2.4.4.1.   Mando de freno de emergencia

1) La presente cláusula se aplica a las unidades equipadas con cabina de conducción.

2) Deberá poder disponerse de al menos dos dispositivos de mando de freno de emergencia independientes que permitan la activación del freno de emergencia mediante un único gesto sencillo del maquinista en su posición de conducción normal, con una sola mano.

La activación secuencial de estos dos dispositivos podrá considerarse en la demostración del cumplimiento del requisito no 1 del cuadro 3 de la cláusula 4.2.4.2.2.

Uno de estos dispositivos tendrá un botón pulsador rojo (seta de emergencia).

La posición de activación del freno de emergencia en estos dos dispositivos estará bloqueada automáticamente mediante un dispositivo mecánico; el desbloqueo de esta posición solo será posible mediante una actuación intencional.

3) La activación del freno de emergencia solo será posible mediante el sistema de control-mando y señalización embarcado, definido en la ETI de Control-Mando y Señalización.

4) A menos que se anule la orden, la activación del freno de emergencia dará lugar de manera permanente y automática a las siguientes actuaciones:

 transmisión de una orden de frenado de emergencia a lo largo del tren por la línea de control del freno,

 corte total del esfuerzo de tracción en menos de 2 segundos; este corte no podrá suprimirse hasta que el maquinista anule la orden de tracción,

 inhibición de todas las órdenes o actuaciones de «liberación del freno».

4.2.4.4.2   Mando de freno de servicio

1) La presente cláusula se aplica a las unidades equipadas con cabina de conducción.

2) La función de frenado de servicio permitirá que el maquinista ajuste el esfuerzo de frenado (mediante activación o liberación) entre un valor máximo y un valor mínimo dentro de un margen de al menos siete pasos (incluidos el esfuerzo de frenado máximo y la liberación del freno), a fin de controlar la velocidad del tren.

3) El mando de frenado de servicio solo estará activo en un lugar de un tren. Para cumplir este requisito, deberá poder aislarse la función de frenado de servicio del mando de freno de servicio o de los demás mandos de freno de servicio de la(s) unidad(es) de la formación de un tren, según lo definido para las formaciones fijas y predefinidas.

4) Cuando la velocidad del tren sea superior a 15 km/h, la activación del freno de servicio por parte del maquinista llevará automáticamente al corte total del esfuerzo de tracción; este corte no podrá suprimirse hasta que el maquinista anule la orden de tracción.

Notas:

 Cuando el freno de servicio y la tracción están controlados mediante regulación automática de la velocidad, no se requiere que el maquinista suprima el corte de la tracción.

 Podrá utilizarse intencionadamente un freno de fricción a una velocidad superior a 15 km/h, con tracción aplicada, y con fines específicos (descongelación, limpieza de los componentes del freno, etc.); no deberán poder utilizarse estas funciones especiales en caso de activación del freno de emergencia o de servicio.

4.2.4.4.3   Mando de freno directo

1) Las locomotoras (unidades diseñadas para remolcar vagones de mercancías o coches de viajeros) irán equipadas para su explotación general con un sistema de freno directo.

2) El sistema de freno directo permitirá la aplicación de un esfuerzo de frenado a la unidad o las unidades que interese, de manera independiente al mando de freno principal, sin que se aplique el freno a las demás unidades del tren.

4.2.4.4.4   Mando de freno dinámico

Cuando una unidad esté equipada con un sistema de freno dinámico:

1) Deberá poder evitarse el uso del frenado de recuperación en las unidades eléctricas, de tal manera que no haya retorno de energía a la línea aérea de contacto cuando se circule por una línea que no lo permita.

Véase también la cláusula 4.2.8.2.3 sobre el freno de recuperación.

2) Estará permitido utilizar un freno dinámico independientemente de los demás sistemas de frenado o de manera conjunta con otros sistemas de frenado (blending).

3) En el caso de que en las locomotoras se utilice el freno dinámico independientemente de otros sistemas de frenado, deberá ser posible limitar a valores predefinidos el valor máximo y la tasa de variación del esfuerzo de frenado.

Nota: Esta limitación se refiere a las fuerzas transmitidas a la vía cuando la(s) locomotora(s) está(n) integrada(s) en un tren. Podrá aplicarse en la explotación, determinando los valores necesarios para garantizar la compatibilidad con la línea de que se trate (p. ej., línea con alta pendiente y curvas de radio pequeño).

4.2.4.4.5   Mando de freno de estacionamiento

1) Esta cláusula se aplica a todas las unidades.

2) La orden de frenado de estacionamiento llevará a la aplicación de un esfuerzo de frenado definido durante un período de tiempo ilimitado durante el cual pudiera no existir ningún tipo de energía a bordo.

3) Deberá poderse liberar el freno de estacionamiento en parado, también con fines de rescate.

4) Para las unidades evaluadas en formaciones fijas o predefinidas y para las locomotoras evaluadas para explotación general, la orden de frenado de estacionamiento se activará automáticamente cuando se desconecte la unidad. Para otras unidades, la orden de frenado de estacionamiento se activará bien manualmente o bien automáticamente cuando se desconecte la unidad.

Nota: La aplicación del esfuerzo de frenado de estacionamiento podrá depender de la situación en que se encuentre la función del freno principal; será efectiva cuando la energía a bordo para aplicar la función del freno principal se pierda o vaya a aumentar o a disminuir (tras haberse conectado o desconectado la unidad).

4.2.4.5.    Prestaciones de frenado

4.2.4.5.1   Requisitos generales

1) Las prestaciones de frenado de la unidad (rama o vehículo) (deceleración = F (velocidad) y tiempo de respuesta equivalente) se determinarán mediante cálculo conforme a la especificación a la que se refiere el apéndice J-1, índice 23, considerándose una vía nivelada.

Cada cálculo se efectuará para diámetros de rueda correspondientes a ruedas nuevas, seminuevas y desgastadas, e incluirá el cálculo del nivel de adherencia carril-rueda necesario (véase la cláusula 4.2.4.6.1).

2) Se justificarán los coeficientes de fricción utilizados por el equipo de frenado de fricción y considerados en el cálculo (véase la especificación a la que se refiere el apéndice J-1, índice 24).

3) El cálculo de las prestaciones de frenado se hará para los dos modos de control: el frenado de emergencia y el frenado de servicio máximo.

4) El cálculo de las prestaciones de frenado se efectuará en la fase de diseño y se revisará (corrección de los parámetros) después de los ensayos físicos requeridos en las cláusulas 6.2.3.8 y 6.2.3.9, de modo que concuerde con los resultados de estas pruebas.

El cálculo final de las prestaciones de frenado (en concordancia con los resultados de los ensayos) formará parte de la documentación técnica especificada en la cláusula 4.2.12.

5) La deceleración media máxima desarrollada utilizando todos los frenos, incluido el freno, independiente de la adherencia rueda-carril, será inferior a 2,5 m/s2; este requisito está relacionado con la resistencia longitudinal de la vía.

4.2.4.5.2   Frenado de emergencia

Tiempo de respuesta

1) Para las unidades evaluadas en formación o formaciones fijas o predefinidas, el tiempo de respuesta equivalente ( *1 ) y el retardo (*1)  evaluados sobre el esfuerzo total de frenado de emergencia, desarrollado en caso de orden de frenado de emergencia, será inferior a los valores siguientes:

 tiempo de respuesta equivalente:

 

 3 segundos para las unidades de velocidad máxima de diseño superior o igual a 250 km/h

 5 segundos para otras unidades

 retardo: 2 segundos

2) Para las unidades diseñadas y evaluadas para explotación general, el tiempo de respuesta será el especificado para el sistema de frenado UIC (véase también la cláusula 4.2.4.3: el sistema de frenado será compatible con el sistema UIC).

Cálculo de la deceleración

3) Para todas las unidades, el cálculo de las prestaciones de frenado de emergencia se efectuará de acuerdo con lo dispuesto en la especificación a la que se refiere el apéndice J-1, índice 26; se determinarán el perfil de deceleración y las distancias de parada a las velocidades iniciales siguientes (si son inferiores a la velocidad máxima de diseño de la unidad): 30 km/h; 100 km/h; 120 km/h; 140 km/h; 160 km/h; 200 km/h; 230 km/h; 300 km/h y velocidad máxima de diseño de la unidad.

4) Para las unidades diseñadas y evaluadas para explotación general, también se determinará el porcentaje de peso-freno (lambda).

La especificación a la que se refiere el apéndice J-1, índice 25, cláusula 5.12, especifica cómo pueden obtenerse otros parámetros (el porcentaje de peso-freno [lambda], la masa frenada) a partir del cálculo de la deceleración o de la distancia de parada de la unidad.

5) El cálculo de las prestaciones de frenado de emergencia se efectuará con un sistema de frenado en dos modos diferentes y considerando condiciones degradadas:

  modo normal: sin ninguna avería en el sistema de frenado y con un valor nominal de los coeficientes de fricción (correspondiente a condiciones secas) utilizados por el equipo de frenado de fricción. Este cálculo proporciona el modo normal de las prestaciones de frenado,

  modo degradado: el correspondiente a los fallos considerados en la cláusula 4.2.4.2.2, riesgo no 3, y al valor nominal de los coeficientes de fricción utilizados por el equipo de frenado de fricción. En el modo degradado, se considerarán posibles fallos únicos; con ese fin, se determinarán las prestaciones de frenado de emergencia para el caso de fallos en un único punto que den lugar a la mayor distancia de parada; el fallo único asociado se especificará claramente (componente implicado y modo de fallo, así como índice de fallos si se conoce),

  condiciones degradadas: además, el cálculo de las prestaciones de frenado de emergencia se efectuará con valores reducidos del coeficiente de fricción, considerando los valores límite de temperatura y humedad (véase la especificación a la que se refiere el apéndice J-1, índice 27, cláusula 5.3.1.4).

Nota: Estos diferentes modos y condiciones tienen que considerarse especialmente cuando se instalen sistemas avanzados de control-mando y señalización (como el ETCS), con el fin de optimizar el sistema ferroviario.

6) El cálculo de las prestaciones de frenado de emergencia se hará para las tres condiciones de carga siguientes:

 carga mínima: «masa de diseño en orden de trabajo» (según se describe en la cláusula 4.2.2.10),

 carga normal: «masa de diseño bajo carga útil normal» (según se describe en la cláusula 4.2.2.10),

 carga de frenado máxima: condición de carga inferior o igual a la «masa de diseño bajo carga útil excepcional» (según se describe en la cláusula 4.2.2.10).

 En caso de que esta condición de carga sea inferior a la «masa de diseño bajo carga útil excepcional», ello deberá justificarse y documentarse en la documentación general descrita en la cláusula 4.2.12.2.

7) Se efectuarán ensayos para validar el cálculo del frenado de emergencia de acuerdo con el procedimiento de evaluación de la conformidad especificado en la cláusula 6.2.3.8.

8) Para cada condición de carga, se consignará en la documentación técnica definida en la cláusula 4.2.12.2 de la presente ETI el resultado menor (es decir, el que dé lugar a la distancia de parada más larga) de los cálculos de las «prestaciones de frenado de emergencia en modo normal» a la velocidad máxima de diseño (revisada según los resultados de los ensayos requeridos anteriormente).

9) Adicionalmente, para las unidades evaluadas en una formación fija o predefinida cuya velocidad máxima de diseño sea superior o igual a 250 km/h, la distancia de parada en el caso de las «prestaciones de frenado de emergencia en modo normal» no serán superiores a los siguientes valores para la condición de carga «carga normal»:

 5 360  m a partir de la velocidad de 350 km/h (si ≤ velocidad máxima de diseño),

 3 650  m a partir de la velocidad 300 km/h (si ≤ velocidad máxima de diseño),

 2 430  m a partir de la velocidad 250 km/h,

 1 500  m a partir de la velocidad 200 km/h.

4.2.4.5.3.   Frenado de servicio

Cálculo de la deceleración

1) Para todas las unidades, el cálculo de las prestaciones del frenado de servicio máximo se efectuará de acuerdo con la especificación a la que se refiere el apéndice J-1, índice 28, con un sistema de frenado en modo normal, con el valor nominal de los coeficientes de fricción utilizados por el equipo del freno de fricción para la condición de carga «masa de diseño bajo carga útil normal» a la velocidad máxima de diseño.

2) Se efectuarán ensayos para validar el cálculo del frenado de servicio máximo de acuerdo con el procedimiento de evaluación de la conformidad especificado en la cláusula 6.2.3.9.

Prestaciones máximas del frenado de servicio

3) Cuando el frenado de servicio tenga mayores prestaciones teóricas que el frenado de emergencia, deberán poder limitarse las prestaciones máximas del frenado de servicio (mediante el diseño del sistema de control del frenado o por medio de actividades de mantenimiento) a un nivel inferior a las prestaciones del frenado de emergencia.

Nota: Cualquier Estado miembro podrá pedir que las prestaciones del frenado de emergencia se sitúen a un nivel superior a las prestaciones máximas del frenado de servicio por razones de seguridad, pero, en cualquier caso, no podrá impedir el acceso de las empresas ferroviarias que utilicen unas prestaciones máximas de frenado de servicio superiores, a no ser que dicho Estado miembro pueda demostrar que se pone en peligro el nivel de seguridad nacional.

4.2.4.5.4   Cálculos relacionados con la capacidad térmica

1) Esta cláusula se aplica a todas las unidades.

2) Para el material rodante auxiliar (OTM), está permitido verificar este requisito mediante mediciones de temperatura en las ruedas y el equipo de frenado.

3) La capacidad de energía de frenado se verificará mediante un cálculo que muestre que el sistema de frenado en modo normal está diseñado para soportar la disipación de la energía de frenado. Los valores de referencia utilizados en este cálculo para los componentes del sistema de frenado que disipan energía estarán validados bien mediante un ensayo térmico o bien por experiencia previa.

Este cálculo incluirá un escenario consistente en dos aplicaciones sucesivas del freno de emergencia desde la velocidad máxima (el intervalo de tiempo corresponde al tiempo necesario para acelerar el tren hasta la velocidad máxima) en vía nivelada para la condición de carga «carga de frenado máxima».

Cuando se trate de una unidad que no pueda circular sola como un tren, se informará del intervalo de tiempo entre las dos aplicaciones sucesivas del freno de emergencia utilizado en el cálculo.

4) También se definirán el gradiente máximo de la línea, la longitud asociada y la velocidad de servicio para la que está diseñado el sistema de frenado en relación con la capacidad de energía térmica del freno mediante un cálculo para la condición de carga «carga de frenado máxima», usándose el freno de servicio para mantener el tren a una velocidad de servicio constante.

El resultado (gradiente máximo de la línea, longitud asociada y velocidad de servicio) se consignará en la documentación del material rodante definida en la cláusula 4.2.12 de la presente ETI.

Se propone el siguiente «caso de referencia» para la pendiente a considerar: mantener una velocidad de 80 km/h en una pendiente de gradiente constante de 21 ‰ a lo largo de una distancia de 46 km. Si se utiliza este caso de referencia, en la documentación podrá mencionarse simplemente su nivel de cumplimiento.

5) En el caso de las unidades evaluadas en formación fija o predefinida de velocidad máxima de diseño superior o igual a 250 km/h, estas se diseñarán para utilizarse con sistema de frenado en modo normal y condición de carga «carga de frenado máxima» a una velocidad igual al 90 % de la velocidad de servicio máxima, en pendientes descendentes máximas de 25 ‰, durante 10 km, y en pendientes descendentes máximas de 35 ‰, durante 6 km.

4.2.4.5.5   Freno de estacionamiento

Prestaciones

1) Toda unidad (tren o vehículo) en la condición de carga «masa de diseño en orden de trabajo» sin ningún tipo de suministro de energía y en situación estacionaria en una pendiente con un gradiente de 40 ‰ se mantendrá permanentemente inmovilizada.

2) La inmovilización se conseguirá por medio de la función de freno de estacionamiento, y por medios adicionales (por ejemplo, calces) en caso de que el freno de estacionamiento no pueda lograr las prestaciones por sí solo; los medios adicionales requeridos estarán disponibles a bordo del tren.

Cálculo:

3) Las prestaciones del frenado de estacionamiento de la unidad (tren o vehículo) se calcularán según se define en la especificación a la que se refiere el apéndice J-1, índice 29. El resultado (gradiente en el que la unidad se mantiene inmovilizada únicamente mediante el freno de estacionamiento) se consignará en la documentación técnica definida en la cláusula 4.2.12 de la presente ETI.

4.2.4.6.    Perfil de adherencia rueda-carril: sistema de protección antideslizamiento

4.2.4.6.1   Límite del perfil de adherencia rueda-carril

1) El sistema de frenado de una unidad estará diseñado de manera que las prestaciones del freno de emergencia (incluido el freno dinámico si este contribuye a las prestaciones) y las prestaciones del freno de servicio (sin freno dinámico) no asuman una adherencia rueda-carril (calculada para cada eje montado, en el intervalo de velocidad > 30 km/h y < 250 km/h) superior a 0,15 con las siguientes excepciones:

 para las unidades evaluadas en formaciones fijas o predefinidas que tengan 7 ejes o menos, la adherencia rueda-carril calculada no será superior a 0,13,

 para las unidades evaluadas en formaciones fijas o predefinidas que tengan 20 ejes o más, será permisible que la adherencia rueda-carril calculada para el caso de «carga mínima» sea superior a 0,15, pero no será superior a 0,17;

Nota: Para el caso «carga normal» no se contemplan excepciones; es de aplicación el valor límite de 0,15.

Este número mínimo de ejes podrá reducirse a 16 si el ensayo requerido en la sección 4.2.4.6.2 relativa a la eficiencia del sistema antideslizamiento de las ruedas se efectúa para el caso de «carga mínima» y da un resultado positivo.

En el intervalo de velocidad > 250 km/h y < = 350 km/h, los tres valores límite anteriores disminuirán linealmente hasta reducirse en 0,05 a 350 km/h.

2) El requisito anterior se aplicará también para el mando de freno directo descrito en la cláusula 4.2.4.4.3.

3) El diseño de una unidad no asumirá una adherencia rueda-carril superior a 0,12 cuando se calculen las prestaciones del freno de estacionamiento.

4) Estos límites de adherencia rueda-carril se verificarán mediante cálculo con el diámetro de rueda más pequeño y con las tres condiciones de carga consideradas en la cláusula 4.2.4.5.2.

Todos los valores de adherencia se redondearán a dos decimales.

4.2.4.6.2.   Sistema de protección antideslizamiento de las ruedas

1) La protección antideslizamiento de las ruedas (WSP) es un sistema diseñado para aprovechar al máximo la adherencia disponible mediante una reducción y un restablecimiento controlados del esfuerzo de frenado, a fin de evitar que los ejes montados se bloqueen y se deslicen descontroladamente, con lo que se minimiza el aumento de la distancia de parada y los posibles daños en las ruedas.

Requisitos sobre la presencia y la utilización de un sistema de protección antideslizamiento de las ruedas en la unidad:

2) Las unidades diseñadas para una velocidad de servicio máxima superior a 150 km/h estarán equipadas con un sistema de protección antideslizamiento de las ruedas.

3) Las unidades equipadas con zapatas de freno que actúen sobre la superficie de rodadura de la rueda, con unas prestaciones de frenado que supongan, en el intervalo de velocidad > 30 km/h, una adherencia rueda-carril calculada superior a 0,12, irán equipadas con un sistema de protección antideslizamiento de las ruedas.

Las unidades no equipadas con zapatas de freno que actúen sobre la superficie de rodadura de la rueda, con unas prestaciones de frenado que supongan, en el intervalo de velocidad > 30 km/h, una adherencia rueda-carril calculada superior a 0,11, irán equipadas con un sistema de protección antideslizamiento de las ruedas.

4) El requisito anterior sobre el sistema de protección antideslizamiento de las ruedas se aplicará a los dos modos de frenado siguientes: el frenado de emergencia y el frenado de servicio.

También se aplicará al sistema de frenado dinámico, que forma parte del frenado de servicio, y puede formar parte del frenado de emergencia (véase la cláusula 4.2.4.7).

Requisitos de las prestaciones del sistema de protección antideslizamiento de las ruedas:

5) Las unidades equipadas con un sistema de freno dinámico dispondrán de un sistema de protección antideslizamiento de las ruedas (si debe estar presente según lo dispuesto en el punto anterior) que controlará el esfuerzo de frenado dinámico; en caso de que no se disponga del sistema de protección antideslizamiento de las ruedas, el esfuerzo de frenado dinámico quedará inhibido o limitado a fin de no dar lugar a una exigencia de adherencia rueda-carril superior a 0,15.

6) El sistema de protección antideslizamiento de las ruedas estará diseñado conforme a la especificación a la que se refiere el apéndice J-1, índice 30, cláusula 4, y verificado de conformidad con la metodología definida en la cláusula 6.1.3.2.

7) Requisitos sobre prestaciones a nivel de unidad:

En caso de que una unidad esté equipada con un sistema de protección antideslizamiento de las ruedas, se efectuará un ensayo para verificar la eficiencia de este sistema (máximo aumento del valor de la distancia de parada en comparación con la máxima distancia de parada sobre carril seco) cuando esté integrado en la unidad; el procedimiento de evaluación de la conformidad se especifica en la cláusula 6.2.3.10.

En el análisis de seguridad de la función de frenado de emergencia requerido según la cláusula 4.2.4.2.2, se considerarán los componentes pertinentes del sistema de protección antideslizamiento de las ruedas.

8) Sistema de supervisión de giro de las ruedas (WRM)

Las unidades de velocidad máxima de diseño superior o igual a 250 km/h estarán equipadas con un sistema de supervisión de giro de las ruedas que avise al maquinista si se agarrota un eje; el sistema de supervisión de giro de las ruedas estará diseñado conforme a la especificación a la que se refiere en el apéndice J-1, índice 30, cláusula 4.2.4.3.

4.2.4.7.    Freno dinámico: sistema de frenado ligado al sistema de tracción

Cuando las prestaciones de frenado del freno dinámico o del sistema de frenado ligado al sistema de tracción se incluyan en las prestaciones del frenado de emergencia en modo normal, definidas en la cláusula 4.2.4.5.2, el freno dinámico o el sistema de frenado ligado a la tracción:

1) deberá estar gestionado por la línea de control del sistema de freno principal (véase la cláusula 4.2.4.2.1);

2) deberá estar sujeto a un análisis de seguridad que cubra el riesgo de que «tras la activación de la orden de emergencia, se produzca una pérdida completa del esfuerzo de frenado dinámico».

Dicho análisis de seguridad se considerará en el análisis de seguridad exigido por el requisito de seguridad no 3 establecido en la cláusula 4.2.4.2.2 para la función de frenado de emergencia.

En el caso de las unidades eléctricas, cuando la presencia a bordo de la unidad de la tensión proporcionada por un sistema de alimentación externo sea una condición para la aplicación del freno dinámico, el análisis de seguridad cubrirá las averías que den lugar a la pérdida de dicha tensión a bordo de la unidad.

En caso de que el riesgo anterior no se encuentre controlado al nivel del material rodante (avería del sistema de alimentación externo), las prestaciones de frenado del freno dinámico o del sistema de frenado ligado al sistema de tracción no se incluirán en las prestaciones del frenado de emergencia en modo normal definidas en la cláusula 4.2.4.5.2

4.2.4.8.    Sistema de frenado independiente de las condiciones de adherencia

4.2.4.8.1.   Aspectos generales

1) Los sistemas de freno capaces de desarrollar un esfuerzo de frenado aplicado sobre el carril, independiente de las condiciones de adherencia rueda-carril, son un medio para proporcionar unas prestaciones de frenado adicionales, cuando las prestaciones solicitadas son superiores a las correspondientes al límite de la adherencia rueda-carril disponible (véase la cláusula 4.2.4.6).

2) Es admisible incluir, en las prestaciones de frenado en modo normal, la aportación de los frenos independientes de la adherencia rueda-carril definida en la cláusula 4.2.4.5 para el freno de emergencia; en tal caso, el sistema de freno independiente de la adherencia:

3) deberá estar gestionado por la línea de control del sistema de freno principal (véase la cláusula 4.2.4.2.1);

4) deberá estar sujeto a un análisis de seguridad que cubra el riesgo de que «tras la activación de la orden de emergencia, se produzca una pérdida completa del esfuerzo de frenado independiente de la adherencia rueda-carril».

Dicho análisis de seguridad se considerará en el análisis de seguridad exigido por el requisito de seguridad no 3 establecido en la cláusula 4.2.4.2.2 para la función de frenado de emergencia.

4.2.4.8.2   Freno de vía magnético

1) En la cláusula 4.2.3.3.1 de la presente ETI se hace referencia a los requisitos de los frenos magnéticos especificados por el subsistema de control-mando y señalización.

2) Está permitido utilizar un freno de vía magnético como freno de emergencia, según lo indicado en la ETI de Infraestructura, cláusula 4.2.6.2.2.

3) Las características geométricas de los elementos extremos del imán en contacto con el carril serán los especificados para uno de los tipos descritos en la especificación a la que se refiere el apéndice J-1, índice 31.

4) No se utilizará el freno de vía magnético a velocidades superiores a 280 km/h.

4.2.4.8.3   Freno de Foucault

1) La presente cláusula se aplica solo al freno de Foucault que genera un esfuerzo de frenado entre el material rodante y el carril.

2) En la cláusula 4.2.3.3.1 de la presente ETI se hace referencia a los requisitos de los frenos de Foucault especificados por el subsistema de control-mando y señalización.

3) Las condiciones de uso de los frenos de Foucault en cada línea no están armonizadas (en lo que respecta a su efecto en el calentamiento del carril y el esfuerzo vertical).

Por lo tanto, los requisitos que deben cumplir los frenos de Foucault son un punto abierto

4) Hasta que no se resuelva el punto abierto, los valores de la fuerza longitudinal máxima de frenado, aplicada a la vía por los frenos de Foucault, especificados en la cláusula 4.2.4.5 de la ETI de Material Rodante de Alta Velocidad de 2008 para velocidades >= 50 km/h, se consideran compatibles con las líneas de alta velocidad.

4.2.4.9.    Estado del freno e indicación de avería

1) La información disponible para el personal del tren permitirá identificar las condiciones degradadas relativas al material rodante (prestaciones de frenado inferiores a las requeridas), a las cuales se aplican normas de explotación específicas. Con este fin, en ciertas fases de la explotación, el personal del tren deberá poder detectar la situación (aplicado, liberado o aislado) del sistema de freno principal (de emergencia y de servicio) y del sistema de freno de estacionamiento, y la situación de cada una de sus partes (incluidos uno o varios órganos de accionamiento) que puedan controlarse y/o aislarse de manera independiente.

2) Si el freno de estacionamiento siempre depende directamente de la situación del sistema de freno principal, no se requiere una indicación específica adicional para el sistema de freno de estacionamiento.

3) Las fases que deberán tomarse en consideración durante el servicio son las de tren parado y tren en circulación.

4) Cuando el tren esté parado, el personal del tren deberá poder comprobar desde dentro o desde fuera del tren:

 la continuidad de la línea de mando-control del freno,

 la disponibilidad del suministro de energía de frenado,

 la situación del freno principal y de los sistemas de freno de estacionamiento, así como la situación de cada parte de estos sistemas (incluidos uno o varios órganos de accionamiento) que pueda controlarse y/o aislarse de manera independiente (según lo descrito anteriormente en el primer párrafo de esta cláusula), excepto para el freno dinámico y el sistema de frenado ligado a los sistemas de tracción.

5) Cuando el tren esté en circulación, el maquinista deberá poder comprobar desde la posición de conducción en la cabina:

 la situación de la línea de mando-control del freno,

 la situación del suministro de energía al freno del tren,

 la situación del freno dinámico y del sistema de frenado ligado al sistema de tracción, cuando se tengan en cuenta en las prestaciones del frenado de emergencia en modo normal,

 la situación de aplicado o liberado de al menos una parte (órgano de accionamiento) del sistema de freno principal, que se controle de manera independiente (por ejemplo, una parte instalada en el vehículo equipado con una cabina activa).

6) La función que aporta la información descrita anteriormente al personal del tren es una función esencial para la seguridad, ya que es utilizada por el personal para evaluar las prestaciones de frenado del tren.

Cuando la información local sea aportada por indicadores, el uso de indicadores armonizados asegurará el nivel de seguridad requerido.

Cuando se cuente con un sistema de control centralizado que permita al personal del tren efectuar todas las comprobaciones desde un lugar (es decir, desde el interior de la cabina de conducción), dicho sistema deberá someterse a un estudio de fiabilidad en el que se considere el modo de fallo de los componentes, redundancias, comprobaciones periódicas y otras disposiciones. Sobre la base de este estudio, se definirán las condiciones de explotación del sistema de control centralizado y se indicarán en la documentación de explotación descrita en la cláusula 4.2.12.4.

7) Aplicabilidad a unidades destinadas a explotación general:

Sólo se considerarán las funciones que sean pertinentes por las características de diseño de la unidad (por ejemplo, la existencia de una cabina, etc.).

La transmisión de señales requerida, en su caso, entre la unidad y las demás unidades acopladas en un tren, para la información sobre el sistema de frenado de la que debe disponerse al nivel del tren, se documentará teniendo en cuenta los aspectos funcionales.

La presente ETI no impone ninguna solución técnica respecto a las interfaces físicas entre unidades.

4.2.4.10.    Requisitos de frenado con fines de rescate

1) Todos los frenos (de emergencia, de servicio y de estacionamiento) irán equipados con dispositivos que permitan su liberación y aislamiento. Estos dispositivos serán accesibles y funcionales independientemente de si el tren o vehículo está alimentado o no, o si está inmovilizado sin energía disponible a bordo.

2) Para las unidades destinadas a utilizarse en anchos de vía que no sean el de 1 520  mm, deberá ser posible, tras una avería durante la explotación, rescatar un tren que no disponga de energía a bordo mediante una unidad de recuperación de tracción equipada con un sistema de freno neumático compatible con el sistema de frenado UIC (tubería del freno como línea de control-mando de frenado).

Nota: Véanse en la cláusula 4.2.2.2.4 de la presente ETI las interfaces mecánicas y neumáticas de la unidad de recuperación.

3) Durante el rescate, deberá poderse controlar una parte del sistema de frenado del tren rescatado por medio de un dispositivo de interfaz. A fin de cumplir este requisito, está permitido apoyarse en la corriente de baja tensión aportada por una batería para alimentar los circuitos de control del tren rescatado.

4) Las prestaciones de frenado desarrolladas por el tren rescatado en este modo de funcionamiento particular serán evaluadas mediante cálculo, pero no es obligatorio que sean las mismas que las descritas en la cláusula 4.2.4.5.2. Las prestaciones de frenado calculadas y las condiciones de servicio de rescate formarán parte de la documentación técnica descrita en la cláusula 4.2.12.

5) Este requisito no se aplica a las unidades que se utilicen en una formación de tren de menos de 200 toneladas (condición de carga «masa de diseño en orden de trabajo»).

4.2.5.    Elementos relativos a los viajeros

Con fines puramente informativos, se da a continuación una lista no exhaustiva que aporta una visión general de los parámetros básicos cubiertos por la ETI de Personas con Movilidad Reducida, que son aplicables a las unidades destinadas al transporte de viajeros:

 asientos, incluidos los asientos prioritarios,

 espacios para sillas de ruedas,

 puertas exteriores, incluidas las dimensiones, interfaz de pasajeros para controles,

 puertas interiores, incluidas las dimensiones, interfaz de pasajeros para controles,

 retretes,

 pasos libres,

 iluminación,

 información al cliente,

 cambios en la altura del suelo,

 pasamanos,

 dormitorios accesibles en silla de ruedas,

 posición de los peldaños para subir y bajar del vehículo, incluidos los peldaños y los dispositivos de ayuda al embarque.

Otros requisitos complementarios se especifican más adelante en esta cláusula:

4.2.5.1.    Sistemas sanitarios

1) Si en una unidad hay un grifo de agua, y esta no cumple con lo dispuesto en la Directiva 98/83/CE del Consejo ( 3 ), se indicará mediante una señal visual que el agua de ese grifo no es potable.

2) Cuando la unidad vaya equipada con sistemas sanitarios (retretes, lavabos, instalaciones en coches cafetería/restaurante), estos no permitirán la emisión de ninguna sustancia que pueda ser nociva para la salud o para el medio ambiente. Las sustancias emitidas (es decir, el agua tratada; excluyendo el agua con jabón que salga directamente de los lavabos) deberán cumplir lo dispuesto en las siguientes Directivas:

 el contenido en bacterias del agua vertida por los sistemas sanitarios no superará en ningún momento el valor considerado como «bueno» en aguas interiores para las bacterias intestinales Enterococci y Escherichia coli por la Directiva 2006/7/CE del Parlamento Europeo y del Consejo ( 4 ), relativa a la gestión de la calidad de las aguas de baño,

 los procesos de tratamiento no introducirán sustancias que estén indicadas en el anexo I de la Directiva 2006/11/CE del Parlamento Europeo y del Consejo ( 5 ), relativa a la contaminación causada por determinadas sustancias peligrosas vertidas en el medio acuático de la Unión.

3) Para limitar la dispersión del líquido vertido a la vía, el vertido incontrolado de cualquier fuente tendrá lugar solo hacia abajo, por debajo del bastidor de la caja del vehículo, dentro de una distancia no superior a 0,7 m de la línea central longitudinal del vehículo.

4) En la documentación técnica descrita en la cláusula 4.2.12 figurará lo siguiente:

 la existencia y el tipo de retretes de una unidad,

 las características del medio de limpieza de las cisternas, si no es agua limpia,

 la naturaleza del sistema de tratamiento del agua vertida y las normas según las cuales se ha evaluado su conformidad.

4.2.5.2.    Sistema de comunicación sonora

1) Esta cláusula se aplica a todas las unidades diseñadas para transportar viajeros y a las diseñadas para remolcar trenes de viajeros.

2) Los trenes irán equipados, como mínimo, con un medio de comunicación sonora:

 para que la tripulación del tren se dirija a los viajeros,

 para las comunicaciones internas de la tripulación del tren, sobre todo entre el maquinista y, en su caso, el personal que atiende las zonas de viajeros.

3) Estos equipos podrán permanecer en espera y funcionar con independencia de la fuente de alimentación principal durante al menos tres horas. Durante el tiempo de espera, el equipo deberá poder funcionar a intervalos y períodos aleatorios durante un tiempo acumulado de treinta minutos.

4) El sistema de comunicación se diseñará de tal modo que al menos la mitad de sus altavoces (distribuidos por todo el tren) sigan funcionando en caso de avería en uno de sus elementos de transmisión, o bien se dispondrá de otro medio alternativo para informar a los viajeros en caso de avería.

5) En las cláusulas 4.2.5.3 (alarma de viajeros) y 4.2.5.4 (dispositivos de comunicación para los viajeros) figuran disposiciones que se aplicarán cuando los viajeros necesiten comunicarse con la tripulación del tren.

6) Aplicabilidad a unidades destinadas a explotación general:

Sólo se considerarán las funciones que sean pertinentes por las características de diseño de la unidad (por ejemplo, la existencia de una cabina, de un sistema de interfaz con la tripulación, etc.).

La transmisión de señales requerida entre la unidad y las demás unidades acopladas en un tren, para el sistema de comunicación del que debe disponerse al nivel del tren, se documentará y ejecutará teniendo en cuenta aspectos funcionales.

La presente ETI no impone ninguna solución técnica respecto a las interfaces físicas entre unidades.

4.2.5.3.    Alarma de viajeros

4.2.5.3.1   Aspectos generales

1) Esta cláusula se aplica a todas las unidades diseñadas para transportar viajeros y a las diseñadas para remolcar trenes de viajeros.

2) La función de la alarma de viajeros permite, a cualquier persona que se encuentre en el tren, avisar al maquinista de un peligro potencial y su activación tiene consecuencias a nivel de explotación (por ejemplo, iniciación del frenado cuando no se produzca ninguna reacción por parte del maquinista); es una función relacionada con la seguridad, cuyos requisitos, incluidos los aspectos de seguridad, se establecen en la presente cláusula.

4.2.5.3.2   Requisitos sobre las interfaces de información

1) Con la excepción de los retretes y las pasarelas, todos los compartimentos, todos los vestíbulos de entrada y todas las demás zonas separadas destinadas a los viajeros irán equipados con al menos un dispositivo de alarma claramente visible e indicado para informar al maquinista de un peligro potencial.

2) El dispositivo de alarma estará diseñado de tal manera que una vez activado no pueda ser anulado por los viajeros.

3) Cuando se dispare la alarma de viajeros, aparecerán señales visuales y acústicas que indiquen al maquinista que se han activado una o más alarmas de viajeros.

4) Se instalará un dispositivo en la cabina que permita al maquinista indicar que es consciente de que se ha activado la alarma. Esa respuesta del maquinista se percibirá en el lugar donde se haya disparado la alarma de viajeros y pondrá fin a la señal acústica de la cabina.

5) Para las unidades diseñadas para circular sin personal a bordo (aparte del maquinista), el sistema permitirá establecer, por iniciativa del maquinista, un enlace de comunicación entre la cabina de conducción y el lugar donde se hayan disparado la alarma o las alarmas. Para las unidades diseñadas para circular con personal a bordo (aparte del maquinista), se permite establecer dicho enlace de comunicación entre la cabina de conducción y el personal a bordo.

El sistema permitirá que el maquinista anule este enlace de comunicación por iniciativa propia.

6) Se dispondrá de un dispositivo que permita a la tripulación del tren rearmar la alarma de viajeros.

4.2.5.3.3   Requisitos para la activación del freno por la alarma de viajeros

1) Cuando el tren se detenga en un andén o parta de un andén, la activación de una alarma de viajeros dará lugar a una aplicación directa del freno de servicio o del freno de emergencia que provoque una parada total. En tal caso, solo después de que el tren se haya detenido por completo, un sistema permitirá que el maquinista anule cualquier acción de frenado automático iniciada por la alarma de viajeros.

2) En otras situaciones, 10 +/– 1 segundos después de la activación de la (primera) alarma de viajeros, se activará al menos un freno de servicio automático, a no ser que el maquinista se haya dado por enterado de la alarma de viajeros en este tiempo. El sistema permitirá al maquinista anular en cualquier momento una acción de frenado automático iniciada por la alarma de viajeros.

4.2.5.3.4   Criterios para un tren que parta de un andén

1) Se considera que un tren está saliendo de un andén durante el período de tiempo que transcurre entre el momento en que la situación de las puertas cambia de «desbloqueada» a «cerrada y bloqueada» y el momento en que el tren ha abandonado parcialmente el andén.

2) Este momento deberá detectarse a bordo (mediante una función que permita detectar físicamente el andén o sobre la base de un criterio de velocidad o distancia, u otro criterio alternativo).

3) Para las unidades destinadas a utilizarse en líneas que estén equipadas con el sistema de tierra ETCS para control-mando y señalización (incluida la información sobre «puertas de viajeros» descrita en el anexo A, índice 7, de la ETI CMS (Control, Mando y Señalización), este dispositivo embarcado será capaz de recibir del sistema ETCS la información relativa al andén.

4.2.5.3.5   Requisitos de seguridad

1) Para el escenario «avería en el sistema de alarma de viajeros que suponga la imposibilidad de que un viajero inicie la activación del freno a fin de detener el tren cuando este parte de un andén», deberá demostrarse que existe un nivel aceptable de control del riesgo, considerando que el fallo funcional tiene el riesgo potencial verosímil de provocar de forma directa «una víctima mortal y/o un herido grave».

2) Para el escenario «avería en el sistema de alarma de viajeros que suponga que en caso de activación de una alarma de viajeros la información no llegue al maquinista», deberá demostrarse que existe un nivel aceptable de control del riesgo, considerando que el fallo funcional tiene el riesgo potencial verosímil de provocar de forma directa «una víctima mortal y/o un herido grave».

3) En la cláusula 6.2.3.5 de la presente ETI se describe la demostración de la conformidad (procedimiento de evaluación de la conformidad).

4.2.5.3.6   Modo degradado

1) Las unidades equipadas con una cabina de conducción llevarán un dispositivo que permita al personal autorizado aislar el sistema de alarma de viajeros.

2) Si el sistema de alarma de viajeros no funciona, ya sea tras un aislamiento intencional por el personal ya sea por una avería técnica, o bien por acoplar la unidad con otra no compatible, esta situación aparecerá indicada permanentemente al maquinista en la cabina de conducción activa, y la aplicación de la alarma de viajeros dará lugar a la aplicación directa de los frenos.

3) Un tren con un sistema de alarma de viajeros aislado no cumple los requisitos mínimos de seguridad e interoperabilidad definidos en la presente ETI y, por tanto, se considera que se encuentra en modo degradado.

4.2.5.3.7   Aplicabilidad a unidades destinadas a explotación general

1) Sólo se considerarán las funciones que sean pertinentes por las características de diseño de la unidad (por ejemplo, la existencia de una cabina, de un sistema de interfaz con la tripulación, etc.).

2) La transmisión de señales requerida entre la unidad y las demás unidades acopladas de un tren, para el sistema de alarma de viajeros del que debe disponerse al nivel del tren, se documentará y ejecutará teniendo en cuenta los aspectos funcionales descritos anteriormente en esta cláusula.

3) La presente ETI no impone ninguna solución técnica respecto a las interfaces físicas entre unidades.

4.2.5.4.    Dispositivos de comunicación para viajeros

1) Esta cláusula se aplica a todas las unidades diseñadas para transportar viajeros y a las diseñadas para remolcar trenes de viajeros.

2) Las unidades diseñadas para funcionar sin personal a bordo (aparte del maquinista) irán equipadas con un «dispositivo de comunicación» para que los viajeros puedan informar a una persona que pueda adoptar las medidas oportunas.

3) Los requisitos sobre la posición del «dispositivo de comunicación» son los aplicables a la alarma de viajeros definida en la cláusula 4.2.5.3, «Alarma de viajeros: requisitos funcionales».

4) El sistema permitirá solicitar un enlace de comunicación por iniciativa del viajero. El sistema permitirá que la persona que reciba la comunicación (por ejemplo, el maquinista) anule dicho enlace de comunicación por iniciativa propia.

5) La interfaz del «dispositivo de comunicación» con los viajeros deberá estar indicada mediante una señal armonizada, incluirá símbolos visuales y táctiles y en caso de activarse emitirá una indicación visual y acústica. Estos elementos serán conformes a la ETI de Personas con Movilidad Reducida.

6) Aplicabilidad a unidades destinadas a explotación general:

Sólo se considerarán las funciones que sean pertinentes por las características de diseño de la unidad (por ejemplo, la existencia de una cabina, de un sistema de interfaz con la tripulación, etc.).

La transmisión de señales requerida entre la unidad y las demás unidades acopladas en un tren para el sistema de comunicación del que debe disponerse al nivel del tren se documentará y ejecutará teniendo en cuenta los aspectos funcionales.

La presente ETI no impone ninguna solución técnica respecto a las interfaces físicas entre unidades.

4.2.5.5.    Puertas exteriores: entrada y salida de los viajeros al material rodante

4.2.5.5.1.   Aspectos generales

1) Esta cláusula se aplica a todas las unidades diseñadas para transportar viajeros y a las diseñadas para remolcar trenes de viajeros.

2) Las puertas destinadas al personal y la carga se tratan en las cláusulas 4.2.2.8 y 4.2.9.1.2 de la presente ETI.

3) El control de las puertas de acceso exterior de los viajeros es una función esencial para la seguridad; los requisitos funcionales y de seguridad contemplados en la presente cláusula son necesarios para asegurar el nivel de seguridad requerido.

4.2.5.5.2   Terminología utilizada

1) A los efectos de la presente cláusula, se entiende por «puerta» una puerta de acceso exterior de viajeros (con una o varias hojas) destinada principalmente a que los viajeros entren y salgan de la unidad.

2) Una «puerta bloqueada» es una puerta que se mantiene cerrada por medio de un dispositivo físico de bloqueo.

3) Una «puerta bloqueada fuera de servicio» es una puerta inmovilizada en posición de cierre mediante un dispositivo de bloqueo mecánico accionable manualmente.

4) Una puerta «desbloqueada» es una puerta que puede abrirse activando el control local o central de puertas (cuando se disponga de este último).

5) A los efectos de la presente cláusula, se asume que un tren se encuentra detenido cuando la velocidad ha disminuido a 3 km/h o menos.

6) A los efectos de la presente cláusula, por «tripulación del tren» se entiende un miembro del personal a bordo a cargo de los controles relativos al sistema de puertas; podrá ser el maquinista u otro miembro del personal a bordo.

4.2.5.5.3.   Cierre y bloqueo de puertas

1) El dispositivo de mando de las puertas permitirá a los miembros de la tripulación del tren cerrar y bloquear todas las puertas antes de que salga el tren.

2) Cuando exista un estribo móvil que deba replegarse, la secuencia de cierre incluirá mover el estribo a la posición replegada.

3) Cuando el cierre y bloqueo centralizado de puertas se active desde un control local adyacente a una puerta, estará permitido que esta puerta permanezca abierta cuando se cierren y se bloqueen las demás. El sistema de control de puertas permitirá que el personal cierre y bloquee esta puerta posteriormente antes de la salida.

4) Las puertas deberán permanecer cerradas y bloqueadas hasta que sean desbloqueadas con arreglo a lo dispuesto en la cláusula 4.2.5.5.6, «Apertura de puertas». Si se corta la energía de los mandos de las puertas, el mecanismo de bloqueo las mantendrá bloqueadas.

Nota: Véase la señal de alerta en caso de cierre de las puertas en la cláusula 4.2.2.3.2 de la ETI de Personas con Movilidad Reducida.

Detección de obstáculos en las puertas:

5) Las puertas de acceso exterior de los viajeros deberán incorporar dispositivos que detecten posibles obstáculos al cerrarse (por ejemplo, un viajero). En caso de detectarse un obstáculo, las puertas se detendrán automáticamente y permanecerán en esa posición (libres de fuerza) durante un período de tiempo limitado o bien volverán a abrirse. El sistema tendrá una sensibilidad tal que sea capaz de detectar un obstáculo con arreglo a la especificación a la que se refiere el apéndice J-1, índice 32, cláusula 5.2.1.4.1, con una fuerza máxima sobre el obstáculo conforme a la especificación a la que se refiere el apéndice J-1, índice 32, cláusula 5.2.1.4.2.1.

4.2.5.5.4   Bloqueo de una puerta fuera de servicio

1) Se instalará un dispositivo mecánico de accionamiento manual que permita (a la tripulación del tren o al personal de mantenimiento) bloquear una puerta que se encuentre fuera de servicio.

2) El dispositivo de bloqueo fuera de servicio deberá:

 aislar la puerta de cualquier orden de apertura,

 bloquear la puerta mecánicamente en posición de cierre,

 indicar la situación del dispositivo de aislamiento,

 permitir que la puerta sea puenteada por el «sistema de prueba de puertas cerradas».

4.2.5.5.5   Información disponible para la tripulación del tren

1) Deberá disponerse de un «sistema de prueba de puertas cerradas» adecuado que permita a la tripulación del tren comprobar en cualquier momento si todas las puertas están cerradas y bloqueadas.

2) Si una o más puertas no están bloqueadas, esta circunstancia se indicará de manera permanente a la tripulación.

3) Se indicará a la tripulación cualquier avería de una puerta, producida al cerrarse y/o bloquearse.

4) Mediante una señal de alarma visual y acústica se indicará a la tripulación la apertura de emergencia de una o más puertas.

5) Se permitirá que «una puerta bloqueada fuera de servicio» sea puenteada por el «sistema de prueba de puertas cerradas».

4.2.5.5.6   Apertura de puertas

1) Los trenes estarán dotados de controles de desbloqueo de puertas que permitan, a la tripulación o a un dispositivo automático asociado a la parada en el andén, controlar el desbloqueo de las puertas de forma independiente en cada lado, de tal manera que puedan ser abiertas por los viajeros o, si está disponible, mediante una orden de apertura central cuando el tren esté parado.

2) Para las unidades destinadas a utilizarse en líneas que estén equipadas con el sistema de tierra ETCS para control-mando y señalización (incluida la información sobre «puertas de viajeros» descrita en el anexo A, índice 7, de la ETI de Control, Mando y Señalización), este sistema de control de desbloqueo de puertas será capaz de recibir del sistema ETCS la información relativa al andén.

3) En cada puerta, existirán dispositivos de apertura o controles de apertura locales que sean accesibles a los viajeros tanto desde el exterior como desde el interior del vehículo.

4) Cuando exista un estribo móvil que deba desplegarse, la secuencia de apertura incluirá mover el estribo a la posición desplegada.

Nota: Véase la señal de alerta en caso de apertura de las puertas en la cláusula 4.2.2.4.2 de la ETI de Personas con Movilidad Reducida.

4.2.5.5.7   Puertas — Sistema de enclavamiento de la tracción

1) La potencia de tracción solo se aplicará cuando todas las puertas estén cerradas y bloqueadas. Esto se asegurará mediante un sistema de enclavamiento automático de la tracción. El sistema de enclavamiento de la tracción evitará que se aplique potencia de tracción cuando no estén cerradas y bloqueadas todas las puertas.

2) El sistema de enclavamiento de la tracción estará dotado de un mando de anulación manual destinado a ser activado por el maquinista en situaciones excepcionales, de cara a poder aplicar la tracción incluso cuando no todas las puertas estén cerradas y bloqueadas.

4.2.5.5.8   Requisitos de seguridad para las cláusulas 4.2.5.5.2 a 4.2.5.5.7

1) Para el escenario «una puerta no está bloqueada (sin que la tripulación del tren haya sido correctamente informada de la situación de esa puerta) o está desbloqueada o abierta en zonas inadecuadas (por ejemplo, en el lado incorrecto del tren) o en situaciones inapropiadas (por ejemplo, mientras el tren está circulando)», deberá demostrarse que el riesgo puede ser llevado hasta un nivel aceptable, considerando que el fallo funcional tiene el riesgo potencial verosímil de provocar de forma directa:

 «una víctima mortal y/o un herido grave» para las unidades que no están destinadas para que los viajeros permanezcan de pie en la zona de la puerta (por ejemplo, larga distancia), o

 «una víctima mortal y/o un herido grave» para las unidades en las cuales algunos viajeros permanezcan de pie en la zona de la puerta en condiciones normales de servicio.

2) Para el escenario «varias puertas no están bloqueadas (sin que la tripulación del tren haya sido correctamente informada de la situación de esas puertas) o están desbloqueadas o abiertas en zonas inadecuadas (por ejemplo, en el lado incorrecto del tren) o en situaciones inapropiadas (por ejemplo, mientras el tren está circulando)», deberá demostrarse que el riesgo puede ser llevado hasta un nivel aceptable, considerando que el fallo funcional tiene el riesgo potencial verosímil de provocar de forma directa:

 «una víctima mortal y/o un herido grave» para las unidades que no están destinadas para que los viajeros permanezcan de pie en la zona de la puerta (por ejemplo, larga distancia), o en

 «víctimas mortales y/o heridos graves» para las unidades en las cuales algunos viajeros permanezcan de pie en la zona de la puerta en condiciones normales de servicio.

3) En la cláusula 6.2.3.5 de la presente ETI se describe la demostración de la conformidad (procedimiento de evaluación de la conformidad).

4.2.5.5.9   Apertura de emergencia de las puertas

Apertura interior de emergencia:

1) Cada puerta contará con un dispositivo individual de apertura interior de emergencia, accesible para los viajeros, que permita abrir la puerta; este dispositivo deberá estar activo a velocidades inferiores a 10 km/h.

2) Se permite que este dispositivo esté activo a cualquier velocidad (con independencia de la señal de velocidad). En tal caso, este dispositivo entrará en funcionamiento después de al menos dos accionamientos seguidos.

3) No se requerirá que este dispositivo tenga efecto en una «puerta bloqueada fuera de servicio». En tal caso, primero se desbloqueará la puerta.

Requisito de seguridad:

4) Para el escenario «avería en el sistema de apertura interior de emergencia de dos puertas adyacentes a lo largo de una ruta de evacuación (según se define en la cláusula 4.2.10.5 de la presente ETI) cuando el sistema de apertura de emergencia de otras puertas sigue disponible», deberá demostrarse que el riesgo puede llevarse hasta un nivel aceptable, considerando que el fallo funcional tiene el riesgo potencial verosímil de provocar de forma directa «una víctima mortal y/o un herido grave».

En la cláusula 6.2.3.5 de la presente ETI se describe la demostración del cumplimiento (procedimiento de evaluación de la conformidad).

Apertura exterior de emergencia:

5) Cada puerta estará provista de un dispositivo individual de apertura exterior de emergencia, accesible para el personal de rescate, que permita abrir la puerta en caso de emergencia. No se requerirá que este dispositivo tenga efecto en una «puerta bloqueada fuera de servicio». En tal caso, primero se desbloqueará la puerta.

Fuerza manual para abrir las puertas:

6) La fuerza que necesitará ejercer una persona para abrir una puerta de forma manual será conforme a la especificación a la que se refiere el apéndice J-1, índice 33.

4.2.5.5.10   Aplicabilidad a unidades destinadas a explotación general

1) Sólo se considerarán las funciones que sean pertinentes por las características de diseño de la unidad (por ejemplo, la existencia de una cabina, de un sistema de interfaz con la tripulación para el control de puertas, etc.).

2) La transmisión de señales requerida, en su caso, entre la unidad y las demás unidades acopladas de un tren, para el sistema de puertas del que debe disponerse al nivel del tren, se documentará y ejecutará teniendo en cuenta los aspectos funcionales.

3) La presente ETI no impone ninguna solución técnica respecto a las interfaces físicas entre unidades.

4.2.5.6.    Construcción del sistema de puertas exteriores

1) Si una unidad está dotada de una puerta destinada a ser usada por los viajeros para entrar y salir del tren, se aplicarán las disposiciones siguientes:

2) Las puertas llevarán cristales transparentes para que los viajeros puedan identificar la presencia de andenes.

3) La superficie exterior de las unidades de viajeros estará diseñada de tal manera que no haya posibilidad de que una persona haga train-surfing cuando las puertas estén cerradas y bloqueadas.

4) Como medida para evitar el train-surfing, se evitarán los asideros en la superficie exterior del sistema de puertas o se diseñarán de tal manera que no puedan utilizarse cuando se cierren las puertas.

5) Las barandillas y los asideros de sujeción estarán fijados de manera que puedan resistir las fuerzas que se ejerzan sobre ellos durante el servicio.

4.2.5.7.    Puertas entre unidades

1) Esta cláusula es aplicable a todas las unidades diseñadas para transportar viajeros.

2) Cuando una unidad vaya equipada de puertas entre unidades al extremo de los coches o en los extremos de la unidad, estas estarán dotadas de un dispositivo que permita bloquearlas (por ejemplo, cuando una puerta no esté conectada con una pasarela, que permita el acceso a los viajeros, a un coche o una unidad adyacentes, etc.).

4.2.5.8.    Calidad del aire interno

1) La calidad y cantidad del aire interior de la zona de los vehículos ocupada por viajeros o por el personal, o por ambos, será tal que no haya riesgo, para la salud de los viajeros ni del personal, superior al de la calidad del aire exterior. Esto se logrará cumpliendo los requisitos que se indican a continuación.

Habrá un sistema de ventilación que mantenga un nivel aceptable de CO2 interior en condiciones de servicio.

2) El nivel de CO2 no superará 5 000  ppm en todas las condiciones de servicio, a excepción de los dos casos siguientes:

 En caso de interrumpirse la ventilación debido a un corte del suministro de energía principal o a una avería del sistema, habrá un mecanismo de emergencia que asegure la entrada de aire exterior a todas las zonas de viajeros y de personal.

 Si este mecanismo de emergencia funciona mediante ventilación forzada alimentada con batería, deberá definirse la duración del período durante el cual el nivel de CO2 permanecerá por debajo de 10 000  ppm, suponiendo una presencia de viajeros derivada de la condición de carga «masa de diseño bajo carga útil normal».

 En la cláusula 6.2.3.12 se define el procedimiento de evaluación de la conformidad.

 Dicha duración no será inferior a 30 minutos.

 Esa duración se registrará en la documentación técnica definida en la cláusula 4.2.12 de la presente ETI.

 En caso de apagarse o cerrarse todos los medios de ventilación exterior, o de apagarse el sistema de aire acondicionado, a fin de evitar que los viajeros estén expuestos a gases que puedan estar presentes en el ambiente, especialmente, dentro de túneles, y en caso de incendio, se cumplirá lo descrito en la cláusula 4.2.10.4.2.

4.2.5.9.    Ventanas laterales

1) Cuando las ventanas laterales puedan ser abiertas por los viajeros y no puedan ser bloqueadas por la tripulación, el tamaño de la apertura estará limitado a unas dimensiones tales que no se pueda hacer pasar por ella un objeto esférico con un diámetro de 10 cm.

4.2.6.    Condiciones ambientales y efectos aerodinámicos

4.2.6.1.    Condiciones ambientales: aspectos generales

1) Las condiciones ambientales son condiciones físicas, químicas o biológicas externas a un producto y a las cuales este está sujeto.

2) Las condiciones ambientales a las cuales se somete el material rodante influyen en el diseño del mismo, así como en el de sus componentes.

3) Los parámetros medioambientales se describen en las cláusulas siguientes; para cada parámetro medioambiental se define un intervalo nominal, que es el más común en Europa y constituye la base para el material rodante interoperable.

4) Para algunos parámetros medioambientales, se definen intervalos distintos del nominal; en ese caso, se seleccionará un intervalo para el diseño del material rodante.

Para las funciones indicadas en las cláusulas siguientes, se establecerán en la documentación técnica las disposiciones tomadas sobre diseño o ensayo, o ambas, destinadas a asegurar que el material rodante cumple los requisitos de la ETI en este intervalo.

5) El intervalo o los intervalos seleccionados se consignarán en la documentación técnica definida en la cláusula 4.2.12 de la presente ETI, como una característica del material rodante.

6) En función de los intervalos seleccionados, y de las disposiciones adoptadas (descritas en la documentación técnica), podrían requerirse reglas de explotación pertinentes para asegurar la compatibilidad técnica entre el material rodante y las condiciones ambientales que puedan cumplirse en partes de la red.

En particular, son necesarias reglas de explotación cuando el material rodante diseñado para el intervalo nominal se utilice en una línea determinada donde este intervalo se supere en ciertos períodos del año.

7) Los intervalos, si son diferentes del nominal, que deben seleccionarse a fin de evitar reglas de explotación restrictivas ligadas a una zona geográfica o unas condiciones climáticas concretas, son especificados por los Estados miembros y se enumeran en la cláusula 7.4 de la presente ETI.

4.2.6.1.1   Temperatura

1) El material rodante cumplirá los requisitos de la presente ETI dentro de uno (o varios) de los intervalos de temperatura definidos para las zonas climáticas T1 (– 25 °C a + 40 °C; nominal), o T2 (– 40 °C a + 35 °C) o T3 (– 25 °C a + 45 °C) definidas en la especificación a la que se refiere el apéndice J-1, índice 34.

2) El intervalo o los intervalos de temperatura seleccionados se registrarán en la documentación técnica descrita en la cláusula 4.2.12 de la presente ETI.

3) La temperatura que debe considerarse para el diseño de los componentes del material rodante tendrá en cuenta la integración de dichos componentes en el material rodante.

4.2.6.1.2   Nieve, hielo y granizo

1) El material rodante cumplirá los requisitos de la presente ETI cuando esté sujeto a las condiciones de nieve, hielo y granizo definidas en la especificación a la que se refiere el apéndice J-1, índice 35, que correspondan a las condiciones nominales (intervalo).

2) El efecto de la nieve, el hielo y el granizo que debe considerarse para el diseño de los componentes del material rodante tendrá en cuenta la integración de dichos componentes en el material rodante.

3) Cuando se seleccionen condiciones de «nieve, hielo y granizo» más severas, el material rodante y las partes del subsistema se diseñarán de manera que cumplan los requisitos de la ETI considerando los siguientes escenarios:

 ventisquero de nieve (nieve ligera con bajo contenido de agua equivalente) que cubre la vía hasta 80 cm continuamente sobre la cabeza del carril,

 nieve en polvo, nevada de grandes cantidades de nieve ligera con bajo contenido de agua equivalente,

 gradiente de temperatura, variación de la temperatura y la humedad durante una única circulación que provoca acumulación de hielo en el material rodante,

 efecto combinado con la baja temperatura según la zona de temperatura elegida, definida en la cláusula 4.2.6.1.1.

4) En relación con la cláusula 4.2.6.1.1 (zona climática T2) y con la presente cláusula 4.2.6.1.2 (condiciones severas de nieve, hielo y granizo) de la presente ETI, se indicarán y verificarán las disposiciones adoptadas para cumplir los requisitos en estas condiciones severas, en particular las disposiciones sobre diseño y/o ensayo que se exigen para los siguientes requisitos de la ETI:

 deflector de obstáculos, según se define en la cláusula 4.2.2.5 de la presente ETI: adicionalmente, capacidad de apartar nieve situada delante del tren;

 La nieve se considerará un obstáculo que debe ser apartado por el deflector de obstáculos; en la cláusula 4.2.2.5 (por referencia a la especificación a la que se refiere el apéndice J-1, índice 36) se definen los requisitos siguientes:

 
«El deflector de obstáculos tiene que ser de tamaño suficiente para despejar los obstáculos del camino del bogie. Será una estructura continua y estará diseñado de manera que no desvíe obstáculos hacia arriba ni hacia abajo. En condiciones de explotación normales, el borde inferior del deflector de obstáculos estará tan cercano a la vía como permitan los movimientos del vehículo y el gálibo de la línea.
Visto en planta el deflector debe aproximarse a un perfil en “V” con un ángulo de no más de 160 °. Puede diseñarse con una geometría compatible con el funcionamiento también como quitanieves.»

 Los esfuerzos especificados en la cláusula 4.2.2.5 de la presente ETI se consideran suficientes para apartar la nieve,

 órganos de rodadura, según se definen en la cláusula 4.2.3.5 de la presente ETI: considerando la nieve y el hielo acumulados y las posibles consecuencias para la estabilidad en circulación y la función de frenado,

 función de frenado y suministro de potencia de frenado, según se definen en la cláusula 4.2.4 de la ETI,

 señalización de la presencia del tren a otros trenes según se define en la cláusula 4.2.7.3 de la ETI,

 proporcionar un campo de visión frontal, según se define en la cláusula 4.2.7.3.1.1 (focos de cabeza) y 4.2.9.1.3.1 (visibilidad frontal) de la ETI, con equipo de parabrisas que funcione según lo definido en la cláusula 4.2.9.2,

 proporcionar un clima de trabajo aceptable para el maquinista, tal como se define en la cláusula 4.2.9.1.7 de la ETI.

5) El intervalo seleccionado para «nieve, hielo y granizo» (nominal o severo) y las disposiciones adoptadas se documentarán en la documentación técnica descrita en la cláusula 4.2.12.2 de la presente ETI.

4.2.6.2.    Efectos aerodinámicos

1) Los requisitos de la presente cláusula son aplicables a todo el material rodante salvo el diseñado para utilizarse en los anchos de vía de 1 520  mm, 1 524  mm, 1 600  mm o 1 668  mm, para el cual los requisitos correspondientes son un punto abierto

2) El paso de un tren provoca un flujo de aire inestable con diferentes presiones y velocidades de flujo. Estas variaciones de la presión y la velocidad de flujo tienen efectos en las personas, los objetos y los edificios que se encuentran adyacentes a la vía, así como en el material rodante (por ejemplo, la carga aerodinámica en la estructura del vehículo, las solicitaciones inducidas a los equipos), y deben tenerse en cuenta en el diseño del material rodante.

3) El efecto combinado de la velocidad del tren y la velocidad del aire provoca un momento de balanceo aerodinámico que puede afectar a la estabilidad del material rodante.

4.2.6.2.1   Efecto estela en los viajeros situados en el andén y en los trabajadores situados junto a la vía

1) Las unidades cuya velocidad máxima de diseño vtr > 160 km/h, que circulen al aire libre a una velocidad de referencia especificada en el cuadro 4, no generarán una velocidad de aire que supere el valor u indicado en el cuadro 4, medido a una altura de 0,2 m y 1,4 m sobre la cabeza del carril y a una distancia de 3,0 m del centro de la vía, durante el paso de la unidad.



Cuadro 4

Criterios límite

Velocidad máxima de diseño vtr,max (km/h)

Medición realizada a una altura sobre la cabeza del carril

Velocidad máxima admisible del aire en la vía (valores límite para u [m/s])

Velocidad de referencia vtr,ref (km/h)

160 < vtr,max < 250

0,2 m

20

Velocidad máxima de diseño

 

1,4 m

15,5

200 km/h o la velocidad máxima de diseño, el valor que sea inferior

250 ≤ vtr,max

0,2 m

22

300 km/h o la velocidad máxima de diseño, el valor que sea inferior

 

1,4 m

15,5

200 km/h

2) La formación que debe someterse a ensayo se especifica a continuación para los diferentes tipos de material rodante.

 Unidad evaluada en formación fija

 La longitud total de la formación fija.

 En caso de utilizarse varias unidades, se someterán a ensayo al menos dos unidades acopladas entre sí.

 Unidades evaluadas en formación predefinida

 Formación de tren que incluya el vehículo final y vehículos intermedios en una composición de al menos 100 m o la longitud máxima predefinida, si esta es menor de 100 m.

 Unidad evaluada para uso en explotación general (formación de tren no definida en la fase de diseño):

 

 la unidad se ensayará en una formación de tren que conste de una composición de al menos 100 m de coches intermedios,

 en caso de haber una locomotora o una cabina de conducción, este vehículo se colocará en las posiciones primera y última de la formación de tren,

 en el caso de los coches (coches de viajeros), la formación de tren incluirá como mínimo un coche, del tipo de unidad sometida a evaluación, circulando en las posiciones primera y última de la composición de los coches intermedios.

Nota: En el caso de los coches, solo se requiere una evaluación de la conformidad cuando existe un nuevo diseño que tenga impacto en el efecto estela.

3) En la cláusula 6.2.3.13 de la presente ETI se describe el procedimiento de evaluación de la conformidad.

4.2.6.2.2   Pulso de presión por paso de la cabeza del tren

1) El cruce de dos trenes genera una carga aerodinámica en cada uno de ellos. El requisito sobre pulso de presión por paso de la cabeza del tren al aire libre permite definir una carga aerodinámica límite inducida por el material rodante al aire libre suponiendo una distancia al centro de la vía por la que está destinado a circular el tren.

La distancia al centro de la vía depende de la velocidad y del gálibo de la línea; los valores mínimos de la distancia al centro de la vía en función de la velocidad y del gálibo de la línea se definen con arreglo a la ETI de Infraestructura.

2) Las unidades cuya velocidad máxima de diseño sea superior a 160 km/h e inferior a 250 km/h y que circulen al aire libre a su velocidad máxima no darán lugar a que la variación de presión máxima pico a pico supere un valor de 800 Pa, evaluada en el intervalo de alturas de entre 1,5 m y 3,0 m sobre la cabeza del carril y a una distancia de 2,5 m del centro de la vía, durante el paso de la cabeza del tren.

3) Las unidades cuya velocidad máxima de diseño sea superior o igual a 250 km/h y que circulen al aire libre a la velocidad de referencia de 250 km/h no darán lugar a que la variación de presión máxima pico a pico supere un valor de 800 Pa, evaluada en el intervalo de alturas de entre 1,5 m y 3,0 m sobre la cabeza del carril y a una distancia de 2,5 m del centro de la vía, durante el paso de la cabeza del tren.

4) La formación que debe verificarse mediante ensayo se especifica a continuación para los diferentes tipos de material rodante.

 Unidad evaluada en formación fija o predefinida.

 

 Se someterán a ensayo una unidad única de la formación fija o cualquier configuración de la formación predefinida.

 Unidad evaluada para uso en explotación general (formación de tren no definida en la fase de diseño).

 

 Las unidades equipadas con cabina de conducción se evaluarán solas.

 Otras unidades: requisito no aplicable.

5) En la cláusula 6.2.3.14 de la presente ETI se describe el procedimiento de evaluación de la conformidad.

4.2.6.2.3   Variaciones máximas de presión en los túneles

1) Las unidades de velocidad máxima de diseño superior o igual a 200 km/h tendrán un diseño aerodinámico tal que, con una determinada combinación (caso de referencia) de velocidad del tren y de sección transversal del túnel, en caso de circulación sin cruce (con otro material) por un túnel tubular (sin galerías, etc.) sencillo y sin inclinación, se cumpla un requisito de variación de presión característica. Estos requisitos se indican en el cuadro 5.



Cuadro 5

Requisitos para unidades en caso de circulación sin cruce (con otro material) por un túnel tubular sin inclinación

 

Caso de referencia

Criterios para el caso de referencia

Vtr

Atu

ΔpN

ΔpN+ ΔpFr

ΔpN+ ΔpFr+ ΔpT

< 250 km/h

200 km/h

53,6 m2

≤ 1 750  Pa

≤ 3 000  Pa

≤ 3 700  Pa

≥ 250 km/h

250 km/h

63,0 m2

≤ 1 600  Pa

≤ 3 000  Pa

≤ 4 100  Pa

Donde vtr es la velocidad del tren y Atu es la sección transversal del túnel.

2) La formación que debe verificarse mediante ensayo se especifica a continuación para los diferentes tipos de material rodante.

 Unidad evaluada en formación fija o predefinida: la evaluación se llevará a cabo con la longitud máxima del tren (incluida la explotación múltiple de las ramas).

 Unidad evaluada para explotación general (formación de tren no definida en la fase de diseño) y equipada con una cabina de conducción: dos composiciones de tren arbitrarias cuya longitud mínima sea 150 m; una con una unidad en la parte delantera y la otra con una unidad al final.

 Otras unidades (coches para explotación general): sobre la base de una formación de tren de al menos 400 m.

3) En la cláusula 6.2.3.15 de la presente ETI se describe el procedimiento de evaluación de la conformidad, incluida la definición de los parámetros anteriormente mencionados.

4.2.6.2.4   Viento transversal

1) Este requisito es aplicable a las unidades cuya velocidad máxima de diseño sea superior a 140 km/h.

2) Para las unidades cuya velocidad máxima de diseño sea superior a 140 km/h e inferior a 250 km/h, la curva eólica característica (CEC) del vehículo más sensible se determinará conforme a la especificación a la que se refiere el apéndice J-1, índice 37, y se consignará en el expediente técnico previsto en la cláusula 4.2.12.

3) Para las unidades cuya velocidad máxima de diseño sea igual o superior a 250 km/h, los efectos del viento transversal se evaluarán con arreglo a uno de los métodos siguientes:

a) se determinarán en base a la especificación prevista en la cláusula 4.2.6.3 de la ETI de 2008 de Material Rodante de Alta Velocidad y serán conformes a la misma,

o

b) se determinarán mediante el método de evaluación previsto en la especificación a la que se refiere el apéndice J-1, índice 37. La curva eólica característica resultante del vehículo más sensible de la unidad sometida a evaluación se consignará en la documentación técnica que contempla la cláusula 4.2.12.

4.2.6.2.5   Efecto aerodinámico en vía con balasto

1) Este requisito se aplica a las unidades de velocidad máxima de diseño superior o igual a 190 km/h.

2) El requisito relativo al efecto aerodinámico de los trenes sobre las vías con balasto, con el fin de limitar los riesgos inducidos por la proyección de balasto (levantamiento de balasto) constituye un punto abierto.

4.2.7.    Iluminación exterior y dispositivos de aviso acústico y visual

4.2.7.1.    Iluminación exterior

1) No se utilizará el color verde para la iluminación ni las luces exteriores; este requisito se establece para evitar confusiones con señales fijas.

2) Este requisito no es aplicable a las luces de intensidad no superior a 100 cd/m2 que se incluyen en pulsadores para el mando de puertas de viajeros (no encendidas permanentemente).

4.2.7.1.1.   Focos de cabeza

1) La presente cláusula se aplica a las unidades equipadas con cabina de conducción.

2) Se colocarán en la cabeza del tren dos focos blancos para que el maquinista del tren tenga buena visibilidad.

3) Dichos focos irán situados:

 a la misma altura sobre el nivel del carril, con sus centros a una altura de entre 1 500  mm y 2 000  mm sobre el nivel del carril,

 simétricamente con respecto a la línea central de los carriles, y con una distancia entre sus centros no inferior a 1 000  mm.

4) El color de los focos de cabeza se ajustará a los valores indicados en la especificación a la que se refiere el apéndice J-1, índice 38, cláusula 5.3.3, cuadro 1.

5) Los focos de cabeza tendrán dos niveles de intensidad luminosa: «atenuada» y «plena potencia».

En la posición «atenuada», la intensidad luminosa de los focos de cabeza medida a lo largo del eje óptico de los mismas se ajustará a los valores indicados en la especificación a la que se refiere el apéndice J-1, índice 38, cláusula 5.3.4, cuadro 2, línea primera.

En la posición «plena potencia», la intensidad luminosa mínima de los focos de cabeza medida a lo largo del eje óptico de las mismas se ajustará a los valores indicados en la especificación a la que se refiere el apéndice J-1, índice 38, cláusula 5.3.4, cuadro 2, línea primera.

6) La instalación de los focos de cabeza de la unidad proporcionará un medio de ajuste de la alineación de su eje óptico cuando esté instalado en la unidad, conforme a la especificación a la que se refiere el apéndice J-1, índice 38, cláusula 5.3.5, que debe utilizarse durante las actividades de mantenimiento.

7) Podrán incluirse focos de cabeza adicionales (por ejemplo, focos de cabeza superiores). Dichas focos de cabeza adicionales cumplirán el requisito sobre el color de los focos especificado anteriormente en esta cláusula.

Nota: Los focos de cabeza adicionales no son obligatorias; su uso a nivel operacional podrá estar sujeto a restricciones.

4.2.7.1.2   Luces de posición

1) La presente cláusula se aplica a las unidades equipadas con cabina de conducción.

2) Se instalarán tres luces de posición blancas en la parte delantera del tren para que este sea visible.

3) Habrá dos luces de posición inferiores que irán situados:

 a la misma altura sobre el nivel del carril, con sus centros a una altura de entre 1 500  mm y 2 000  mm sobre el nivel del carril,

 simétricamente con respecto a la línea central de los carriles, y con una distancia entre sus centros no inferior a 1 000  mm.

4) La tercera luz de posición irá situada en posición central por encima de las dos luces inferiores, con una separación vertical de sus centros igual o superior a 600 mm.

5) Está permitido utilizar el mismo componente para los focos de cabeza y para las de posición.

6) El color de las luces de posición será conforme a los valores indicados en la especificación a la que se refiere el apéndice J-1, índice 39, cláusula 5.4.3.1, cuadro 4.

7) La distribución espectral de la radiación de la luz de las luces de posición se ajustará a los valores indicados en la especificación a la que se refiere el apéndice J-1, índice 39, cláusula 5.4.3.2.

8) La intensidad luminosa de las luces de posición se ajustará a la especificación a la que se refiere el apéndice J-1, índice 39, cláusula 5.4.4 cuadro 6.

4.2.7.1.3   Luces de cola

1) Se colocarán dos luces de cola rojas en el extremo trasero de las unidades de manera que estas sean visibles desde atrás.

2) Para las unidades que no lleven cabina de conducción y sean evaluadas para explotación general, las luces podrán ser portátiles; en ese caso, el tipo de lámpara portátil que deba utilizarse se ajustará al apéndice E de la ETI de Vagones; Su funcionalidad se verificará mediante examen de diseño y ensayo de tipo a nivel de componente (componente de interoperabilidad «lámpara de cola portátil»), pero no se requiere aportar las mismas.

3) Las luces de cola irán situadas:

 a la misma altura sobre el nivel del carril, con sus centros a una altura de entre 1 500  mm y 2 000  mm sobre el nivel del carril,

 simétricamente con respecto a la línea central de los carriles, y con una distancia entre sus centros no inferior a 1 000  mm.

4) El color de las luces de cola se ajustará a la especificación a la que se refiere el apéndice J-1, índice 40, cláusula 5.5.3, cuadro 7 (valores).

5) La intensidad luminosa de las luces de cola se ajustará a la especificación a la que se refiere el apéndice J-1, índice 40, cláusula 5.5.4, cuadro 8 (valor).

4.2.7.1.4   Mandos de las luces

1) La presente cláusula se aplica a las unidades equipadas con cabina de conducción.

2) Deberá ser posible que el maquinista controle:

 los focos de cabeza y las luces de posición de la unidad desde la posición normal de conducción,

 las luces de cola de la unidad desde la cabina.

Este control podrá hacerse mediante mandos independientes o combinaciones de mandos.

Nota: Cuando esté previsto utilizar las luces para informar de una situación de emergencia (normal operativa, véase la ETI de Explotación), ello deberá hacerse únicamente por medio de los focos de cabeza en modo de intermitencia o parpadeo.

4.2.7.2.    Bocina (dispositivo de aviso acústico)

4.2.7.2.1   Aspectos generales

1) Esta cláusula se aplica a las unidades equipadas con cabina de conducción.

2) Los trenes irán equipados con bocinas de advertencia para que sean audibles.

3) Las notas de las bocinas de advertencia acústica deben ser reconocibles como procedentes de un tren y no parecerse a las bocinas utilizadas en el transporte por carretera o en las fábricas u otros dispositivos de advertencia comunes. Las bocinas de advertencia emitirán al menos uno de los siguientes sonidos de advertencia, que sonará de manera independiente:

sonido 1 : la frecuencia fundamental de cada nota, de manera independiente, será de 660 Hz ± 30 Hz (nota alta),

sonido 2 : la frecuencia fundamental de cada nota, de manera independiente, será de 370 Hz ± 20 Hz (nota baja).

4) En caso de utilizarse, de manera voluntaria, sonidos de aviso adicionales al indicado anteriormente (independientes o combinados), su nivel de presión acústica no superará los valores especificados a continuación en la cláusula 4.2.7.2.2.

Nota: Su uso a nivel operacional podrá estar sujeto a restricciones.

4.2.7.2.2   Niveles de presión acústica de la bocina de advertencia

1) El nivel de presión acústica con ponderación C producido por cada bocina que se haga sonar de manera independiente (o en grupo si están diseñadas para sonar al mismo tiempo en acorde), cuando esté integrada en la unidad, será el definido en la especificación a la que se refiere el apéndice J-1, índice 41.

2) En la cláusula 6.2.3.17 se especifica el procedimiento de evaluación de la conformidad.

4.2.7.2.3   Protección

1) Las bocinas de advertencia y sus sistemas de control estarán diseñados o protegidos, en la medida en que sea practicable, de manera que se mantenga su función cuando reciban impactos de objetos aéreos como residuos diversos, polvo, nieve, granizo o aves.

4.2.7.2.4   Mando de la bocina

1) El maquinista deberá poder hacer sonar el dispositivo de advertencia acústica desde todas las posiciones de conducción especificadas en la cláusula 4.2.9 de la presente ETI.

4.2.8.    Equipo de tracción y eléctrico

4.2.8.1.    Prestaciones de tracción

4.2.8.1.1.   Aspectos generales

1) La finalidad del sistema de tracción del tren es asegurar que el tren pueda funcionar a diferentes velocidades hasta su velocidad de servicio máxima. Los factores principales que influyen en las prestaciones de tracción son la potencia de tracción, la composición y la masa del tren, la adherencia, el gradiente de la vía y la resistencia al avance del tren.

2) Las prestaciones de una unidad para unidades equipadas con equipo de tracción y que circulen en diferentes formaciones de tren se definirán de tal manera que, a partir de ellas, puedan obtenerse las prestaciones de frenado globales del tren.

3) Las prestaciones de tracción se caracterizarán mediante la velocidad de servicio máxima y la curva característica de tracción [esfuerzo en la llanta = F (velocidad)].

4) La unidad se caracteriza por su resistencia al avance y su masa.

5) La velocidad de servicio máxima, curva característica de tracción y la resistencia al avance son los factores asociados a la unidad necesarios para definir un horario que permita asignar un surco al tren dentro de la malla general de una línea dada. Estos documentos formarán parte de la documentación técnica relacionada con la unidad descrita en la cláusula 4.2.12.2 de la presente ETI.

4.2.8.1.2   Requisitos sobre prestaciones

1) Esta cláusula se aplica a las unidades equipadas con equipo de tracción.

2) Los perfiles del esfuerzo de tracción de la unidad [esfuerzo en la llanta = F (velocidad)] se determinarán mediante cálculo; la resistencia de la unidad al avance se determinará mediante el cálculo para el caso de carga «masa de diseño bajo carga útil normal», según se define en la cláusula 4.2.2.10.

3) Los perfiles del esfuerzo de tracción de la unidad y la resistencia al avance se consignarán en la documentación técnica (véase la cláusula 4.2.12.2).

4) La velocidad máxima de diseño se definirá a partir de los datos anteriores para el caso de carga «masa de diseño bajo carga útil normal» sobre una vía nivelada; la velocidad máxima de diseño superior a 60 km/h será un múltiplo de 5 km/h.

5) Para las unidades evaluadas en formación fija o predefinida, a la velocidad de servicio máxima y en una vía nivelada, la unidad será capaz de alcanzar una aceleración de al menos 0,05 m/s2 para el caso de carga «masa de diseño bajo carga útil normal». Este requisito podrá verificarse mediante cálculo o mediante ensayo (medición de la aceleración) y es aplicable a velocidades máximas de diseño de hasta 350 km/h.

6) Los requisitos sobre el corte de tracción requerido en caso de frenado se definen en la cláusula 4.2.4 de la presente ETI.

7) Los requisitos sobre la disponibilidad de la función de tracción en caso de incendio a bordo se definen en la cláusula 4.2.10.4.4.

Requisito adicional para las unidades evaluadas en formación fija o predefinida de velocidad máxima de diseño superior o igual a 250 km/h

8) La aceleración media en una vía nivelada, para el caso de carga «masa de diseño bajo carga útil normal», será al menos:

 0,40 m/s2 desde 0 km/h hasta 40 km/h,

 0,32 m/s2 desde 0 km/h hasta 120 km/h,

 0,17 m/s2 desde 0 km/h hasta 160 km/h.

Este requisito podrá verificarse mediante cálculo únicamente o mediante ensayo (medición de la aceleración) combinado con cálculo.

9) En el diseño del sistema de tracción, se supondrá una adherencia rueda-carril calculada no superior a:

 0,30 en el arranque y a muy baja velocidad,

 0,275 a 100 km/h,

 0,19 a 200 km/h,

 0,10 a 300 km/h.

10) Un único fallo del equipo de alimentación que afecte a la capacidad de tracción no privará a la unidad de más del 50 % de su fuerza de tracción.

4.2.8.2.    Alimentación eléctrica

4.2.8.2.1   Aspectos generales

1) Esta cláusula se ocupa de los requisitos aplicables al material rodante referentes al subsistema de energía; por tanto, la presente cláusula 4.2.8.2 se aplica a las unidades eléctricas.

2) La ETI de Energía especifica los siguientes sistemas eléctricos: sistema de corriente alterna de 25 kV 50 Hz, sistema de corriente alterna de 15 kV 16,7 Hz, sistema de corriente continua 3 kV y sistema de corriente continua de 1,5 kV. Por consiguiente, los requisitos definidos a continuación se refieren solo a estos cuatro sistemas y las referencias a la normas son válidas solo para estos cuatro sistemas.

4.2.8.2.2   Funcionamiento dentro de los márgenes de tensión y frecuencia

1) Las unidades eléctricas deberán poder funcionar dentro de los márgenes de al menos uno de los sistemas de «tensión y frecuencia» definidos en la ETI de Energía, cláusula 4.2.3.

2) El valor real de la tensión de la línea estará disponible en la cabina de conducción en configuración de conducción.

3) Los sistemas de «tensión y frecuencia» para los cuales está diseñado el material rodante se harán constar en la documentación técnica definida en la cláusula 4.2.12.2 de la presente ETI.

4.2.8.2.3   Freno de recuperación con retorno de energía a la línea aérea de contacto

1) Las unidades eléctricas con retorno de energía eléctrica a la línea aérea de contacto en el modo de frenado de recuperación cumplirán lo dispuesto en la especificación a la que se refiere el apéndice J-1, índice 42.

2) Deberá poder controlarse el uso del freno de recuperación.

4.2.8.2.4   Potencia máxima y corriente de la línea aérea de contacto

1) Las unidades eléctricas con una potencia superior a los 2 MW (incluidas las formaciones fijas y predefinidas declaradas) estarán dotadas de una función de limitación de corriente o de potencia.

2) Las unidades eléctricas estarán dotadas de regulación automática de la corriente dentro de las condiciones de funcionamiento anormal en lo que se refiere al voltaje; dicha regulación permitirá limitar la corriente a la «corriente máxima frente al voltaje» indicada en la especificación a la que se refiere el apéndice J-1, índice 43.

Nota: Podrá emplearse una limitación menos restrictiva (valor inferior del coeficiente «a») a nivel de explotación en una red o una línea concretas, siempre que se cuente con el acuerdo del administrador de la infraestructura.

3) La corriente máxima evaluada (máxima corriente nominal) se consignará en la documentación técnica definida en la cláusula 4.2.12.2 de la presente ETI.

4.2.8.2.5   Corriente máxima en parado para sistemas de corriente continua

1) Para los sistemas de corriente continua, la corriente máxima en parado por pantógrafo se calculará y verificará mediante medición.

2) En la cláusula 4.2.5 de la ETI de Energía se especifican los valores límite.

3) El valor medido y las condiciones de medición en función del material del hilo de contacto, se harán constar en la documentación técnica definida en la cláusula 4.2.12.2 de la presente ETI.

4.2.8.2.6   Factor de potencia

1) Los datos de diseño del factor de potencia del tren (incluida la explotación múltiple de varias unidades, tal como define la cláusula 2.2 de la presente ETI) estarán sujetos a un cálculo, con el fin de verificar los criterios de aceptación que se establecen en la especificación a la que se refiere el apéndice J-1, índice 44.

4.2.8.2.7   Perturbaciones del sistema energía para sistemas de corriente alterna

1) Ninguna unidad eléctrica provocará sobretensiones inaceptables ni otros fenómenos descritos en la especificación a la que se refiere el apéndice J-1, índice 45, cláusula 10.1 (armónicos y efectos dinámicos) en la línea aérea de contacto.

2) Deberá llevarse a cabo un estudio de compatibilidad con arreglo a la metodología definida en la especificación a la que se refiere el apéndice J-1, índice 45, cláusula 10.3. Los pasos y las hipótesis descritas en el cuadro 5 de dicha especificación deberá definirlos el solicitante (la columna 3, «Parte implicada», no es aplicable), con los datos de entrada presentados tal y como se indica en el anexo D de dicha especificación; los criterios de aceptación serán tal y como se definen en la cláusula 10.4 de la especificación.

3) Las hipótesis y los datos considerados para este estudio de compatibilidad se registrarán en la documentación técnica (véase la cláusula 4.2.12.2).

▼M2

4.2.8.2.8   Sistema embarcado de medición de energía

4.2.8.2.8.1   Aspectos generales

1) El sistema embarcado de medición de energía (SME) mide toda la energía eléctrica activa y reactiva absorbida o devuelta (durante el frenado de recuperación), por la unidad eléctrica, a la línea aérea de contacto.

2) El SME deberá incluir al menos las funciones siguientes: Función de medición de energía (FME), establecida en la cláusula 4.2.8.2.8.2, sistema de tratamiento de datos (STD), establecido en la cláusula 4.2.8.2.8.3.

3) Un sistema de comunicación adecuado enviará los conjuntos de datos compilados sobre facturación energética (DCFE) a un sistema de captación de datos (SCD) situado en tierra. Los protocolos de interfaz y el formato de los datos transferidos entre el SME y el SCD deberán cumplir los requisitos establecidos en el punto 4.2.8.2.8.4.

4) Este sistema será adecuado para fines de facturación; los conjuntos de datos definidos en el punto 4.2.8.2.8.3, apartado 4, suministrados por este sistema serán aceptados para la facturación en todos los Estados miembros.

5) La corriente y la tensión nominales del SME se corresponderán con la corriente y la tensión nominales de la unidad eléctrica; seguirá funcionando correctamente cuando se cambie entre distintos sistemas de suministro de energía de tracción.

6) Los datos almacenados en el SME se protegerán contra la pérdida de suministro eléctrico, y el SME se protegerá contra todo acceso no autorizado.

7) En aquellas redes en que sea necesario, se instalará una función de localización a bordo que proporcione los datos de posición procedentes de una fuente externa al STD, únicamente con fines de facturación. En cualquier caso, el sistema SME deberá poder alojar una función de localización compatible. Si se ofrece la función de localización, esta deberá cumplir los requisitos establecidos en la especificación a la que se refiere el apéndice J-1, índice 116.

8) El equipamiento de un SME, su función de localización a bordo, la descripción de la comunicación entre la unidad y el equipo en tierra y el control metrológico, incluida la clase de precisión de la FME, se harán constar en la documentación técnica descrita en la cláusula 4.2.12.2 de la presente ETI.

9) La documentación de mantenimiento descrita en la cláusula 4.2.12.3 de la presente ETI incluirá cualquier procedimiento de verificación periódica necesario para asegurar el nivel de precisión requerido del SME durante su vida útil.

4.2.8.2.8.2   Función de medición de energía (FME)

1) La FME deberá garantizar la medición de la tensión y la corriente, el cálculo de la energía y la producción de datos de energía.

2) Los datos de energía proporcionados por la FME tendrán un período de referencia de cinco minutos definido por la hora del Tiempo Universal Coordinado (UTC) al final de cada período de referencia, el cual se indicará a partir de la marca de tiempo 00:00:00. Estará permitido utilizar un período de medición más corto si los datos pueden agregarse a bordo en períodos de referencia de cinco minutos.

3) La precisión de la FME para la medición de energía activa se ajustará a lo indicado en las cláusulas 4.2.3.1 a 4.2.3.4 de la especificación a la que se refiere el apéndice J-1, índice 117.

4) Cada dispositivo que desempeñe una o varias funciones de FME deberá indicar: el control metrológico y su clase de precisión, según las designaciones de clase indicadas en la especificación a la que hacen referencia las cláusulas 4.3.3.4, 4.3.4.3 y 4.4.4.2 de la especificación a la que se refiere el apéndice J-1, índice 117.

5) La evaluación de la conformidad de la precisión se establece en la cláusula 6.2.3.19 bis.

4.2.8.2.8.3   Sistema de tratamiento de datos (STD)

1) El STD deberá garantizar la producción, a efectos de facturación energética, de conjuntos de datos compilados sobre facturación energética, combinando los datos de la FME con datos de tiempo y, cuando sea necesario, de posición geográfica, y almacenando la información para su envío a un sistema de captación de datos (SCD) situado en tierra mediante un sistema de comunicación.

2) El STD compilará los datos sin corromperlos y llevará incorporada una funcionalidad de almacenamiento de datos con una capacidad de memoria suficiente para almacenar los datos compilados durante al menos 60 días de funcionamiento continuo. El período de referencia que se utilice deberá ser el mismo que el de la FME.

3) El STD tendrá capacidad de ser interrogado localmente a bordo a efectos de auditoría y recuperación de datos.

4) El STD proporcionará conjuntos de datos compilados sobre facturación energética (DCFE) combinando los datos siguientes para cada período de referencia:

 identificación única del punto de consumo del SME (IDPC) definida en la especificación a la que se refiere el apéndice J-1, índice 118,

 el tiempo de finalización de cada período, definido como año, mes, día, hora, minuto y segundo,

 los datos de localización al final de cada período,

 la energía consumida/regenerada activa y reactiva (en su caso) en cada período, expresada en vatios-hora (energía activa) y voltiamperios-hora (energía reactiva) o sus múltiplos decimales.

5) La evaluación de la conformidad de la compilación y el tratamiento de datos, realizados por el STD, está establecida en la cláusula 6.2.3.19 bis.

4.2.8.2.8.4   Protocolos de interfaz y formato de los datos transferidos entre el SME y el SCD

El intercambio de datos entre el SME y el SCD deberá cumplir los requisitos siguientes.

 Los servicios de aplicación (capa de servicios) del SME se ajustarán a lo indicado en la cláusula 4.3.3.1 de la especificación a la que se refiere el apéndice J-1, índice 119.

 Los derechos de acceso de usuario a estos servicios de aplicación se ajustarán a lo indicado en la cláusula 4.3.3.3 de la especificación a la que se refiere el apéndice J-1, índice 119.

 La estructura (capa de datos) de estos servicios de aplicación se ajustará al esquema XML definido en la cláusula 4.3.4 de la especificación a la que se refiere el apéndice J-1, índice 119.

 El mecanismo de mensajes (capa de mensajes) de estos servicios de aplicación será conforme a los métodos y al esquema XML de la cláusula 4.3.5 de la especificación a la que se refiere el apéndice J-1, índice 119.

 Los protocolos de aplicación para soportar el mecanismo de mensajes se ajustarán a la cláusula 4.3.6 de la especificación a la que se refiere el apéndice J-1, índice 119.

 El SME utilizará al menos una de las arquitecturas de comunicación de la cláusula 4.3.7 de la especificación a la que se refiere el apéndice J-1, índice 119.

▼B

4.2.8.2.9   Requisitos relacionados con el pantógrafo

4.2.8.2.9.1   Rango de alturas de trabajo del pantógrafo

4.2.8.2.9.1.1   Altura de interacción con los hilos de contacto (nivel de material rodante)

La instalación de un pantógrafo en una unidad eléctrica permitirá el contacto mecánico de, al menos, uno de los hilos de contacto en alturas comprendidas entre:

1) 4 800  mm y 6 500  mm sobre el nivel del carril para las vías proyectadas con arreglo al contorno de referencia GC;

2) 4 500  mm y 6 500  mm sobre el nivel del carril para las vías proyectadas con arreglo al contorno de referencia GA/GB;

3) 5 550  mm y 6 800  mm sobre el nivel del carril para las vías proyectadas con arreglo al perfil T (ancho de vía de 1 520  mm);

4) 5 600  mm y 6 600  mm sobre el nivel del carril proyectado con arreglo al ancho de vía FIN1 (ancho de vía de 1 524  mm).

Nota: La captación de corriente se verifica conforme a las cláusulas 6.1.3.7 y 6.2.3.21 de la presente ETI, donde se especifican las alturas del hilo de contacto para los ensayos; no obstante, se supone que la captación de corriente a baja velocidad es posible siempre que el hilo de contacto esté a una de las alturas especificadas anteriormente.

4.2.8.2.9.1.2   Rango de alturas de trabajo del pantógrafo (nivel de componente de interoperabilidad)

1) Los pantógrafos tendrán un rango de trabajo de, al menos, 2 000  mm.

2) Las características que deben verificarse se ajustarán a los requisitos de la especificación a la que se refiere el apéndice J-1, índice 46.

4.2.8.2.9.2   Geometría del arco del pantógrafo (nivel de componente de interoperabilidad)

1) Para las unidades eléctricas diseñadas para utilizarse en anchos de vía distintos del de 1 520  mm, al menos un pantógrafo o uno de los pantógrafos que debe(n) instalarse, tendrá un tipo de geometría del arco que se ajuste a una de las dos especificaciones indicadas en las cláusulas 4.2.8.2.9.2.1 y 2 a continuación.

2) Para las unidades eléctricas diseñadas para utilizarse únicamente en el ancho de vía 1 520  mm, al menos uno de los pantógrafos que deben instalarse tendrá un tipo de geometría del arco que se ajuste a una de las tres especificaciones indicadas en las cláusulas 4.2.8.9.2.1, 2 y 3 a continuación.

3) El tipo o los tipos de geometría del arco del pantógrafo con los que vaya equipada una unidad eléctrica se consignarán en la documentación técnica definida en la cláusula 4.2.12.2 de la presente ETI.

4) La anchura del arco del pantógrafo no superará los 0,65 metros.

5) Los arcos de pantógrafo que vayan equipados con frotadores provistos de suspensiones independientes se ajustarán a la especificación a la que se refiere el apéndice J-1, índice 47.

6) El contacto entre el hilo de contacto y el arco del pantógrafo está permitido fuera de los frotadores y dentro de todo el rango de conducción, a lo largo de tramos limitados de la línea en condiciones adversas, como por ejemplo, cuando coincida el balanceo del vehículo con la presencia de fuertes vientos

El rango de conducción y la longitud mínima del frotador se especifican más adelante como parte de la geometría del arco del pantógrafo.

4.2.8.2.9.2.1   Geometría del arco del pantógrafo de tipo 1 600  mm

1) La geometría del arco del pantógrafo se ajustará a la representación que se muestra en la especificación a la que se refiere el apéndice J-1, índice 48.

4.2.8.2.9.2.2   Geometría del arco del pantógrafo de tipo 1 950  mm

1) La geometría del arco del pantógrafo se ajustará a la representación que se muestra en la especificación a la que se refiere el apéndice J-1, índice 49.

2) Se permiten materiales tanto aislantes como no aislantes para los cuernos.

4.2.8.2.9.2.3   Geometría del arco del pantógrafo de tipo 2 000  mm/2 260  mm

1) El perfil del arco del pantógrafo será el que se muestra a continuación:

image

4.2.8.2.9.3   Capacidad de corriente del pantógrafo (nivel de componente de interoperabilidad)

1) Los pantógrafos se diseñarán para la máxima corriente nominal (definida en la cláusula 4.2.8.2.4) que deba transmitirse a la unidad eléctrica.

2) Se realizará un análisis que demuestre que el pantógrafo es capaz de transportar la máxima corriente nominal; este análisis incluirá la verificación de los requisitos de la especificación a la que se refiere el apéndice J-1, índice 50.

3) Los pantógrafos para sistemas de corriente continua se diseñarán para la corriente máxima en parado (definida en la cláusula 4.2.8.2.5 de la presente ETI.)

4.2.8.2.9.4   Frotador (nivel de componente de interoperabilidad)

1) Los frotadores son las partes sustituibles del arco del pantógrafo que están en contacto directo con el hilo de contacto.

4.2.8.2.9.4.1   Geometría de los frotadores

1) Los frotadores se diseñarán geométricamente de manera que puedan acoplarse a una de las geometrías del arco del pantógrafo especificadas en la cláusula 4.2.8.2.9.2.

4.2.8.2.9.4.2   Material del frotador

1) El material utilizado para los frotadores será mecánica y eléctricamente compatible con el material del hilo de contacto (especificado en la cláusula 4.2.14 de la ETI de Energía), a fin de asegurar la adecuada captación de corriente y de evitar que la superficie de los hilos de contacto sufra una abrasión excesiva, lo que reducirá el desgaste de los hilos de contacto y de los frotadores.

2) Se permitirá el carbono puro o el carbono impregnado con aditivos.

Cuando se utilice un material aditivo metálico, el contenido metálico de los frotadores de carbono será cobre o una aleación de cobre y no superará el 35 % en peso cuando se utilicen en líneas de corriente alterna y el 40 % cuando se utilicen en líneas de corriente continua.

Los pantógrafos que se evalúen conforme a la presente ETI irán equipados con frotadores de un material mencionado anteriormente.

3) Adicionalmente, serán admisibles los frotadores de otro material o con mayor porcentaje de contenido de metal o carbono impregnado con revestimiento de cobre (si se admiten en el Registro de Infraestructura) siempre y cuando:

 estén contemplados en normas reconocidas, con mención de las restricciones, en su caso, o

 se hayan sometido a un ensayo de idoneidad para el uso (véase la cláusula 6.1.3.8).

4.2.8.2.9.5   Fuerza estática de contacto del pantógrafo (nivel de componente de interoperabilidad)

1) La fuerza estática de contacto es la fuerza de contacto vertical ejercida en dirección ascendente por el arco del pantógrafo sobre el hilo de contacto y provocada por el aparato elevador del pantógrafo, cuando se eleva el pantógrafo y el vehículo permanece en parado.

2) La fuerza estática de contacto que ejerce el pantógrafo sobre el hilo de contacto, definida anteriormente, será ajustable como mínimo dentro de los siguientes intervalos (según sea la zona de uso del pantógrafo):

 de 60 N a 90 N para sistemas de alimentación de corriente alterna (C.A.),

 de 90 N a 120 N para sistemas de alimentación de corriente continua (C.C.) de 3 kV,

 de 70 N a 140 N para sistemas de alimentación de corriente continua (C.C.) de 1,5 kV.

4.2.8.2.9.6   Fuerza de contacto y comportamiento dinámico del pantógrafo

1) La fuerza de contacto media Fm es la media estadística de la fuerza de contacto del pantógrafo y está formada por los componentes estáticos y aerodinámicos de la fuerza de contacto con corrección dinámica.

2) Los factores que influyen en la fuerza de contacto media son el propio pantógrafo, su posición en la composición del tren, su recorrido vertical y el material rodante en el que está montado el pantógrafo.

3) El material rodante y los pantógrafos instalados en el material rodante están diseñados para ejercer una fuerza de contacto media Fm en el hilo de contacto dentro de un intervalo especificado en la cláusula 4.2.12 de la ETI de Energía, a fin de asegurar la calidad de captación de corriente, de modo que no se produzcan arcos indebidos, y de limitar el desgaste y los riesgos sobre los frotadores. El ajuste de la fuerza de contacto se hace cuando se efectúan ensayos dinámicos.

4) La verificación a nivel del componente de interoperabilidad validará el comportamiento dinámico del propio pantógrafo, así como su capacidad de captar corriente de una línea aérea de contacto conforme con la ETI. El procedimiento de evaluación de la conformidad se especifica en la cláusula 6.1.3.7.

5) La verificación a nivel del subsistema de material rodante (integración en un vehículo concreto) permitirá ajustar la fuerza de contacto, teniendo en cuenta los efectos aerodinámicos debidos al material rodante y a la posición del pantógrafo en la unidad o en las formaciones de tren fijas o predefinidas. El procedimiento de evaluación de la conformidad se especifica en la cláusula 6.2.3.20.

6) Conforme a la ETI de Energía, el intervalo de fuerza de contacto media Fm no está armonizado para las líneas aéreas de contacto diseñadas para una velocidad superior a 320 km/h.

Por lo tanto, las unidades eléctricas solo pueden evaluarse con arreglo a la presente ETI en cuanto al comportamiento dinámico del pantógrafo hasta una velocidad de 320 km/h.

Para el intervalo de velocidades superiores a 320 km/h hasta la velocidad máxima (si esta es superior a 320 km/h), será de aplicación el procedimiento para soluciones innovadoras descrito en el artículo 10 y en el capítulo 6 de la presente ETI.

4.2.8.2.9.7   Disposición de los pantógrafos (nivel de material rodante)

1) Es admisible que haya varios pantógrafos en contacto con la línea aérea de contacto al mismo tiempo.

2) El número de pantógrafos y la distancia entre ellos se diseñarán teniendo en cuenta los requisitos de captación de corriente definidos anteriormente en la cláusula 4.2.8.2.9.6.

3) Cuando la separación entre dos pantógrafos consecutivos en formaciones fijas o predefinidas de la unidad evaluada sea inferior a la separación indicada en la cláusula 4.2.13 de la ETI de Energía para el tipo seleccionado de distancia de diseño de la línea aérea de contacto, o cuando más de dos pantógrafos estén simultáneamente en contacto con la línea aérea de contacto, deberá demostrarse mediante ensayo que el pantógrafo con peores prestaciones (identificado por medio de simulaciones previas al ensayo) alcanza la calidad de captación de corriente definida anteriormente en la cláusula 4.2.8.2.9.6.

4) El tipo de distancia de diseño de la línea aérea de contacto (A, B o C, según lo definido en la cláusula 4.2.13 de la ETI de Energía) seleccionado (y por tanto utilizado para el ensayo) se consignará en la documentación técnica (véase la cláusula 4.2.12.2).

4.2.8.2.9.8   Circulación a través de secciones de separación de fases o de sistemas (nivel de material rodante)

1) Los trenes se diseñarán de manera que puedan pasar entre sistemas de alimentación eléctrica y entre secciones de fase contiguas (según se describe en las cláusulas 4.2.15 y 4.2.16 de la ETI de Energía) sin puentear dichas secciones de separación de fase o de sistema.

2) Las unidades eléctricas diseñadas para varios sistemas de alimentación eléctrica reconocerán automáticamente, al circular a través de secciones de separación de sistemas, la tensión del sistema de alimentación eléctrica que le llega al pantógrafo.

3) Al circular a través de secciones de separación de fases o de sistemas, deberá poder anularse el consumo de energía eléctrica de la unidad. En el Registro de Infraestructura se da información sobre la posición permitida de los pantógrafos: levantados o bajados (con las disposiciones del pantógrafo permitidas) al circular a través de secciones de separación de fases o sistemas.

4) Las unidades eléctricas de velocidad máxima de diseño superior o igual a 250 km/h estarán equipadas con un sistema embarcado de control y supervisión del tren capaz de recibir desde el exterior la información relativa al emplazamiento de la sección de separación, y el sistema de control y supervisión del tren de la unidad enviará automáticamente las órdenes correspondientes al mando del pantógrafo y el disyuntor principal sin la intervención del maquinista.

5) Las unidades destinadas a operar en líneas equipadas con el sistema de tierra ETCS para control-mando y señalización estarán dotadas de un sistema embarcado de control y supervisión del tren capaz de recibir del sistema ETCS la información relativa a la localización de la sección de separación, descrita en el anexo A, índice 7, de la ETI de Control Mando y Señalización. Para las unidades cuya velocidad máxima de diseño sea inferior a 250 km/h, no se requiere que las órdenes sobre el pantógrafo y/o el disyuntor sean automáticas, pero la información proporcionada por el sistema ETCS sobre la separación de la sección se mostrará a bordo para que intervenga el maquinista.

4.2.8.2.9.9   Aislamiento del pantógrafo respecto al vehículo (nivel de material rodante)

1) En las unidades eléctricas, los pantógrafos se montarán de manera que se asegure que el recorrido de la corriente, desde el arco de captación hasta los equipos del vehículo, esté aislado. El aislamiento será adecuado para todas las tensiones del sistema para las cuales se haya diseñado la unidad.

4.2.8.2.9.10   Bajada del pantógrafo (nivel de material rodante)

1) Las unidades eléctricas estarán diseñadas para descender el pantógrafo en un período de tiempo ajustado a los requisitos de la especificación a la que se refiere el apéndice J-1, índice 51, cláusula 4.7 (3 segundos) y a la distancia de aislamiento dinámico estipulada en la especificación a la que se refiere el apéndice J-1, índice 52, ya sea por iniciativa del maquinista o en respuesta a una función de control del tren (incluidas las funciones de control-mando y señalización).

2) El pantógrafo descenderá hasta la posición plegada en menos de 10 segundos.

Cuando se baje el pantógrafo, el disyuntor principal se habrá abierto previamente de manera automática.

3) Si una unidad eléctrica va equipada con un dispositivo de descenso automático («automatic dropping device», ADD) que baje el pantógrafo en caso de avería del arco de captación, el ADD cumplirá los requisitos de la especificación a la que se refiere el apéndice J-1, índice 51, cláusula 4.8.

4) Las unidades eléctricas cuya velocidad máxima de diseño sea superior a 160 km/h estarán equipadas con un ADD.

5) Las unidades eléctricas que requieran más de un pantógrafo levantado en funcionamiento y cuya velocidad máxima de diseño sea superior a 120 km/h estarán equipadas con un ADD.

6) También se permite que otras unidades eléctricas vayan equipadas con un ADD.

4.2.8.2.10   Protección eléctrica del tren

1) Las unidades eléctricas estarán protegidas contra cortocircuitos internos (desde el interior de la unidad).

2) La ubicación del disyuntor principal será tal que proteja los circuitos de alta tensión embarcados, incluida toda conexión de alta tensión entre vehículos. El pantógrafo, el disyuntor principal y la conexión de alta tensión entre ellos, se ubicarán en el mismo vehículo.

3) Las unidades eléctricas estarán protegidas contra sobretensiones cortas, sobretensiones temporales y corrientes de pérdida máximas. Para cumplir este requisito, el diseño de la coordinación de la protección eléctrica de la unidad cumplirá los requisitos definidos en la especificación a la que se refiere el apéndice J-1, índice 53.

4.2.8.3.    Sistemas diésel y otros sistemas de tracción térmica

1) Los motores diésel deben cumplir la legislación de la Unión en materia de gases de escape (composición, valores límite).

4.2.8.4.    Protección contra los riesgos eléctricos

1) El material rodante y sus componentes en tensión estarán diseñados de tal manera que se evite el contacto directo o indirecto con el personal del tren y los viajeros, tanto en condiciones normales como en caso de avería del equipo. A fin de cumplir este requisito, se aplicarán las disposiciones contempladas en la especificación a la que se refiere el apéndice J-1, índice 54.

4.2.9.    Cabina de conducción e interfaz hombre-máquina

1) Los requisitos especificados en esta cláusula se aplican a las unidades equipadas con cabina de conducción.

4.2.9.1.    Cabina de conducción

4.2.9.1.1   Aspectos generales

1) Las cabinas de conducción se diseñarán de manera que pueda manejarlas un único maquinista.

2) El nivel máximo de ruido permitido en la cabina es el especificado en la ETI de Ruido.

4.2.9.1.2   Entrada y salida

4.2.9.1.2.1   Entrada y salida en condiciones de servicio

1) La cabina de conducción será accesible desde ambos lados del tren, desde una altura de 200 mm por debajo de la cabeza del carril.

2) Está permitido que este acceso sea directo desde el exterior, mediante una puerta exterior de la cabina, o a través de la zona situada en la parte trasera de la cabina. En este último caso, los requisitos definidos en esta cláusula se aplicarán a los accesos exteriores utilizados para acceder a la cabina por cualquiera de los dos lados del vehículo.

3) Los medios para que la tripulación del tren entre en la cabina y salga de ella, como peldaños, pasamanos o manillas de apertura, permitirán un uso seguro y fácil, para lo cual sus dimensiones (inclinación, anchura, separación, forma) deberán evaluarse conforme a normas reconocidas; estos medios estarán diseñados teniendo en cuenta criterios ergonómicos en relación con su uso. Los peldaños no tendrán bordes cortantes que supongan un obstáculo para los zapatos de la tripulación del tren.

4) El material rodante con pasarelas exteriores irá equipado de pasamanos y bordes bajos para la contención de los pies, para la seguridad del maquinista al acceder a la cabina.

5) Las puertas exteriores de la cabina de conducción se abrirán de tal manera que permanezcan dentro del contorno de referencia previsto (véase la cláusula 4.2.3.1 de la presente ETI) cuando estén abiertas (estando la unidad en parado).

6) Las puertas exteriores de la cabina de conducción tendrán un paso libre mínimo de 1 675  mm × 500 mm, cuando sean accesibles mediante peldaños, o de 1 750  mm × 500 mm, cuando sean accesibles al nivel del suelo.

7) Las puertas interiores utilizadas por la tripulación del tren para acceder a la cabina tendrán un paso libre mínimo de 1 700  mm × 430 mm.

8) Cuando las puertas tanto exteriores como interiores de la cabina de conducción estén situadas en posición perpendicular a la dirección de la marcha y adyacentes al lateral del vehículo, estará permitido reducir la anchura de la distancia libre de paso en su parte superior (ángulo del lado superior exterior) debido al gálibo del vehículo; en ningún caso esta reducción superará la limitación impuesta por el gálibo en la parte superior ni se traducirá en que la anchura de paso libre en la parte superior de la puerta sea inferior a 280 mm.

9) La cabina de conducción y su acceso estarán diseñados de manera que la tripulación del tren pueda evitar el acceso a la cabina de personal no autorizado, tanto si la cabina está ocupada como si no, y de manera que el ocupante de la cabina pueda salir de ella sin tener que usar ninguna herramienta ni llave.

10) Deberá poderse acceder a la cabina de conducción sin que se disponga de alimentación eléctrica a bordo. Las puertas exteriores de la cabina no se abrirán de manera no intencionada.

4.2.9.1.2.2   Salida de emergencia de la cabina de conducción

1) En una situación de emergencia, será posible la evacuación de la tripulación del tren de la cabina de conducción y el acceso de los servicios de rescate al interior de la cabina por ambos lados de la misma, utilizando uno de los siguientes medios de salida de emergencia: puertas exteriores de la cabina (acceso directamente desde el exterior, según se define anteriormente en la cláusula 4.2.9.1.2.1) o ventanas laterales o escotillas de emergencia.

2) En todos los casos, el medio de salida de emergencia tendrá un paso libre mínimo (zona libre) de 2 000  cm2 con una dimensión interior mínima de 400 mm, para permitir la liberación de las personas atrapadas.

3) Las cabinas de conducción en posición frontal tendrán al menos una salida interior; esta salida dará acceso a una zona de una longitud mínima de 2 metros, de una distancia libre mínima idéntica a las especificadas en la cláusula 4.2.9.1.2.1, puntos 7 y 8, y esta zona estará libre de cualquier elemento que obstaculice la evacuación del maquinista. La zona anteriormente citada estará ubicada a bordo de la unidad y podrá ser una zona interior o una zona abierta al exterior.

4.2.9.1.3   Visibilidad exterior

4.2.9.1.3.1   Visibilidad delantera

1) La cabina de conducción estará diseñada de manera que permita al maquinista, en su posición de conducción sentada, tener una línea de visión clara y sin obstáculos a fin de distinguir las señales fijas colocadas tanto a la derecha como a la izquierda de una vía recta, y en curvas con un radio de 300 m o más, en las condiciones definidas en el apéndice F.

2) El requisito anterior se cumplirá también desde la posición de conducción de pie en las condiciones definidas en el apéndice F, en las locomotoras y los coches con cabina de conducción, cuando estos coches estén destinados a que el maquinista los conduzca también de pie.

3) Para las locomotoras con cabina central y para el material rodante auxiliar, a fin de asegurar la visibilidad de las señales bajas, está permitido que el maquinista se mueva entre diferentes posiciones dentro de la cabina con objeto de cumplir el requisito anterior; no es obligatorio cumplir el requisito desde la posición de sentado.

4.2.9.1.3.2   Vista trasera y lateral

1) La cabina estará diseñada de manera que permita que el maquinista tenga una vista trasera de cada lado del tren en parado. Se permitirá cumplir este requisito por uno de los medios siguientes: ventanas o paneles laterales que puedan abrirse a cada lado de la cabina, espejos exteriores o sistemas de cámara.

2) En caso de utilizarse como medio para cumplir el requisito mencionado anteriormente en el punto 1, ventanas o paneles laterales que puedan abrirse, la apertura será lo suficientemente amplia como para que el maquinista pueda sacar la cabeza por ella; además, en el caso de las locomotoras y los coches con cabina de conducción destinados a utilizarse en una composición de tren con una locomotora, el diseño deberá permitir al maquinista utilizar al mismo tiempo el freno de emergencia.

4.2.9.1.4   Distribución interior

1) La distribución interior de la cabina tendrá en cuenta las medidas antropométricas del maquinista establecidas en el apéndice E.

2) No habrá obstrucciones en el interior de la cabina que limiten la libertad de movimiento del personal.

3) El suelo de la cabina correspondiente a la zona de trabajo del maquinista (excluidos el acceso a la cabina y el reposapiés) no tendrá escalones.

4) La distribución interior permitirá posiciones de conducción de pie y sentado en las locomotoras y en los coches con cabina de conducción, cuando estos coches estén destinados a que el maquinista los conduzca también de pie.

5) La cabina estará equipada con al menos un asiento de maquinista (véase la cláusula 4.2.9.1.5) y, de manera complementaria, con un asiento no considerado como de conducción, para un posible ayudante.

4.2.9.1.5   Asiento del maquinista

Requisitos a nivel de componente

1) El asiento del maquinista estará diseñado de tal manera que le permita desempeñar todas las funciones de conducción normales en posición de sentado, teniendo en cuenta las medidas antropométricas del maquinista establecidas en el apéndice E. Asimismo, permitirá que el maquinista esté en una postura correcta desde el punto de vista fisiológico.

2) El maquinista deberá poder ajustar la posición del asiento a fin de poder cumplir con la posición de referencia de los ojos para la visibilidad exterior, definida en la cláusula 4.2.9.1.3.1.

3) En el diseño del asiento y su utilización por el maquinista se tomarán en consideración aspectos de ergonomía y salud.

Requisitos para la integración en la cabina de conducción

4) El montaje del asiento en la cabina deberá realizarse de tal manera que permita cumplir los requisitos de visibilidad exterior especificados anteriormente en la cláusula 4.2.9.1.3.1, utilizando el margen de ajuste que permita el asiento (a nivel de componente); ello no afectará a los aspectos de ergonomía y salud ni al uso del asiento por parte del maquinista.

5) El asiento no constituirá un obstáculo para que el maquinista pueda escapar en caso de emergencia.

6) El montaje del asiento del maquinista en locomotoras y coches con cabina de conducción, cuando estos coches estén destinados a que el maquinista los conduzca también de pie, permitirá el ajuste para obtener el espacio libre necesario para la posición de conducción de pie.

4.2.9.1.6   Pupitre de conducción: ergonomía

1) El pupitre de conducción y su equipo y mandos de funcionamiento se dispondrán de manera que el maquinista pueda mantener una postura normal, en la posición de conducción más frecuente, sin obstaculizar su libertad de movimiento, teniendo en cuenta las medidas antropométricas del maquinista establecidas en el apéndice E.

2) Para que puedan colocarse en la superficie del pupitre de conducción los documentos en papel necesarios durante la conducción, se dispondrá de una zona de un mínimo de 30 cm de anchura por 21 cm de altura, frente al asiento del maquinista.

3) Los elementos de mando y funcionamiento estarán claramente marcados de manera que el maquinista pueda identificarlos.

4) Si el esfuerzo de tracción o de frenado se fija mediante una palanca (una combinada o varias separadas), el «esfuerzo de tracción» se aumentará empujando la palanca hacia adelante y el «esfuerzo de frenado» tirando de la palanca hacia el maquinista.

Si hay una posición para el frenado de emergencia, esta se distinguirá claramente de las demás posiciones de la palanca (por ejemplo, mediante una muesca).

4.2.9.1.7   Control de la climatización y calidad del aire

1) El aire de la cabina se renovará para mantener la concentración de CO2 en los niveles especificados en la cláusula 4.2.5.8 de la presente ETI.

2) En la posición de conducción sentado (definida en la cláusula 4.2.9.1.3) al nivel de la cabeza y los hombros del maquinista, no habrá flujos de aire provocados por el sistema de ventilación que tengan una velocidad superior al valor límite reconocido, a fin de asegurar un entorno de trabajo adecuado.

4.2.9.1.8   Iluminación interior

1) La iluminación general de la cabina se activará por orden del maquinista en todos los modos de funcionamiento normales del material rodante (incluido el modo «desconectado»). Su luminosidad será superior a 75 lux al nivel del pupitre de conducción, salvo para el material rodante auxiliar, en cuyo caso será superior a 60 lux.

2) Se dispondrá de iluminación independiente para la zona de lectura del pupitre de conducción, la cual se activará por orden del maquinista y será ajustable hasta un valor superior a 150 lux.

3) Se dispondrá asimismo de iluminación independiente para los instrumentos, la cual será ajustable.

4) A fin de evitar cualquier confusión peligrosa con la señalización de servicio externa, no están permitidas en la cabina de conducción luces verdes o iluminación verde, excepto para los sistemas de señalización de la cabina de clase B existentes (definidos en la ETI de Control, Mando y Señalización).

4.2.9.2.    Parabrisas

4.2.9.2.1.   Características mecánicas

1) Las dimensiones, la ubicación, la forma y los acabados (incluidos los que tengan fines de mantenimiento) de las ventanas no obstaculizarán la vista exterior del maquinista (definida en la cláusula 4.2.9.1.3.1) y facilitarán la tarea de conducción.

2) Los parabrisas de la cabina de conducción deberán poder resistir los impactos de proyectiles indicados en la especificación a la que se refiere el apéndice J-1, índice 55, cláusula 4.2.7, y evitarán la proyección de astillas de vidrio según lo indicado en la misma especificación, cláusula 4.2.9.

4.2.9.2.2.   Características ópticas

1) Los parabrisas de la cabina de conducción serán de una calidad óptica que no altere la visibilidad de las señales (forma y color) en ninguna condición de funcionamiento (por ejemplo, cuando el parabrisas se caliente para eliminar el vaho y el hielo).

2) El ángulo entre las imágenes primaria y secundaria con el parabrisas instalado se ajustará a los valores límite indicados en la especificación a la que se refiere el apéndice J-1, índice 56, cláusula 4.2.2.

3) Las distorsiones ópticas de la visión permisibles serán las indicadas en la especificación a la que se refiere el apéndice J-1, índice 56, cláusula 4.2.3.

4) La difusión se ajustará a lo dispuesto en la especificación a la que se refiere el apéndice J-1, índice 56, cláusula 4.2.4.

5) La transmitancia luminosa se ajustará a lo dispuesto en la especificación a la que se refiere el apéndice J-1, índice 56, cláusula 4.2.5.

6) La cromaticidad se ajustará a lo dispuesto en la especificación a la que se refiere el apéndice J-1, índice 56, cláusula 4.2.6.

4.2.9.2.3   Equipo

1) El parabrisas estará provisto de dispositivos de descongelación y antivaho y de medios de limpieza exterior controlados por el maquinista.

2) La ubicación, el tipo y la calidad de los dispositivos de limpieza del parabrisas asegurarán que el maquinista pueda tener una vista exterior clara en la mayor parte de las condiciones climáticas y de explotación, y no obstaculizarán la vista exterior del maquinista.

3) Se dispondrá de protección contra el sol que, cuando se encuentre en posición replegada, no reduzca la visibilidad que tenga el maquinista de las señales exteriores, las demás señales y cualquier otra información visual.

4.2.9.3.    Interfaz hombre-máquina

4.2.9.3.1.   Función de control de la actividad del maquinista

1) La cabina de conducción estará equipada con un medio de control de la actividad del maquinista, de manera que el tren se detenga automáticamente cuando se detecte ausencia de actividad del maquinista. Ello proporciona a la empresa ferroviaria un medio técnico embarcado para cumplir el requisito que establece la cláusula 4.2.2.9 de la ETI de Explotación.

2)  Especificación de los medios de control de la actividad del maquinista (y de detección de la ausencia de actividad)

La actividad del maquinista se controlará cuando el tren esté en configuración de conducción y se encuentre en movimiento (el criterio para la detección de movimiento se sitúa en un umbral de velocidad baja); este control se hará supervisando la actividad del maquinista en interfaces de conducción reconocidas, mediante dispositivos específicos (por ejemplo, pedales, pulsadores, botones sensibles, etc.) y/o mediante interfaces reconocidas del maquinista con el sistema de control y supervisión del tren.

Cuando no se constate actividad en ninguna de dichas interfaces durante un intervalo de tiempo superior a X segundos, se disparará una señal de ausencia de actividad del maquinista.

El sistema permitirá el ajuste (en el taller, como actividad de mantenimiento) del tiempo X dentro de un margen de entre 5 segundos y 60 segundos.

Cuando se detecte la misma actividad realizada de forma constante durante más de un determinado tiempo, no superior a 60 segundos, sin que exista otra actividad en una interfaz reconocida del maquinista, se disparará también una señal de falta de actividad del maquinista.

Antes de que se dispare la señal de falta de actividad del maquinista, se enviará un aviso al maquinista de manera que tenga la posibilidad de reaccionar y devolver el sistema a su estado normal.

El sistema tendrá la información «alarma por falta de actividad del maquinista» disponible para otros sistemas (por ejemplo, el sistema de radio).

3)  Requisito adicional

La detección de falta de actividad del maquinista es una función que deberá someterse a un estudio de fiabilidad en el que se consideren el modo de fallo de los componentes, redundancias, software, comprobaciones periódicas y otras disposiciones, y la estimación del índice de fallo de la función (falta de actividad del maquinista no detectada, según lo especificado anteriormente) se hará constar en la documentación técnica definida en la cláusula 4.2.12.

4)  Especificación de las actuaciones que se disparan al nivel del tren cuando se detecta una falta de actividad del maquinista

Una falta de actividad del maquinista, cuando el tren esté en configuración de conducción y se encuentre en movimiento (el criterio para la detección de movimiento se sitúa en un umbral de velocidad baja), dará lugar a una aplicación completa del freno de servicio o a una aplicación del freno de emergencia del tren.

En caso de aplicación completa del freno de servicio, su aplicación efectiva será controlada automáticamente y, en caso de no aplicación, irá seguida de un frenado de emergencia.

5)  Notas:

 Está permitido que la función descrita en esta cláusula sea desempeñada por el subsistema de control-mando y señalización.

 El valor del intervalo de tiempo X debe definirlo y justificarlo la empresa ferroviaria (en aplicación de la ETI de Explotación y el Reglamento de los Métodos Comunes de Seguridad, y en consideración de sus procedimientos técnicos o medios de cumplimiento vigentes; este aspecto queda fuera del ámbito de aplicación de la presente ETI).

 Como medida transitoria, también está permitido instalar un sistema de tiempo fijo X (sin ajuste posible) siempre que el tiempo X se sitúe dentro del margen de entre 5 segundos y 60 segundos y que la empresa ferroviaria pueda justificar ese tiempo fijo (según lo descrito anteriormente).

 Un Estado miembro podrá imponer a las empresas ferroviarias, que operen en su territorio, que ajusten su material rodante con un límite máximo para el tiempo X, siempre que pueda demostrar la necesidad de esa disposición para preservar el nivel de seguridad nacional. En todos los demás casos, los Estados miembros no podrán impedir el acceso de una empresa ferroviaria que utilice un tiempo mayor Z (dentro del margen especificado).

4.2.9.3.2.   Indicación de la velocidad

1) Esta función y la correspondiente evaluación de la conformidad se especifican en la ETI de Control, Mando y Señalización.

4.2.9.3.3   Pantallas y consolas del maquinista

1) Los requisitos funcionales sobre la información y las órdenes que se reciben en la cabina de conducción se especifican, junto con otros requisitos aplicables a la función en cuestión, en la cláusula que describe esa función. Esto mismo se aplica a la información y las órdenes que puedan recibirse mediante consolas y pantallas.

Las órdenes y la información del sistema ERTMS, incluidas las recibidas en una consola, se especifican en la ETI de Control, Mando y Señalización.

2) Para las funciones dentro del ámbito de aplicación de la presente ETI, la información y las órdenes que debe usar el maquinista para controlar y dirigir el tren, y que se dan mediante consolas o pantallas, estarán diseñadas de manera que permitan un uso y una reacción adecuados por parte del maquinista.

4.2.9.3.4.   Controles e indicadores

1) Los requisitos funcionales, junto con otros requisitos aplicables a una determinada función, se especifican en la cláusula que describe esa función.

2) Todas las luces indicadoras estarán diseñadas de manera que puedan leerse correctamente en condiciones de iluminación natural o artificial, incluida la iluminación indirecta.

3) Los posibles reflejos de los indicadores y los pulsadores iluminados en las ventanas de la cabina de conducción no interferirán con la línea de visión del maquinista en su posición normal de trabajo.

4) A fin de evitar cualquier confusión peligrosa con la señalización de servicio externa, no están permitidas en la cabina de conducción luces verdes o iluminación verde excepto para los sistemas de señalización de la cabina de clase B existentes (con arreglo a la ETI de Control, Mando y Señalización).

5) La información acústica generada por los equipos embarcados dentro de la cabina de conducción no será inferior a 6 dB(A) por encima del nivel de ruido en la cabina (este nivel de ruido de referencia se tomará como medido en las condiciones especificadas en la ETI de Ruido).

4.2.9.3.5.   Marcado interior

1) En las cabinas de conducción se indicará la siguiente información:

 velocidad máxima (Vmax),

 número de identificación del material rodante (número del vehículo de tracción),

 ubicación de equipos portátiles (por ejemplo, dispositivo de auto-rescate, señales, etc.),

 salida de emergencia.

2) Se utilizarán pictogramas armonizados para marcar los mandos e indicadores de la cabina.

4.2.9.3.6   Función de control remoto por radio por parte del personal para maniobras

1) Si existe una función de control remoto por radio para que un miembro del personal controle la unidad durante las maniobras, esta función estará diseñada de manera que permita controlar el movimiento del tren con seguridad y evitar errores cuando se utilice.

2) Se asume que el miembro del personal que utilice la función de control remoto puede detectar visualmente el movimiento del tren mientras usa el dispositivo de control remoto.

3) El diseño de la función de control remoto, incluidos los aspectos de seguridad, se evaluarán de acuerdo a normas reconocidas.

4.2.9.4.    Dotación y equipos portátiles

1) Se dispondrá de un espacio en la cabina de conducción o cerca de esta para guardar el equipo indicado a continuación, por si el maquinista lo necesitase en una situación de emergencia:

 linterna con luz blanca y roja,

 equipo de shuntado para circuitos de vía,

 calces, si las prestaciones del freno de estacionamiento no son suficientes según el gradiente de la vía (véase la cláusula 4.2.4.5.5, «Freno de estacionamiento»),

 un extintor de incendios (que estará ubicado en la cabina; véase también la cláusula 4.2.10.3.1),

 en las unidades de tracción con personal a bordo de los trenes de mercancías: un dispositivo de auto-rescate (equipos de protección respiratoria para evacuación), según se especifica en la ETI de Seguridad en los Túneles (véase la ETI de Seguridad en los Túneles, cláusula 4.7.1).

4.2.9.5.    Almacenamiento de efectos personales de los trabajadores

1) Cada cabina de conducción irá equipada con:

 dos ganchos para ropa o un hueco con un colgador de ropa,

 un espacio libre para guardar una maleta o bolsa cuyas dimensiones sean 300 mm × 400 mm × 400 mm.

4.2.9.6.    Aparato registrador

1) La lista de información que debe registrarse se define en la ETI de Explotación.

2) La unidad estará equipada con un medio que permita registrar esta información cumpliendo los requisitos siguientes:

3) Los requisitos funcionales indicados en la especificación a la que se refiere el apéndice J-1, índice 57, cláusulas 4.2.1, 4.2.2, 4.2.3 y 4.2.4 se deberán cumplir.

4) Las prestaciones de registro serán conformes a la clase R1 de la especificación a la que se refiere el apéndice J-1, índice 57, cláusula 4.3.1.2.2.

5) La integridad (coherencia, precisión) de los datos registrados y extraídos se ajustará a la especificación a la que se refiere el apéndice J-1, índice 57, cláusula 4.3.1.4.

6) La integridad de los datos se protegerá con arreglo a la especificación a la que se refiere el apéndice J-1, índice 57, cláusula 4.3.1.5.

7) El nivel de protección aplicable al medio de almacenamiento protegido será el nivel «A», como se define en la especificación a la que se refiere el apéndice J-1, índice 57, cláusula 4.3.1.7.

4.2.10.    Seguridad contra incendios y evacuación

4.2.10.1.    Aspectos generales y categorización

1) Esta cláusula se aplica a todas las unidades.

2) El material rodante estará diseñado de tal manera que proteja a los viajeros y al personal de a bordo en caso de peligro de incendio a bordo y que permita una evacuación y un rescate efectivos en casos de emergencia. Se considerará que se respeta esta exigencia cuando se cumplan los requisitos de la presente ETI.

3) La categoría de la unidad en cuanto a la seguridad contra incendios considerada para su diseño, conforme a la cláusula 4.1.4 de la presente ETI, se consignará en la documentación técnica descrita en la cláusula 4.2.12 de esta ETI.

4.2.10.2.    Medidas de prevención de incendios

4.2.10.2.1   Requisitos de los materiales

1) En la selección de los materiales y componentes se tendrán en cuenta su comportamiento al fuego, considerándose aspectos tales como la inflamabilidad, la opacidad del humo y la toxicidad.

2) Los materiales empleados en la construcción de la unidad de material rodante se ajustarán a los requisitos de la especificación a la que se refiere el apéndice J-1, índice 58 para la «categoría de explotación» definida a continuación:

 «categoría de explotación 2» para la categoría A de material rodante de viajeros (incluyendo locomotoras de viajeros),

 «categoría de explotación 3» para la categoría B de material rodante de viajeros (incluyendo locomotoras de viajeros),

 «categoría de explotación 2» para las locomotoras de trenes de mercancías y las unidades autopropulsadas destinadas a transportar otro tipo de carga útil (correo, mercancías, etc.),

 «categoría de explotación 1» para el material rodante auxiliar, con requisitos limitados a áreas que sean accesibles para el personal, cuando la unidad se encuentre en configuración de circulación de transporte (véase la sección 2.3 de la presente ETI).

3) Con objeto de asegurar unas características de producto y un proceso de fabricación constantes, se requiere lo siguiente:

 el certificado que demuestre que un material cumple la norma, que se expedirá inmediatamente después de someter a ensayo dicho material, deberá revisarse cada cinco años,

 en caso de que no se produzcan cambios en las características de producto ni en el proceso de fabricación, y de que no varíen los requisitos (ETI), no se requiere someter este material a nuevos ensayos; el certificado solo tendrá que actualizarse en lo referente a su fecha de expedición.

4.2.10.2.2   Medidas específicas para líquidos inflamables

1) Los vehículos ferroviarios deberán disponer de medidas adecuadas para evitar el inicio y la propagación de un incendio debido a una fuga de líquidos o gases inflamables.

2) Los líquidos inflamables que se utilicen como agente refrigerante en el equipo de alta tensión de las locomotoras de trenes de mercancías se ajustará al requisito R14 de la especificación a la que se refiere el apéndice J-1, índice 59.

4.2.10.2.3   Detección de cajas de grasa calientes

Los requisitos se especifican en la cláusula 4.2.3.3.2 de la presente ETI.

4.2.10.3.    Medidas de detección y control de incendios

4.2.10.3.1   Extintores portátiles

1) Esta cláusula es aplicable a las unidades diseñadas para transportar viajeros o personal, o ambos.

2) La unidad irá equipada con extintores portátiles adecuados y suficientes en las zonas de viajeros o en las de personal, o en ambas zonas.

3) Los extintores portátiles de agua con aditivos se estiman adecuados para que el material rodante los lleve embarcados.

4.2.10.3.2   Sistemas de detección de incendios

1) El equipo y las zonas del material rodante que supongan intrínsecamente un riesgo de incendio se equiparán con un sistema capaz de detectar el fuego en sus inicios.

2) Cuando se detecte un incendio, se notificará al maquinista y se activarán acciones automáticas dirigidas a reducir al mínimo el consiguiente riesgo para los viajeros y el personal del tren.

3) En los compartimentos dormitorio, la detección de un incendio activará una alarma acústica y óptica local en el área afectada. La señal acústica deberá ser suficiente para despertar a los viajeros. La señal óptica deberá ser claramente visible y no habrá obstáculos que impidan su visión.

4.2.10.3.3   Sistema automático de lucha contra incendios para las unidades diésel de trenes de mercancías

1) La presente cláusula es aplicable a las locomotoras diésel de trenes de mercancías y a las unidades diésel autopropulsadas destinadas a transportar mercancías.

2) Estas unidades estarán dotadas de un sistema automático capaz de detectar un incendio del combustible diésel y de apagar todo el equipo pertinente y cortar íntegramente el suministro de combustible.

4.2.10.3.4   Sistemas de contención y control de incendios para el material rodante de viajeros

1) Esta cláusula es aplicable a las unidades de categoría B de material rodante de viajeros.

2) La unidad estará dotada de medidas adecuadas para controlar la propagación del calor y de los efluentes del fuego en todo el tren.

3) Se considerará que se cumple esta condición cuando se verifique la conformidad con los siguientes requisitos:

 la unidad irá equipada con tabiques de sección transversal completa en las áreas de viajeros y personal de cada vehículo, con una separación máxima de 30 m, que cumplirán los requisitos de integridad durante un mínimo de 15 minutos (suponiendo que el fuego pueda comenzar desde cualquiera de los dos lados del tabique), o con otros sistemas de contención y control de incendios,

 la unidad irá equipada con barreras contra incendios que cumplirán los requisitos de integridad y aislamiento térmico durante un mínimo de 15 minutos en las siguientes ubicaciones (cuando estas sean relevantes para la unidad en cuestión):

 

 entre la cabina del maquinista y el compartimento situado tras ella (suponiendo que el fuego comience en dicho compartimento),

 entre el motor de combustión y las zonas contiguas de viajeros o personal (suponiendo que el fuego se inicie en el motor de combustión);

 entre compartimentos donde haya una línea de alimentación eléctrica o equipos del circuito de tracción o ambos y las zonas de viajeros o personal (suponiendo que el incendio se inicie en la línea de alimentación eléctrica o en los equipos del circuito de tracción),

 el ensayo deberá efectuarse conforme a los requisitos de la especificación a la que se refiere el apéndice J-1, índice 60.

4) Si se utilizan otros sistemas de contención y control de incendios en lugar de tabiques de sección transversal completa en las zonas de viajeros o personal, se aplicarán los requisitos siguientes:

 estarán instalados en cada vehículo de la unidad que transporte viajeros, personal, o ambos,

 deberán asegurar que el fuego y el humo no se propaguen en concentraciones peligrosas a lo largo de una longitud superior a 30 m en las zonas de viajeros o de personal dentro de la unidad, durante al menos 15 minutos después de iniciarse un incendio;

la evaluación de este parámetro es un punto abierto.

5) Si se utilizan otros sistemas de contención y control de incendios y estos se basan en la fiabilidad y en la disponibilidad de sistemas, componentes o funciones, deberán someterse a un estudio de fiabilidad en el que se considere el modo de fallo de los componentes, redundancias, software, comprobaciones periódicas y otras disposiciones, y la estimación del índice de fallo de la función (ausencia de control de la propagación del calor y los efluentes del fuego) se hará constar en la documentación técnica definida en la cláusula 4.2.12.

Sobre la base de este estudio, las condiciones de funcionamiento y mantenimiento del sistema de contención y control de incendios se definirán y se harán constar en la documentación sobre la explotación y el mantenimiento descrita en las cláusulas 4.2.12.3 y 4.2.12.4.

4.2.10.3.5   Medidas contra la propagación de incendios para las locomotoras de trenes de mercancías y las unidades autopropulsadas destinadas a transportar mercancías

1) La presente cláusula es aplicable a las locomotoras de trenes de mercancías y a las unidades autopropulsadas destinadas a transportar mercancías.

2) Estas unidades tendrán una barrera contra incendios para proteger la cabina del maquinista.

3) Estas barreras contra incendios cumplirán los requisitos de integridad y aislamiento térmico durante un mínimo de 15 minutos; deberán someterse a ensayo conforme a los requisitos de la especificación a la que se refiere el apéndice J-1, índice 61.

4.2.10.4.    Requisitos aplicables a situaciones de emergencia

4.2.10.4.1.   Iluminación de emergencia

1) Para proporcionar protección y seguridad a bordo en caso de emergencia, los trenes irán equipados con un sistema de iluminación de emergencia. Este sistema proporcionará un nivel de iluminación adecuado en las zonas de viajeros y en las de servicio, tal como se describe a continuación:

2) para las unidades cuya velocidad máxima de diseño sea superior o igual a 250 km/h, durante un tiempo mínimo de funcionamiento de tres horas después del corte de la alimentación eléctrica principal;

3) para las unidades cuya velocidad máxima de diseño sea inferior a 250 km/h, durante un tiempo mínimo de funcionamiento de 90 minutos después del corte de la alimentación eléctrica principal.

4) Nivel de iluminación mínimo de 5 lux a nivel del suelo.

5) Los valores del nivel de iluminación para zonas concretas y los métodos de evaluación de la conformidad se ajustarán a los indicados en la especificación a la que se refiere el apéndice J-1, índice 62.

6) En caso de incendio, el sistema de iluminación de emergencia seguirá manteniendo al menos el 50 % de las luces de emergencia de los vehículos no afectados por el fuego durante 20 minutos como mínimo. Se considerará que se cumple este requisito si se realiza un análisis satisfactorio del modo de fallo.

4.2.10.4.2   Control de humos

1) Esta cláusula es aplicable a todas las unidades. En caso de incendio, se reducirá al mínimo la distribución de gases en las zonas ocupadas por los viajeros o el personal o ambos, mediante la aplicación de los requisitos siguientes:

2) Para evitar que el humo del exterior entre en la unidad, será posible apagar o cerrar todos los medios de ventilación externa.

Este requisito se verifica en el subsistema de material rodante a nivel de unidad.

3) Para evitar que el humo que pudiera haber en el interior de un vehículo se propague, será posible apagar la ventilación y la recirculación a nivel del vehículo, lo que podrá conseguirse apagando la ventilación.

4) Es permisible que estas acciones sean activadas de forma manual por el personal a bordo o mediante un dispositivo de control a distancia; está permitido que la activación sea a nivel del tren o a nivel del vehículo.

5) Para las unidades destinadas a utilizarse en líneas que estén equipadas con el sistema de tierra ETCS para control-mando y señalización (incluida la información sobre «estanquidad al aire» descrita en el anexo A, índice 7, de la ETI de Control, Mando y Señalización), el sistema de control embarcado de la unidad deberá ser capaz de recibir del sistema ETCS la información relativa a la estanquidad al aire.

4.2.10.4.3   Alarma de viajeros y medios de comunicación

Los requisitos se especifican en las cláusulas 4.2.5.2, 4.2.5.3 y 4.2.5.4 de la presente ETI.

4.2.10.4.4   Capacidad de circulación

1) Esta cláusula es aplicable a la categoría A y la categoría B de material rodante de viajeros (incluidas las locomotoras de trenes de viajeros).

2) La unidad estará diseñada de modo que, en caso de incendio a bordo, la capacidad de circulación del tren permitirá que este circule hasta un punto adecuado para la extinción de incendios.

3) El cumplimiento se demostrará mediante la aplicación de la especificación a la que se refiere el apéndice J-1, índice 63, en la cual las funciones del sistema afectadas por un incendio de «tipo 2» serán:

 frenado para el material rodante de categoría A de seguridad contra incendios: esta función se evaluará durante un intervalo de 4 minutos,

 frenado y tracción para el material rodante de categoría B de seguridad contra incendios: estas funciones se evaluarán durante un intervalo de 15 minutos a una velocidad mínima de 80 km/h.

4.2.10.5.    Requisitos relativos a la evacuación

4.2.10.5.1.   Salidas de emergencia para viajeros

1) Esta sección es aplicable a las unidades diseñadas para transportar viajeros.

2) Salida de emergencia: salida propia del tren que permite a las personas que se encuentran en su interior salir del tren en caso de emergencia. Una puerta exterior de viajeros es un tipo específico de salida de emergencia.

3) Ruta de evacuación: ruta que recorre el tren en la que se puede entrar y salir desde diferentes extremos y que permite el movimiento de los viajeros y del personal a lo largo del eje longitudinal del tren sin obstrucciones. Se considera que las puertas interiores, que estén destinadas a ser utilizadas por los viajeros en condiciones normales de servicio y que también puedan abrirse en caso de corte de la alimentación, no obstruyen el movimiento de los viajeros ni del personal a lo largo de dicha ruta.

4) Zona de viajeros: zona a la que tienen acceso los viajeros sin necesidad de autorización particular.

5) Compartimento: zona de viajeros o zona de personal que no puede ser utilizada como ruta de evacuación ni por los viajeros ni por el personal.

6) Existirá un número suficiente de puertas de emergencia a lo largo de la(s) ruta(s) de evacuación a ambos lados de la unidad y estarán indicadas. Serán accesibles y de unas dimensiones suficientes como para permitir la liberación de personas.

7) Los viajeros deberán poder abrir las salidas de emergencia desde el interior del tren.

8) Todas las puertas exteriores de viajeros estarán equipadas con dispositivos de apertura de emergencia que permitirán que las puertas se usen como salidas de emergencia (véase la cláusula 4.2.5.5.9).

9) Cada vehículo diseñado para contener hasta 40 viajeros tendrá al menos dos salidas de emergencia.

10) Cada vehículo diseñado para contener más de 40 viajeros tendrá al menos tres salidas de emergencia.

11) Todo vehículo destinado a transportar viajeros tendrá al menos una salida de emergencia a cada lado del vehículo.

12) El número de puertas y sus dimensiones permitirán la evacuación completa en tres minutos de todos los viajeros sin sus equipajes. Está permitido considerar que los viajeros con movilidad reducida deban ser asistidos por otros viajeros o por el personal y que los usuarios de sillas de ruedas sean evacuados sin la silla.

La verificación de este requisito se hará por medio de una prueba física en condiciones normales de servicio.

4.2.10.5.2   Salidas de emergencia de la cabina de conducción

Los requisitos se especifican en la cláusula 4.2.9.1.2.2 de la presente ETI.

4.2.11.    Mantenimiento diario

4.2.11.1.    Aspectos generales

1) Deberá ser posible efectuar el mantenimiento diario y las reparaciones menores que se requieran para garantizar la seguridad del servicio entre intervenciones de mantenimiento mientras el tren se encuentre estacionado fuera de su base de origen habitual.

2) Este apartado reúne los requisitos sobre las disposiciones relativas al mantenimiento diario de los trenes durante su explotación o cuando estén estacionados en una red. La mayor parte de estos requisitos tienen por objeto asegurar que el material rodante tendrá los equipos necesarios para cumplir las disposiciones requeridas en las demás secciones de la presente ETI y de la ETI de Infraestructura.

3) Los trenes deberán ser capaces de permanecer estacionados, sin personal a bordo, conectados al suministro eléctrico de la catenaria o a un suministro eléctrico auxiliar, para alimentar la iluminación interior, el aire acondicionado, los armarios refrigerados, etc.

4.2.11.2.    Limpieza exterior del tren

4.2.11.2.1   Limpieza del parabrisas de la cabina de conducción

1) La presente cláusula es aplicable a todas las unidades equipadas con una cabina de conducción.

2) Las ventanas frontales de las cabinas de conducción deberán poder limpiarse desde el exterior del tren sin necesidad de retirar ningún componente o recubrimiento.

4.2.11.2.2   Limpieza exterior en una estación de lavado

1) La presente cláusula es aplicable a las unidades equipadas con equipo de tracción destinadas a ser limpiadas externamente en una estación de lavado.

2) Deberá ser posible controlar la velocidad de los trenes destinados a ser limpiados externamente en una estación de lavado en vía nivelada, fijándola a un valor entre 2 km/h y 5 km/h. La finalidad de este requisito es asegurar la compatibilidad con las estaciones de lavado.

4.2.11.3.    Conexión al sistema de descarga de retretes

1) La presente cláusula es aplicable a las unidades equipadas con sistemas estancos de retención (con agua limpia o reciclada) que deben vaciarse a intervalos suficientes de forma programada en los complejos ferroviarios designados.

2) Las siguientes conexiones de la unidad al sistema de descarga de retretes se ajustarán a las especificaciones indicadas a continuación:

 la boquilla de evacuación de 3″ (pieza interna): véase el apéndice G-1,

 el racor de descarga para la cisterna del retrete (pieza interna), de uso opcional: véase el apéndice G-1.

4.2.11.4.    Equipo de recarga de agua

1) Esta cláusula es aplicable a las unidades equipadas con los grifos de agua contemplados en la cláusula 4.2.5.1 de la presente ETI.

2) Se considerará que el agua suministrada al tren, hasta la interfaz de llenado con el material rodante, en la red interoperable, es potable con arreglo a la Directiva 98/83/CE, conforme a lo especificado en la cláusula 4.2.12.4 de la ETI de Infraestructura.

El equipo de almacenamiento embarcado no acarreará ningún riesgo adicional para la salud de las personas derivado del almacenamiento del agua recargada con arreglo a las disposiciones anteriores. Se considerará que se cumple este requisito mediante la evaluación del material de tuberías y de sellado, y de su calidad. Los materiales serán adecuados para el transporte y almacenamiento de agua apta para el consumo humano.

4.2.11.5.    Interfaz para la recarga de agua

1) Esta cláusula es aplicable a las unidades equipadas con un depósito de agua que suministra agua a los sistemas sanitarios contemplados en la cláusula 4.2.5.1 de la presente ETI.

2) La conexión de entrada de los depósitos de agua se ajustará a la figura 1 de la especificación a la que se refiere el apéndice J-1, índice 64.

4.2.11.6.    Requisitos especiales aplicables al estacionamiento de trenes

1) Esta cláusula es aplicable a las unidades destinadas a recibir alimentación mientras se encuentran estacionadas.

2) La unidad será compatible con al menos uno de los siguientes sistemas de alimentación eléctrica externos y estará equipada (cuando sea pertinente) con la interfaz correspondiente para la conexión eléctrica a esa fuente de alimentación externa (conector):

3) línea de contacto para el suministro de energía (véase la cláusula 4.2.8.2.9, «Requisitos relacionados con el pantógrafo»),

4) línea de suministro de energía al tren «tipo UIC 552» (C.A. 1 kV, C.A./C.C. 1,5 kV, C.C. 3 kV),

5) suministro de energía auxiliar, externo y local de 400 V que puede conectarse a un tipo de enchufe «3F+tierra» conforme a la especificación a la que se refiere el apéndice J-1, índice 65.

4.2.11.7.    Equipo de repostaje

1) Esta cláusula es aplicable a las unidades equipadas con un sistema de abastecimiento de combustible.

2) Los trenes que utilicen combustible diésel conforme al anexo II de la Directiva 2009/30/CE del Parlamento Europeo y del Consejo ( 6 ) irán equipados con acoplamientos para el abastecimiento de combustible. Estos serán circulares, de un diámetro mínimo de 70 mm y estarán situados a ambos lados del vehículo y a una altura máxima de 1 500  mm sobre el carril.

3) Los trenes que utilicen otro tipo de combustible diésel irán equipados con un depósito de combustible y un mecanismo de apertura a prueba de manipulaciones inexpertas para evitar que el tren se llene accidentalmente con un combustible incorrecto.

4) El tipo de acoplamiento para el abastecimiento de combustible se consignará en la documentación técnica.

4.2.11.8.    Limpieza interior del tren — alimentación eléctrica

1) Para las unidades cuya velocidad máxima sea superior o igual a 250 km/h, se dispondrá de una conexión a una fuente de alimentación eléctrica de 3 000  VA a 230 V y 50 Hz en el interior de la unidad; estas conexiones se colocarán de modo que ninguna parte de la unidad que deba limpiarse se encuentre a más de 12 metros de uno de los enchufes.

4.2.12.    Documentación para la explotación y el mantenimiento

1) Los requisitos especificados en esta cláusula 4.2.12 se aplican a todas las unidades.

4.2.12.1.    Aspectos generales

1) Esta cláusula 4.2.12 de la presente ETI describe la documentación solicitada en la cláusula 2.4 del anexo VI de la Directiva 2008/57/CE (cláusula titulada «Expediente técnico»): «características técnicas relacionadas con el diseño, incluidos planos generales y de detalle acordes con la ejecución, esquemas eléctricos e hidráulicos, esquemas de los circuitos de mando-control, descripción de los sistemas informáticos y de los automatismos, documentación sobre el funcionamiento y el mantenimiento, etc., pertinentes para el subsistema en cuestión».

2) Esta documentación, siendo parte del expediente técnico, será reunida por el organismo notificado y tendrá que acompañar a la declaración «CE» de verificación.

3) La documentación indicada, que formará parte del expediente técnico, será conservada por el solicitante durante toda la vida útil del subsistema.

4) La documentación solicitada está relacionada con los parámetros básicos indicados en la presente ETI. Su contenido se describe en las cláusulas siguientes.

4.2.12.2.    Documentación general

Se aportará la siguiente documentación para describir el material rodante:

1) Planos generales.

2) Esquemas eléctricos, hidráulicos y neumáticos, esquemas de los circuitos de mando necesarios para explicar el funcionamiento y la utilización de los sistemas correspondientes.

3) Descripción de los sistemas informáticos embarcados, que incluya una descripción de su funcionalidad, la especificación de interfaces y el tratamiento de datos y los protocolos.

4) Perfil de referencia y cumplimiento de los contornos de referencia interoperables G1, GA, GB, GC o DE3, según lo establecido en la cláusula 4.2.3.1.

5) Balance de masas con hipótesis sobre las condiciones de carga consideradas, según lo establecido en la cláusula 4.2.2.10.

6) Carga por eje y distancia entre ejes, según lo establecido en la cláusula 4.2.3.2.1.

7) Informe de ensayo acerca del comportamiento dinámico en circulación, incluido el registro del ensayo de calidad de la vía de ensayo y los parámetros de esfuerzo sobre la vía, incluidas las posibles limitaciones de uso si los ensayos del vehículo cubren solamente una parte de las condiciones de ensayo, según lo establecido en la cláusula 4.2.3.4.2.

8) Las hipótesis asumidas para evaluar las cargas debidas a la circulación del bogie, según lo establecido en la cláusula 4.2.3.5.1 y en la cláusula 6.2.3.7 para los ejes montados.

9) Las prestaciones de frenado, incluido el análisis del modo de fallo (modo degradado), según lo establecido en la cláusula 4.2.4.5.

10) Existencia y tipo de retretes en una unidad; características del medio limpiador empleado y, si no es agua limpia, la naturaleza del sistema de tratamiento del agua vertida y las normas según las cuales se ha evaluado la conformidad, según lo establecido en la cláusula 4.2.5.1.

11) Disposiciones adoptadas en relación con el intervalo de parámetros medioambientales seleccionado si es diferente del nominal, según lo establecido en la cláusula 4.2.6.1.

12) Curva eólica característica (CEC), según lo establecido en la cláusula 4.2.6.2.4.

13) Prestaciones de tracción, según lo establecido en la cláusula 4.2.8.11.

▼M2

14) Dotación de un sistema embarcado de medición de energía y de su función de localización embarcada (opcional), según lo establecido en la cláusula 4.2.8.2.8. Descripción de la comunicación entre el sistema embarcado y el sistema en tierra, incluidas las funciones relativas a las clases de precisión de medición de la tensión, medición de la corriente y cálculo de la energía.

▼B

15) Hipótesis y datos considerados para el estudio de compatibilidad de los sistemas de corriente alterna, según lo establecido en la cláusula 4.2.8.2.7.

16) El número de pantógrafos que pueden encontrarse simultáneamente en contacto con la línea aérea de contacto (LAC), la separación entre ellos y el tipo de distancia teórica de la LAC (A, B o C) utilizada para los ensayos de evaluación, según lo establecido en la cláusula 4.2.8.2.7.

4.2.12.3.    Documentación relacionada con el mantenimiento

1) El mantenimiento es un conjunto de actividades destinado a mantener una unidad funcional en un estado en el que pueda desempeñar la función requerida o restablecer este estado, asegurando la integridad continuada de los sistemas de seguridad y el cumplimiento de las normas aplicables.

Se aportará la siguiente información, necesaria para efectuar las actividades de mantenimiento del material rodante:

2) El expediente de justificación del diseño del mantenimiento: explica cómo se han definido las actividades de mantenimiento y cómo se han diseñado para asegurar que las características del material rodante se mantengan dentro de límites de uso aceptables durante su vida útil.

En el expediente se proporcionarán los datos de partida que permitirán determinar los criterios de inspección y la frecuencia de las actividades de mantenimiento.

3) El expediente de descripción del mantenimiento: explica cómo se llevarán a cabo las actividades de mantenimiento.

4.2.12.3.1   Expediente de justificación del diseño del mantenimiento

El expediente de justificación del diseño del mantenimiento contendrá:

1) precedentes, principios y métodos utilizados para diseñar el mantenimiento de la unidad;

2) el perfil de utilización: límites de utilización normal de la unidad (por ejemplo, km/mes, límites climáticos, tipos de cargas autorizadas, etc.);

3) datos pertinentes utilizados para diseñar el mantenimiento, y origen de estos datos (retorno de experiencia);

4) ensayos, investigaciones y cálculos realizados durante el diseño del mantenimiento.

Los medios resultantes (instalaciones, herramientas, etc.) necesarios para el mantenimiento se describen en la cláusula 4.2.12.3.2, «Expediente de descripción del mantenimiento».

4.2.12.3.2   Expediente de descripción del mantenimiento

1) El expediente de descripción del mantenimiento describirá de qué manera se llevarán a cabo las actividades de mantenimiento.

2) Las actividades de mantenimiento incluirán todas aquellas necesarias, como inspecciones, controles, ensayos, mediciones, sustituciones, ajustes y reparaciones.

3) Las actividades de mantenimiento se dividen en:

 mantenimiento preventivo (programado y controlado),

 mantenimiento correctivo.

El expediente de descripción del mantenimiento incluirá lo siguiente.

4) Jerarquía de componentes y descripción funcional: la jerarquía establece los límites del material rodante, enumerando todos los elementos que pertenecen a la estructura de producto de ese material rodante, utilizando un número adecuado de niveles discretos. El elemento de nivel más bajo de la jerarquía será una unidad sustituible.

5) Esquemas de circuitos, esquemas de conexiones y esquemas de cableados.

6) Lista de piezas: la lista de piezas contendrá las descripciones técnicas y funcionales de las piezas de recambio (unidades sustituibles).

La lista incluirá todas las piezas especificadas para sustitución, o que puedan requerir sustitución tras una avería eléctrica o mecánica, o que previsiblemente requerirán sustitución tras sufrir daños accidentales (por ejemplo, el parabrisas).

Se indicarán asimismo los componentes de interoperabilidad y se darán las referencias a sus correspondientes declaraciones de conformidad.

7) Para los componentes, se indicarán los valores límite que no deberán superarse en servicio; se permite la posibilidad de especificar restricciones de funcionamiento en modo degradado (valor límite alcanzado).

8) Obligaciones legales europeas: cuando los componentes o sistemas estén sujetos a obligaciones legales europeas específicas, se enumerarán dichas obligaciones.

9) El conjunto estructurado de tareas que incluyen las actividades, los procedimientos y los medios propuestos por el solicitante para llevar a cabo las tareas de mantenimiento.

10) La descripción de las actividades de mantenimiento.

Tendrán que documentarse los siguientes aspectos (cuando sean específicos de la aplicación):

 planos de instrucciones de montaje/desmontaje necesarios para el correcto montaje/desmontaje de las piezas sustituibles,

 criterios de mantenimiento,

 comprobaciones y ensayos,

 herramientas y materiales necesarios para la tarea (herramientas especiales),

 consumibles necesarios para la tarea,

 medidas y equipos de protección y seguridad personal (especial).

11) Ensayos y procedimientos necesarios que han de llevarse a cabo después de cada operación de mantenimiento, antes de la vuelta al servicio del material rodante.

12) Manuales o mecanismos de resolución de problemas (diagnóstico de averías) para todas las situaciones razonablemente previsibles; aquí se incluyen los diagramas esquemáticos y funcionales de los sistemas o los sistemas de detección de averías informatizados.

4.2.12.4.    Documentación sobre la explotación

La documentación técnica necesaria para explotar la unidad se compone de:

1) una descripción de la explotación en modo normal, incluidas las características operativas y las limitaciones de la unidad (por ejemplo, gálibo del vehículo, velocidad máxima de diseño, cargas por eje, prestaciones de frenado, etc.);

2) una descripción de los diversos modos degradados razonablemente previsibles en caso de fallos significativos de seguridad de equipos o de funciones descritas en la presente ETI, junto con los límites aceptables correspondientes y las condiciones de explotación de la unidad que podrían darse;

3) una descripción de los sistemas de control y supervisión que permiten la identificación de fallos significativos de seguridad de equipos o de funciones descritas en la presente ETI (por ejemplo, cláusula 4.2.4.9 sobre la función de «frenado»).

4) Esta documentación técnica de explotación formará parte del expediente técnico.

4.2.12.5.    Diagrama de elevación e instrucciones

En la documentación figurará:

1) una descripción de los procedimientos para llevar a cabo la elevación y el levante con gatos, así como sus correspondientes instrucciones, y

2) una descripción de las interfaces para la elevación y el levante con gatos.

4.2.12.6.    Descripciones relacionadas con el rescate

En la documentación figurará:

1) una descripción de los procedimientos para la puesta en práctica de las medidas de emergencia y de las correspondientes precauciones que deban adoptarse, como, por ejemplo, uso de salidas de emergencia, entrada al material rodante con fines de rescate, aislamiento de los frenos, puesta a tierra y remolcado;

2) una descripción de los efectos de las medidas de emergencia descritas, por ejemplo, reducción de las prestaciones de frenado tras el aislamiento de los frenos.

4.3.    Especificación funcional y técnica de las interfaces

4.3.1.    Interfaz con el subsistema de energía



Cuadro 6

Interfaz con el subsistema de energía

Referencia ETI de Locomotoras y Coches de viajeros

 

Referencia ETI de Energía

 

Parámetro

Cláusula

Parámetro

Cláusula

Gálibo

4.2.3.1

Gálibo del pantógrafo

4.2.10

Geometría del arco del pantógrafo

4.2.8.2.9.2

Apéndice D

Funcionamiento dentro de los márgenes de tensión y frecuencias

4.2.8.2.2

Tensión y frecuencia

4.2.3

 

 

Parámetros relacionados con las prestaciones del sistema de alimentación:

 

—  Corriente máxima de la línea aérea de contacto

4.2.8.2.4

—  Corriente máxima del tren

4.2.4

—  Factor de potencia

4.2.8.2.6

—  Factor de potencia

4.2.4

 

 

—  Tensión útil media

4.2.4

—  Corriente máxima en parado

4.2.8.2.5

—  Capacidad de corriente, sistemas de corriente continua, trenes en parado

4.2.5

Freno de recuperación con energía hacia la línea aérea de contacto

4.2.8.2.3

Frenado de recuperación

4.2.6

Sistema embarcado de medición de energía

4.2.8.2.8

Sistema de captación de datos de energía situado en tierra

4.2.17

—  Altura del pantógrafo

4.2.8.2.9.1

Geometría de la línea aérea de contacto

4.2.9

—  Geometría del arco del pantógrafo

4.2.8.2.9.2

Material del frotador

4.2.8.2.9.4

Material del hilo de contacto

4.2.14

Fuerza estática de contacto del pantógrafo

4.2.8.2.9.5

Fuerza de contacto media

4.2.11

Fuerza de contacto y comportamiento dinámico del pantógrafo

4.2.8.2.9.6

Comportamiento dinámico y calidad de la captación de corriente

4.2.12

Configuración de los pantógrafos

4.2.8.2.9.7

Separación de pantógrafos

4.2.13

Circulación a través de una sección de separación de fases o de sistemas

4.2.8.2.9.8

Secciones de separación:

 

—  de fases

4.2.15

—  de sistemas

4.2.16

Protección eléctrica del tren

4.2.8.2.10

Medidas de coordinación de la protección eléctrica

4.2.7

Perturbaciones del sistema energía para sistemas de C.A.

4.2.8.2.7

Armónicos y efectos dinámicos para sistemas de alimentación eléctrica de C.A.

4.2.8

4.3.2.    Interfaz con el subsistema de infraestructura



Cuadro 7

Interfaz con el subsistema de infraestructura

Referencia ETI de Locomotoras y Coches de viajeros

 

Referencia ETI de Infraestructura

 

Parámetro

Cláusula

Parámetro

Cláusula

Gálibo cinemático del material rodante

4.2.3.1.

Gálibo estructural

4.2.3.1

Distancia entre ejes de vía

4.2.3.2

Radio mínimo de la curva vertical

4.2.3.5

Parámetro de carga por eje

4.2.3.2.1

Resistencia de la vía a las cargas verticales

4.2.6.1

Resistencia lateral de la vía

4.2.6.3

Resistencia de los puentes nuevos a las cargas del tráfico

4.2.7.1

Carga vertical equivalente para las obras de tierra y efectos de la presión del terreno

4.2.7.2

Resistencia de los puentes y obras de tierra existentes a las cargas del tráfico

4.2.7.4

Comportamiento dinámico en circulación

4.2.3.4.2.

Insuficiencia de peralte

4.2.4.3

Valores límite dinámicos en circulación para la carga sobre la vía

4.2.3.4.2.2

Resistencia de la vía a las cargas verticales

4.2.6.1

Resistencia lateral de la vía

4.2.6.3

Conicidad equivalente

4.2.3.4.3

Conicidad equivalente

4.2.4.5

Características geométricas de los ejes montados

4.2.3.5.2.1

Ancho de vía nominal

4.2.4.1

Características geométricas de las ruedas

4.2.3.5.2.2

Perfil de la cabeza del carril para vía corriente

4.2.4.6

Ejes montados de ancho variable

4.2.3.5.2.3

Geometría en servicio de los aparatos de vía

4.2.5.3

Radio mínimo de curva

4.2.3.6

Radio mínimo de la curva horizontal

4.2.3.4

Deceleración media máxima

4.2.4.5.1

Resistencia de las vías a las cargas longitudinales

4.2.6.2

Acciones debidas a la tracción y al frenado

4.2.7.1.5

Efecto estela

4.2.6.2.1

Resistencia de las estructuras nuevas sobre las vías o adyacentes a las mismas

4.2.7.3

Pulso de presión por paso de la cabeza del tren

4.2.6.2.2

Variaciones máximas de presión en los túneles

4.2.10.1

Variaciones máximas de presión en los túneles

4.2.6.2.3

Distancia entre ejes de vías

4.2.3.2

Viento transversal

4.2.6.2.4

Efecto de los vientos transversales

4.2.10.2

Efecto aerodinámico sobre vía con balasto

4.2.6.2.5

Levantamiento de balasto

4.2.10.3

Sistema de descarga de retretes

4.2.11.3

Descarga de retretes

4.2.12.2

Limpieza exterior en una estación de lavado

4.2.11.2.2

Medios de limpieza exterior de los trenes,

4.2.12.3

Equipo de recarga de agua:

4.2.11.4

Aprovisionamiento de agua,

4.2.12.4

interfaz para la recarga de agua

4.2.11.5

Equipos de repostaje

4.2.11.7

Repostaje

4.2.12.5

Requisitos especiales para el estacionamiento de trenes

4.2.11.6

Alimentación eléctrica exterior

4.2.12.6

4.3.3.    Interfaz con el subsistema de explotación



Cuadro 8

Interfaz con el subsistema de explotación

Referencia ETI de Locomotoras y Coches de viajeros

 

Referencia: ETI de Explotación

 

Parámetro

Cláusula

Parámetro

Cláusula

Enganche de rescate

4.2.2.2.4

Disposiciones de contingencia

4.2.3.6.3

Parámetro de carga por eje

4.2.3.2

Composición del tren

4.2.2.5

Prestaciones de frenado

4.2.4.5

Frenado del tren

4.2.2.6

Luces exteriores de cabeza y de cola

4.2.7.1

Visibilidad del tren

4.2.2.1

Bocina

4.2.7.2

Audibilidad del tren

4.2.2.2

Visibilidad exterior

4.2.9.1.3

Requisitos para la visibilidad de las señales y de los indicadores de posición

4.2.2.8

Características ópticas del parabrisas

4.2.9.2.2

Iluminación interior

4.2.9.1.8

Función de control de la actividad del maquinista

4.2.9.3.1

Vigilancia del maquinista

4.2.2.9

Aparato registrador

4.2.9.6

Registro de los datos de supervisión a bordo del tren

4.2.3.5.2

4.3.4.    Interfaz con el subsistema de control-mando y señalización



Cuadro 9

Interfaz con el subsistema de control-mando y señalización

Referencia ETI de Locomotoras y Coches de viajeros

 

Referencia ETI de Control, Mando y Señalización

 

Parámetro

Cláusula

Parámetro

Cláusula

Características del material rodante compatibles con el sistema de detección de trenes basado en circuitos de vía

4.2.3.3.1.1

Geometría del vehículo

Diseño del vehículo

Emisiones de aislamiento

EMC

Especificación a la que se refiere el anexo A, índice 77, de la ETI de CMS

Características del material rodante compatibles con el sistema de detección de trenes basado en contadores de ejes

4.2.3.3.1.2

Geometría del vehículo

Geometría de ruedas

Diseño del vehículo

EMC

Especificación a la que se refiere el anexo A, índice 77, de la ETI de CMS

Características del material rodante compatibles con los circuitos de isla

4.2.3.3.1.3

Diseño del vehículo

Especificación a la que se refiere el anexo A, índice 77, de la ETI de CMS

Mando de frenado de emergencia

4.2.4.4.1

Funcionalidad ETCS a bordo

4.2.2

Prestaciones del frenado de emergencia

4.2.4.5.2

Prestaciones y características garantizadas de frenado del tren

4.2.2

Tren que parte del andén

4.2.5.3

FIS para la interfaz del tren

Especificación a la que se refiere el anexo A, índice 7, de la ETI de CMS

Apertura de puertas

4.2.5.5

Secciones de separación

4.2.8.2.9.8

Control de humos

4.2.10.4.2

Visibilidad exterior

4.2.9.1.3

Visibilidad de los objetos de control-mando en tierra

4.2.15

4.3.5.    Interfaz con el subsistema de aplicaciones telemáticas para viajeros



Cuadro 10

Interfaz con el subsistema de aplicaciones telemáticas para viajeros

Referencia ETI de Locomotoras y Coches de viajeros

 

Referencia a la ETI de Aplicaciones Telemáticas para los servicios de viajeros

 

Parámetro

Cláusula

Parámetro

Cláusula

Información al cliente (personas con movilidad reducida)

4.2.5

Pantalla del dispositivo a bordo

4.2.13.1

Sistema de comunicación a los viajeros

4.2.5.2

Anuncios de voz automática

4.2.13.2

Información al cliente (personas con movilidad reducida)

4.2.5

4.4.    Normas de explotación

1) A la luz de los requisitos esenciales mencionados en la sección 3, las disposiciones sobre la explotación del material rodante que pertenecen al ámbito de aplicación de la presente ETI se describen en:

 la cláusula 4.3.3, «Interfaz con el subsistema de explotación», que hace referencia a las cláusulas pertinentes de la sección 4.2 de la presente ETI

 la cláusula 4.2.12, «Documentación para la explotación y el mantenimiento».

2) Las normas de explotación se elaboran conforme al sistema de gestión de la seguridad de la empresa ferroviaria, considerando las disposiciones mencionadas.

3) En particular, se necesitan normas de explotación para asegurar que un tren detenido en una pendiente, tal y como se especifica en las cláusulas 4.2.4.2.1 y 4.2.4.5.5 de la presente ETI (requisitos relacionados con el frenado) quede inmovilizado.

Las normas de explotación del sistema de megafonía, la alarma de viajeros, las salidas de emergencia y el funcionamiento de las puertas de acceso se elaboran teniendo en cuenta las disposiciones pertinentes de la presente ETI y de la documentación sobre la explotación.

4) La documentación sobre explotación técnica descrita en la cláusula 4.2.12.4 indica las características del material rodante que deben considerarse a fin de definir las normas de explotación en modo degradado.

5) Los procedimientos de elevación y rescate se establecen (incluidos el método y el medio de recuperación de un tren descarrilado o de un tren que no pueda circular con normalidad) considerando:

 las disposiciones de elevación y levante con gatos que se describen en las cláusulas 4.2.2.6 y 4.2.12.5 de la presente ETI,

 las disposiciones referentes al sistema de frenado para operaciones de rescate que se describen en las cláusulas 4.2.4.10 y 4.2.12.6 de la presente ETI.

6) Las normas de seguridad para los trabajadores en tierra o los viajeros en los andenes son elaboradas por la entidad o las entidades responsables de las instalaciones fijas teniendo en cuenta las disposiciones pertinentes de la presente ETI y de la documentación técnica (por ejemplo, impacto de la velocidad).

4.5.    Normas de mantenimiento

1) A la luz de los requisitos esenciales mencionados en la sección 3, las disposiciones sobre el mantenimiento del material rodante que pertenecen al ámbito de aplicación de la presente ETI son:

 cláusula 4.2.11, «Mantenimiento diario»,

 cláusula 4.2.12, «Documentación para la explotación y el mantenimiento».

2) Otras disposiciones de la sección 4.2 (cláusulas 4.2.3.4 y 4.2.3.5) especifican, para determinadas características, los valores límite que tienen que verificarse durante las actividades de mantenimiento.

3) A partir de la información mencionada anteriormente y aportada en la cláusula 4.2, se definen a nivel operativo del mantenimiento (fuera del ámbito de aplicación de la evaluación respecto a la presente ETI) las tolerancias y los intervalos que aseguran el cumplimiento de los requisitos esenciales durante toda la vida útil del material rodante. Esta actividad incluye:

 la definición de los valores en servicio cuando no estén especificados en la presente ETI o cuando las condiciones de explotación permitan el uso de valores límite en servicio diferentes de los especificados en la presente ETI,

 la justificación de los valores en servicio, proporcionando la información equivalente a aquellos requeridos en la cláusula 4.2.12.3.1, «Expediente de justificación del diseño del mantenimiento».

4) Sobre la base de la información mencionada anteriormente en esta cláusula, se define un plan de mantenimiento a nivel operativo (fuera del ámbito de aplicación de la evaluación respecto a la presente ETI), consistente en un conjunto estructurado de tareas de mantenimiento que incluye las actividades, los ensayos y procedimientos, medios, criterios de mantenimiento, la frecuencia y el tiempo de trabajo necesarios para llevar a cabo las tareas de mantenimiento.

4.6.    Competencias profesionales

1) La presente ETI no establece las competencias profesionales del personal requeridas para la explotación del material rodante al que se aplica esta ETI.

2) Tales competencias están cubiertas parcialmente por la ETI de Explotación y la Directiva 2007/59/CE del Parlamento Europeo y del Consejo ( 7 ).

4.7.    Condiciones de salud y seguridad

1) Las disposiciones sobre salud y seguridad del personal, requeridas para la explotación y el mantenimiento del material rodante al que se aplica la presente ETI están cubiertas por los requisitos esenciales no 1.1, 1.3, 2.5.1 y 2.6.1 (según la numeración de la Directiva 2008/57/CE); en el cuadro de la sección 3.2 se mencionan las cláusulas técnicas de la presente ETI relacionadas con estos requisitos esenciales.

2) En particular, en las siguientes disposiciones de la sección 4.2 se especifican disposiciones sobre la salud y la seguridad del personal:

 cláusula 4.2.2.2.5: Acceso del personal para el enganche y el desenganche,

 cláusula 4.2.2.5: Seguridad pasiva,

 cláusula 4.2.2.8: Puertas de acceso para el personal y la carga,

 cláusula 4.2.6.2.1: Efecto estela en los trabajadores situados junto a la vía,

 cláusula 4.2.7.2.2: Niveles de presión acústica de la bocina de advertencia,

 cláusula 4.2.8.4: Protección contra los riesgos eléctricos,

 cláusula 4.2.9: Cabina de conducción,

 cláusula 4.2.10: Seguridad contra incendios y evacuación.

4.8.    Registro Europeo de Tipos Autorizados de Vehículos

1) Las características del material rodante que deben consignarse en el «Registro Europeo de Tipos Autorizados de Vehículos» se enumeran en la Decisión de Ejecución 2011/665/UE de la Comisión ( 8 ).

2) Con arreglo al anexo II de esta Decisión sobre el Registro europeo y al artículo 34, apartado 2, letra a), de la Directiva 2008/57/CE, los valores que deben registrarse para los parámetros relativos a las características técnicas del material rodante serán aquellos que figuren en la documentación técnica que se aporte junto al certificado de examen de tipo. Por lo tanto, la presente ETI requiere que se registren las características pertinentes en la documentación técnica definida en la cláusula 4.2.12.

3) De conformidad con el artículo 5 de la Decisión mencionada en el anterior punto 1 de la presente cláusula 4.8, su guía de aplicación incluye para cada parámetro una referencia a las cláusulas de las especificaciones técnicas de interoperabilidad en las que se indican los requisitos aplicables a dicho parámetro.

5.   COMPONENTES DE INTEROPERABILIDAD

5.1.    Definición

1) De acuerdo con el artículo 2, letra f), de la Directiva 2008/57/CE, los componentes de interoperabilidad son «todo componente elemental, grupo de componentes, subconjunto o conjunto completo de materiales incorporados o destinados a ser incorporados en un subsistema, de los que dependa directa o indirectamente la interoperabilidad del sistema ferroviario».

2) El concepto de «componente» engloba no solo objetos materiales sino también inmateriales, como el software.

3) Los componentes de interoperabilidad (CI), descritos posteriormente en la sección 5.3, son los componentes:

 cuya especificación se refiere a un requisito definido en la sección 4.2 de la presente ETI. La referencia a la cláusula pertinente de la sección 4.2 se da en la sección 5.3 y define cómo la interoperabilidad del sistema ferroviario depende del componente en cuestión.

 Cuando en la sección 5.3 se señale que un requisito se evalúa a nivel de componente de interoperabilidad (CI), no se requerirá una evaluación del mismo requisito a nivel de subsistema,

 cuya especificación puede necesitar requisitos adicionales, como requisitos sobre interfaces; estos requisitos adicionales se especifican también en la sección 5.3,

 y cuyo procedimiento de evaluación, independientemente del subsistema con el que estén relacionados, se describe en la sección 6.1.

4) El ámbito de uso de un componente de interoperabilidad se establecerá y demostrará según lo descrito para cada uno de ellos en la sección 5.3.

5.2.    Soluciones innovadoras

1) Como se indica en el artículo 10, las soluciones innovadoras podrán exigir nuevas especificaciones y/o nuevos métodos de evaluación. Estas especificaciones y estos métodos de evaluación serán elaborados mediante el procedimiento descrito en la cláusula 6.1.5, siempre que se prevea una solución innovadora para un componente de interoperabilidad.

5.3.    Especificación del componente de interoperabilidad

Los componentes de interoperabilidad se enumeran y especifican a continuación.

5.3.1.    Acoplador automático de tope central

Todo acoplador automático se diseñará y evaluará para un ámbito de uso definido por:

1) el tipo de enganche final (interfaz mecánica y neumática de la cabeza);

El acoplador automático de «tipo 10» se ajustará a la especificación a la que se refiere el apéndice J-1, índice 66.

Nota: Otros tipos de acopladores automáticos distintos del acoplador de tipo 10 no se consideran componentes de interoperabilidad (CI) (especificación no disponible públicamente);

2) las fuerzas tensoras y compresoras que es capaz de resistir;

3) Estas características se evaluarán a nivel de CI.

5.3.2.    Enganche final manual

Todo enganche final manual se diseñará y evaluará para un ámbito de uso definido por:

1) el tipo de enganche final (interfaz mecánica);

El «tipo UIC» estará formado por un sistema de topes, aparato de tracción y enganche de husillo que cumpla los requisitos de las partes referentes a los coches de viajeros, de la especificación a la que se refiere el apéndice J-1, índice 67, y de la especificación a la que se refiere el apéndice J-1, índice 68; las unidades que no sean coches con sistemas de enganche manual, irán equipadas con un sistema de topes, aparato de tracción y enganche de husillo que cumpla los requisitos de las partes pertinentes de la especificación a la que se refiere el apéndice J-1, índice 67, y de la especificación a la que se refiere el apéndice J-1, índice 68, respectivamente.

Nota: Otros tipos de enganche final manual no se consideran componentes de interoperabilidad (CI) (especificación no disponible públicamente);

2) las fuerzas tensoras y compresoras que es capaz de resistir;

3) estas características se evaluarán a nivel de CI.

5.3.3.    Enganches de rescate

Todo enganche de rescate se diseñará y evaluará para un ámbito de uso definido por:

1) el tipo de enganche final con el que puede engancharse;

El enganche de rescate con el que deba engancharse el acoplador automático de «tipo 10» se ajustará a la especificación a la que se refiere el apéndice J-1, índice 69.

Nota: Otros tipos de enganche de rescate no se consideran componentes de interoperabilidad (CI) (especificación no disponible públicamente).

2) las fuerzas tensoras y compresoras que es capaz de resistir;

3) la manera en que se haya previsto que deba instalarse en la unidad de rescate;

4) estas características y los requisitos expresados en la cláusula 4.2.2.2.4 de la presente ETI se evaluarán a nivel de CI.

5.3.4.    Ruedas

Las ruedas se diseñarán y evaluarán para un ámbito de uso definido por:

1) las características geométricas: diámetro nominal de la banda de rodadura;

2) características mecánicas: fuerza estática vertical máxima y velocidad máxima;

3) características termomecánicas: energía máxima de frenado;

4) las ruedas deberán cumplir los requisitos sobre características geométricas, mecánicas y termomecánicas definidas en la cláusula 4.2.3.5.2.2; estos requisitos se evaluarán a nivel de CI.

5.3.5.    Sistema de protección antideslizamiento de las ruedas (WSP)

El CI «sistema WSP» se diseñará y evaluará para un ámbito de uso definido por:

1) un sistema de freno de tipo neumático;

Nota: El WSP no se considera un CI para otros tipos de sistema de freno, como los sistemas de frenado hidráulicos, dinámicos y mixtos. Esta cláusula no se aplica en dicho caso;

2) la velocidad de explotación máxima.

3) Todo sistema WSP cumplirá los requisitos sobre las prestaciones del sistema de protección antideslizamiento de las ruedas recogidos en la cláusula 4.2.4.6.2 de la presente ETI.

Opcionalmente, podrá incluirse el sistema de supervisión de giro de las ruedas.

5.3.6.    Focos de cabeza

1) Los focos de cabeza se diseñarán y evaluarán sin ninguna limitación respecto a su ámbito de uso.

2) Los focos de cabeza cumplirán los requisitos sobre color e intensidad luminosa definidos en la cláusula 4.2.7.1.1. Estos requisitos se evaluarán a nivel de CI.

5.3.7.    Luces de posición

1) Las luces de posición se diseñarán y evaluarán sin ninguna limitación respecto a su ámbito de uso.

2) Las luces de posición cumplirán los requisitos sobre color e intensidad luminosa definidos en la cláusula 4.2.7.1.2. Estos requisitos se evaluarán a nivel de CI.

5.3.8.    Luces de cola

1) Las luces de cola se diseñarán y evaluarán para un ámbito de uso: lámparas fijas o lámparas portátiles.

2) Las luces de cola cumplirán los requisitos sobre color e intensidad luminosa definidos en la cláusula 4.2.7.1.3. Estos requisitos se evaluarán a nivel de CI.

3) En el caso de las luces de cola portátiles, la interfaz para su colocación en el vehículo se ajustará a lo indicado en el apéndice E de la ETI de «Vagones de mercancías».

5.3.9.    Bocinas

1) Toda bocina se diseñará y evaluará para un ámbito de uso definido por su nivel de presión acústica en un vehículo de referencia (o una integración de referencia); esta característica podrá verse afectada por la integración de la bocina en un vehículo concreto.

2) Toda bocina deberá cumplir los requisitos sobre sonidos de las señales que se definen en la cláusula 4.2.7.2.1. Estos requisitos se evaluarán a nivel de CI.

5.3.10.    Pantógrafo

Los pantógrafos se diseñarán y evaluarán para un ámbito de uso definido por

1) el tipo de sistema o sistemas de tensión, según define la cláusula 4.2.8.2.1;

En caso de estar diseñados para varios sistemas de tensión, deberán tenerse en cuenta los diferentes conjuntos de requisitos;

2) una de las tres geometrías del arco del pantógrafo especificadas en la cláusula 4.2.8.2.9.2;

3) la capacidad de corriente definida en la cláusula 4.2.8.2.4;

4) la corriente máxima en parado por hilo de contacto de la línea aérea de contacto para sistemas de corriente continua;

Nota: La corriente máxima en parado, definida en la cláusula 4.2.8.2.5, será compatible con el valor anterior, considerando las características de la línea aérea de contacto (uno o dos hilos de contacto);

5) la velocidad de explotación máxima: la evaluación de la velocidad de explotación máxima se efectuará según lo definido en la cláusula 4.2.8.2.9.6;

6) el rango de altura para el comportamiento dinámico: estándar, y/o para los anchos de vía de 1 520  mm o 1 524  mm.

7) Los requisitos enumerados anteriormente se evaluarán a nivel de CI.

8) El rango de alturas de trabajo del pantógrafo especificado en la cláusula 4.2.8.2.9.1.2, la geometría del arco del pantógrafo especificada en la cláusula 4.2.8.2.9.2, la capacidad de corriente del pantógrafo especificada en la cláusula 4.2.8.2.9.3, la fuerza de contacto estática del pantógrafo especificada en la cláusula 4.2.8.2.9.5 y el comportamiento dinámico del propio pantógrafo especificado en la cláusula 4.2.8.2.9.6 también se evaluarán a nivel de CI.

5.3.11.    Frotadores

1) Los frotadores son las partes sustituibles del arco del pantógrafo que están en contacto con el hilo de contacto.

Los frotadores se diseñarán y evaluarán para un ámbito de uso definido por:

2) Su geometría, definida en la cláusula 4.2.8.2.9.4.1.

3) El material de los frotadores, definido en la cláusula 4.2.8.2.9.4.2.

4) El tipo de sistema o sistemas de tensión, definido en la cláusula 4.2.8.2.1.

5) La capacidad de corriente, definida en la cláusula 4.2.8.2.4.

6) La corriente máxima en parado para sistemas de corriente continua, definida en la cláusula 4.2.8.2.5.

7) Los requisitos enumerados anteriormente se evaluarán a nivel de CI.

5.3.12.    Disyuntor principal

El disyuntor principal se diseñará y evaluará para un ámbito de uso definido por:

1) el tipo de sistema o sistemas de tensión, definido en la cláusula 4.2.8.2.1;

2) la capacidad de corriente, definida en la cláusula 4.2.8.2.4 (corriente máxima);

3) los requisitos enumerados anteriormente se evaluarán a nivel de CI;

4) el disparo se ajustará a lo indicado en la especificación a la que se refiere el apéndice J-1, índice 70 (véase la cláusula 4.2.8.2.10 de la presente ETI); se evaluará a nivel de CI.

5.3.13.    Asiento del maquinista

1) El asiento del maquinista se diseñará y evaluará para un ámbito de uso definido por el rango de posibles ajustes en cuanto a altura y posición longitudinal.

2) El asiento del maquinista deberá cumplir los requisitos especificados a nivel de componente en la cláusula 4.2.9.1.5. Estos requisitos se evaluarán a nivel de CI.

5.3.14.    Conexión de la descarga de retretes

1) La conexión de la descarga de retretes se diseñará y evaluará sin ninguna limitación respecto a su ámbito de uso.

2) La conexión de la descarga de retretes cumplirá los requisitos sobre dimensiones definidos en la cláusula 4.2.11.3. Estos requisitos se evaluarán a nivel de CI.

5.3.15.    Conexión de entrada para depósitos de agua

1) La conexión de entrada para los depósitos de agua se diseñará y evaluará sin ninguna limitación respecto a su ámbito de uso.

2) La conexión de entrada para los depósitos de agua cumplirá los requisitos sobre dimensiones definidos en la cláusula 4.2.11.5. Estos requisitos se evaluarán a nivel de CI.

6.   EVALUACIÓN DE LA CONFORMIDAD O LA IDONEIDAD PARA EL USO Y VERIFICACIÓN «CE»

1) Los módulos para los procedimientos de evaluación de la conformidad, la idoneidad para el uso y la verificación «CE» se describen en la Decisión 2010/713/UE de la Comisión ( 9 ).

6.1.    Componentes de interoperabilidad

6.1.1.    Evaluación de la conformidad

1) Con arreglo al apartado 1 del artículo 13 y al anexo IV de la Directiva 2008/57/CE, el fabricante de un componente de interoperabilidad o su representante autorizado establecido en la Unión expedirán una declaración «CE» de conformidad o idoneidad para el uso antes de comercializar un componente de interoperabilidad.

2) La evaluación de la conformidad o idoneidad para el uso de un componente de interoperabilidad se efectuará con arreglo al módulo o los módulos prescritos para ese componente particular especificados en la cláusula 6.1.2 de la presente ETI.

6.1.2.    Aplicación de módulos

Módulos para la certificación «CE» de conformidad de los componentes de interoperabilidad



Módulo CA

Control interno de la producción

Módulo CA1

Control interno de la producción más verificación del producto mediante un examen individual

Módulo CA2

Control interno de la producción más verificación del producto a intervalos aleatorios

Módulo CB

Examen «CE» de tipo

Módulo CC

Conformidad con el tipo basada en el control interno de la producción

Módulo CD

Conformidad con el tipo basada en el sistema de gestión de la calidad del proceso de producción

Módulo CF

Conformidad con el tipo basada en la verificación del producto

Módulo CH

Conformidad basada en un sistema de gestión de calidad total

Módulo CH1

Conformidad basada en un sistema de gestión de calidad total más examen de diseño

Módulo CV

Validación de tipo mediante la experimentación en servicio (idoneidad para el uso)

1) El fabricante o su representante autorizado establecido en la Unión Europea elegirán uno de los módulos o combinaciones de módulos que se indican en el cuadro siguiente para el componente que debe evaluarse:



Cláusula

Componentes que deben evaluarse

Módulo CA

Módulo CA1 o CA2

Módulo CB + CC

Módulo CB + CD

Módulo CB + CF

Módulo CH

Módulo CH1

5.3.1

Acoplador automático de tope central

 

(1)

 

X

X

(1)

X

5.3.2

Enganche final manual

 

(1)

 

X

X

(1)

X

5.3.3

Acoplador para remolque en caso de rescate

 

(1)

 

X

X

(1)

X

5.3.4

Ruedas

 

(1)

 

X

X

(1)

X

5.3.5

Sistema de protección antideslizamiento de las ruedas

 

(1)

 

X

X

(1)

X

5.3.6

Focos de cabeza

 

(1)

X

X

 

(1)

X

5.3.7

Luz de posición

 

(1)

X

X

 

(1)

X

5.3.8

Luz de cola

 

(1)

X

X

 

(1)

X

5.3.9

Bocinas

 

(1)

X

X

 

(1)

X

5.3.10

Pantógrafo

 

(1)

 

X

X

(1)

X

5.3.11

Frotadores del pantógrafo

 

(1)

 

X

X

(1)

X

5.3.12

Disyuntor principal

 

(1)

 

X

X

(1)

X

5.3.13

Asiento del maquinista

 

(1)

 

X

X

(1)

X

5.3.14

Conexión de descarga de retretes

X

 

X

 

 

X

 

5.3.15

Conexión de entrada para depósitos de agua

X

 

X

 

 

X

 

(*1)   Los módulos CA1, CA2 o CH pueden utilizarse solo en el caso de productos fabricados conforme a un diseño desarrollado y utilizado de cara a comercializar productos, previamente a la entrada en vigor de las ETI pertinentes aplicables a dichos productos, siempre y cuando el fabricante demuestre al organismo notificado que la revisión del diseño y el examen de tipo se efectuaron para dichas solicitudes previas en condiciones comparables y que son conformes con los requisitos de la presente ETI. Esta demostración se documentará, y se considerará que tiene la misma fuerza probatoria que el módulo CB o el examen de diseño según el módulo CH1.

2) Cuando se utilice un procedimiento concreto para la evaluación, además de los requisitos indicados en la cláusula 4.2 de la presente ETI, este se especificará en la cláusula 6.1.3 a continuación.

6.1.3.    Procedimientos de evaluación particulares para componentes de interoperabilidad

6.1.3.1.    Ruedas (cláusula 5.3.4)

1) Las características mecánicas de la rueda se demostrarán mediante cálculos de la resistencia mecánica, teniendo en cuenta tres casos de carga: vía recta (eje montado centrado), curva (pestaña apoyada en el carril) y paso de agujas y cruzamientos (superficie interna de la pestaña apoyada en el carril), según lo indicado en la especificación a la que se refiere el apéndice J-1, índice 71, cláusulas 7.2.1 y 7.2.2.

2) Para las ruedas forjadas y laminadas, los criterios de decisión están definidos en la especificación a la que se refiere el apéndice J-1, índice 71, cláusula 7.2.3; cuando el cálculo arroje valores más allá de los criterios de decisión, para demostrar la conformidad deberá efectuarse un ensayo en banco conforme a lo dispuesto en la especificación a la que se refiere el apéndice J-1, índice 71, cláusula 7.3.

3) Se permiten otros tipos de rueda para los vehículos destinados únicamente a uso nacional. En tal caso, los criterios de decisión y los criterios del esfuerzo de fatiga se especificarán en las normas nacionales. Estas normas nacionales serán notificadas por los Estados miembros.

4) La consideración realizada de las condiciones de carga para la fuerza estática vertical máxima deberá indicarse de manera explícita en la documentación técnica según se define en la cláusula 4.2.12 de la presente ETI.

Comportamiento termomecánico:

5) Si la rueda se utiliza para frenar una unidad con zapatas actuando sobre su superficie de rodadura, esta se someterá a una prueba termomecánica teniendo en cuenta la energía de frenado máxima prevista. La rueda se someterá a una evaluación de la conformidad con arreglo a la especificación a la que se refiere el apéndice J-1, índice 71, cláusula 6, a fin de comprobar que el desplazamiento lateral de la llanta durante el frenado y el esfuerzo residual estén dentro de los límites de tolerancia especificados utilizando los criterios de decisión especificados.

Verificación de las ruedas:

6) Deberá existir un procedimiento de verificación en la fase de producción que garantice que no haya ningún defecto que pueda disminuir el nivel de seguridad como consecuencia de un cambio en las características mecánicas de las ruedas.

Se verificará la resistencia a la tracción del material de la rueda, la dureza de la superficie de rodadura, la tenacidad, la resistencia al impacto, las características del material y la limpieza del material.

El procedimiento de verificación especificará el lote de muestra utilizado para cada característica que deba verificarse.

7) Se permite otro método de evaluación de la conformidad para ruedas en las mismas condiciones que para los ejes montados; tales condiciones se describen en la cláusula 6.2.3.7.

8) En el caso de un diseño innovador para el cual el fabricante no tenga retorno de experiencia suficiente, la rueda debería someterse a una evaluación de la idoneidad para el uso (módulo CV; véase también la cláusula 6.1.6).

6.1.3.2.    Sistema de protección antideslizamiento de las ruedas (cláusula 5.3.5)

1) El sistema de protección antideslizamiento de las ruedas se verificará de acuerdo con la metodología definida en la especificación a la que se refiere el apéndice J-1, índice 72, cláusula 5; cuando se haga referencia a la cláusula 6.2 de dicha especificación, «Descripción general de los programas de ensayo requeridos», solo se aplicará la cláusula 6.2.3 y esta se aplicará a todos los sistemas de protección antideslizamiento de las ruedas.

2) En el caso de un diseño innovador para el cual el fabricante no tenga retorno de experiencia suficiente, el sistema de protección antideslizamiento de las ruedas debería someterse a una evaluación de la idoneidad para el uso (módulo CV; véase también la cláusula 6.1.6).

6.1.3.3.    Focos de cabeza (cláusula 5.3.6)

1) El color de los focos de cabeza se someterá a ensayo con arreglo a la especificación a la que se refiere el apéndice J-1, índice 73, cláusula 6.3.

2) La intensidad luminosa de los focos de cabeza se someterá a ensayo con arreglo a la especificación a la que se refiere el apéndice J-1, índice 73, cláusula 6.4.

6.1.3.4.    Luces de posición (cláusula 5.3.7)

1) El color de las luces de posición y la distribución espectral de la radiación de la luz se someterá a ensayo con arreglo a la especificación a la que se refiere el apéndice J-1, índice 74, cláusula 6.3.

2) La intensidad luminosa de las luces de posición se someterá a ensayo con arreglo a la especificación a la que se refiere el apéndice J-1, índice 74, cláusula 6.4.

6.1.3.5.    Luces de cola (cláusula 5.3.8)

1) El color de las luces de cola se someterá a ensayo con arreglo a la especificación a la que se refiere el apéndice J-1, índice 75, cláusula 6.3.

2) La intensidad luminosa de las luces de cola se someterá a ensayo con arreglo a la especificación a la que se refiere el apéndice J-1, índice 75, cláusula 6.4.

6.1.3.6.    Bocina (cláusula 5.3.9)

1) Los sonidos de la bocina de advertencia se medirán y verificarán con arreglo a la especificación a la que se refiere el apéndice J-1, índice 76, cláusula 6.

2) Los niveles de presión acústica de la bocina de advertencia en un vehículo de referencia se medirán y verificarán con arreglo a la especificación a la que se refiere el apéndice J-1, índice 76, cláusula 6.

6.1.3.7.    Pantógrafo (cláusula 5.3.10)

1) Para los pantógrafos de corriente continua, la corriente máxima en parado por hilo de contacto se verificará en las siguientes condiciones:

 el pantógrafo estará en contacto con un hilo de contacto de cobre,

 el pantógrafo aplicará una fuerza estática de contacto según lo definido en la especificación a la que se refiere el apéndice J-1, índice 77.

 Adicionalmente, la temperatura del punto de contacto controlado continuamente durante un ensayo de 30 minutos no superará los valores indicados en la especificación a la que se refiere el apéndice J-1, índice 78.

2) Para todos los pantógrafos, la fuerza de contacto estática se verificará con arreglo a la especificación a la que se refiere el apéndice J-1, índice 79.

3) El comportamiento dinámico del pantógrafo con respecto a la captación de corriente se evaluará mediante simulación de acuerdo con la especificación a la que se refiere el apéndice J-1, índice 80.

Las simulaciones se realizarán utilizando al menos dos tipos de línea aérea de contacto; los datos para la simulación deberán corresponder a secciones de líneas que consten en el Registro de Infraestructura como conformes con la ETI [declaración «CE» de conformidad, o declaración de acuerdo con la Recomendación 2011/622/UE de la Comisión ( 10 )] para la velocidad y el sistema de alimentación adecuados, hasta la velocidad de diseño del componente de interoperabilidad «pantógrafo» propuesto.

Se admite realizar la simulación empleando tipos de línea aérea de contacto que se encuentren en proceso de homologación como componente de interoperabilidad o declaración conforme a la Recomendación 2011/622/UE, siempre que cumplan los otros requisitos de la ETI de Energía. La calidad de la captación de corriente simulada se ajustará a lo dispuesto en la cláusula 4.2.8.2.9.6 para la elevación, la fuerza de contacto media y la desviación estándar para cada una de las líneas aéreas de contacto.

Si los resultados de la simulación son aceptables, se llevará a cabo un ensayo dinámico en vía utilizando una sección representativa de uno de los tipos de línea aérea de contacto empleados en la simulación.

Las características de interacción se medirán con arreglo a la especificación a la que se refiere el apéndice J-1, índice 81.

El pantógrafo sometido a ensayo se montará en un material rodante que produzca una fuerza de contacto media dentro de los límites superior e inferior establecidos en la cláusula 4.2.8.2.9.6 hasta la velocidad de diseño del pantógrafo. Los ensayos se efectuarán en ambos sentidos del trayecto.

Para los pantógrafos destinados a ser utilizados en los anchos de vía 1 435  mm y 1 668  mm, los ensayos incluirán tramos de vía con línea de contacto baja (definida como una altura de entre 5,0 m y 5,3 m) y tramos de vía con línea de contacto alta (definida como una altura de entre 5,5 m y 5,75 m).

Para los pantógrafos destinados a ser utilizados en los anchos de vía 1 520  mm y 1 524  mm, los ensayos incluirán tramos de vía con línea de contacto cuya altura sea de entre 6,0 m y 6,3 m.

Los ensayos se efectuarán para un mínimo de tres incrementos de velocidad hasta la velocidad de diseño de pantógrafo ensayado, inclusive.

El intervalo entre ensayos sucesivos no será superior a 50 km/h.

La calidad de la captación de corriente medida se ajustará a la cláusula 4.2.8.2.9.6 en lo que se refiere a la elevación, y o bien a la fuerza de contacto media y a la desviación típica, o bien al porcentaje de cebado.

Si se superan todas las evaluaciones anteriores, se considerará que el diseño del pantógrafo ensayado cumple la ETI en cuanto a la calidad de la captación de corriente.

Para el uso de un pantógrafo cubierto por una declaración «CE» de verificación en varios diseños de material rodante, se especifican en la cláusula 6.2.3.20 otros ensayos complementarios requeridos a nivel del material rodante en cuanto a la calidad de corriente.

6.1.3.8.    Frotadores (cláusula 5.3.11)

1) Los frotadores se verificarán con arreglo a lo indicado en la especificación a la que se refiere el apéndice J-1, índice 82.

2) Los frotadores, como partes sustituibles del arco del pantógrafo, se verificarán una vez y al mismo tiempo que un pantógrafo (véase la cláusula 6.1.3.7), en lo que respecta a la calidad de la captación de corriente.

3) En el caso de un material para el cual el fabricante no tenga experiencia suficiente, el frotador debería someterse a una evaluación de la idoneidad para el uso (módulo CV; véase también la cláusula 6.1.6).

6.1.4.    Fases del proyecto en las que se requiere evaluación

1) En el apéndice H de la presente ETI se detalla en qué fases del proyecto deberá efectuarse una evaluación con respecto a los requisitos aplicables a los componentes de interoperabilidad:

 fase de diseño y desarrollo:

 

 revisión del diseño y/o examen de diseño,

 ensayo de tipo: ensayo para verificar el diseño, si procede según lo dispuesto en la sección 4.2 y tal como se define en esta,

 fase de producción: ensayo serie previsto para verificar la conformidad de la producción.

 La entidad a cargo de la evaluación de los ensayos serie se determinará según el módulo de evaluación elegido.

2) El anexo H se estructura según lo dispuesto en la sección 4.2; los requisitos aplicables a los componentes de interoperabilidad y la evaluación de estos requisitos se indican en la sección 5.3 mediante referencia a determinadas cláusulas de la sección 4.2; en los casos pertinentes se incluye también una referencia a una subcláusula de la cláusula 6.1.3 anterior.

6.1.5.    Soluciones innovadoras

1) Si se propusiera una solución innovadora (definida en el artículo 10) para un componente de interoperabilidad, el fabricante o su representante autorizado en la Unión Europea aplicará el procedimiento descrito en el artículo 10.

6.1.6.    Evaluación de la idoneidad para el uso

1) La evaluación de la idoneidad para el uso conforme a la validación de tipo mediante el procedimiento de experimentación en servicio (módulo CV) podrá formar parte del procedimiento de evaluación para los siguientes componentes de interoperabilidad, en caso de que el fabricante no tenga experiencia suficiente para el diseño propuesto:

 ruedas (véase la cláusula 6.1.3.1),

 sistema de protección antideslizamiento de las ruedas (véase la cláusula 6.1.3.2),

 frotadores (véase la cláusula 6.1.3.8).

2) Antes de comenzar los ensayos en servicio, se utilizará un módulo adecuado (CB o CH1) para certificar el diseño del componente.

3) Los ensayos en servicio se organizarán a propuesta del fabricante, quien deberá alcanzar un acuerdo con una empresa ferroviaria estableciendo su aportación a dichas tareas.

6.2.    Subsistema de material rodante

6.2.1.    Verificación «CE» (aspectos generales)

1) Los procedimientos de verificación «CE» aplicables al subsistema de material rodante se describen en el artículo 18 y el anexo VI de la Directiva 2008/57/CE.

2) El procedimiento de verificación «CE» de una unidad de material rodante se efectuará de acuerdo con el módulo o los módulos previstos según lo indicado en la cláusula 6.2.2 de la presente ETI.

3) Cuando el solicitante pida una evaluación en una primera fase que cubra la etapa de diseño o las etapas de diseño y producción, el organismo notificado de su elección expedirá la declaración de verificación intermedia (DVI) y se elaborará la declaración «CE» de conformidad intermedia del subsistema.

6.2.2.    Aplicación de módulos

Módulos para la verificación «CE» de subsistemas



Módulo SB

Examen «CE» de tipo

Módulo SD

Verificación «CE» basada en el sistema de gestión de la calidad del proceso de producción

Módulo SF

Verificación «CE» basada en la verificación de los productos

Módulo SH1

Verificación «CE» basada en un sistema de gestión de la calidad total más examen de diseño

1) El solicitante elegirá una de las combinaciones de módulos siguientes:

(SB+SD) o (SB+SF) o (SH1) para cada subsistema (o parte de subsistema) afectado(s).

A continuación, se realizará la evaluación conforme a la combinación de módulos elegida.

2) Cuando varias verificaciones «CE» (por ejemplo, con arreglo a varias ETI que traten del mismo subsistema) deban verificarse sobre la base de la misma evaluación de la producción (módulo SD o SF), está permitido combinar varias evaluaciones mediante el módulo SB con una evaluación mediante el módulo basado en la producción (SD o SF). En este caso, se expedirán certificados de verificación intermedia (CVI) para las fases de diseño y desarrollo de acuerdo con el módulo SB.

3) La validez del certificado de examen de tipo o de diseño se indicará con arreglo a lo dispuesto para la fase B en la cláusula 7.1.3, «Normas sobre la verificación CE» de la presente ETI.

4) Cuando se utilice para la evaluación un procedimiento concreto, además de los requisitos indicados en la cláusula 4.2 de la presente ETI, este se especificará en la cláusula 6.2.3 a continuación.

6.2.3.    Procedimientos particulares de evaluación de subsistemas

6.2.3.1.    Condiciones de carga y masa (cláusula 4.2.2.10)

1) La masa pesada estará medida para una condición de carga correspondiente a «masa de diseño en orden de trabajo» con la excepción de los consumibles para los cuales no haya imposición (por ejemplo, la «masa muerta» es aceptable).

2) Está permitido deducir las demás condiciones de carga mediante cálculos.

3) Cuando un vehículo sea declarado conforme con un tipo (con arreglo a las cláusulas 6.2.2 y 7.1.3 de la presente ETI):

 la masa total del vehículo pesada en la condición de carga «masa de diseño en orden de trabajo» no superará en más de un 3 % la masa total del vehículo declarada para dicho tipo, que consta en el certificado de examen de tipo o de diseño de la verificación «CE» y en la documentación técnica descrita en la cláusula 4.2.12,

 complementariamente, para una unidad cuya velocidad máxima de diseño sea superior o igual a 250 km/h, la masa por eje para la condición de carga «masa de diseño bajo carga útil normal» no superará en más de un 4 % la masa declarada por eje para la misma condición de carga.

6.2.3.2.    Carga por rueda (cláusula 4.2.3.2.2)

1) La carga por rueda se medirá considerando la condición de carga «masa de diseño en orden de trabajo» (con la misma excepción que en la cláusula 6.2.3.1 anterior).

6.2.3.3.    Seguridad frente al descarrilamiento en la circulación por vías alabeadas (cláusula 4.2.3.4.1)

1) La demostración de la conformidad se efectuará con arreglo a uno de los métodos indicados en la especificación a la que se refiere el apéndice J-1, índice 83, modificada por el documento técnico al que se refiere el apéndice J-2, índice 2.

2) Para las unidades destinadas a utilizarse en el ancho de vía de 1 520  mm, se permiten métodos alternativos de evaluación de la conformidad.

6.2.3.4.    Comportamiento dinámico en circulación: requisitos técnicos (cláusula 4.2.3.4.2.a)

1) Para las unidades destinadas a utilizarse en los anchos de vía de 1 435  mm, 1 524  mm o 1 668  mm, la demostración de la conformidad se llevará a cabo con arreglo a la especificación a la que se refiere el apéndice J-1, índice 84, cláusula 5.

Los parámetros descritos en las cláusulas 4.2.3.4.2.1 y 4.2.3.4.2.2 se evaluarán aplicando los criterios definidos en la especificación a la que se refiere el apéndice J-1, índice 84.

Las condiciones para llevar a cabo la evaluación conforme a la especificación a la que se refiere el apéndice J-1, índice 84, se modificarán con arreglo al documento técnico al que se refiere el apéndice J-2, índice 2.

6.2.3.5.    Evaluación de la conformidad para requisitos de seguridad

La demostración del cumplimiento de los requisitos de seguridad indicados en la cláusula 4.2 se efectuará de la manera siguiente:

1) El alcance de esta evaluación estará estrictamente limitado al diseño del material rodante, considerando que la explotación, el ensayo y el mantenimiento se llevan a cabo de acuerdo con las normas definidas por el solicitante (descritas en el expediente técnico).

Notas:

 Cuando se definan los requisitos de ensayo y mantenimiento, el solicitante deberá de tener en cuenta el nivel de seguridad que debe alcanzarse (coherencia); la demostración de su cumplimiento cubre también los requisitos de ensayo y mantenimiento.

 No se tendrán en consideración otros subsistemas ni posibles factores humanos (errores).

2) Todos los escenarios considerados para el perfil de la misión estarán claramente documentados en la demostración.

3) El cumplimiento con los requisitos de seguridad especificados en las cláusulas 4.2.3.4.2, 4.2.4.2.2, 4.2.5.3.5, 4.2.5.5.8 y 4.2.5.5.9 en términos del nivel de gravedad o de las consecuencias asociadas a los escenarios de fallo peligroso, se demostrará mediante uno de los dos métodos siguientes:

1. Aplicación de un criterio de aceptación de riesgos armonizado, asociado a la gravedad especificada en la cláusula 4.2 (por ejemplo, «víctimas mortales» en el caso del frenado de emergencia).

El solicitante podrá elegir emplear este método, siempre que exista un criterio de aceptación de riesgos armonizado definido en el Reglamento de Métodos Comunes de Seguridad de Evaluación de Riesgos y sus modificaciones [Reglamento (CE) no 352/2009 de la Comisión ( 11 )].

El solicitante demostrará el cumplimiento del criterio armonizado aplicando el anexo I-3 del Reglamento de Métodos Comunes de Seguridad de Evaluación de Riesgos. Para la demostración, podrán utilizarse los principios siguientes (y sus combinaciones): comparación con sistemas similares; aplicación de códigos prácticos; estimación explícita del riesgo (por ejemplo, enfoque probabilístico).

El solicitante designará el organismo que llevará a cabo la evaluación de la demostración que presente: el organismo notificado seleccionado para el subsistema de material rodante o un organismo de evaluación según se define en el Reglamento de Métodos Comunes de Seguridad de Evaluación de Riesgos.

La demostración será reconocida en todos los Estados miembros, o

2. Aplicación de una evaluación y una valoración del riesgo con arreglo al Reglamento de Métodos Comunes de Seguridad de Evaluación de Riesgos con objeto de definir el criterio de aceptación de riesgos que se utilizará, y de demostrar el cumplimiento con este criterio.

El solicitante podrá elegir emplear este método en cualquier caso.

El solicitante designará el organismo de evaluación que llevará a cabo la evaluación de la demostración que presente, según lo definido en el Reglamento de Métodos Comunes de Seguridad de Evaluación de Riesgos

Se aportará un informe de evaluación de la seguridad con arreglo a los requisitos definidos en el Reglamento de Métodos Comunes de Seguridad de Evaluación de Riesgos y sus modificaciones.

El informe de evaluación de la seguridad será tenido en cuenta por la Autoridad Nacional de Seguridad del Estado miembro, de conformidad con la sección 2.5.6 del anexo I y el artículo 15, apartado 2, del Reglamento de Métodos Comunes de Seguridad de Evaluación de Riesgos.

En el caso de que se expidan autorizaciones adicionales para la puesta en servicio de vehículos, se aplicará el artículo 15, apartado 5, del Reglamento de Métodos Comunes de Seguridad de Evaluación de Riesgos para el reconocimiento del informe de evaluación de la seguridad en otros Estados miembros.

4) Para cada cláusula de la ETI enumerada en el punto 3 anterior, los documentos pertinentes que acompañan la declaración «CE» de verificación (por ejemplo, certificado «CE» expedido por el organismo notificado o el informe de evaluación de la seguridad) deberán mencionar de manera explícita el «método utilizado» («1» o «2»); de utilizarse el método «2», también mencionarán el «criterio de aceptación de riesgos utilizado».

6.2.3.6.    Valores de diseño de los perfiles de las ruedas nuevas (cláusula 4.2.3.4.3.1)

1) Para las unidades destinadas a utilizarse en el ancho de vía de 1 435  mm, el perfil de rueda y la distancia entre las caras activas de pestaña (dimensión SR en la figura 1, apartado 4.2.3.5.2.1) se seleccionarán de manera que se asegure que el límite de la conicidad equivalente, fijado a continuación en el cuadro 11, no se supere cuando el eje montado diseñado se combine con cada una de las muestras de parámetros de vía según lo especificado en el cuadro 12.

La evaluación de la conicidad equivalente se establece en el documento técnico al que se refiere el apéndice J-2, índice 2.



Cuadro 11

Valores límite de diseño de conicidad equivalente

Velocidad máxima de servicio del vehículo (km/h)

Valores límite de conicidad equivalente

Condiciones de ensayo

(véase el cuadro 12)

<= 60

No aplica

No aplica

> 60 y < 190

0,30

Todas

>= 190 y ≤ 230

0,25

1, 2, 3, 4, 5 y 6

> 230 y ≤ 280

0,20

1, 2, 3, 4, 5 y 6

> 280 y ≤ 300

0,10

1, 3, 5 y 6

> 300

0,10

1 y 3



Cuadro 12

Condiciones de ensayo de la vía para una conicidad equivalente representativa de la red. Todos los tramos de carril definidos en la especificación a la que se refiere el apéndice J-1, índice 85

Número de la condición de ensayo

Perfil de la cabeza del carril

Inclinación del carril

Ancho de vía

1

tramo de carril 60 E 1

1 en 20

1 435 mm

2

tramo de carril 60 E 1

1 en 40

1 435 mm

3

tramo de carril 60 E 1

1 en 20

1 437 mm

4

tramo de carril 60 E 1

1 en 40

1 437 mm

5

tramo de carril 60 E 2

1 en 40

1 435 mm

6

tramo de carril 60 E 2

1 en 40

1 437 mm

7

Tramo de carril 54 E1

1 en 20

1 435 mm

8

Tramo de carril 54 E1

1 en 40

1 435 mm

9

Tramo de carril 54 E1

1 en 20

1 437 mm

10

Tramo de carril 54 E1

1 en 40

1 437 mm

Se considera que los ejes montados con perfiles S1002 o GV 1/40 sin desgastar, según se define en la especificación a la que se refiere el apéndice J-1, índice 86, con una separación de las caras activas de entre 1 420  mm y 1 426  mm, cumplen los requisitos de la presente cláusula.

2) Para las unidades destinadas a utilizarse en el ancho de vía de 1 524  mm, el perfil de rueda y la distancia entre las caras activas de pestaña se seleccionarán con los siguientes valores de partida:



Cuadro 13

Valores límite de diseño de conicidad equivalente

Velocidad máxima de servicio del vehículo (km/h)

Valores límite de conicidad equivalente

Condiciones de ensayo

(véase el cuadro 14)

≤ 60

No aplica

No aplica

> 60 y ≤ 190

0,30

1, 2, 3, 4, 5 y 6

> 190 y ≤ 230

0,25

1, 2, 3 y 4

> 230 y ≤ 280

0,20

1, 2, 3 y 4

> 280 y ≤ 300

0,10

3, 4, 7 y 8

>300

0,10

7 y 8



Cuadro 14

Condiciones de ensayo de la vía para una conicidad equivalente. Todos los tramos de carril definidos en la especificación a la que se refiere el apéndice J-1, índice 85

Número de la condición de ensayo

Perfil de la cabeza del carril

Inclinación del carril

Ancho de vía

1

Tramo de carril 60 E 1

1 en 40

1 524 mm

2

Tramo de carril 60 E 1

1 en 40

1 526 mm

3

Tramo de carril 60 E 2

1 en 40

1 524 mm

4

Tramo de carril 60 E 2

1 en 40

1 526 mm

5

Tramo de carril 54 E1

1 en 40

1 524 mm

6

Tramo de carril 54 E1

1 en 40

1 526 mm

7

Tramo de carril 60 E 1

1 en 20

1 524 mm

8

Tramo de carril 60 E 1

1 en 20

1 526 mm

Se considera que los ejes montados con perfiles S1002 o GV 1/40 sin desgastar, según se define en la especificación a la que se refiere el apéndice J-1, índice 86, con una separación de las caras activas de 1 510 , cumplen los requisitos de la presente cláusula.

3) Para las unidades diseñadas para utilizarse en el ancho de vía de 1 668  mm, no se superarán los límites de la conicidad equivalente establecidos en el cuadro 15 cuando el eje montado diseñado se modele pasando por encima de la muestra representativa de las condiciones de ensayo de la vía especificadas en el cuadro 16.



Cuadro 15

Valores límite de diseño de conicidad equivalente

Velocidad máxima de servicio del vehículo (km/h)

Valores límite de conicidad equivalente

Condiciones de ensayo

(véase el cuadro 16)

≤ 60

No aplica

No aplica

> 60 y < 190

0,30

Todas

≥ 190 y ≤ 230

0,25

1 y 2

> 230 y ≤ 280

0,20

1 y 2

> 280 y ≤ 300

0,10

1 y 2

> 300

0,10

1 y 2



Cuadro 16

Condiciones de ensayo de la vía para una conicidad equivalente. Todos los tramos de carril definidos en la especificación a la que se refiere el apéndice J-1, índice 85

Número de la condición de ensayo

Perfil de la cabeza del carril

Inclinación del carril

Ancho de vía

1

Tramo de carril 60 E 1

1 en 20

1 668 mm

2

Tramo de carril 60 E 1

1 en 20

1 670 mm

3

Tramo de carril 54 E1

1 en 20

1 668 mm

4

Tramo de carril 54 E1

1 en 20

1 670 mm

Se considera que los ejes montados con perfiles S1002 o GV 1/40 sin desgastar, según se define en la especificación a la que se refiere el apéndice J-1, índice 86, con una separación de las caras activas de entre 1 653  mm y 1 659  mm, cumplen los requisitos de la presente cláusula.

6.2.3.7.    Características mecánicas y geométricas de los ejes montados (cláusula 4.2.3.5.2.1)

Ejes montados:

1) La demostración del cumplimiento de las prescripciones del montaje se basará en la especificación a la que se refiere el apéndice J-1, índice 87, la cual define los valores límite para el esfuerzo axial, y en los ensayos de verificación correspondientes.

Ejes:

2) La demostración del cumplimiento de las prescripciones sobre resistencia mecánica y características de fatiga del eje se basará en la especificación a la que se refiere el apéndice J-1, índice 88, cláusulas 4, 5 y 6, para ejes remolcados, o la especificación a la que se refiere el apéndice J-1, índice 89, cláusulas 4, 5 y 6, para ejes motores.

Los criterios de decisión para el esfuerzo permisible se especifican en la especificación a la que se refiere el apéndice J-1, índice 88, cláusula 7, para los ejes remolcados, o la especificación a la que se refiere el apéndice J-1, índice 89, cláusula 7, para los ejes motores.

3) El escenario de las condiciones de carga para los cálculos deberá indicarse de manera explícita en la documentación técnica definida en la cláusula 4.2.12 de la presente ETI.

Verificación de los ejes:

4) Deberá existir un procedimiento de verificación en la fase de producción que asegure que no haya ningún defecto que disminuya el nivel de seguridad como consecuencia de un cambio en las características mecánicas de los ejes.

5) Se verificarán la resistencia a tracción del material del eje, la resistencia al impacto, la integridad de la superficie, las características del material y la limpieza del material.

El procedimiento de verificación especificará el lote de muestra utilizado para cada característica que deba verificarse.

Cajas de grasa/rodamientos del eje:

6) La demostración del cumplimiento de las prescripciones sobre resistencia mecánica y características de fatiga del rodamiento se ajustará a la especificación a la que se refiere el apéndice J-1, índice 90.

7) Otro método de evaluación de la conformidad aplicable a los ejes montados, los ejes y las ruedas cuando las normas EN no cubran la solución técnica propuesta:

Será permisible utilizar otras normas cuando las normas EN no cubran la solución técnica propuesta; en tal caso, el organismo notificado verificará que las normas alternativas formen parte de un conjunto técnicamente consistente de normas aplicables al diseño, la construcción y el ensayo de los ejes montados que contenga requisitos específicos con respecto al eje montado, las ruedas, los ejes y los rodamientos del eje, que cubran:

 el montaje de los ejes montados,

 la resistencia mecánica,

 las características de fatiga,

 los límites de esfuerzo permisibles,

 las características termomecánicas.

La demostración mencionada solo podrá referirse a normas que se encuentren disponibles públicamente.

8) Caso particular de ejes montados, ejes y cajas de grasa/rodamientos del eje fabricados conforme a un diseño existente:

En el caso de productos fabricados conforme a un diseño desarrollado y utilizado previamente para comercializar productos antes de la entrada en vigor de las ETI pertinentes aplicables a dichos productos, el solicitante podrá desviarse del procedimiento de evaluación de la conformidad descrito anteriormente, y demostrará la conformidad con los requisitos de la presente ETI, refiriéndose a la revisión del diseño y al examen de tipo efectuados para solicitudes previas en condiciones comparables; esta demostración deberá documentarse y se considerará que tiene la misma fuerza probatoria que el módulo SB o el examen de diseño conforme al módulo SH1.

6.2.3.8.    Frenado de emergencia (cláusula 4.2.4.5.2)

1) La prestación de frenado sujeta a ensayo es la distancia de parada definida en la especificación a la que se refiere el apéndice J-1, índice 91. La deceleración se evalúa a partir de la distancia de parada.

2) Los ensayos se efectuarán sobre carriles secos a las velocidades iniciales siguientes (si son inferiores a la velocidad máxima de diseño): 30 km/h; 100 km/h; 120 km/h; 140 km/h; 160 km/h; 200 km/h; en escalones no superiores a 40 km/h a partir de 200 km/h hasta la velocidad máxima de diseño de la unidad.

3) Se efectuarán ensayos para las condiciones de carga de la unidad «masa de diseño en orden de trabajo», «masa de diseño bajo carga útil normal» y «carga de frenado máxima» (definidas en las cláusulas 4.2.2.10 y 4.2.4.5.2).

Cuando dos de las condiciones de carga anteriores den lugar a condiciones similares de ensayo del freno conforme a las normas EN o a los documentos normativos pertinentes, podrá reducirse el número de condiciones de ensayo de tres a dos.

4) Los resultados de los ensayos se evaluarán mediante una metodología que tenga en cuenta los aspectos siguientes:

 corrección de los datos en bruto,

 repetitividad del ensayo: a fin de validar el resultado de un ensayo, dicho ensayo se repetirá varias veces; se evaluarán la diferencia absoluta entre los resultados y la desviación estándar.

6.2.3.9.    Frenado de servicio (cláusula 4.2.4.5.3)

1) La prestación máxima de frenado de servicio sujeta a ensayo es la distancia de parada definida en la especificación a la que se refiere el apéndice J-1, índice 92. La deceleración se evalúa a partir de la distancia de parada.

2) Los ensayos se efectuarán sobre carril seco a la velocidad inicial igual a la velocidad máxima de diseño de la unidad, siendo la condición de carga de la unidad una de las definidas en la cláusula 4.2.4.5.2.

3) Los resultados de los ensayos se evaluarán mediante una metodología que tenga en cuenta los aspectos siguientes:

 corrección de los datos en bruto,

 repetitividad del ensayo: a fin de validar el resultado de un ensayo, dicho ensayo se repetirá varias veces; se evaluarán la diferencia absoluta entre los resultados y la desviación estándar.

6.2.3.10.    Sistema de protección antideslizamiento de las ruedas (cláusula 4.2.4.6.2)

1) Si una unidad está equipada con un sistema de protección antideslizamiento de las ruedas (WSP), se efectuará un ensayo de la unidad en condiciones de baja adherencia con arreglo a la especificación a la que se refiere el apéndice J-1, índice 93, a fin de validar las prestaciones del sistema de protección antideslizamiento de las ruedas (longitud máxima de la distancia de parada en comparación con la distancia de parada sobre carril seco) cuando esté integrado en la unidad.

6.2.3.11.    Sistemas sanitarios (cláusula 4.2.5.1)

1) En caso de que el sistema sanitario permita la descarga de fluidos al medio ambiente (por ejemplo, a las vías), la evaluación de la conformidad podrá basarse en ensayos en servicio anteriores cuando se cumplan las condiciones siguientes:

 los resultados de los ensayos en servicio se obtuvieron en tipos de equipo cuyo método de tratamiento sea idéntico,

 las condiciones de ensayo sean semejantes a las que puedan suponerse para la unidad objeto de evaluación en lo que respecta a volúmenes de carga, condiciones ambientales y todos los demás parámetros que influyan en la eficiencia y la eficacia del proceso de tratamiento.

Cuando se carezca de resultados de ensayos en servicio apropiados, se efectuarán ensayos de tipo.

6.2.3.12.    Calidad del aire interno (cláusulas 4.2.5.8 y 4.2.9.1.7)

1) Se permite que la evaluación de la conformidad de los niveles de CO2 se establezca mediante el cálculo de los volúmenes de ventilación de aire fresco suponiendo una calidad del aire exterior de 400 ppm de CO2 y una emisión de 32 gramos de CO2 por viajero y hora. El número de viajeros que debe tenerse en cuenta se obtendrá a partir de la ocupación en la condición de carga «masa de diseño bajo carga útil normal», según estipula la cláusula 4.2.2.10 de la presente ETI.

6.2.3.13.    Efecto estela en los viajeros situados en el andén y en los trabajadores situados junto a la vía (cláusula 4.2.6.2.1)

1) La conformidad se evaluará sobre la base de los ensayos a escala real en una vía recta. La distancia vertical entre la cabeza del carril y el nivel del suelo, hasta 3 m desde el centro de la vía, estará entre 0,50 m y 1,50 m por debajo de la cabeza del carril. Los valores de u son el límite superior del intervalo de confianza 2σ de las velocidades máximas resultantes del aire generadas en el plano horizontal en las posiciones de las mediciones anteriores. Se obtendrán a partir de al menos veinte muestras de ensayo independientes y comparables, con velocidades del aire ambiente iguales o inferiores a 2 m/s.

U viene dado por:

U = Ū + 2σ

con

Ū el valor medio de todas las mediciones de velocidad del aire Ui, para i pasadas del tren, siendo i ≥ 20;

σ la desviación estándar de todas las mediciones de velocidad del aire Ui, para i pasadas del tren, siendo i ≥ 20.

2) Las mediciones abarcarán el período de tiempo que comienza 4 segundos antes de pasar el primer eje y que dura hasta 10 segundos después de pasar el último eje.

La velocidad del tren ensayada vtr, ensayo.

vtr,ensayo = vtr,ref, ó

vtr,ensayo = 250 km/h o vtr,max, el valor que sea inferior.

Al menos un 50 % de los pasos del tren estarán dentro de un margen de ± 5 % del valor vtr,ensayo y todos los pasos del tren estarán dentro de un margen de ± 10 % del valor vtr,ensayo.

3) Todas las mediciones válidas se utilizarán en el tratamiento posterior de los datos.

Cada medición Um,i se corregirá del siguiente modo:

Ui = Um,i * vtr,ref/vtr,i

siendo vtr,i la velocidad del tren para la realización del ensayo i, y siendo vtr,ref la velocidad del tren de referencia.

4) El lugar de ensayo estará libre de objetos que interfieran en la corriente de aire inducida por el tren.

5) Durante los ensayos, se observarán las condiciones meteorológicas que establece la especificación a la que se refiere el apéndice J-1, índice 94.

6) Los sensores, la precisión, la selección de datos válidos y el tratamiento de los datos se ajustarán a la especificación a la que se refiere el apéndice J-1, índice 94.

6.2.3.14.    Pulso de presión por paso de la cabeza del tren (cláusula 4.2.6.2.2)

1) Se evaluará la conformidad sobre la base de ensayos a escala real en las condiciones indicadas en la especificación a la que se refiere el apéndice J-1, índice 95, cláusula 5.5.2. Alternativamente, la conformidad podrá evaluarse o bien mediante simulaciones de dinámica de fluidos computacional (DFC) según lo descrito en la especificación a la que se refiere el apéndice J-1, índice 95, cláusula 5.3, o como alternativa complementaria se permite evaluar la conformidad mediante ensayos de maquetas a escala según lo indicado en la especificación a la que se refiere el apéndice J-1, índice 95, cláusula 5.4.3.

6.2.3.15.    Variaciones máximas de presión en los túneles (cláusula 4.2.6.2.3)

1) Se demostrará la conformidad sobre la base de ensayos a escala real realizados a la velocidad de referencia o a una velocidad superior en un túnel con una superficie de sección transversal lo más parecida posible al caso de referencia. El paso a la situación de referencia se realizará con un software de simulación validado.

2) Cuando se evalúe la conformidad de ramas o trenes completos, la evaluación se llevará a cabo con la máxima longitud del tren o con ramas acopladas con una longitud de hasta 400 m.

3) La evaluación de la conformidad de locomotoras o coches con cabina de conducción se llevará a cabo con dos composiciones de tren arbitrarias con una longitud mínima de 150 m, una, con una locomotora o un coche conductor en la parte delantera (para comprobar el valor ΔpN) y, la otra, con una locomotora o un coche conductor al final (para comprobar el valor ΔpT). ΔpFr se establece en 1 250  Pa (para trenes con vtr,max < 250 km/h) o en 1 400  Pa (para trenes con vtr,max ≥ 250 km/h).

4) Cuando se evalúe la conformidad de los coches únicamente, se utilizará un tren de 400 m de longitud.

ΔpN se establece en 1 750  Pa y ΔpT, en 700 Pa (para trenes con vtr,max < 250 km/h) o en 1 600  Pa y 1 100  Pa (para trenes con vtr,max ≥ 250 km/h).

5) Para más detalles sobre la distancia xp entre el portal de entrada y la posición de medición, sobre las definiciones de ΔpFr, ΔpN y ΔpT, sobre la longitud mínima del túnel y sobre la derivación de la variación de presión característica, véase la especificación a la que se refiere el apéndice J-1, índice 96.

6) No se tendrá en cuenta en la evaluación el cambio de presión debido a las diferencias de altitud entre el punto de entrada y de salida del túnel.

6.2.3.16.    Viento transversal (cláusula 4.2.6.2.4)

1) En la cláusula 4.2.6.2.4 se especifica detalladamente la evaluación de la conformidad.

6.2.3.17.    Niveles de presión acústica de la bocina de advertencia (cláusula 4.2.7.2.2)

1) Los niveles de presión acústica de la bocina de advertencia se medirán y verificarán con arreglo a la especificación a la que se refiere el apéndice J-1, índice 97.

6.2.3.18.    Potencia máxima y corriente de la línea aérea de contacto (cláusula 4.2.8.2.4)

1) La evaluación de la conformidad se llevará a cabo conforme a la especificación a la que se refiere el apéndice J-1, índice 98;

6.2.3.19.    Factor de potencia (cláusula 4.2.8.2.6)

1) La evaluación de la conformidad se llevará a cabo conforme a la especificación a la que se refiere el apéndice J-1, índice 99;

▼M2

6.2.3.19 bis.    Sistema embarcado de medición de energía (cláusula 4.2.8.2.8)

1)   Función de medición de energía (FME)

La precisión de cada dispositivo que desempeñe una o varias funciones de FME se evaluará sometiendo a ensayo cada función, bajo condiciones de referencia, mediante el método pertinente conforme a lo descrito en las cláusulas 5.4.3.4.1, 5.4.3.4.2 y 5.4.4.3.1 de la especificación a la que se refiere el apéndice J-1, índice 117. La cantidad de datos de entrada y los márgenes del factor de potencia durante los ensayos se corresponderán con los valores establecidos en el cuadro 3 de la especificación a la que se refiere el apéndice J-1, índice 117.

Los efectos de la temperatura en la precisión de cada dispositivo que desempeñe una o varias funciones de FME se evaluarán sometiendo a ensayo cada función, en condiciones de referencia (salvo en lo referente a la temperatura), mediante el método pertinente conforme a lo descrito en las cláusulas 5.4.3.4.3.1 y 5.4.4.3.2.1 de la especificación a la que se refiere el apéndice J-1, índice 117.

El coeficiente de temperatura media de cada dispositivo que desempeñe una o varias funciones de FME se evaluará sometiendo a ensayo cada función, bajo condiciones de referencia (salvo en lo referente a la temperatura), mediante el método pertinente conforme a lo descrito en las cláusulas 5.4.3.4.3.2 y 5.4.4.3.2.2 de la especificación a la que se refiere el apéndice J-1, índice 120.

2)   Sistema de tratamiento de datos (STD)

La compilación y el tratamiento de datos en el STD se evaluarán mediante pruebas utilizando el método descrito en la especificación a la que se refiere el apéndice J-1, índice 121.

3)   Sistema embarcado de medición de energía (SME)

El SME se evaluará mediante pruebas con arreglo a lo indicado en la especificación a la que se refiere el apéndice J-1, índice 122.

▼B

6.2.3.20.    Comportamiento dinámico de la captación de corriente (cláusula 4.2.8.2.9.6)

1) Cuando un pantógrafo cubierto por una declaración «CE» de la conformidad o de la idoneidad para el uso como componente de interoperabilidad (CI), se integre en una unidad de material rodante que se evalúe con arreglo a la ETI de Locomotoras y Coches de viajeros, se efectuarán ensayos dinámicos a fin de medir la fuerza de contacto media y la desviación estándar o el porcentaje de arcos, con arreglo a la especificación a la que se refiere el apéndice J-1, índice 100, hasta la velocidad de diseño de la unidad.

2) Para una unidad diseñada para operar en los anchos de vía 1 435  mm y 1 668  mm, los ensayos, para cada pantógrafo instalado, se efectuarán en ambos sentidos de circulación e incluirán tramos de vía con línea de contacto baja (definida como una altura de entre 5,0 m y 5,3 m) y tramos de vía con línea de contacto alta (definida como una altura de entre 5,5 m y 5,75 m).

Para unidades diseñadas para utilizarse en los anchos de vía 1 520  mm y 1 524  mm, los ensayos incluirán tramos de vía con línea de contacto cuya altura sea de entre 6,0 m y 6,3 m.

3) Los ensayos se efectuarán para un mínimo de tres incrementos de velocidad hasta la velocidad de diseño de la unidad (inclusive). El intervalo entre ensayos sucesivos no será superior a 50 km/h.

4) Durante el ensayo, la fuerza estática de contacto se ajustará para cada sistema particular de alimentación eléctrica dentro del intervalo, tal como especifica la cláusula 4.2.8.2.9.5.

5) Los resultados medidos se ajustarán a la cláusula 4.2.8.2.9.6 o bien para la fuerza de contacto media y la desviación estándar o bien para el porcentaje de arcos.

6.2.3.21.    Disposición de los pantógrafos (cláusula 4.2.8.2.9.7)

1) Las características relativas al comportamiento dinámico de la captación de corriente se verificarán según lo especificado en la cláusula 6.2.3.20 anterior.

6.2.3.22.    Parabrisas (cláusula 4.2.9.2)

1) Las características del parabrisas se verificarán con arreglo a lo indicado en la especificación a la que se refiere el apéndice J-1, índice 101.

6.2.3.23.    Sistemas de detección de incendios (cláusula 4.2.10.3.2)

1) Se considerará que se cumplen los requisitos del apartado 1 de la cláusula 4.2.10.3.2 si se verifica que el material rodante va equipado con un sistema de detección de incendios en las siguientes zonas:

 compartimento o armario técnico, sellado o no, que contenga la línea de alimentación eléctrica o los equipos del circuito de tracción,

 área técnica con motor de combustión,

 coches-cama y compartimentos dormitorio, incluidos los compartimentos del personal y sus pasillos y equipos contiguos de calefacción por combustión.

6.2.4.    Fases del proyecto en las que se requiere evaluación

1) En el apéndice H de la presente ETI se detalla en qué fase del proyecto se realizará una evaluación:

 fase de diseño y desarrollo:

 

 revisión de diseño o examen de diseño,

 ensayo de tipo: ensayo para verificar el diseño, si procede según lo dispuesto en la sección 4.2 y tal como se define en esta;

 fase de producción: ensayo serie para verificar la conformidad de la producción.

 La entidad a cargo de la evaluación de los ensayos serie se determinará según el módulo de evaluación elegido.

2) El apéndice H se estructura conforme a la sección 4.2, que define los requisitos aplicables al subsistema material rodante y su evaluación; cuando procede, se da también la referencia a una subcláusula de la cláusula 6.2.2.2 anterior.

En particular, cuando se identifique un ensayo de tipo en el apéndice H, se tendrá en cuenta la sección 4.2 respecto a las condiciones y los requisitos de este ensayo.

3) Cuando varias verificaciones «CE» (por ejemplo, con arreglo a varias ETI que traten del mismo subsistema) deban verificarse sobre la base de la misma evaluación de la producción (módulo SD o SF), está permitido combinar varias evaluaciones mediante el módulo SB con una evaluación mediante el módulo basado en la producción (SD o SF). En este caso, se expedirán certificados de verificación intermedia (CVI) para las fases de diseño y desarrollo de acuerdo con el módulo SB.

4) Si se utiliza el módulo SB, se indicará la validez de la declaración «CE» de conformidad intermedia del subsistema con arreglo a lo dispuesto para la fase B en la cláusula 7.1.3, «Normas sobre la verificación CE», de la presente ETI.

6.2.5.    Soluciones innovadoras

1) Si se propusiera una solución innovadora (definida en el artículo 10) para el subsistema de material rodante, el solicitante aplicará el procedimiento descrito en el artículo 10.

6.2.6.    Evaluación de la documentación solicitada para la explotación y el mantenimiento

1) De conformidad con el artículo 18, apartado 3, de la Directiva 2008/57/CE, un organismo notificado será el responsable de elaborar el expediente técnico que contenga la documentación solicitada para la explotación y el mantenimiento.

2) El organismo notificado verificará solamente que se ha aportado la documentación solicitada para la explotación y el mantenimiento, definida en la cláusula 4.2.12 de la presente ETI. No es necesario que el organismo notificado verifique la información contenida en la documentación presentada.

6.2.7.    Evaluación de las unidades destinadas a explotación general

1) Cuando una unidad nueva, rehabilitada o renovada destinada a explotación general esté sujeta a evaluación conforme a la presente ETI (con arreglo a la cláusula 4.1.2), algunos de los requisitos de la ETI requerirán de un tren de referencia para su evaluación. Esto se menciona en las disposiciones pertinentes de la sección 4.2. De la misma manera, algunos de los requisitos de la ETI a nivel de tren no podrán evaluarse a nivel de unidad; estos casos se describen en la sección 4.2 de la presente ETI para los requisitos relevantes.

2) El ámbito de uso, en términos del tipo de material rodante que, acoplado a la unidad que debe evaluarse, asegura que el tren cumple la ETI, no será verificado por el organismo notificado.

3) Después de que dicha unidad haya recibido la autorización de puesta en servicio, su uso en una formación de tren (tanto si cumple la ETI como si no) será responsabilidad de la empresa ferroviaria, de acuerdo con las normas definidas en la cláusula 4.2.2.5 de la ETI de Explotación (composición de tren).

6.2.8.    Evaluación de las unidades destinadas a formaciones predefinidas

1) Cuando una unidad nueva, rehabilitada o renovada destinada a formación(es) predefinida(s) esté sujeta a evaluación (con arreglo al capítulo 4.1.2), deberán indicarse en el certificado «CE» de verificación las formaciones para las cuales es válida la evaluación: el tipo de material rodante acoplado a la unidad que debe evaluarse, el número de vehículos de la(s) formación(es) y la disposición de los vehículos en la(s) formación(es) que asegurarán que la formación de tren sea conforme con lo dispuesto en la presente ETI.

2) Los requisitos de la ETI a nivel de tren se evaluarán utilizando una formación de tren de referencia cuando y como se especifique en la presente ETI.

3) Después de que dicha unidad haya recibido la autorización de puesta en servicio, podrá acoplarse a otras unidades para constituir las formaciones mencionadas en el certificado «CE» de verificación.

6.2.9.    Caso particular: evaluación de las unidades destinadas a una formación fija existente

6.2.9.1.    Contexto

1) Este caso particular de evaluación se aplica en caso de sustitución de una parte de una formación fija que ya se haya puesto en servicio.

A continuación se describen dos casos, según la situación de la formación fija respecto a la ETI.

En el texto siguiente, la parte de la formación fija sujeta a la evaluación se denomina «unidad».

6.2.9.2.    Caso de una formación fija que cumple la ETI

1) Cuando una unidad nueva, rehabilitada o renovada destinada a incluirse en una formación fija ya existente esté sujeta a evaluación conforme a la presente ETI, y se disponga de un certificado «CE» de verificación válido para la formación fija ya existente, se requerirá una evaluación conforme a la ETI solamente para la parte nueva de la formación fija a fin de actualizar el certificado de la formación fija existente, que se considerará renovada (véase también la cláusula 7.1.2.2).

6.2.9.3.    Caso de una formación fija que no cumple la ETI

1) Cuando una unidad nueva, rehabilitada o renovada destinada a incluirse en una formación fija ya existente esté sujeta a evaluación conforme a la presente ETI, y no se disponga de un certificado «CE» de verificación válido para la formación fija ya existente, el certificado «CE» de verificación indicará que la evaluación no cubre los requisitos de la ETI aplicables a la formación fija existente, sino solo a la unidad evaluada.

6.3.    Subsistemas que incluyen componentes de interoperabilidad sin declaración «CE»

6.3.1.    Condiciones

1) Durante el período transitorio que finaliza el 31 de mayo de 2017, un organismo notificado podrá expedir un certificado «CE» de verificación de un subsistema, aun cuando algunos componentes de interoperabilidad incorporados a este no estén cubiertos por las correspondientes declaraciones «CE» de conformidad o de idoneidad para el uso con arreglo a la presente ETI (componentes de interoperabilidad no certificados), siempre y cuando se cumplan los criterios siguientes:

a) el organismo notificado haya comprobado la conformidad del subsistema con respecto a los requisitos de la sección 4 y en relación con las secciones 6.2 a 7 (excepto «Casos específicos») de la presente ETI. Además, no se aplica la conformidad de los componentes de interoperabilidad con las secciones 5 y 6.1, y

b) los componentes de interoperabilidad no amparados por la correspondiente declaración «CE» de conformidad o de idoneidad para el uso se hayan empleado en un subsistema ya aprobado y puesto en servicio en al menos un Estado miembro antes de la fecha de aplicación de la presente ETI.

2) No se expedirán declaraciones «CE» de conformidad o de idoneidad para el uso para los componentes de interoperabilidad evaluados de esta manera.

6.3.2.    Documentación

1) El certificado «CE» de verificación del subsistema indicará claramente los componentes de interoperabilidad que ha evaluado el organismo notificado como parte de la verificación del subsistema.

2) La declaración «CE» de verificación del subsistema indicará claramente:

a) qué componentes de interoperabilidad han sido evaluados como parte del subsistema;

b) que los componentes de interoperabilidad que contiene el subsistema son idénticos a los verificados como parte del subsistema;

c) la razón o las razones por las que el fabricante no presentó para esos componentes de interoperabilidad una declaración «CE» de conformidad o de idoneidad para el uso antes de su incorporación al subsistema, lo que comprende la aplicación de las normas nacionales notificadas en virtud del artículo 17 de la Directiva 2008/57/CE.

6.3.3.    Mantenimiento de los subsistemas certificados conforme a la cláusula 6.3.1

1) Durante el período de transición, así como después de que este finalice, hasta que el subsistema se rehabilite o renueve (teniendo en cuenta la decisión del Estado miembro sobre la aplicación de las ETI), aquellos componentes de interoperabilidad del mismo tipo que no estén cubiertos por una declaración «CE» de conformidad o idoneidad para el uso podrán utilizarse para sustituciones relacionadas con el mantenimiento (como piezas de recambio) del subsistema, bajo la responsabilidad de la Entidad Encargada del Mantenimiento (EEM).

2) En cualquier caso, la Entidad Encargada del Mantenimiento deberá asegurar que los componentes utilizados para sustituciones relacionadas con el mantenimiento sean idóneos para sus aplicaciones, se empleen dentro de su ámbito de uso y permitan lograr la interoperabilidad dentro del sistema ferroviario cumpliendo al mismo tiempo los requisitos esenciales. Tales componentes deben ser rastreables y estar certificados de acuerdo con cualquier norma nacional o internacional o procedimiento técnico que esté ampliamente reconocido en el ámbito ferroviario.

7.   APLICACIÓN

7.1.    Normas generales de aplicación

7.1.1.    Aplicación a material rodante de nueva construcción

7.1.1.1.    Aspectos generales

1) La presente ETI es aplicable a todas las unidades de material rodante que pertenezcan a su ámbito de aplicación y se pongan en servicio después de la fecha de aplicación establecida en el artículo 12, excepto cuando se apliquen las cláusulas 7.1.1.2, «Período transitorio», 7.1.1.3, «Aplicación al material rodante auxiliar para la construcción de infraestructuras ferroviarias y el mantenimiento», o 7.1.1.4, «Aplicación a los vehículos diseñados para utilizarse únicamente en el ancho de vía de 1 520  mm», que figuran a continuación.

2) La presente ETI no se aplicará a las unidades de material rodante existentes que ya estén en servicio en la red (o en parte de la red) de un Estado miembro cuando empiece a aplicarse la presente ETI, mientras no se rehabiliten ni se renueven (véase la cláusula 7.1.2).

3) Cualquier material rodante que se fabrique de acuerdo con un diseño desarrollado posteriormente a la fecha de aplicación de la presente ETI deberá ajustarse a lo dispuesto en ella.

7.1.1.2.    Período transitorio

7.1.1.2.1   Aplicación de la ETI durante el período transitorio

1) Es previsible que un número significativo de proyectos o contratos iniciados antes de la fecha de aplicación de la presente ETI den lugar a la producción de material rodante que no cumpla íntegramente esta ETI. Tal como dispone el artículo 5, apartado 3, letra f, de la Directiva 2008/57/CE, se define un período transitorio para el material al que se refieran dichos proyectos o contratos durante el cual no será obligatoria la aplicación de la presente ETI.

2) Este período transitorio se aplicará a:

 los proyectos en fase avanzada de desarrollo, según define la cláusula 7.1.1.2.2,

 los contratos en curso de ejecución, según define la cláusula 7.1.1.2.3,

 el material rodante de un diseño ya existente, según define la cláusula 7.1.1.2.4.

3) La presente ETI no será de aplicación obligatoria al material rodante que se encuentre en uno de los tres casos anteriores siempre que se cumpla una de las condiciones siguientes:

 en caso de pertenecer el material rodante al ámbito de aplicación de la ETI de 2008 de Material Rodante de Alta Velocidad o de la ETI de 2011 de Locomotoras y Coches de viajeros Convencional: aplicación de alguna de estas ETIs, incluidas las normas de ejecución y el período de validez del «certificado del examen de diseño o tipo» (siete años),

 en caso de no pertenecer el material rodante al ámbito de aplicación de la ETI de 2008 de Material Rodante de Alta Velocidad ni de la ETI de 2011 de Locomotoras y Coches de viajeros Convencional: obtención de la autorización para la puesta en servicio dentro del período transitorio que finaliza seis años después de la fecha de aplicación de la presente ETI.

4) Durante el período transitorio, cuando el solicitante opte por no aplicar la presente ETI, se recuerda que se aplicarán las demás ETI (véase la sección 2.1) o normas nacionales notificadas, con arreglo a sus respectivos ámbitos de aplicación y normas de ejecución, para la autorización para la puesta en servicio conforme a los artículos 22 a 25 de la Directiva 2008/57/CE.

En particular, las ETIs que quedan derogadas, por efecto de esta ETI, seguirán siendo de aplicación, en las condiciones indicadas en el artículo 11.

7.1.1.2.2   Definición de proyectos en fase avanzada de desarrollo

1) Material rodante que se desarrolla y produce dentro de un proyecto en avanzado estado de desarrollo, con arreglo a la definición del artículo 2, letra t), de la Directiva 2008/57/CE.

2) El proyecto deberá encontrarse en una fase avanzada de desarrollo en la fecha de aplicación de la presente ETI.

7.1.1.2.3   Definición de contratos en curso de ejecución

1) Material rodante que se desarrolla y produce en virtud de un contrato que se ha formalizado previamente a la fecha de aplicación de la presente ETI.

2) El solicitante tendrá que demostrar la fecha de formalización del contrato original aplicable. A la hora de determinar la fecha de formalización del contrato en cuestión, no se tendrá en cuenta la fecha de ninguna modificación posterior que introduzca variaciones en el contrato original.

7.1.1.2.4   Definición de material rodante de un diseño ya existente

1) Material rodante que se produce de acuerdo con un diseño desarrollado previamente a la fecha de aplicación de la presente ETI y, por tanto, que no ha sido evaluado conforme a ella.

2) A los efectos de la presente ETI, un material rodante puede calificarse como «construido de acuerdo con un diseño ya existente» cuando se cumpla una de las dos condiciones siguientes:

 el solicitante puede probar que el material rodante de nueva construcción se producirá con arreglo a un diseño documentado que ya se ha utilizado para producir material rodante que haya obtenido la autorización para la puesta en servicio en un Estado miembro antes de la fecha de aplicación de la presente ETI,

 el fabricante o el solicitante pueden probar que el proyecto estaba en la fase de preproducción o de producción en serie en la fecha de aplicación de la presente ETI. A fin de demostrar esto, al menos un prototipo deberá estar en la fase de montaje con una estructura de caja identificable ya existente, y los componentes ya encargados a proveedores deberán representar el 90 % del valor total de los componentes.

El solicitante deberá demostrar a la Autoridad Nacional de Seguridad que se cumplen las condiciones estipuladas en el punto correspondiente de la presente cláusula (según la situación de que se trate).

3) Para las modificaciones de un diseño ya existente, se aplicarán las siguientes reglas hasta el 31 de mayo de 2017:

 en caso de modificaciones de diseño estrictamente limitadas a las necesarias para asegurar la compatibilidad técnica del material rodante con instalaciones fijas (correspondiente a interfaces con los subsistemas de infraestructura, energía o control-mando y señalización), no será obligatoria la aplicación de la presente ETI,

 en caso de otras modificaciones de diseño, no se aplicará la presente cláusula relativa al «diseño existente».

7.1.1.3.    Aplicación al material rodante auxiliar para la construcción de infraestructuras ferroviarias y el mantenimiento

1) La aplicación de la presente ETI al material rodante auxiliar para la construcción de infraestructuras ferroviarias y el mantenimiento (definido en las secciones 2.2 y 2.3) no es obligatoria.

2) Los solicitantes podrán utilizar el proceso de evaluación de la conformidad descrito en la cláusula 6.2.1 de manera voluntaria, a fin de obtener una declaración «CE» de verificación conforme a esta ETI; esta declaración «CE» de conformidad será reconocida como tal por los Estados miembros.

3) En caso de que el solicitante opte por no aplicar la presente ETI, el material rodante auxiliar para la construcción de infraestructuras ferroviarias y el mantenimiento podrá autorizarse con arreglo a los artículos 24 o 25 de la Directiva 2008/57/CE.

7.1.1.4.    Aplicación a los vehículos diseñados para utilizarse únicamente en el ancho de vía de 1 520  mm

1) Durante el período transitorio que finaliza seis años después de la fecha de aplicación de la presente ETI, no será obligatoria su aplicación a los vehículos diseñados para utilizarse únicamente en el ancho de vía de 1 520  mm.

2) Los solicitantes podrán utilizar el proceso de evaluación de la conformidad descrito en la cláusula 6.2.1 de manera voluntaria a fin de obtener una declaración «CE» de verificación conforme a esta ETI; esta declaración «CE» de conformidad será reconocida como tal por los Estados miembros.

3) En caso de que el solicitante opte por no aplicar la presente ETI, el vehículo podrá autorizarse con arreglo a los artículos 24 o 25 de la Directiva 2008/57/CE.

▼M2

7.1.1.4 bis.    Medida transitoria para el requisito de sistema embarcado de medición de energía

Los requisitos establecidos en la cláusula 4.2.8.2.8 no serán obligatorios durante un período transitorio que finalizará el 1 de enero de 2022 para los proyectos que, a 14 de junio de 2018, se encuentren en fase avanzada de desarrollo, los contratos en curso de ejecución y el material rodante de un diseño ya existente, según define el punto 7.1.1.2 de la presente ETI.

Cuando no se apliquen los requisitos establecidos en la cláusula 4.2.8.2.8.4, se aplicarán las normas nacionales en lo concerniente a la especificación relativa a los protocolos de interfaz y el formato de los datos transferidos, y la descripción de la comunicación entre el equipo de a bordo y el de tierra se facilitará en la documentación técnica.

▼B

7.1.1.5.    Medida transitoria para el requisito de seguridad contra incendios

1) Durante un período transitorio que finalizará tres años después de la fecha de aplicación de la presente ETI, se permitirá, como alternativa a los requisitos especificados en la cláusula 4.2.10.2.1 de esta ETI sobre los materiales, aplicar la verificación de la conformidad a los requisitos de los materiales relativos a la seguridad contra incendios establecidos en las normas nacionales notificadas (utilizando la categoría de explotación apropiada) a partir de una de las siguientes series de normas:

2) las normas británicas BS6853, GM/RT2130 versión 3;

3) las normas francesas NF F 16-101:1988 y NF F 16-102/1992;

4) la norma alemana DIN 5510-2:2009, incluidas las mediciones de toxicidad;

5) las normas italianas UNI CEI 11170-1:2005 y UNI CEI 11170-3:2005;

6) las normas polacas PN-K-02511:2000 y PN-K-02502:1992;

7) la norma española DT-PCI/5A.

8) Durante este período, se permitirá sustituir los materiales individuales por materiales que cumplan la norma EN 45545-2:2013 (según especifica la cláusula 4.2.10.2.1 de la presente ETI).

7.1.1.6.    Medida transitoria para los requisitos sobre ruido especificados en la ETI de Material Rodante de Alta Velocidad de 2008

1) Para las unidades cuya velocidad máxima de diseño sea superior o igual a 190 km/h que estén destinadas a utilizarse en la red transeuropea de alta velocidad, se aplicarán los requisitos definidos en la cláusula 4.2.6.5, «Ruido exterior», y en la cláusula 4.2.7.6, «Ruido interior», de la ETI de Material Rodante de Alta Velocidad de 2008.

2) Esta medida transitoria será aplicable hasta que entre en vigor una ETI de Ruido revisada que cubra todos los tipos de material rodante.

7.1.1.7.    Medida transitoria para los requisitos sobre viento transversal especificados en la ETI de Material Rodante de Alta Velocidad de 2008

1) Para las unidades cuya velocidad máxima de diseño sea superior o igual a 250 km/h que estén destinadas a utilizarse en la red transeuropea de alta velocidad, se permitirá aplicar requisitos definidos en la cláusula 4.2.6.3, «Viento transversal», de la ETI de 2008 de Material Rodante de Alta Velocidad, tal como especifica la cláusula 4.2.6.2.4 de la presente ETI.

2) Esta medida transitoria será aplicable hasta que se modifique la cláusula 4.2.6.2.4 de la presente ETI.

7.1.2.    Renovación y rehabilitación del material rodante ya existente

7.1.2.1.    Introducción

1) Esta cláusula aporta información en relación con el artículo 20 de la Directiva 2008/57/CE.

7.1.2.2.    Renovación

Los Estados miembros se basarán en los siguientes principios para determinar la aplicación de la presente ETI en caso de renovación:

1) Sólo es necesaria una nueva evaluación respecto a los requisitos de la presente ETI para aquellos parámetros básicos cuyas prestaciones puedan resultar afectadas por la modificación o las modificaciones.

2) Para el material rodante no conforme a la ETI, cuando durante la renovación no sea económicamente viable cumplir el requisito de la ETI, podría aceptarse la renovación si es evidente que se mejora el parámetro básico en la dirección de las prestaciones definidas en la ETI.

3) Las estrategias de migración nacional relacionadas con la aplicación de otras ETI (por ejemplo, las ETI que cubren las instalaciones fijas) podrán tener un impacto en cuanto a, en qué medida debe aplicarse la presente ETI.

4) Para un proyecto que incluya elementos que no sean conformes con la ETI, se acordarán con el Estado miembro los procedimientos de evaluación de la conformidad y verificación «CE» que vayan a aplicarse.

5) Para diseños de material rodante ya existentes no conformes con la ETI, la sustitución de toda una unidad o de uno o varios vehículos dentro de una unidad (por ejemplo, una sustitución después de daños graves; véase también la cláusula 6.2.9) no requiere una evaluación de la conformidad respecto a esta ETI, mientras la unidad o los vehículos sean idénticos a los que sustituyen. Tales unidades deben ser trazables y certificarse de acuerdo con una norma, nacional o internacional, o cualquier código práctico, ampliamente admitidos en el ámbito ferroviario.

6) Para la sustitución de unidades o vehículos conformes con la ETI, se requiere una evaluación de la conformidad respecto a esta ETI.

7.1.2.3.    Rehabilitación

Los Estados miembros se basarán en los siguientes principios para determinar la aplicación de la presente ETI en caso de rehabilitación:

1) Las partes y los parámetros básicos del subsistema a los que no hayan afectado los trabajos de rehabilitación estarán exentos de la evaluación de la conformidad respecto a las disposiciones de la presente ETI.

2) Sólo es necesaria una nueva evaluación respecto a los requisitos de la presente ETI para aquellos parámetros básicos de esta ETI cuyas prestaciones resulten afectadas por una modificación o modificaciones.

3) Cuando durante la rehabilitación no sea económicamente viable cumplir el requisito de la ETI, podría aceptarse la rehabilitación si es evidente que se mejora el parámetro básico en la dirección de las prestaciones definidas en la ETI.

4) En la guía de aplicación se dan orientaciones a los Estados miembros para las modificaciones que se consideran rehabilitaciones.

5) Las estrategias de migración nacional relacionadas con la aplicación de otras ETI (por ejemplo, las ETI que cubren las instalaciones fijas) podrán tener un impacto en cuanto a en qué medida debe aplicarse la presente ETI.

6) Para un proyecto que incluya elementos que no sean conformes con la ETI, se acordarán con el Estado miembro los procedimientos de evaluación de la conformidad y verificación «CE» que vayan a aplicarse.

7.1.3.    Normas relativas a los certificados de examen de tipo o de diseño

7.1.3.1.    Subsistema de material rodante

1) Esta cláusula se refiere a un tipo de material rodante (tipo de unidad en el contexto de la presente ETI), definido en el artículo 2, letra w), de la Directiva 2008/57/CE, que esté sujeto a un procedimiento «CE» de verificación de diseño o de tipo con arreglo a la sección 6.2 de la presente ETI.

2) La base para la evaluación respecto a la ETI para un «examen de tipo o de diseño» se define en las columnas 2 y 3 (fase de diseño y desarrollo) del apéndice H de la presente ETI.

Fase A

3) La fase A se inicia una vez que el solicitante nombra el organismo notificado responsable de la verificación «CE» y finaliza cuando se expide el certificado «CE» de examen de tipo.

4) La base de evaluación respecto a la ETI para un tipo se define para el período de la fase A, siendo su duración máxima de siete años. Durante el período de la fase A no cambiará la base de la evaluación para la verificación «CE» que debe utilizar el organismo notificado.

5) Cuando entre en vigor una versión revisada de la presente ETI durante la fase A, será posible (pero no obligatorio) utilizar la versión revisada, ya sea en su totalidad o en lo referente a apartados concretos; en caso de que la aplicación se limite a secciones concretas, el solicitante tendrá que justificar y documentar que los requisitos aplicables siguen siendo coherentes, lo cual deberá ser aprobado por el organismo notificado.

Fase B

6) El período de la fase B define el período de validez del certificado de examen de tipo una vez que es expedido por el organismo notificado. Durante este tiempo, las unidades pueden obtener la certificación «CE» en base a la conformidad con el tipo.

7) El certificado de examen de tipo de la verificación «CE» para el subsistema será válido para un período de la fase B de siete años a partir de la fecha de expedición, aunque entre en vigor una revisión de la presente ETI. Durante este tiempo, se permite poner en servicio material rodante nuevo del mismo tipo basándose en una declaración «CE» de verificación referente al certificado de verificación de tipo.

Modificaciones de un tipo o diseño que ya disponga de un certificado «CE» de verificación

8) Para las modificaciones de un tipo de material rodante que ya disponga de un certificado de verificación del examen de tipo o de diseño, se aplicarán las siguientes reglas:

 se permite tratar los cambios mediante una nueva evaluación solo de las modificaciones que influyan en los parámetros básicos de la última revisión de la presente ETI que se encuentre vigente en ese momento,

 a fin de expedir el certificado de verificación «CE», se permitirá que el organismo notificado se refiera:

 

 al certificado original de examen de tipo o de diseño para las partes del diseño no modificadas, siempre y cuando este sea todavía válido (durante el período de siete años de la fase B),

 al certificado adicional de examen de tipo o de diseño (que modifica el certificado original) para las partes del diseño modificadas que influyan en los parámetros básicos de la última revisión de la presente ETI que se encuentre vigente en ese momento.

7.1.3.2.    Componentes de interoperabilidad

1) Esta cláusula se refiere a un componente de interoperabilidad que esté sujeto a un examen de tipo (módulo CB) o de idoneidad para el uso (módulo CV).

2) El certificado de examen de tipo o de diseño o de idoneidad para el uso será válido durante un período de cinco años. Durante este tiempo, se permite poner en servicio nuevos componentes del mismo tipo sin necesidad de una nueva evaluación de tipo. Antes de que finalice el período de cinco años, se evaluará el componente con arreglo a la última revisión de la presente ETI vigente en ese momento, en relación con los requisitos que hayan cambiado o sean nuevos en comparación con la base de la certificación.

7.2.    Compatibilidad con otros subsistemas

1) La presente ETI se ha elaborado teniendo en cuenta la conformidad de otros subsistemas con sus respectivas ETI. Por consiguiente, se tratan las interfaces con los subsistemas de instalaciones fijas de infraestructura, de energía, y de control-mando y señalización para los subsistemas que cumplan la ETI de Infraestructura, la ETI de Energía y la ETI de Control, Mando y Señalización.

2) Siguiendo este principio, las fases y los métodos de aplicación relativos al material rodante dependerán del progreso en la aplicación de la ETI de Infraestructura, la ETI de Energía y la ETI de Control, Mando y Señalización.

3) Además, las ETI que cubren las instalaciones fijas permiten conjuntos de características técnicas diferentes (por ejemplo, el «código de tráfico» en la ETI de Infraestructura, el «sistema de alimentación eléctrica» en la ETI de Energía).

4) Para el material rodante, las características técnicas correspondientes están consignadas en el «Registro Europeo de Tipos Autorizados de Vehículos», conforme al artículo 34 de la Directiva 2008/57/CE y la Decisión de Ejecución 2011/665/UE (véase también la sección 4.8 de la presente ETI).

5) En el caso de las instalaciones fijas, estas forman parte de las características consignadas en el «Registro de Infraestructura», conforme al artículo 35 de la Directiva 2008/57/CE y la Decisión de Ejecución 2011/633/UE de la Comisión ( 12 ) sobre la especificación común del Registro de Infraestructura Ferroviaria.

7.3.    Casos específicos

7.3.1.    Aspectos generales

1) Los casos específicos relacionados en la cláusula siguiente describen las disposiciones especiales requeridas y autorizadas en redes determinadas de los Estados miembros.

2) Estos casos específicos se clasifican como:

casos «P» : casos «permanentes»;

casos «T» : casos «temporales», cuando está previsto que se alcance el sistema objetivo en el futuro.

3) En la presente ETI se tratará cualquier caso específico aplicable al material rodante que pertenezca al ámbito de aplicación de la ETI.

4) Ciertos casos específicos están en interfaz con otras ETI. Cuando una cláusula de la presente ETI se refiere a otra ETI para la cual un caso específico es aplicable o cuando un caso específico es aplicable al material rodante por estar declarado en otra ETI, estos se describen también en la presente ETI.

5) Además, algunos casos específicos no impiden el acceso a la red nacional del material rodante conforme con la ETI. En ese caso, se hace constar explícitamente en la sección correspondiente de la cláusula 7.3.2 a continuación.

7.3.2.    Lista de casos específicos

7.3.2.1.    Interfaces mecánicas (4.2.2.2)

Caso específico de Irlanda y del Reino Unido para Irlanda del Norte («P»)

Enganche final, altura por encima del nivel del carril (cláusula 4.2.2.2.3, anexo A)

A.1   Topes

La altura de la línea central de los topes estará en el rango 1 090  mm (+ 5 mm/– 80 mm) por encima del nivel del carril en todas las condiciones de carga y desgaste.

A.2   Enganche de husillo

La altura de la línea central del gancho de tracción estará en el rango 1 070  mm (+ 25 mm/– 80 mm) por encima del nivel del carril en todas las condiciones de carga y desgaste.

Caso específico del Reino Unido (Gran Bretaña) («P»)

Acceso del personal para el enganche y el desenganche (cláusula 4.2.2.2.5)

Es permisible que las unidades dotadas de sistemas de enganche manual [conforme a la cláusula 4.2.2.2.3, letra b)], cumplan alternativamente con las normas técnicas nacionales notificadas a tal efecto.

Este caso específico no impide el acceso a la red nacional del material rodante conforme con la ETI.

7.3.2.2.    Gálibo (4.2.3.1)

Caso específico de Irlanda y el Reino Unido para Irlanda del Norte («P»)

Es permisible que el perfil de referencia para la parte superior e inferior de la unidad se establezca de acuerdo con las normas técnicas nacionales notificadas a tal efecto.

Caso específico del Reino Unido (Gran Bretaña) («P»)

A efectos de compatibilidad técnica con la red existente, es permisible que el perfil de referencia para la parte superior e inferior de la unidad junto con el gálibo del pantógrafo se establezca alternativamente de acuerdo con las normas técnicas nacionales notificadas a tal fin.

Este caso específico no impide el acceso a la red nacional del material rodante conforme con la ETI.

7.3.2.3.    Requisitos del material rodante para la compatibilidad con el equipo instalado en tierra (4.2.3.3.2.2)

Caso específico de Finlandia («P»)

Para el material rodante destinado a circular por la red finlandesa (ancho de vía de 1 524  mm) que dependa del equipo situado en tierra para la monitorización del estado de los rodamientos de los ejes, las zonas de detección de la parte inferior de las cajas de grasa que permanecerán libres de obstáculos para permitir la observación por el equipo de detección de cajas de grasa calientes (HABD) en tierra tendrán las dimensiones definidas en la norma EN 15437-1:2009, y sus valores se sustituirán por los siguientes:

Sistema basado en equipo situado en tierra:

Las dimensiones establecidas en las cláusulas 5.1 y 5.2 de la norma EN 15437-1:2009 se sustituyen respectivamente por las dimensiones siguientes. Existen dos superficies de detección diferentes (I y II) incluidas sus zonas de prohibición y de medida definidas tal como se indica a continuación:

Dimensiones para la superficie de detección I:

 WTA, igual o superior a 50 mm,

 LTA, igual o superior a 200 mm,

 YTA, entre 1 045  mm y 1 115  mm,

 WPZ, igual o superior a 140 mm,

 LPZ, igual o superior a 500 mm,

 YPZ, 1 080  mm ± 5 mm.

Dimensiones para la superficie de detección II:

 WTA, igual o superior a 14 mm,

 LTA, igual o superior a 200 mm,

 YTA, entre 892 mm y 896 mm,

 WPZ, igual o superior a 28 mm,

 LPZ, igual o superior a 500 mm,

 YPZ, 894 mm ± 2 mm.

Caso específico de Irlanda y el Reino Unido para Irlanda del Norte («P»)

El material rodante que dependa del equipo situado en tierra para la monitorización del estado de los rodamientos de los ejes cumplirá lo siguiente en cuanto a las zonas de detección de la parte inferior de las cajas de grasa (dimensiones definidas en la norma EN 15437-1:2009):



Cuadro 18

Zona de detección

 

YTA [mm]

WTA[mm]

LTA [mm]

YPZ [mm]

WPZ [mm]

LPZ [mm]

1 600 mm

1 110 ± 2

≥ 70

≥ 180

1 110 ± 2

≥ 125

≥ 500

Caso específico de Portugal («P»)

Para las unidades destinadas a circular por la red portuguesa (1 668  mm de ancho de vía) y que dependan de equipo situado en tierra para la monitorización del estado de los rodamientos de los ejes, la superficie de detección que se mantendrá sin obstrucciones para permitir la observación por un detector de caja de grasa caliente (HABD) situado en tierra y su posición respecto a la línea central del vehículo serán las siguientes:

 YTA = 1 000  mm (posición lateral del centro de la superficie de detección con respecto a la línea central del vehículo),

 WTA ≥ 65 mm (anchura lateral de la superficie de detección),

 LTA ≥ 100 mm (dimensión longitudinal de la superficie de detección),

 YPZ = 1 000  mm (posición lateral del centro de la zona de prohibición con respecto a la línea central del vehículo),

 WPZ ≥ 115 mm (anchura lateral de la zona de prohibición),

 LPZ ≥ 500 mm (dimensión longitudinal de la zona de prohibición).

Caso específico de España («P»)

Para el material rodante destinado a circular por la red española (1 668  mm de ancho de vía) y que dependa de equipo situado en tierra para la monitorización del estado de los rodamientos de los ejes, la zona visible del material rodante para el equipo situado en tierra será la definida en la norma EN 15437-1:2009, cláusulas 5.1 y 5.2, considerando los valores siguientes, en lugar de los establecidos:

 YTA = 1 176  mm ± 10 mm (posición lateral del centro de la superficie de detección con respecto a la línea central del vehículo),

 WTA ≥ 55 mm (anchura lateral de la superficie de detección),

 LTA ≥ 100 mm (dimensión longitudinal de la superficie de detección),

 YPZ = 1 176  mm ± 10 mm (posición lateral del centro de la superficie de prohibición con respecto a la línea central del vehículo),

 WPZ ≥ 110 mm (anchura lateral de la zona de prohibición),

 LPZ ≥ 500 mm (dimensión longitudinal de la zona de prohibición).

Caso específico de Suecia («T»)

Este caso específico es aplicable a todas las unidades que no vayan equipadas con equipo embarcado para la monitorización del estado de los rodamientos y que estén destinadas a circular por líneas con detectores de cajas de grasa no mejorados. Estas líneas se indican en el Registro de Infraestructura como no conformes con la ETI en lo que respecta a esta cuestión.

Las dos zonas situadas debajo de la caja de grasa indicadas en el cuadro siguiente según los parámetros de la norma EN 15437-1:2009 estarán libres para facilitar la monitorización vertical por parte del sistema de detección de cajas de grasa calientes instalado en la vía.



Cuadro 19

Zona de detección y zona de prohibición para las unidades destinadas a circular en Suecia

 

YTA [mm]

WTA[mm]

LTA [mm]

YPZ [mm]

WPZ [mm]

LPZ [mm]

Sistema 1

862

≥ 40

totalidad

862

≥ 60

≥ 500

Sistema 2

905 ± 20

≥ 40

totalidad

905

≥ 100

≥ 500

La compatibilidad con estos sistemas se establecerá en el expediente técnico del vehículo.

Caso específico del Reino Unido (Gran Bretaña) («P»)

Será permisible establecer la compatibilidad con un equipo situado en tierra distinto del que define la especificación a la que se refiere el apéndice J-1, índice 15. En tal caso, las características del equipo de tierra con las que la unidad es compatible se describirán en la documentación técnica (con arreglo al punto 4 de la cláusula 4.2.3.3.2).

7.3.2.4.    Seguridad contra el descarrilamiento en la circulación por vías alabeadas (4.2.3.4.1)

Caso específico del Reino Unido (Gran Bretaña) («P»)

Será admisible para todas las unidades y en todos los casos utilizar el método 3 establecido en la cláusula 4.1.3.4.1 de la norma EN 14363:2005.

Este caso específico no impide el acceso a la red nacional del material rodante conforme con la ETI.

7.3.2.5.    Comportamiento dinámico en circulación (4.2.3.4.2, 6.2.3.4, ERA/TD/2012-17/INT)

Caso específico de Finlandia («P»)

Las modificaciones siguientes a las cláusulas sobre comportamiento dinámico en circulación de la ETI son de aplicación a los vehículos que vayan a circular únicamente por la red finlandesa de 1 524  mm:

 la zona de ensayo 4 no es aplicable para los ensayos dinámicos en circulación,

 para los ensayos dinámicos en circulación el valor medio del radio de curva de todos los tramos de vía para la zona de ensayo 3 será 550 m ± 50 m,

 en los ensayos dinámicos en circulación los parámetros de calidad de la vía se ajustarán a la norma RATO 13 (Inspección de la vía),

 los métodos de medición se ajustarán a la norma EN 13848:2003+A1.

Caso específico de Irlanda y el Reino Unido para Irlanda del Norte («P»)

A efectos de compatibilidad técnica con la red existente, es permisible utilizar normas técnicas nacionales notificadas a fin de evaluar el comportamiento dinámico en circulación.

Caso específico de España («P»)

Para el material rodante destinado a circular por vías de 1 668  mm de ancho, el valor límite del esfuerzo de guiado casi estático Yqst se evaluará para radios de curva

250 m ≤ Rm < 400 m.

El valor límite será: (Yqst)lim = 66 kN.

El valor límite se evaluará con respecto al documento técnico ERA/TD/2012-17/INT excepto para la fórmula prevista en la cláusula 4.3.11.2, que se reemplazará por (11 550  m/Rm — 33).

Además, el umbral de insuficiencia de peralte que deberá considerarse para aplicar la norma EN 15686:2010 será 190 mm.

Caso específico del Reino Unido (Gran Bretaña) («P»)

Por motivos de compatibilidad técnica con la red existente, es permisible utilizar normas técnicas nacionales que modifiquen la norma EN 14363 y los requisitos del documento técnico ERA/TD/2012-17/INT y que se hayan notificado a efectos de comportamiento dinámico en circulación. Este caso específico no impide el acceso a la red nacional del material rodante conforme con la ETI.

7.3.2.6.    Características mecánicas y geométricas de los ejes montados y las ruedas (4.2.3.5.2.1 y 4.2.3.5.2.2)

Caso específico de Estonia, Letonia, Lituania y Polonia para el ancho de vía de 1 520  mm («P»)

Las dimensiones geométricas de las ruedas, definidas en la figura 2, se ajustarán a los valores límite especificados en el cuadro 20.



Cuadro 20

Límites en servicio de las dimensiones geométricas de la rueda

Denominación

Diámetro de rueda D (mm)

Valor mínimo (mm)

Valor máximo (mm)

Anchura de llanta (BR + Burr)

400 ≤ D ≤ 1 220

130

146

Espesor de pestaña (Sd)

21

33

Altura de pestaña (Sh)

28

32

Caso específico de Finlandia («P»)

El diámetro mínimo de la rueda será 400 mm.

Para el material rodante que circule entre la red finlandesa de 1 524  mm de ancho y la red de 1 520  mm de un tercer país, está permitido utilizar ejes montados especiales designados para adaptarse a las diferencias de ancho de vía.

Caso específico de Irlanda («P»)

Las dimensiones geométricas de las ruedas (definidas en la figura 2) se ajustarán a los valores límite especificados en el cuadro 21:



Cuadro 21

Límites en servicio de las dimensiones geométricas de la rueda

1 600 mm

Anchura de llanta (BR) (Burr máxima de 5 mm)

690 ≤ D ≤ 1 016

137

139

Espesor de pestaña (Sd)

690 ≤ D ≤ 1 016

26

33

Altura de pestaña (Sh)

690 ≤ D ≤ 1 016

28

38

Inclinación de pestaña (qR)

690 ≤ D ≤ 1 016

6,5

Caso específico del Reino Unido para Irlanda del Norte («P»)

Las dimensiones geométricas de los ejes montados y las ruedas (definidas en la figura 1 y la figura 2) se ajustarán a los valores límite especificados en el cuadro 22:



Cuadro 22

Límites en servicio de las dimensiones geométricas de los ejes montados y la rueda

1 600 mm

Separación entre caras activas de pestaña (SR)

SR = AR + Sd,izquierda + Sd,derecha

690 ≤ D ≤ 1 016

1 573

1 593,3

Separación entre caras internas (AR)

690 ≤ D ≤ 1 016

1 521

1 527,3

Anchura de llanta (BR) (Burr máxima de 5 mm)

(con rebaba máxima de 5 mm)

690 ≤ D ≤ 1 016

127

139

Espesor de pestaña (Sd)

690 ≤ D ≤ 1 016

24

33

Altura de pestaña (Sh)

690 ≤ D ≤ 1 016

28

38

Inclinación de pestaña (qR)

690 ≤ D ≤ 1 016

6,5

Caso específico de España («P»)

El valor mínimo del espesor de la pestaña (Sd) para el diámetro de la rueda D ≥ 840 mm será 25 mm.

Para los diámetros de rueda 330 mm ≤ D < 840 mm, el valor mínimo será 27,5 mm.

Caso específico del Reino Unido (Gran Bretaña) («P»)

Es permisible que las dimensiones geométricas de las ruedas se establezcan de modo alternativo de acuerdo con la norma técnica nacional notificada a tal efecto.

Este caso específico no impide el acceso a la red nacional del material rodante conforme con la ETI.

7.3.2.7.    Frenado de emergencia (4.2.4.5.2)

Caso específico del Reino Unido (Gran Bretaña) («P»)

Es permisible que, para las unidades evaluadas en una formación fija o predefinida cuya velocidad máxima de diseño sea superior o igual a 250 km/h, la distancia de parada en el caso de las «prestaciones de frenado de emergencia en modo normal» se desvíe de los valores mínimos especificados en el punto 9 de la cláusula 4.2.4.5.2.

7.3.2.8.    Efectos aerodinámicos (4.2.6.2)

Caso específico del Reino Unido (Gran Bretaña) («P»)

Pulso de presión por paso de la cabeza del tren (4.2.6.2.2):

Las unidades cuya velocidad máxima de explotación sea superior a 160 km/h e inferior a 250 km/h y que circulen al aire libre a su velocidad máxima de explotación no darán lugar a que la variación de presión máxima pico a pico supere el valor indicado en la norma técnica nacional notificada a tal efecto.

Caso específico de Italia («P»)

Variaciones máximas de presión en los túneles (4.2.6.2.3):

Para la explotación sin restricciones en las líneas existentes, teniendo en cuenta los numerosos túneles de 54 m2 de sección transversal que se atraviesan a 250 km/h y los de 82,5 m2 de sección transversal que se atraviesan a 300 km/h, las unidades cuya velocidad máxima de diseño sea superior o igual a 190 km/h cumplirán los requisitos establecidos en el cuadro 23:



Cuadro 23

Requisitos para un tren interoperable en circulación sin cruce (con otro material) por un túnel tubular sin inclinación

 

Ancho

Caso de referencia

Criterios para el caso de referencia

Velocidad máxima permitida [km/h]

Vtr

[km/h]

Atu

[m2]

ΔpN

[Pa]

ΔpN + ΔpFr

[Pa]

ΔpN + ΔpFr + ΔpT

[Pa]

Vtr,max < 250 km/h

GA o menor

200

53,6

≤ 1 750

≤ 3 000

≤ 3 700

≤ 210

GB

200

53,6

≤ 1 750

≤ 3 000

≤ 3 700

≤ 210

GC

200

53,6

≤ 1 750

≤ 3 000

≤ 3 700

≤ 210

Vtr,max < 250 km/h

GA o menor

200

53,6

≤ 1 195

≤ 2 145

≤ 3 105

< 250

GB

200

53,6

≤ 1 285

≤ 2 310

≤ 3 340

< 250

GC

200

53,6

≤ 1 350

≤ 2 530

≤ 3 455

< 250

Vtr,max ≥ 250 km/h

GA o menor

250

53,6

≤ 1 870

≤ 3 355

≤ 4 865

250

Vtr,max ≥ 250 km/h

GA o menor

250

63,0

≤ 1 460

≤ 2 620

≤ 3 800

> 250

GB

250

63,0

≤ 1 550

≤ 2 780

≤ 4 020

> 250

GC

250

63,0

≤ 1 600

≤ 3 000

≤ 4 100

> 250

Cuando un vehículo no se ajuste a los valores especificados en el cuadro anterior (por ejemplo, un vehículo conforme a la ETI), podrán aplicarse las normas de explotación (por ejemplo, restricciones de velocidad).

7.3.2.9.    Niveles de presión acústica de la bocina de advertencia (4.2.7.2.2)

Caso específico del Reino Unido (Gran Bretaña) («P»)

Un vehículo de uso solo nacional podrá cumplir los niveles de presión acústica de la bocina establecidos en las normas técnicas nacionales notificadas a tal efecto.

Los trenes destinados a uso internacional deberán cumplir los niveles de presión acústica de la bocina especificados en la cláusula 4.2.7.2.2 de la presente ETI.

Este caso específico no impide el acceso a la red nacional del material rodante conforme con la ETI.

7.3.2.10.    Alimentación eléctrica: aspectos generales (4.2.8.2)

Caso específico del Reino Unido (Gran Bretaña) («P»)

Está permitido que las unidades eléctricas estén diseñadas solo para su utilización en líneas dotadas de un sistema de electrificación que funcione con corriente continua a 600 V/750 V, según establece la cláusula 7.4.2.8.1 de la ETI de Energía, y utilice carriles conductores al nivel del suelo en una configuración de tres y/o cuatro carriles; en tal caso se aplicarán las normas técnicas nacionales notificadas a este fin.

7.3.2.11.    Funcionamiento dentro de los márgenes de tensión y frecuencia (4.2.8.2.2)

Caso específico de Estonia («T»)

Las unidades eléctricas diseñadas para utilizarse en líneas que funcionen con corriente continua a 3,0 kV podrán funcionar dentro de los márgenes de tensión y frecuencia establecidos en la cláusula 7.4.2.1.1 de la ETI de Energía.

Caso específico de Francia («T»)

Las unidades eléctricas diseñadas para utilizarse en líneas existentes que funcionen con corriente continua a 1,5 kV podrán funcionar dentro de los márgenes de tensión y frecuencia establecidos en la cláusula 7.4.2.2.1 de la ETI de Energía.

La corriente máxima en parado por pantógrafo (4.2.8.2.5) permitida en las líneas existentes que funcionen con corriente continua a 1,5 kV podrá ser inferior a los valores límite establecidos en la cláusula 4.2.5 de la ETI de Energía; la corriente en parado por pantógrafo estará limitada en consecuencia en las unidades eléctricas diseñadas para utilizarse en estas líneas.

Caso específico de Letonia («T»)

Las unidades eléctricas diseñadas para utilizarse en líneas que funcionen con corriente continua a 3,0 kV podrán funcionar dentro de los márgenes de tensión y frecuencia establecidos en la cláusula 7.4.2.3.1 de la ETI de Energía.

Caso específico del Reino Unido (Gran Bretaña) («P»)

Es permisible que las unidades eléctricas estén dotadas de regulación automática dentro de condiciones de funcionamiento anormal en lo que se refiere a tensión de conformidad con la norma técnica nacional notificada a tal efecto.

Este caso específico no impide el acceso a la red nacional del material rodante conforme con la ETI.

7.3.2.12.    Uso de frenos de recuperación (4.2.8.2.3)

Caso específico de Bélgica («T»)

A efectos de compatibilidad técnica con el sistema existente, la tensión máxima regenerada a la catenaria (Umax2 conforme a la cláusula 12.1.1 de la norma EN 50388:2012) en la red de 3 kV no será superior a 3,8 kV.

Caso específico de la República Checa («T»)

A efectos de compatibilidad técnica con el sistema existente, la tensión máxima regenerada a la catenaria (Umax2 conforme a la cláusula 12.1.1 de la norma EN 50388:2012) en la red de 3 kV no será superior a 3,55 kV.

Caso específico de Suecia («T»)

A efectos de compatibilidad técnica con el sistema existente, la tensión máxima regenerada a la catenaria (Umax2 conforme a la cláusula 12.1.1 de la norma EN 50388:2012) en la red de 15 kV no será superior a 17,5 kV.

7.3.2.13.    Altura de la interacción con los hilos de contacto (nivel de material rodante) (4.2.8.2.9.1.1)

Caso específico del Reino Unido (Gran Bretaña) («P»)

A efectos de compatibilidad técnica con las líneas existentes, la instalación de un pantógrafo en una unidad eléctrica permitirá el contacto mecánico con los hilos de contacto, en el rango ampliado de alturas de hilo, conforme a las normas técnicas nacionales notificadas a tal fin.

7.3.2.14.    Geometría del arco del pantógrafo (4.2.8.2.9.2)

Caso específico de Croacia («T»)

Para su utilización en el sistema de corriente continua de 3 kV de la red existente, se permite equipar las unidades eléctricas con un pantógrafo cuyo arco tenga una geometría de 1 450  mm de longitud, tal como indica la norma EN 50367:2012 en su anexo B.2, figura B.1 (como alternativa al requisito previsto en la cláusula 4.2.8.2.9.2).

Caso específico de Finlandia («T»)

A efectos de compatibilidad técnica con la red existente, la anchura del arco del pantógrafo no superará los 0,422 metros.

Caso específico de Francia («T»)

Para su utilización en la red existente, en particular en líneas con sistema de catenaria compatible solo con pantógrafo estrecho, y para su operación en Francia y Suiza, se permite equipar las unidades eléctricas con un pantógrafo cuyo arco tenga una geometría de 1 450  mm de longitud, tal como indica la norma EN 50367:2012 en su anexo B.2, figura B.1 (como alternativa al requisito previsto en la cláusula 4.2.8.2.9.2).

Caso específico de Italia («T»)

Para su utilización en el sistema de corriente continua a 3 kV de la red existente (y adicionalmente en Suiza en el sistema de corriente alterna a 15 kV), se permite equipar las unidades eléctricas con un pantógrafo cuyo arco tenga una geometría de 1 450  mm de longitud, tal como indica la norma EN 50367:2012 en su anexo B.2, figura B.1 (como alternativa al requisito previsto en la cláusula 4.2.8.2.9.2).

Caso específico de Portugal («T»)

Para su utilización en el sistema de 25 kV 50 Hz de la red existente, se permite equipar las unidades eléctricas con un pantógrafo cuyo arco tenga una geometría de 1 450  mm de longitud, tal como indica la norma EN 50367:2012 en su anexo B.2, figura B.1 (como alternativa al requisito previsto en la cláusula 4.2.8.2.9.2).

Para su utilización en el sistema de corriente continua a 1,5 kV de la red existente, se permite equipar las unidades eléctricas con un pantógrafo cuyo arco tenga una geometría de 2 180  mm de longitud, tal como indica la norma EN 50367:2012 en su anexo B.2, figura B.1 (como alternativa al requisito previsto en la cláusula 4.2.8.2.9.2).

Caso específico de Eslovenia («T»)

Para su utilización en el sistema de corriente continua a 3 kV de la red existente, se permite equipar las unidades eléctricas con un pantógrafo cuyo arco tenga una geometría de 1 450  mm de longitud, tal como indica la norma EN 50367:2012 en su anexo B.2, figura B.1 (como alternativa al requisito previsto en la cláusula 4.2.8.2.9.2).

Caso específico de Suecia («T»)

Para su utilización en la red existente, se permite equipar las unidades eléctricas con un pantógrafo cuyo arco tenga una geometría de 1 800  mm de longitud, tal como indica la norma EN 50367:2012 en su anexo B.2, figura B.5 (como alternativa al requisito previsto en la cláusula 4.2.8.2.9.2).

Caso específico del Reino Unido (Gran Bretaña) («P»)

Para su utilización en la red existente, se permite equipar las unidades eléctricas con un pantógrafo cuyo arco tenga una geometría de 1 600  mm de longitud, tal como indica la norma EN 50367:20012 en su anexo B.2, figura B.6 (como alternativa al requisito previsto en la cláusula 4.2.8.2.9.2).

7.3.2.15.    Material del frotador (4.2.8.2.9.4.2)

Caso específico de Francia («P»)

Se permite aumentar el contenido de metal de los frotadores de carbono hasta un 60 % en peso cuando se utilicen en líneas de corriente continua a 1 500  V.

7.3.2.16.    Fuerza de contacto y comportamiento dinámico del pantógrafo (4.2.8.2.9.6)

Caso específico de Francia («T»)

A efectos de compatibilidad técnica con la red existente, las unidades eléctricas destinadas a utilizarse en líneas de corriente continua a 1,5 kV, aparte de los requisitos que contempla la cláusula 4.2.8.2.9.6, deberán ser validadas teniendo en cuenta una fuerza de contacto media dentro de los márgenes siguientes: 70 N < Fm < 0,00178 * v2 + 110 N con un valor de 140 N en parado.

El procedimiento de evaluación de la conformidad (simulación y/o ensayo de conformidad con las cláusulas 6.1.3.7 y 6.2.3.20) tendrá en consideración las condiciones ambientales siguientes:

condiciones estivales : temperatura ambiente ≥ 35 °C; temperatura del hilo de contacto > 50 °C a efectos de simulación;

condiciones invernales : temperatura ambiente 0 °C; temperatura del hilo de contacto 0 °C a efectos de simulación.

Caso específico de Suecia («T»)

A efectos de compatibilidad técnica con la red existente en Suecia, la fuerza estática de contacto del pantógrafo se ajustará a los requisitos que establece la norma EN 50367:2012 en su anexo B, cuadro B3, columna SE (55 N). La compatibilidad con estos requisitos se establecerá en el expediente técnico del vehículo.

Caso específico del Reino Unido (Gran Bretaña) («P»)

A efectos de compatibilidad técnica con las líneas existentes, la verificación a nivel del componente de interoperabilidad (cláusulas 5.3.10 y 6.1.3.7) deberá validar la capacidad del pantógrafo de captar corriente para el conjunto adicional de alturas del hilo de contacto comprendidas entre 4 700  mm y 4 900  mm.

Caso específico del túnel del Canal de la Mancha («P»)

A efectos de compatibilidad técnica con las líneas existentes, la verificación a nivel del componente de interoperabilidad (cláusulas 5.3.10 y 6.1.3.7) deberá validar la capacidad del pantógrafo de captar corriente para el rango adicional de alturas del hilo de contacto comprendidas entre 5 920  mm y 6 020  mm.

7.3.2.17.    Salida de emergencia de la cabina de conducción (4.2.9.1.2.2)

Caso específico del Reino Unido (Gran Bretaña) («P»)

Es permisible que la salida interior tenga una zona de acceso mínima y una distancia libre mínima de altura y anchura conforme con las normas técnicas nacionales notificadas a tal efecto.

Este caso específico no impide el acceso a la red nacional del material rodante conforme con la ETI.

7.3.2.18.    Visibilidad delantera (4.2.9.1.3.1)

Caso específico del Reino Unido (Gran Bretaña) («P»)

En lugar de los requisitos establecidos en 4.2.9.1.3.1, para el material rodante destinado a circular por el Reino Unido, se cumplirá el caso específico siguiente.

La cabina de conducción estará diseñada de manera que permita que el maquinista tenga, en la posición de sentado, una perspectiva visual clara y sin obstrucciones a fin de distinguir las señales fijas, de conformidad con la norma técnica nacional GM/RT2161, «Requisitos para las cabinas de conducción de los vehículos ferroviarios».

Este caso específico no impide el acceso a la red nacional del material rodante conforme con la ETI.

7.3.2.19.    Pupitre de conducción: ergonomía (4.2.9.1.6)

Caso específico del Reino Unido (Gran Bretaña) («P»)

En caso de que los requisitos de la cláusula 4.2.9.1.6, último párrafo, relativos a la dirección del movimiento de la palanca de tracción y/o de frenado sean incompatibles con el sistema de gestión de la seguridad de la empresa ferroviaria que opere en Gran Bretaña, está permitido invertir la dirección del movimiento para el frenado y la tracción respectivamente.

7.3.2.20.    Seguridad contra incendios y evacuación (4.2.10)

Caso específico de Italia («T»)

A continuación se detallan especificaciones adicionales para las unidades destinadas a circular por los túneles existentes en Italia.

Además de en las zonas especificadas en la cláusula 6.2.3.23, se instalarán sistemas de detección de incendios en todas las zonas de viajeros y de personal del tren.

Además de los requisitos que contempla la cláusula 4.2.10.3.4, las unidades de material rodante de viajeros de categorías A y B irán equipadas con sistemas activos de contención y control de incendios.

Los sistemas de contención y control de incendios se tratarán con arreglo a las normas nacionales notificadas sobre sistemas de extinción automática de incendios.

Además de los requisitos que especifica la cláusula 4.2.10.3.4, las unidades de material rodante de viajeros de categorías A y B irán equipadas con sistemas de extinción automática de incendios en todas las zonas técnicas.

Además de los requisitos que especifica la cláusula 4.2.10.3.5, las locomotoras de los trenes de mercancías y las unidades autopropulsadas destinadas a transportar mercancías irán equipadas con sistemas de extinción automática de incendios en todas las zonas técnicas.

Además de los requisitos que especifica la cláusula 4.2.10.4.4, las locomotoras de los trenes de mercancías y las unidades autopropulsadas destinadas a transportar mercancías deberán tener una capacidad de circulación equivalente a la capacidad de la categoría B de material rodante de viajeros.

7.3.2.21.    Capacidad de circulación (4.2.10.4.4) y sistema de contención y control de incendios (4.2.20.3.4)

Caso específico del túnel del Canal de la Mancha («T»)

El material rodante de viajeros destinado a utilizarse en el túnel del Canal de la Mancha será de categoría B, considerando la longitud del túnel.

Debido a la ausencia de puntos adecuados para la extinción de incendios con zona segura (véase la ETI SRT (Seguridad de los Túneles), cláusula 4.2.1.7), serán de aplicación las siguientes cláusulas modificadas:

  cláusula 4.2.10.4.4(3):

 La capacidad de circulación de un material rodante de viajeros destinado a utilizarse en el túnel del Canal de la Mancha se demostrará mediante aplicación de la especificación a la que se refiere el anexo J-1, índice 63, donde las funciones afectadas por un incendio de «tipo 2» serán el frenado y la tracción; estas funciones se evaluarán en las condiciones siguientes:

 

 durante un intervalo de 30 minutos a una velocidad mínima de 100 km/h, o

 durante un intervalo de 15 minutos a una velocidad mínima de 80 km/h (conforme a la cláusula 4.2.10.4.4) en la condición especificada en la norma nacional notificada a tal efecto por la autoridad responsable de la seguridad del túnel del Canal de la Mancha.

  cláusula 4.2.10.3.4(3) y (4):

 Cuando la capacidad de circulación se especifique para una duración de 30 minutos en conformidad con el punto anterior, la barrera contra incendios entre la cabina del conductor y el compartimento situado detrás de ella (suponiendo que el incendio de declare en el compartimento posterior) deberá cumplir los requisitos de integridad durante un mínimo de 30 minutos (en lugar de 15 minutos).

 Cuando la capacidad de circulación se especifique para una duración de 30 minutos en conformidad con el punto anterior, y en el caso de los vehículos de pasajeros que no permitan la salida de pasajeros por ambos extremos (no existencia de ruta de evacuación), las medidas para controlar la propagación del calor y los efluentes del fuego (tabiques de sección transversal completa u otros sistemas de contención y control de incendios, barreras contra incendios entre motores de combustión, equipos de suministro eléctrico, equipos de tracción y zonas de viajeros o personal) deberán estar diseñados para una protección mínima frente a incendios de 30 minutos (en vez de 15 minutos).

7.3.2.22.    Interfaz para la descarga de retretes (4.2.11.3)

Caso específico de Finlandia («P»)

Además de lo especificado en la cláusula 4.2.11.3, o alternativamente a ello, está permitido instalar conexiones para la descarga de retretes y para el lavado de los depósitos de descarga sanitaria compatibles con las instalaciones en tierra de la red finlandesa con arreglo a lo indicado en la figura AI1.

image

Conexión rápida SFS 4428, parte A de la conexión, tamaño DN80

Material: acero inoxidable resistente al ácido.

Sellado en el extremo opuesto del conector.

Definición específica en la norma SFS 4428.

7.3.2.23.    Interfaz para la recarga de agua (4.2.11.5)

Caso específico de Finlandia («P»)

Además de lo especificado en la cláusula 4.2.11.5, o alternativamente a ello, está permitido instalar conexiones para la recarga de agua compatibles con las instalaciones en tierra de la red finlandesa con arreglo a lo indicado en la figura AII1.

image

Tipo: Conector C para lucha contra incendios NCU1.

Material: latón o aluminio.

Definición específica en la norma SFS 3802 (sellado definido por cada fabricante)

Caso específico de Irlanda y el Reino Unido para Irlanda del Norte («P»)

Además de lo especificado en la cláusula 4.2.11.5 de la presente ETI, o alternativamente a ello, está permitido instalar una interfaz de recarga de agua de tipo boquilla. Esta interfaz de recarga de agua de tipo boquilla debe cumplir los requisitos previstos en las normas técnicas nacionales notificadas a tal efecto.

7.3.2.24.    Requisitos especiales para el estacionamiento de trenes (4.2.11.6)

Caso específico de Irlanda y el Reino Unido para Irlanda del Norte («P»)

La corriente eléctrica de apoyo proporcionada desde el exterior a los trenes estacionados debe cumplir los requisitos previstos en las normas técnicas nacionales notificadas a tal efecto.

Caso específico del Reino Unido (Gran Bretaña) («P»)

Es permisible que el suministro de energía auxiliar, externo y local de 400 V se proporcione de acuerdo con las normas técnicas nacionales notificadas a tal efecto.

7.3.2.25.    Equipos de repostaje (4.2.11.7)

Caso específico de Finlandia («P»)

Para poder repostar en la red finlandesa, el depósito de combustible de las unidades con una interfaz de repostaje diésel tiene que ir equipado con un regulador de rebose conforme a las normas SFS 5684 y SFS 5685.

Caso específico de Irlanda y el Reino Unido para Irlanda del Norte («P»)

La interfaz de los equipos de repostaje debe cumplir los requisitos previstos en las normas técnicas nacionales notificadas a tal efecto.

7.3.2.26.    Material rodante procedente de terceros países (aspectos generales)

Caso específico de Finlandia

(«P») La aplicación de normas técnicas nacionales en lugar de los requisitos de la presente ETI está permitida para el material rodante de terceros países que vaya a utilizarse en la red finlandesa de 1 524  mm para el tráfico entre Finlandia y las redes de 1 520  mm de terceros países.

7.4.    Condiciones ambientales específicas

Condiciones específicas de Austria

Se permitirá el acceso sin restricciones a la red austriaca en condiciones invernales cuando se cumplan las condiciones siguientes:

 se proporcionará capacidad adicional al deflector de obstáculos para apartar nieve, tal y como se especifica en la cláusula 4.2.6.1.2 para condiciones severas de nieve, hielo y granizo,

 las locomotoras y cabezas motrices estarán equipadas con dispositivos de enarenado.

Condiciones específicas de Estonia

Para el acceso sin restricciones del material rodante a la red estonia en condiciones invernales, deberá demostrarse que este cumple los requisitos siguientes:

 se seleccionará la zona de temperatura T2 especificada en la cláusula 4.2.6.1.1,

 se seleccionarán las condiciones severas de nieve, hielo y granizo especificadas en la cláusula 4.2.6.1.2, excluido el escenario «Ventisca de nieve».

Condiciones específicas de Finlandia

Para el acceso sin restricciones del material rodante a la red finlandesa en condiciones invernales, deberá demostrarse que este cumple los requisitos siguientes:

 se seleccionará la zona de temperatura T2 especificada en la cláusula 4.2.6.1.1,

 se seleccionarán las condiciones severas de nieve, hielo y granizo especificadas en la cláusula 4.2.6.1.2, excluido el escenario «Ventisca de nieve»,

 en lo que respecta al sistema de frenado, se permitirá el acceso sin restricciones a la red finlandesa en condiciones invernales cuando se cumplan las condiciones siguientes:

 

 al menos la mitad de los bogies estarán equipados con un freno de vía magnético para ramas o coches de viajeros de velocidad nominal superior a 140 km/h,

 todos los bogies estarán equipados con un freno de vía magnético para ramas o coches de viajeros de velocidad nominal superior a 180 km/h.

Condiciones específicas de Francia

Se permitirá el acceso sin restricciones a la red francesa en condiciones invernales cuando se cumpla la condición siguiente:

 las locomotoras y cabezas motrices estarán equipadas con dispositivos de enarenado.

Condiciones específicas de Grecia

Para el acceso sin restricciones a la red griega en condiciones estivales, se seleccionará la zona de temperatura T3 especificada en la cláusula 4.2.6.1.1.

Condiciones específicas de Alemania

Se permitirá el acceso sin restricciones a la red alemana en condiciones invernales cuando se cumpla la condición siguiente:

 las locomotoras y cabezas motrices estarán equipadas con dispositivos de enarenado.

Condiciones específicas de Portugal

Para el acceso sin restricciones a la red portuguesa en condiciones estivales, se seleccionará la zona de temperatura T3 especificada en la cláusula 4.2.6.1.1.

Condiciones específicas de España

Para el acceso sin restricciones a la red española en condiciones estivales, se seleccionará la zona de temperatura T3 especificada en la cláusula 4.2.6.1.1.

Condiciones específicas de Suecia

Para el acceso sin restricciones del material rodante a la red sueca en condiciones invernales, deberá demostrarse que este cumple los requisitos siguientes:

 se seleccionará la zona de temperatura T2 especificada en la cláusula 4.2.6.1.1,

 se seleccionarán las condiciones severas de nieve, hielo y granizo especificadas en la cláusula 4.2.6.1.2.

7.5.    Aspectos que han de tenerse en cuenta en el proceso de revisión o en otras actividades de la Agencia

A raíz del análisis realizado durante el proceso de redacción de esta ETI, se han señalado aspectos de interés para el futuro desarrollo del sistema ferroviario de la UE.

Estos aspectos se dividen en tres grupos diferentes:

1) aspectos ya cubiertos por un parámetro básico en esta ETI, con una posible evolución de la especificación correspondiente cuando se revise la ETI;

2) aspectos no considerados en el actual estado del arte como parámetros básicos, pero que son objeto de proyectos de investigación;

3) aspectos relevantes en el marco de los estudios en curso relacionados con el sistema ferroviario de la UE, que no pertenecen al ámbito de aplicación de las ETI.

Estos aspectos se identifican a continuación, clasificados según el desglose de la cláusula 4.2 de la ETI.

7.5.1.    Aspectos relacionados con un parámetro básico de la presente ETI

7.5.1.1.    Parámetro de carga por eje (cláusula 4.2.3.2.1)

Este parámetro básico cubre la interfaz entre la infraestructura y el material rodante en lo que se refiere a la carga vertical.

De conformidad con la ETI de Infraestructura, las líneas se clasifican según lo especificado en la norma EN 15528:2008, norma que especifica asimismo una clasificación de los vehículos ferroviarios, para los vagones de mercancías y para tipos particulares de locomotoras y vehículos de viajeros; dicha norma se revisará de manera que cubra todos los tipos de material rodante y las líneas de alta velocidad.

Cuando esta revisión esté disponible, podrá ser de interés incluir en el certificado «CE» expedido por el organismo notificado, la clasificación del «diseño» de la unidad sujeta a evaluación:

 la clasificación correspondiente a la «masa de diseño bajo carga útil normal», o

 la clasificación correspondiente a la «masa de diseño bajo carga útil excepcional».

Este aspecto tendrá que considerarse al revisar la presente ETI, que ya exige en su versión actual que se registren todos los datos necesarios para determinar esta clasificación.

Conviene señalar que el requisito de que la empresa ferroviaria defina y controle la carga en la operación, especificada en la cláusula 4.2.2.5 de la ETI de Explotación, se mantendrá sin cambios.

7.5.1.2.    Efectos aerodinámicos: viento transversal (cláusula 4.2.6.2.4)

Se han establecido requisitos sobre «viento transversal» para las unidades de velocidad de diseño máxima igual o superior a 250 km/h con dos opciones:

 en consonancia con la ETI de Material Rodante de Alta Velocidad TSI HS RST 2008, o

 en consonancia con la ETI de Locomotoras y Coches de viajeros Convencional TSI CR LOC&PAS 2011.

Esto tendrá que revisarse cuando finalice la unificación de los dos conjuntos de curvas eólicas características, especificadas en la ETI de Material Rodante de Alta Velocidad TSI HS RST 2008.

7.5.2.    Aspectos no relacionados con un parámetro básico en la presente ETI, pero objeto de proyectos de investigación

7.5.2.1.    Requisitos adicionales por motivos de seguridad

El interior de los vehículos en contacto con los viajeros y la tripulación del tren, debería aportarles protección en caso de colisión, proporcionando los medios para:

 minimizar el riesgo de lesiones debidas a un impacto secundario con el mobiliario y los accesorios que se encuentren en el interior del vehículo,

 minimizar las lesiones que puedan impedir una posterior evacuación.

En 2006 se han lanzado diversos proyectos de investigación de la UE para estudiar las consecuencias de los accidentes ferroviarios (colisiones, descarrilamientos, etc.) en los viajeros, a fin de evaluar, en particular, los riesgos y el nivel de lesiones; el objetivo es definir los requisitos y los correspondientes procedimientos de evaluación de la conformidad relacionados con los componentes y la disposición del interior de los vehículos ferroviarios.

La presente ETI ya da una serie de especificaciones para cubrir estos riesgos, por ejemplo, las indicadas en las secciones 4.2.2.5, 4.2.2.7, 4.2.2.9 y 4.2.5.

Más recientemente, se han lanzado estudios a nivel de los Estados miembros y a nivel europeo (por el Centro Común de Investigación de la Comisión) respecto a la protección de los viajeros en caso de atentado terrorista.

La Agencia seguirá estos estudios y tendrá en cuenta sus resultados para definir si se recomiendan a la Comisión otros parámetros básicos u otros requisitos que cubran el riesgo de que los viajeros sufran lesiones en caso de accidente o atentado terrorista. Si procede, se modificará la presente ETI.

En espera de la revisión de la presente ETI, los Estados miembros podrán utilizar las normas nacionales para cubrir estos riesgos. En cualquier caso, ello no impedirá el acceso a las redes nacionales de los Estados miembros, del material rodante conforme con la ETI que circule a través de sus fronteras.

7.5.3.    Aspectos pertinentes para el sistema ferroviario de la UE, pero que no pertenecen al ámbito de aplicación de las ETI

7.5.3.1.    Interacción con la vía (cláusula 4.2.3): lubricación de la pestaña o de la vía

Durante el proceso de redacción de la presente ETI, se llegó a la conclusión de que «la lubricación de la pestaña o de la vía» no es un parámetro básico (no existe relación con los requisitos esenciales definidos en la Directiva 2008/57/CE).

No obstante, parece que los actores del sector ferroviario (administradores de infraestructura, empresas ferroviarias y autoridades nacionales de seguridad) necesitan apoyo de la Agencia para pasar de las prácticas actuales a un enfoque que asegure la transparencia y evite cualquier barrera injustificada a la circulación del material rodante por la red de la UE.

Con ese fin, la Agencia ha propuesto lanzar un estudio en colaboración con el sector ferroviario para aclarar los aspectos técnicos y económicos clave de esta función, teniendo en cuenta la situación actual:

 algunos administradores de infraestructura exigen la lubricación, pero otros la prohíben,

 la lubricación puede hacerse mediante instalaciones fijas diseñadas por el administrador de infraestructura o mediante un dispositivo embarcado que debe aportar la empresa ferroviaria,

 el sector ferroviario ha investigado distintas formas de lubricación,

 han de tenerse en cuenta los aspectos medioambientales al verter grasa a lo largo de la vía.

En cualquier caso, está previsto incluir en el «Registro de Infraestructura» información sobre la «lubricación de la pestaña o del carril», y el «Registro Europeo de Tipos Autorizados de Vehículos» mencionará si el material rodante dispone de equipo embarcado de lubricación de la pestaña. El estudio anteriormente mencionado aclarará las normas de explotación.

Mientras tanto, los Estados miembros podrán continuar utilizando las normas nacionales a fin de cubrir esta cuestión de la interfaz entre el vehículo y la vía. Dichas normas se darán a conocer o bien mediante la notificación a la Comisión prevista en el artículo 17 de la Directiva 2008/57/CE o bien mediante el Registro de Infraestructura al que se refiere el artículo 35 de la mencionada Directiva.




APÉNDICES

Apéndice A:

Topes y sistema de enganche de husillo

Apéndice B:

Perfil «T» del ancho de vía de 1 520  mm

Apéndice C:

Disposiciones especiales sobre el material rodante auxiliar para la construcción de infraestructuras ferroviarias y el mantenimiento

▼M2

Apéndice D:

Suprimido deliberadamente

▼B

Apéndice E:

Medidas antropométricas del conductor

Apéndice F:

Visibilidad delantera

Apéndice G:

Mantenimiento diario

Apéndice H:

Evaluación del subsistema de material rodante

Apéndice I:

Lista de los aspectos para los cuales no se dispone de especificación técnica (puntos abierto)

Apéndice J:

Lista de especificaciones técnicas a las que se refiere la presente ETI

Apéndice J-1:

Lista de normas o documentos normativos.

Apéndice J-2:

Lista de documentos técnicos disponibles en el sitio web de la Agencia Ferroviaria Europea (ERA).




Apéndice A

Topes y sistema de enganche de husillo

A.1.    Topes

Cuando se coloquen topes en los extremos de una unidad, estos irán emparejados (es decir, serán simétricos y opuestos) y tendrán las mismas características.

La altura de la línea central de los topes estará comprendida entre 980 mm y 1 065  mm por encima del nivel de cabeza de carril en todas las condiciones de carga y de desgaste.

Para los vagones de transporte de automóviles, en condiciones de carga máxima, y las locomotoras, se permite la altura mínima de 940 mm.

La distancia estándar nominal entre los ejes de los topes será:

 en vías de 1 435  mm de ancho: 1 750  mm ± 10 mm simétricamente respecto a la línea central del vehículo.

 Para las unidades de ancho de vía dual destinadas a circular entre la red estándar de 1 435  mm de ancho y redes con mayor ancho de vía, se permite que la distancia entre las líneas centrales de los topes tenga un valor diferente (por ejemplo, 1 850  mm), siempre que se asegure la plena compatibilidad con los topes para el ancho de vía estándar de 1 435  mm,

 en vías de 1 524  mm de ancho: 1 830  mm (+/– 10 mm),

 en vías de 1 600  mm de ancho: 1 905  mm (+/– 3 mm),

 en vías de 1 668  mm de ancho: 1 850  mm ± 10 mm simétricamente respecto a la línea central del vehículo, teniendo en cuenta las disposiciones particulares definidas en la cláusula 6.2.3.1 de la especificación a la que se refiere el anexo J-1, índice 67.

Los topes tendrán unas dimensiones tales que les impidan quedar enganchados cuando los vehículos tracen curvas y contracurvas horizontales. El solapamiento horizontal mínimo entre los platos de tope en contacto será de 25 mm.

Ensayo de evaluación:

La determinación del tamaño del tope tiene que hacerse con dos vehículos que circulen por una curva en S de 190 m de radio sin tramos rectos intermedios y por una curva en S de 150 m de radio con un tramo recto intermedio de al menos 6 m.

A.2.    Enganche de husillo

El sistema acoplamiento de husillo estándar entre vehículos será discontinuo e incluirá un enganche de husillo unido permanentemente al gancho, un gancho de tracción y una barra de tracción con sistema elástico.

La altura de la línea central del gancho de tracción estará entre 950 mm y 1 045  mm por encima del nivel de cabeza de carril en todas las condiciones de carga y de desgaste.

Para los vagones de transporte de automóviles, en condiciones de carga máxima, y las locomotoras, se permite la altura mínima de 920 mm. La diferencia máxima de altura del gancho entre los estados de carga «ruedas nuevas con una “masa de diseño en orden de trabajo”» y «ruedas totalmente desgastadas con una “masa de diseño bajo carga útil normal”», no superará 85 mm para el mismo vehículo. La evaluación se hará mediante cálculo.

Cada vehículo deberá estar provisto de un dispositivo que sostenga la brida cuando esta no se utilice. Ninguna parte del mecanismo de enganche deberá encontrarse a una altura inferior a 140 mm sobre el nivel del carril cuando se halle en la posición más baja admisible de los topes.

 Las dimensiones y características del enganche de husillo, el gancho de tracción y el órgano de tracción se ajustarán a lo dispuesto en la especificación a la que hace referencia el anexo J-1, índice 68.

 El peso máximo del acoplamiento de husillo no superará 36 kg, sin incluir el peso del bulón del gancho de tracción (elemento no 1 en las figuras 4 y 5 de la especificación a la que hace referencia el anexo J-1, índice 68).

A.3.    Interacción entre los órganos de tracción y choque

 Las características estáticas de los órganos de tracción y los topes estarán coordinadas a fin de asegurar que el tren sea capaz de circular de forma segura por curvas del radio mínimo definido en la cláusula 4.2.3.6 de la presente ETI en condiciones de enganche normales (por ejemplo, sin que se enganchen los platos de topes, etc.).

 Disposición de los enganches de husillo y los órganos de choque:

 La distancia entre el borde frontal de la apertura de un gancho de tracción y el lado frontal de los topes totalmente extendidos será de 355 mm + 45/– 20 mm en estado nuevo, según se muestra en la figura A1.

Figura A1

Órganos de tracción y topes

Estructuras y partes mecánicas

Topes

image

I

Tope totalmente extendido

II

Apertura del gancho de tracción




Apéndice B

Perfil «T» del ancho de vía de 1 520  mm

Perfil de referencia «T» para el ancho de vía de 1 520  mm para partes altas (para el material rodante)

image

Perfil de referencia de partes bajas

image

Nota: Para el material rodante destinado a circular por vías de ancho 1 520  mm, con la excepción del paso por instalaciones de clasificación equipadas con frenos de vía.

Perfil de referencia de partes bajas

image

Nota: Para el material rodante destinado a circular por vías de 1 520  mm, con capacidad para pasar por instalaciones de clasificación y frenos de vía.




Apéndice C

Disposiciones especiales para el material rodante auxiliar para la construcción de infraestructuras ferroviarias y el mantenimiento

C.1    Resistencia de la estructura del vehículo

Los requisitos de la cláusula 4.2.2.4 de la presente ETI se complementan de la siguiente manera:

El bastidor de la unidad deberá poder resistir, o bien, las cargas estáticas de la especificación a la que hace referencia el anexo J-1, índice 7, o bien, las cargas estáticas de la especificación a la que hace referencia el anexo J-1, índice 102, sin rebasar los valores permisibles fijados en ellas.

La correspondiente categoría estructural de la especificación a la que hace referencia el anexo J-1, índice 102, es la siguiente:

 en el caso de las unidades para las que no se permiten las maniobras por gravedad o por lanzamiento: F-II,

 para todas las demás unidades: F-I.

La aceleración en la dirección x será ± 3 g con arreglo, o bien, al cuadro 13 del índice 7, o bien, al cuadro 10 del índice 102, de las especificaciones a las que hace referencia el anexo J-1.

C.2    Elevación y levante con gatos

La caja de las unidades llevará incorporados puntos de elevación mediante los cuales pueda elevarse o levantarse con gatos la unidad al completo, de forma segura. Se definirá la ubicación de los puntos de elevación y levante con gatos.

A fin de facilitar el trabajo durante las reparaciones o inspecciones, o para situar las máquinas en la vía, estas irán equipadas longitudinalmente a ambos lados de la unidad con al menos dos puntos de elevación, mediante los cuales podrán levantarse las unidades vacías o cargadas.

Para permitir la colocación de dispositivos de levante con gatos, se dejarán espacios libres debajo de los puntos de elevación, que no estarán ocupados por piezas no desmontables. Los casos de carga corresponderán a los escogidos en el apéndice C.1 de la presente ETI y se aplicarán a la elevación y el levante con gatos en las operaciones en talleres y de mantenimiento diario.

C.3    Comportamiento dinámico en circulación

Se permite que las características dinámicas se determinen mediante ensayos en circulación o por referencia a un tipo semejante de material rodante auxiliar aprobado según lo indicado en la cláusula 4.2.3.4.2 de la presente ETI, o bien por simulación.

Se aplicarán las siguientes desviaciones adicionales respecto a la especificación a la que hace referencia el anexo J-1, índice 16:

 el ensayo se realizará siempre tomando el método simplificado para este tipo de material,

 cuando se efectúen ensayos dinámicos con arreglo a la especificación a la que hace referencia el anexo J-1, índice 16, con un perfil de rueda en estado nuevo, estos serán válidos para un kilometraje máximo de 50 000  km. Después de 50 000  km será necesario:

 

 o bien reperfilar las ruedas,

 o bien calcular la conicidad equivalente del perfil desgastado y comprobar que no difiere en más del 50 % del valor del ensayo realizado conforme a la especificación a la que hace referencia el anexo J-1, índice 16 (con una diferencia máxima de 0,05),

 o bien efectuar un nuevo ensayo con arreglo a la especificación a la que hace referencia el anexo J-1, índice 16, con el perfil de la rueda desgastada,

 en general, no son necesarios ensayos estacionarios con arreglo a la especificación a la que hace referencia el anexo J-1, índice 16, cláusula 5.4.3.2, para determinar los parámetros de órganos de rodadura característicos,

 si la unidad no puede obtener por sí misma la velocidad de ensayo exigida, deberá ser remolcada para efectuar los ensayos,

 cuando se utilice la zona de ensayo 3 (descrita en el cuadro 9 de la especificación a la que hace referencia el anexo J-1, índice 16) es suficiente contar con un mínimo de 25 tramos de vía conformes.

El comportamiento dinámico puede acreditarse mediante la simulación de los ensayos descritos en la especificación a la que hace referencia el anexo J-1, índice 16 (con las excepciones especificadas anteriormente) cuando haya un modelo validado de vía representativa y de condiciones de explotación del material.

El modelo de material rodante auxiliar para la simulación de las características dinámicas se validará comparando los resultados del modelo con los resultados de los ensayos dinámicos cuando se utilicen los mismos datos de características de la vía.

Un modelo validado es un modelo de simulación que ha sido verificado mediante un ensayo dinámico real que solicite la suspensión lo suficiente y en el que haya una estrecha correlación entre los resultados del ensayo en circulación y las predicciones del modelo de simulación en la misma vía de ensayo.




Apéndice D

▼M2

Suprimido deliberadamente

▼B




Apéndice E

Medidas antropométricas del maquinista

Los datos indicados a continuación constituyen el «estado del arte» y deberán ser utilizados.

Nota: Estos datos serán objeto de una norma EN actualmente en curso de redacción.

 Medidas antropométricas principales de los maquinistas más bajos y más altos:

 se tendrán en cuenta las dimensiones indicadas en el apéndice E de la UIC 651 (4a, julio de 2002).

 Medidas antropométricas adicionales de los maquinistas más bajos y más altos:

 se tendrán en cuenta las dimensiones indicadas en el apéndice G de la UIC 651 (4a, julio de 2002).




Apéndice F

Visibilidad delantera

Los datos indicados a continuación constituyen el «estado del arte» y deberán ser utilizados.

Nota: Estos datos serán objeto de una norma EN actualmente en curso de redacción.

F.1.    Aspectos generales

El diseño de la cabina facilitará que el maquinista vea toda la información externa que sirva para la tarea de conducción y lo protegerá de cualquier fuente externa de interferencia visual. Esto incluirá los aspectos siguientes:

 se reducirá el centelleo en el borde inferior del parabrisas, que puede causar fatiga,

 se proporcionará protección del sol y del reflejo de las luces delanteras de los trenes que circulen en dirección contraria, sin reducir la visión que el maquinista tiene de las señales exteriores, del resto de señales y de cualquier otra información visual,

 la ubicación del equipo de la cabina no bloqueará ni distorsionará la visión que tenga el maquinista de la información exterior,

 las dimensiones, la ubicación, la forma y el acabado (lo que incluye el mantenimiento) de las ventanas no obstaculizarán la visión exterior del maquinista y facilitarán la tarea de conducción,

 la ubicación, el tipo y la calidad de los dispositivos de limpieza del parabrisas asegurarán que el maquinista pueda tener una visión exterior clara, en la mayor parte de las condiciones climáticas y de servicio, y no obstaculizarán la visión exterior del maquinista,

 la cabina de conducción estará diseñada de tal manera que el maquinista mire al frente al conducir,

 la cabina de conducción estará diseñada de manera que permita al maquinista, sentado en la posición de conducción, tener una línea de visión clara y sin obstáculos a fin de distinguir las señales fijas colocadas tanto a la derecha como a la izquierda de la vía, según define el apéndice D de la ficha UIC 651 (4a edición, julio de 2002).

Nota: La posición del asiento indicada en el apéndice D mencionado anteriormente, tiene que considerarse como un ejemplo; la ETI no impone ninguna posición del asiento (izquierda, centro o derecha) en la cabina; la ETI no impone la posición de conducción de pie en todos los tipos de unidad.

Las normas indicadas en el apéndice anterior rigen las condiciones de visibilidad para cada dirección de circulación a lo largo de vía recta y en curvas con un radio igual o superior a 300 m. Estas normas se aplican a la posición o las posiciones del conductor.

Notas:

 Cuando se trate de una cabina equipada con dos asientos de maquinista (opción con dos posiciones de conducción), se aplicarán a las dos posiciones de sentado.

 Para las locomotoras con cabina central y para el material rodante auxiliar, la cláusula 4.2.9.1.3.1 de la ETI especifica condiciones particulares.

F.2.    Posición de referencia del vehículo en relación con la vía

Se aplicará la cláusula 3.2.1 de la ficha UIC 651 (4a edición, julio de 2002).

Los suministros y la carga útil se considerarán según lo definido en la especificación a la que se refiere el anexo J-1, índice 13, y en la cláusula 4.2.2.10 de la presente ETI.

F.3.    Posición de referencia para los ojos de los miembros de la tripulación

Se aplicará la cláusula 3.2.2 de la ficha UIC 651 (4a edición, julio de 2002).

La distancia entre los ojos del maquinista en posición de sentado y el parabrisas será igual o superior a 500 mm.

F.4.    Condiciones de visibilidad

Se aplicará la cláusula 3.3 de la ficha UIC 651 (4a edición, julio de 2002).

Nota: La cláusula 3.3.1 de la ficha UIC 651 se refiere para la posición de sentado a su cláusula 2.7.2, especificando una distancia mínima de 1,8 metros entre el suelo y el extremo superior del parabrisas.




Apéndice G

Mantenimiento diario

Rácores para el sistema de descarga de retretes en material rodante

Figura G1

Boquilla de evacuación (parte interior)

image

Tolerancias generales +/– 0,1

Material: acero inoxidable

Figura G2

Rácor de descarga opcional para la cisterna del retrete (parte interior)

image

Tolerancias generales +/– 0,1

Material: acero inoxidable




Apéndice H

Evaluación del subsistema de material rodante

H.1    Ámbito de aplicación

En el presente apéndice se describe la evaluación de la conformidad del subsistema de material rodante.

H.2    Características y módulos

Las características del subsistema que deben evaluarse en las distintas fases de diseño, desarrollo y producción aparecen marcadas con una cruz (X) en el cuadro H.1. Una cruz en la columna 4 del cuadro H.1 indica que las características pertinentes se verificarán mediante ensayo de cada subsistema de manera independiente.



Cuadro H.1

Evaluación del subsistema de material rodante

1

2

3

4

5

Características que deben evaluarse, según lo especificado en la cláusula 4.2 de la presente ETI

Fase de diseño y desarrollo

Fase de producción

Procedimiento particular de evaluación

Análisis de diseño

Ensayo de tipo

Ensayo serie

Elemento del subsistema de material rodante

Cláusula

 

 

 

Cláusula

Estructura y partes mecánicas

4.2.2

 

Enganche interno

4.2.2.2.2

X

n.a

n.a

Enganche final

4.2.2.2.3

X

n.a

n.a

CI acoplador automático de tope central

5.3.1

X

X

X

CI enganche final manual

5.3.2

X

X

X

Enganche de rescate

4.2.2.2.4

X

X

n.a

CI enganche de rescate

5.3.3

X

X

X

 

Acceso del personal para el enganche y el desenganche

4.2.2.2.5

X

X

n.a

Pasarelas

4.2.2.3

X

X

n.a

Resistencia de la estructura del vehículo

4.2.2.4

X

X

n.a

Seguridad pasiva

4.2.2.5

X

X

n.a

Elevación y levante con gatos

4.2.2.6

X

X

n.a

Fijación de dispositivos en la estructura de caja del vehículo

4.2.2.7

X

n.a

n.a

Puertas de acceso para el personal y la carga

4.2.2.8

X

X

n.a

Características mecánicas del cristal

4.2.2.9

X

n.a

n.a

Condiciones de carga y masa

4.2.2.10

X

X

X

6.2.3.1

Interacción con la vía y gálibo

4.2.3

 

Gálibo

4.2.3.1

X

n.a

n.a

Carga por rueda

4.2.3.2.2

X

X

n.a

6.2.3.2

Características del material rodante para la compatibilidad con los sistemas de detección de trenes

4.2.3.3.1

X

X

X

Monitorización del estado de los rodamientos de los ejes

4.2.3.3.2

X

X

n.a

Seguridad contra el descarrilamiento en la circulación por vías alabeadas

4.2.3.4.1

X

X

n.a

6.2.3.3

Requisitos de comportamiento dinámico en circulación

4.2.3.4.2 letra a)

X

X

n.a

6.2.3.4

Sistemas activos: requisito de seguridad

4.2.3.4.2 letra b)

X

n.a

n.a

6.2.3.5

Valores límite para la seguridad en circulación

4.2.3.4.2.1

X

X

n.a

6.2.3.4

Valores límites del esfuerzo sobre la vía

4.2.3.4.2.2

X

X

n.a

6.2.3.4

Conicidad equivalente

4.2.3.4.3

X

n.a

n.a

Valores de diseño de los perfiles de las ruedas nuevas

4.2.3.4.3.1

X

n.a

n.a

6.2.3.6

Valores en servicio de la conicidad equivalente del eje montado

4.2.3.4.3.2

X

 

 

Diseño estructural del bastidor del bogie

4.2.3.5.1

X

X

n.a

Características mecánicas y geométricas de los ejes montados

4.2.3.5.2.1

X

X

X

6.2.3.7

Características mecánicas y geométricas de las ruedas

4.2.3.5.2.2

X

X

X

Ruedas (CI)

5.3.2

X

X

X

6.1.3.1

Ejes montados de ancho variable

4.2.3.5.2.3

Pendiente

Pendiente

Pendiente

Pendiente

Radio mínimo de curva

4.2.3.6

X

n.a

n.a

Protección quitapiedras

4.2.3.7

X

n.a

n.a

Frenado

4.2.4

 

Requisitos funcionales

4.2.4.2.1

X

X

n.a

Requisitos de seguridad

4.2.4.2.2

X

n.a

n.a

6.2.3.5

Tipo de sistema de frenado

4.2.4.3

X

X

n.a

Mando de freno

4.2.4.4

 

Frenado de emergencia

4.2.4.4.1

X

X

X

Frenado de servicio

4.2.4.4.2

X

X

X

Mando de freno directo

4.2.4.4.3

X

X

X

Mando de freno dinámico

4.2.4.4.4

X

X

n.a

Mando de freno de estacionamiento

4.2.4.4.5

X

X

X

Prestaciones de frenado

4.2.4.5

 

Requisitos generales

4.2.4.5.1

X

n.a

n.a

Frenado de emergencia

4.2.4.5.2

X

X

X

6.2.3.8

Frenado de servicio

4.2.4.5.3

X

X

X

6.2.3.9

Cálculos relacionados con la capacidad térmica

4.2.4.5.4

X

n.a

n.a

Freno de estacionamiento

4.2.4.5.5

X

n.a

n.a

Límite del perfil de adherencia rueda-carril

4.2.4.6.1

X

n.a

n.a

Sistema de protección antideslizamiento de las ruedas

4.2.4.6.2

X

X

n.a

6.2.3.10

Sistema de protección antideslizamiento de las ruedas (CI)

5.3.3

X

X

X

6.1.3.2

Interfaz con la tracción: sistemas de frenado relacionados con la tracción (eléctricos e hidrodinámicos)

4.2.4.7

X

X

X

Sistema de frenado independiente de las condiciones de adherencia

4.2.4.8

 

Aspectos generales

4.2.4.8.1.

X

n.a

n.a

Freno de vía magnético

4.2.4.8.2.

X

X

n.a

Freno de Foucault

4.2.4.8.3

Pendiente

Pendiente

Pendiente

Pendiente

Estado del freno e indicación de avería

4.2.4.9

X

X

X

Requisitos de frenado con fines de rescate

4.2.4.10

X

X

n.a

Elementos relativos a los viajeros

4.2.5

 

Sistemas sanitarios

4.2.5.1

X

n.a

n.a

6.2.3.11

Sistema de megafonía: sistema de comunicación sonora

4.2.5.2

X

X

X

Alarma de viajeros

4.2.5.3

X

X

X

Alarma de viajeros: requisitos de seguridad

4.2.5.3

X

n.a

n.a

6.2.3.5

Dispositivos de comunicación para viajeros

4.2.5.4

X

X

X

Puertas exteriores: entrada y salida del material rodante

4.2.5.5

X

X

X

Puertas exteriores: requisitos de seguridad

4.2.5.5

X

n.a

n.a

6.2.3.5

Construcción del sistema de puertas exteriores

4.2.5.6

X

n.a

n.a

Puertas entre unidades

4.2.5.7

X

X

n.a

Calidad del aire interior

4.2.5.8

X

n.a

n.a

6.2.3.12

Ventanas laterales

4.2.5.9

X

 

 

Condiciones ambientales y efectos aerodinámicos

4.2.6

 

Condiciones ambientales

4.2.6.1

 

Temperatura

4.2.6.1.1

X

n.a X (1)

n.a

Nieve, hielo y granizo

4.2.6.1.2

X

n.a X (1)

n.a

Efectos aerodinámicos

4.2.6.2

 

Efecto estela en los viajeros situados en el andén y en los trabajadores situados junto a la vía

4.2.6.2.1

X

X

n.a

6.2.3.13

Pulso de presión por paso de la cabeza del tren

4.2.6.2.2

X

X

n.a

6.2.3.14

Variaciones máximas de presión en los túneles

4.2.6.2.3

X

X

n.a

6.2.3.15

Viento transversal

4.2.6.2.4

X

n.a

n.a

6.2.3.16

Iluminación exterior y dispositivos de aviso acústico y visual

4.2.7

 

Iluminación exterior

4.2.7.1

 

Focos de cabeza

CI

4.2.7.1.1

5.3.6

X

X

n.a

6.1.3.3

Luces de posición

CI

4.2.7.1.2

5.3.7

X

X

n.a

6.1. 3.4

Luces de cola

CI

4.2.7.1.3

5.3.8

X

X

n.a

6.1.3.5

Mandos de las luces

4.2.7.1.4

X

X

n.a

Bocina

4.2.7.2

 

Aspectos generales: alarma acústica

CI

4.2.7.2.1

5.3.9

X

X

n.a

6.1.3.6

Niveles de presión acústica de la bocina de advertencia

4.2.7.2.2

5.3.9

X

X

n.a

6.2.3.17

6.1.3.6

Protección

4.2.7.2.3

X

n.a

n.a

Control

4.2.7.2.4

X

X

n.a

Equipo de tracción y eléctrico

4.2.8

 

Prestaciones de tracción

4.2.8.1

 

Aspectos generales

4.2.8.1.1

 

Requisitos sobre prestaciones

4.2.8.1.2

X

n.a

n.a

Alimentación eléctrica

4.2.8.2

 

Aspectos generales

4.2.8.2.1

X

n.a

n.a

Funcionamiento dentro de los márgenes de tensión y frecuencia

4.2.8.2.2

X

X

n.a

Freno de recuperación con retorno de energía a la línea aérea de contacto

4.2.8.2.3

X

X

n.a

Potencia máxima y corriente de la línea aérea de contacto

4.2.8.2.4

X

X

n.a

6.2.3.18

Corriente máxima en parado para sistemas de corriente continua

4.2.8.2.5

X

X

n.a

Factor de potencia

4.2.8.2.6

X

X

n.a

6.2.3.19

Perturbaciones del sistema energía

4.2.8.2.7

X

X

n.a

Sistema embarcado de medición de energía

4.2.8.2.8

X

X

n.a

Requisitos relacionados con el pantógrafo

4.2.8.2.9

X

X

n.a

6.2.3.20 y 21

Pantógrafo (CI)

5.3.10

X

X

X

6.1.3.7

Frotadores (CI)

5.3.11

X

X

X

6.1.3.8

Protección eléctrica del tren

CI Disyuntor principal

4.2.8.2.10

5.3.12

X

X

n.a

Sistemas diésel y otros sistemas de tracción térmica

4.2.8.3

Otra Directiva

Protección contra los riesgos eléctricos

4.2.8.4

X

X

n.a

Cabina y explotación

4.2.9

 

Cabina de conducción

4.2.9.1

X

n.a

n.a

Aspectos generales

4.2.9.1.1

X

n.a

n.a

Entrada y salida

4.2.9.1.2

X

n.a

n.a

Entrada y salida en condiciones de servicio

4.2.9.1.2.1

X

n.a

n.a

Salida de emergencia de la cabina de conducción

4.2.9.1.2.2

X

n.a

n.a

Visibilidad exterior

4.2.9.1.3

X

n.a

n.a

Visibilidad delantera

4.2.9.1.3.1

X

n.a

n.a

Vista trasera y lateral

4.2.9.1.3.2

X

n.a

n.a

Distribución interior

4.2.9.1.4

X

n.a

n.a

Asiento del maquinista

CI

4.2.9.1.5

5.3.13

X

X

n.a

X

n.a

X

Pupitre de conducción: ergonomía

4.2.9.1.6

X

n.a

n.a

Control de la climatización y calidad del aire

4.2.9.1.7

X

X

n.a

6.2.3.12

Iluminación interior

4.2.9.1.8

X

X

n.a

Parabrisas: características mecánicas

4.2.9.2.1

X

X

n.a

6.2.3.22

Parabrisas: características ópticas

4.2.9.2.2

X

X

n.a

6.2.3.22

Equipos del extremo delantero

4.2.9.2.3

X

X

n.a

Interfaz hombre-máquina

4.2.9.3

 

Función de control de la actividad del maquinista

4.2.9.3.1

X

X

X

Indicación de la velocidad

4.2.9.3.2

Pantallas y consolas del maquinista

4.2.9.3.3

X

X

n.a

Controles e indicadores

4.2.9.3.4

X

X

n.a

Marcado interior

4.2.9.3.5

X

n.a

n.a

Función de control remoto por radio por parte del personal para maniobras

4.2.9.3.6

X

X

n.a

Dotación y equipos portátiles

4.2.9.4

X

n.a

n.a

Almacenamiento de efectos personales de los trabajadores

4.2.9.5

X

n.a

n.a

Aparato registrador

4.2.9.6

X

X

X

Seguridad contra incendios y evacuación

4.2.10

 

Aspectos generales y categorías

4.2.10.1

X

n.a

n.a

Medidas de prevención de incendios

4.2.10.2

X

X

n.a

Medidas de detección y control de incendios

4.2.10.3

X

X

n.a

Requisitos aplicables a situaciones de emergencia

4.2.10.4

X

X

n.a

Requisitos relativos a la evacuación

4.2.10.5

X

X

n.a

Mantenimiento diario

4.2.11

 

Limpieza del parabrisas de la cabina de conducción

4.2.11.2

X

X

n.a

Conexión al sistema de descarga de retretes

CI

4.2.11.3

5.3.14

X

n.a

n.a

Equipo de recarga de agua

4.2.11.4

X

n.a

n.a

Interfaz para la recarga de agua

CI

4.2.11.5

5.3.15

X

n.a

n.a

Requisitos especiales aplicables al estacionamiento de trenes

4.2.11.6

X

X

n.a

—-

Equipos de repostaje

4.2.11.7

X

n.a

n.a

Limpieza interior del tren: alimentación eléctrica

4.2.11.8

X

n.a

n.a

Documentación para la explotación y el mantenimiento

4.2.12

 

Aspectos generales

4.2.12.1

X

n.a

n.a

Documentación general

4.2.12.2

X

n.a

n.a

Documentación relacionada con el mantenimiento

4.2.12.3

X

n.a

n.a

Expediente de justificación del diseño del mantenimiento

4.2.12.3.1

X

n.a

n.a

Expediente de descripción del mantenimiento

4.2.12.3.2

X

n.a

n.a

Documentación sobre la explotación

4.2.12.4

X

n.a

n.a

Diagrama de elevación e instrucciones

4.2.12.4

X

n.a

n.a

Descripciones relacionadas con el rescate

4.2.12.5

X

n.a

n.a

(1)   Ensayo de tipo si está definido por el solicitante y tal como este lo haya definido.




Apéndice I

Aspectos para los cuales no se dispone de especificación técnica (puntos abiertos)

Puntos abiertos relacionados con la compatibilidad técnica entre el vehículo y la red:



Elemento del subsistema de material rodante

Cláusula de la presente ETI

Aspecto técnico no cubierto por la presente ETI

Observaciones

Compatibilidad con los sistemas de detección de trenes

4.2.3.3.1

Véase la especificación a la que se refiere el anexo J-2, índice 1.

También se identifican puntos abiertos en la ETI de control-mando y señalización.

Comportamiento dinámico en circulación en el ancho de vía de 1 520  mm

4.2.3.4.2

4.2.3.4.3

Comportamiento dinámico en circulación. Conicidad equivalente.

Los documentos normativos a los que se refiere la ETI se basan en la experiencia adquirida sobre la base del ancho de vía de 1 435  mm.

Sistema de frenado independiente de las condiciones de adherencia

4.2.4.8.3

Freno de Foucault

Equipo no obligatorio.

Debe comprobarse la compatibilidad con la red.

Efectos aerodinámicos para los anchos de vía de 1 520  mm, 1 524  mm y 1 668  mm

4.2.6.2

Valores límite y evaluación de la conformidad

Los documentos normativos a los que se refiere la ETI se basan en la experiencia adquirida sobre la base del ancho de vía de 1 435  mm.

Efecto aerodinámico sobre vía con balasto para material rodante con velocidad de diseño ≥ 190 km/h

4.2.6.2.5

Valores límite y evaluación de la conformidad a efectos de limitar los riesgos inducidos por la proyección de balasto

Trabajos en curso en el CEN.

Punto abierto también en la ETI INF.

Puntos abiertos no relacionados con la compatibilidad técnica entre el vehículo y la red:



Elemento del subsistema de material rodante

Cláusula de la presente ETI

Aspecto técnico no cubierto por la presente ETI

Observaciones

Seguridad pasiva

4.2.2.5

Aplicación de los escenarios 1 y 2 a las locomotoras con enganches centrales y esfuerzo de tracción superior a 300 kN.

Si no se dispone de solución técnica, posibles restricciones a nivel de la explotación.

Ejes montados de ancho variable

4.2.3.5.2.3

Evaluación de la conformidad

Opción de diseño.

▼M2 —————

▼B

Sistemas de contención y control de incendios

4.2.10.3.4

Evaluación de la conformidad de los sistemas de contención y control de incendios que no sean tabiques completos.

Procedimiento de evaluación de la eficiencia para controlar incendios y humos desarrollado por el CEN conforme a una solicitud de norma por parte de la Agencia Ferroviaria Europea (ERA).




Apéndice J

Especificaciones técnicas a las que se refiere la presente ETI

J.1    Normas o documentos normativos



 

ETI

Documento normativo

Índice no

Características que deben evaluarse

Cláusula

Documento no

Cuestiones obligatorias

1

Enganche interno para las unidades articuladas

4.2.2.2.2

EN 12663-1:2010

6.5.3, 6.7.5

2

Enganche final, tipo UIC manual: interfaz de los tubos

4.2.2.2.3

EN 15807:2012

Cl. pertinente (1)

3

Enganche final, tipo UIC manual: llaves de paso

4.2.2.2.3

EN 14601:2005+ A1:2010

Cl. pertinente (1)

4

Enganche final, tipo UIC manual: colocación lateral de los tubos y las válvulas del freno

4.2.2.2.3

UIC 648: septiembre de 2001

Cl. pertinente (1)

5

Enganche de rescate: interfaz con la unidad de recuperación

4.2.2.2.4

UIC 648: septiembre de 2001

Cl. pertinente (1)

6

Acceso del personal para el enganche y el desenganche: espacio para el personal de maniobras

4.2.2.2.5

EN 16116-1:2013

6.2

7

Resistencia de la estructura del vehículo: aspectos generales

categorías de material rodante

método de verificación

4.2.2.4

Apéndice C

EN 12663-1:2010

Cl. pertinente (1)

5.2

9.2

6.1 — 6.5

8

Seguridad pasiva: aspectos generales

categorías

/escenarios

deflector de obstáculos

4.2.2.5

EN 15227:2008 +A1:2011

Excepto anexo A

4: cuadro 1

5: cuadro 2, 6

5: cuadro 3, 6.5

9

Elevación y levante con gatos: geometría de puntos permanentes y móviles

4.2.2.6

EN 16404:2014

5.3, 5.4

10

Elevación y levante con gatos: marcado

4.2.2.6

EN 15877-2:2013

4.5.17

11

Elevación y levante con gatos: método de verificación de la resistencia

4.2.2.6

EN 12663-1:2010

6.3.2, 6.3.3, 9.2

12

Fijación de dispositivos en la estructura de caja del vehículo

4.2.2.7

EN 12663-1:2010

6.5.2

13

Condiciones de carga y masa: condiciones de carga

hipótesis y condiciones de carga

4.2.2.10

EN 15663:2009/AC:2010

2.1

Cl. pertinente (1)

14

Gálibo: método, contornos de referencia

verificación del gálibo del pantógrafo

4.2.3.1

EN 15273-2:2009

Cl. pertinente (1)

A.3.12

15

Monitorización del estado de los rodamientos de los ejes: zona visible para el equipo instalado en tierra

4.2.3.3.2.2

EN 15437-1:2009

5.1, 5.2

16

Comportamiento dinámico en circulación

4.2.3.4.2

Apéndice C

EN 14363:2005

Cl. pertinente (1)

17

Comportamiento dinámico en circulación: valores límite para la seguridad en circulación

4.2.3.4.2.1

EN 14363:2005

5.3.2.2

18

Comportamiento dinámico en circulación: para el material rodante con una insuficiencia de peralte > 165 mm

4.2.3.4.2.1

EN 15686:2010

Cl. pertinente (1)

19

Comportamiento dinámico en circulación: valores límite de carga sobre la vía

4.2.3.4.2.2

EN 14363:2005

5.3.2.3

20

Diseño estructural del bastidor del bogie

4.2.3.5.1

EN 13749:2011

6.2,

anexo C

21

Diseño estructural del bastidor del bogie: conexión entre la caja y el bogie

4.2.3.5.1

EN 12663-1:2010

Cl. pertinente (1)

22

Frenado: tipo de sistema de freno, sistema de freno UIC

4.2.4.3

EN 14198:2004

5.4

23

Prestaciones de frenado, cálculo: aspectos generales

4.2.4.5.1

EN 14531-1:2005 o EN 14531-6:2009

Cl. pertinente (1)

24

Prestaciones de frenado: coeficiente de fricción

4.2.4.5.1

EN 14531-1:2005

5.3.1.4

25

Prestaciones del freno de emergencia: tiempo de respuesta/retardo

porcentaje de peso-freno

4.2.4.5.2

EN 14531-1:2005

5.3.3

5.12

26

Prestaciones del freno de emergencia: cálculo

4.2.4.5.2

EN 14531-1:2005 o EN 14531-6:2009

Cl. pertinente (1)

27

Prestaciones del freno de emergencia: coeficiente de fricción

4.2.4.5.2

EN 14531-1:2005

5.3.1.4

28

Prestaciones del freno de servicio: cálculo

4.2.4.5.3

EN 14531-1:2005 o EN 14531-6:2009

Cl. pertinente (1)

29

Prestaciones del freno de estacionamiento: cálculo

4.2.4.5.5

EN 14531-1:2005 o EN 14531-6:2009

Cl. pertinente (1)

30

Sistema de protección antideslizamiento de las ruedas: diseño

método de verificación

sistema de supervisión de giro de las ruedas

4.2.4.6.2

EN 15595:2009

4

5, 6

4.2.4.3

31

Freno de vía magnético

4.2.4.8.2

UIC 541-06: enero de 1992

Apéndice 3

32

Detección de obstáculos en las puertas: sensibilidad

fuerza máxima

4.2.5.5.3

FprEN 14752:2014

5.2.1.4.1

5.2.1.4.2.2

33

Apertura de emergencia de las puertas: fuerza manual para abrir las puertas

4.2.5.5.9

FprEN 14752:2014

5.5.1.5

34

Condiciones ambientales: temperatura

4.2.6.1.1

EN 50125-1:2014

4.3

35

Condiciones ambientales: condiciones de nieve, hielo y granizo

4.2.6.1.2

EN 50125-1:2014

4.7

36

Condiciones ambientales: deflector de obstáculos

4.2.6.1.2

EN 15227:2008 +A1:2011

Cl. pertinente (1)

37

Efectos aerodinámicos: viento transversal

método de verificación

4.2.6.4

EN 14067-6:2010

5

38

Focos de cabeza: color

intensidad luminosa «atenuada»

alineación de la intensidad luminosa «plena potencia»

4.2.7.1.1

EN 15153-1:2013

5.3.3 cuadro 1

5.3.4 cuadro 2, primera línea

5.3.4 cuadro 2, primera línea

5.3.5

39

Luces de posición: color

distribución espectral de la radiación

intensidad luminosa

4.2.7.1.2

EN 15153-1:2013

5.4.3.1 cuadro 4

5.4.3.2

5.4.4

cuadro 6

40

Luces de cola: color

intensidad luminosa

4.2.7.1.3

EN 15153-1:2013

5.5.3

cuadro 7

5.5.4

cuadro 8

41

Niveles de presión acústica de la bocina de advertencia

4.2.7.2.2

EN 15153-2:2013

5.2.2

42

Freno de recuperación con retorno de energía a la línea aérea de contacto

4.2.8.2.3

EN 50388:2012

12.1.1

43

Potencia máxima y corriente de la línea aérea de contacto: regulación automática de corriente

4.2.8.2.4

EN 50388:2012

7.2

44

Factor de potencia: método de verificación

4.2.8.2.6

EN 50388:2012

6

45

Perturbaciones del sistema energía para sistemas de corriente alterna: armónicos y efectos dinámicos

estudio de compatibilidad

4.2.8.2.7

EN 50388:2012

10.1

10.3

cuadro 5

anexo D

10.4

46

Rango de alturas de trabajo del pantógrafo (nivel de CI): características

4.2.8.2.9.1.2

EN 50206-1:2010

4.2, 6.2.3

47

Geometría del arco del pantógrafo

4.2.8.2.9.2

EN 50367:2012

5.3.2.2

48

Geometría del arco del pantógrafo: tipo 1 600  mm

4.2.8.2.9.2.1

EN 50367:2012

Anexo A.2 figura A.6

49

Geometría del arco del pantógrafo: tipo 1 950  mm

4.2.8.2.9.2.2

EN 50367:2012

Anexo A.2 figura A.7

50

Capacidad de corriente del pantógrafo (nivel de CI)

4.2.8.2.9.3

EN 50206-1:2010

6.13.2

51

Bajada del pantógrafo (nivel de material rodante): tiempo de bajada del pantógrafo

dispositivo de descenso automático (ADD)

4.2.8.2.9.10

EN 50206-1:2010

4.7

4.8

52

Bajada del pantógrafo (nivel de material rodante): distancia de aislamiento dinámico

4.2.8.2.9.10

EN 50119:2009

Cuadro 2

53

Protección eléctrica del tren: coordinación de la protección

4.2.8.2.10

EN 50388:2012

11

54

Protección contra los riesgos eléctricos

4.2.8.4

EN 50153:2002

Cl. pertinente (1)

55

Parabrisas: características mecánicas

4.2.9.2.1

EN 15152:2007

4.2.7, 4.2.9

56

Parabrisas: imágenes primarias/secundarias

distorsión óptica

atenuación de visibilidad

transmitancia luminosa

cromaticidad

4.2.9.2.2

EN 15152:2007

4.2.2

4.2.3

4.2.4

4.2.5

4.2.6

57

Aparato registrador: requisitos funcionales

prestaciones de registro

integridad

protección de la integridad de los datos

nivel de protección

4.2.9.6

EN/IEC 62625-1:2013

4.2.1, 4.2.2, 4.2.3, 4.2.4

4.3.1.2.2

4.3.1.4

4.3.1.5

4.3.1.7

58

Medidas de prevención de incendios: requisitos del material

4.2.10.2.1

EN 45545-2:2013

Cl. Pertinente (1)

59

Medidas específicas para líquidos inflamables

4.2.10.2.2

EN 45545-2:2013

Cuadro 5

60

Medidas de protección contra la propagación de incendios para el material rodante de viajeros: ensayo de tabiques

4.2.10.3.4

EN 1363-1:1999

Cl. pertinente (1)

61

Medidas de protección contra la propagación de incendios para el material rodante de viajeros: ensayo de tabiques

4.2.10.3.5

EN 1363-1:1999

Cl. pertinente (1)

62

Iluminación de emergencia: nivel de iluminación

4.2.10.4.1

EN 13272:2012

5.3

63

Capacidad de circulación

4.2.10.4.4

EN 50553:2012

Cl. pertinente (1)

64

Interfaz para la recarga de agua

4.2.11.5

EN 16362:2013

4.1.2

figura 1

65

Requisitos especiales aplicables al estacionamiento de los trenes: suministro de energía auxiliar, externo y local

4.2.11.6

EN/IEC 60309-2:1999

Cl. pertinente (1)

66

Acoplador automático de tope central: tipo 10

5.3.1

EN 16019:2014

Cl. pertinente (1)

67

Enganche final manual: tipo UIC

5.3.2

EN 15551:2009

Cl. pertinente (1)

68

Enganche final manual: tipo UIC

5.3.2

EN 15566:2009

Cl. pertinente (1)

69

Enganche de rescate

5.3.3

EN 15020:2006 +A1:2010

Cl. pertinente (1)

70

Disyuntor principal: coordinación de la protección

5.3.12

EN 50388:2012

11

71

Ruedas: método de verificación

criterios de decisión

método de verificación adicional

comportamiento termomecánico

6.1.3.1

EN 13979-1:2003 +A2:2011

7.2.1, 7.2.2

7.2.3

7.3

6

72

Protección antideslizamiento de las ruedas: método de verificación

programa de ensayo

6.1.3.2

EN 15595:2009

5

Solo 6.2.3 de 6.2

73

Focos de cabeza: color

intensidad luminosa

6.1.3.3

EN 15153-1:2013

6.3

6.4

74

Luces de posición: color

intensidad luminosa

6.1.3.4

EN 15153-1:2013

6.3

6.4

75

Luces de cola: color

intensidad luminosa

6.1.3.5

EN 15153-1:2013

6.3

6.4

76

Bocina: sonido

nivel de presión acústica

6.1.3.6

EN 15153-2:2013

6

6

77

Pantógrafo: fuerza estática de contacto

6.1.3.7

EN 50367:2012

7.2

78

Pantógrafo: valor límite

6.1.3.7

EN 50119:2009

5.1.2

79

Pantógrafo: método de verificación

6.1.3.7

EN 50206-1:2010

6.3.1

80

Pantógrafo: comportamiento dinámico

6.1.3.7

EN 50318:2002

Cl. pertinente (1)

81

Pantógrafo: características de interacción

6.1.3.7

EN 50317:2012

Cl. pertinente (1)

82

Frotadores: método de verificación

6.1.3.8

EN 50405:2006

5.2.2, 5.2.3, 5.2.4, 5.2.6, 5.2.7

83

Seguridad contra el descarrilamiento en la circulación por vías alabeadas

6.2.3.3

EN 14363:2005

4.1

84

Comportamiento dinámico en circulación: método de verificación

evaluación de criterios

condiciones de evaluación

6.2.3.4

EN 14363:2005

5

Cl. pertinente (1)

Cl. pertinente (1)

85

Conicidad equivalente: definiciones de tramo de carril

6.2.3.6

EN 13674-1:2011

Cl. pertinente (1)

86

Conicidad equivalente: definiciones de perfil de rueda

6.2.3.6

EN 13715:2006

Cl. pertinente (1)

87

Eje montado: montaje

6.2.3.7

EN 13260:2009 +A1:2010 +A2:2012

3.2.1

88

Eje montado: ejes, método de verificación

criterios de decisión

6.2.3.7

EN 13103:2009 +A1:2010 +A2:2012

4, 5, 6

7

89

Eje montado: ejes, método de verificación

criterios de decisión

6.2.3.7

EN 13104:2009 +A1:2010

4, 5, 6

7

90

Cajas de grasa/rodamientos

6.2.3.7

EN 12082:2007

6

91

Prestaciones del freno de emergencia

6.2.3.8

EN 14531-1:2005

5.11.3

92

Prestaciones del freno de servicio

6.2.3.9

EN 14531-1:2005

5.11.3

93

Protección antideslizamiento de las ruedas: método de verificación de las prestaciones

6.2.3.10

EN 15595:2009

6.4

94

Efecto estela: condiciones meteorológicas, sensores, precisión de los sensores, selección de datos válidos y tratamiento de los datos

6.2.3.13

EN 14067-4:2005 +A1:2009

8.5.2

95

Pulso de presión por paso de la cabeza del tren: método de verificación

dinámica de fluidos computacional (DFC)

maqueta en movimiento

6.2.3.14

EN 14067-4:2005 +A1:2009

5.5.2

5.3

5.4.3

96

Variaciones máximas de presión: distancia xp entre el portal de entrada y la posición de medición, las definiciones de ΔpFr, ΔpN, ΔpT, la longitud mínima del túnel

6.2.3.15

EN 14067-5:2006 +A1:2010

Cl. pertinente (1)

97

Bocina: nivel de presión acústica

6.2.3.17

EN 15153-2:2013

5

98

Potencia máxima y corriente de la línea aérea de contacto: método de verificación

6.2.3.18

EN 50388:2012

14.3

99

Factor de potencia: método de verificación

6.2.3.19

EN 50388:2012

14.2

100

Comportamiento dinámico de la captación de corriente: ensayos dinámicos

6.2.3.20

EN 50317:2012

Cl. pertinente (1)

101

Parabrisas: características

6.2.3.22

EN 15152:2007

6.2.1 a 6.2.7

102

Resistencia estructural

Anexo C.1

EN 12663-2:2010

5.2.1-5.2.4

▼M2

103

NO SE UTILIZA

104

NO SE UTILIZA

105

NO SE UTILIZA

▼M2

106

NO SE UTILIZA

107

NO SE UTILIZA

108

NO SE UTILIZA

109

NO SE UTILIZA

110

NO SE UTILIZA

111

NO SE UTILIZA

112

NO SE UTILIZA

113

NO SE UTILIZA

114

NO SE UTILIZA

115

NO SE UTILIZA

116

Función de localización embarcada-Requisitos

4.2.8.2.8.1

EN 50463-3:2017

4.4

117

Precisión de la función de medición de energía para la medición de energía activa:

Requisitos

Designaciones de clase

Metodología de evaluación

4.2.8.2.8.2

6.2.3.19 bis

EN 50463-2:2017

4.2.3.1, 4.2.3.2, 4.2.3.3 y 4.2.3.4

4.3.3.4, 4.3.4.3 y 4.4.4.2

5.4.3.4.1, 5.4.3.4.2, 5.4.4.3.1, cuadro 3, 5.4.3.4.3.1 y 5.4.4.3.2.1

118

Función de medición de energía (FME) identificación única del punto de consumo-Definición

4.2.8.2.8.3

EN 50463-1:2017

4.2.5.2

119

protocolos de interfaz entre el sistema embarcado de medición de energía (SME) y el sistema de captación de datos de energía situado en tierra (SCD)-Requisitos

4.2.8.2.8.4

EN 50463-4:2017

4.3.3.1, 4.3.3.3, 4.3.4, 4.3.5, 4.3.6 y 4.3.7

120

Función de medición de energía: coeficiente de temperatura media de cada dispositivo-Metodología de evaluación

6.2.3.19 bis

EN 50463-2:2017

5.4.3.4.3.2 y 5.4.4.3.2.2

121

La compilación y el tratamiento de datos en el sistema de tratamiento de datos-Metodología de evaluación

6.2.3.19 bis

EN 50463-3:2017

5.4.8.3, 5.4.8.5 y 5.4.8.6

122

Sistema embarcado de medición de energía-Pruebas

6.2.3.19 bis

EN 50463-5:2017

5.3.3 y 5.5.4

▼B

(1)   Cláusulas de la norma que están directamente relacionadas con el requisito expresado en la cláusula de la ETI indicada en la columna 3.

J.2    Documentos técnicos (disponibles en el sitio web de la ERA)



 

ETI

Documento técnico de la ERA

Índice no

Características que deben evaluarse

Cláusula

Referencia obligatoria

al número de documento

Cláusulas

1

Interfaz entre el subsistema de control-mando y señalización en tierra y otros subsistemas

4.2.3.3.1

►M1  ERA/ERTMS/033281 rev. 3.0 ◄

3.1 y 3.2

2

Comportamiento dinámico del material rodante

4.2.3.4

ERA/TD/2012-17/INT rev. 2.0

Todos



( 1 ) Reglamento (UE) no 1301/2014 de la Comisión, de 18 de noviembre de 2014, sobre las especificaciones técnicas de interoperabilidad del subsistema de energía del sistema ferroviario de la Unión (véase la página 179 del presente Diario Oficial).

( 2 ) Directiva 2004/49/CE del Parlamento Europeo y del Consejo, de 29 de abril de 2004, sobre la seguridad de los ferrocarriles comunitarios y por la que se modifican la Directiva 95/18/CE del Consejo sobre concesión de licencias a las empresas ferroviarias y la Directiva 2001/14/CE relativa a la adjudicación de la capacidad de infraestructura ferroviaria, aplicación de cánones por su utilización y certificación de la seguridad (DO L 164 de 30.4.2004, p. 44).

( *1 ) A evaluarse sobre el esfuerzo total de frenado, o sobre la presión de los cilindros de freno en el caso de sistemas de freno neumático; definición conforme a la especificación a la que se refiere el apéndice J-1, índice 25, cláusula 5.3.3.

( 3 ) Directiva 98/83/CE del Consejo, de 3 de noviembre de 1998, relativa a la calidad de las aguas destinadas al consumo humano (DO L 330 de 5.12.1998, p. 32).

( 4 ) Directiva 2006/7/CE del Parlamento Europeo y del Consejo, de 15 de febrero de 2006, relativa a la gestión de la calidad de las aguas de baño y por la que se deroga la Directiva 76/160/CEE (DO L 64 de 4.3.2006, p. 37).

( 5 ) Directiva 2006/11/CE del Parlamento Europeo y del Consejo, de 15 de febrero de 2006, relativa a la contaminación causada por determinadas sustancias peligrosas vertidas en el medio acuático de la Comunidad (DO L 64 de 4.3.2006, p. 52).

( 6 ) Directiva 2009/30/CE del Parlamento Europeo y del Consejo, de 23 de abril de 2009, por la que se modifica la Directiva 98/70/CE en relación con las especificaciones de la gasolina, el diésel y el gasóleo, se introduce un mecanismo para controlar y reducir las emisiones de gases de efecto invernadero, se modifica la Directiva 1999/32/CE del Consejo en relación con las especificaciones del combustible utilizado por los buques de navegación interior y se deroga la Directiva 93/12/CE (DO L 140 de 5.6.2009, p. 88).

( 7 ) Directiva 2007/59/CE del Parlamento Europeo y del Consejo, de 23 de octubre de 2007, sobre la certificación de los maquinistas de locomotoras y trenes en el sistema ferroviario de la Comunidad (DO L 315 de 3.12.2007, p. 51).

( 8 ) Decisión de Ejecución 2011/665/UE de la Comisión, de 4 de octubre de 2011, sobre el Registro Europeo de Tipos Autorizados de Vehículos Ferroviarios (DO L 264 de 8.10.2011, p. 32).

( 9 ) Decisión 2010/713/UE de la Comisión, de 9 de noviembre de 2010, sobre los módulos para los procedimientos de evaluación de la conformidad, idoneidad para el uso y verificación CE que deben utilizarse en las especificaciones técnicas de interoperabilidad adoptadas en virtud de la Directiva 2008/57/CE del Parlamento Europeo y del Consejo (DO L 319 de 4.12.2010, p. 1).

( 10 ) Recomendación de la Comisión, de 20 de septiembre de 2011, sobre el procedimiento para la demostración del nivel de cumplimiento con los parámetros básicos de las especificaciones técnicas de interoperabilidad por parte de las líneas ferroviarias existentes (DO L 243 de 21.9.2011, p. 23).

( 11 ) Reglamento (CE) no 352/2009 de la Comisión, de 24 de abril de 2009, relativo a la adopción de un método común de seguridad para la evaluación y valoración del riesgo con arreglo a lo dispuesto en el artículo 6, apartado 3, letra a), de la Directiva 2004/49/CE del Parlamento Europeo y del Consejo (DO L 108 de 29.4.2009, p. 4).

( 12 ) Decisión de Ejecución de la Comisión, de 15 de septiembre de 2011, sobre las especificaciones comunes del registro de la infraestructura ferroviaria (DO L 256 de 1.10.2011, p. 1).