2009R0631 — BG — 02.06.2011 — 001.002


Този документ е средство за документиране и не обвързва институциите

►B

РЕГЛАМЕНТ (ЕО) № 631/2009 НА КОМИСИЯТА

от 22 юли 2009 година

за определяне на подробни правила за прилагане на приложение I към Регламент (ЕО) № 78/2009 на Европейския парламент и на Съвета относно типовото одобрение на моторни превозни средства по отношение на защитата на пешеходците и на останалите уязвими участници в движението по пътищата, за изменение на Директива 2007/46/ЕО и за отмяна на директива 2003/102/ЕО и 2005/66/ЕО

(ОВ L 195, 25.7.2009, p.1)

Изменен с

 

 

Официален вестник

  No

page

date

►M1

Регламент (ЕС) № 459/2011 на Комисията от 12 май 2011 година

  L 124

21

13.5.2011


поправен от

►C1

Поправка, ОВ L 229, 6.9.2011,  16  (631/2009)




▼B

РЕГЛАМЕНТ (ЕО) № 631/2009 НА КОМИСИЯТА

от 22 юли 2009 година

за определяне на подробни правила за прилагане на приложение I към Регламент (ЕО) № 78/2009 на Европейския парламент и на Съвета относно типовото одобрение на моторни превозни средства по отношение на защитата на пешеходците и на останалите уязвими участници в движението по пътищата, за изменение на Директива 2007/46/ЕО и за отмяна на директива 2003/102/ЕО и 2005/66/ЕО



КОМИСИЯТА НА ЕВРОПЕЙСКИТЕ ОБЩНОСТИ,

като взе предвид Договора за създаване на Европейската общност,

като взе предвид Регламент (ЕО) № 78/2009 на Европейския парламент и на Съвета от 14 януари 2009 г. относно типовото одобрение на моторни превозни средства по отношение на защитата на пешеходците и на останалите уязвими участници в движението по пътищата, за изменение на Директива 2007/46/ЕО и за отмяна на Директиви 2003/102/ЕО и 2005/66/ЕО ( 1 ), и по-специално член 4, параграф 6 от него,

като има предвид, че:

(1)

Регламент (ЕО) № 78/2009 е един от отделните нормативни актове в обхвата на процедурата за одобряване на типа, предвидена в Директива 2007/46/ЕО на Европейския парламент и на Съвета от 5 септември 2007 година за създаване на рамка за одобрение на моторните превозни средства и техните ремаркета, както и на системи, компоненти и отделни технически възли, предназначени за такива превозни средства („Рамкова директива“) ( 2 ).

(2)

С Регламент (ЕО) № 78/2009 се предвиждат основните изисквания за безопасността на пешеходците и на останалите уязвими участници в движението по пътищата под формата на изпитвания и гранични стойности на типовото одобрение на моторните превозни средства и на системата за предна защита като отделни технически възли.

(3)

Изпитванията, предвидени в Регламент (ЕО) № 78/2009, са основани на изискванията, предвидени в Директива 2003/102/ЕО на Европейския парламент и на Съвета от 17 ноември 2003 година относно защитата на пешеходците и останалите уязвими участници в движението по пътищата преди и в случай на сблъсък с моторно превозно средство и за изменение на Директива 70/156/ЕИО на Съвета ( 3 ) и Директива 2005/66/ЕО на Европейския парламент и на Съвета от 26 октомври 2005 година относно употребата на системи за предна защита в моторни превозни средства и относно изменение на Директива 70/156/ЕИО на Съвета ( 4 ).

(4)

В проведено проучване ( 5 ) относно спецификациите на някои изисквания, предвидени в Директива 2003/102/ЕО, се отбеляза необходимостта от изменения.

(5)

Техническите предписания, необходими за изпълнението на изискванията на Регламент (ЕО) № 78/2009 следва да са основани на спецификациите, използвани в Решение 2004/90/ЕО на Комисията от 23 декември 2003 година относно техническите предписания за въвеждане в действие на член 3 от Директива 2003/102/ЕО на Европейския парламент и на Съвета за защитата на пешеходците и другите участници в движението в случай на сблъсък с моторно превозно средство и за изменение на Директива 70/156/ЕИО ( 6 ) и Решение 2006/368/ЕО на Комисията от 20 март 2006 година относно подробните технически изисквания за провеждане на изпитванията, специфицирани в Директива 2005/66/ЕО на Европейския парламент и на Съвета, свързани с употребата на системи за предна защита на моторни превозни средства ( 7 ).

(6)

Мерките, предвидени в настоящия регламент, са в съответствие със становището на Техническия комитет по моторните превозни средства.

ПРИЕ НАСТОЯЩИЯ РЕГЛАМЕНТ:



Член 1

С настоящия регламент се определят техническите предписания, необходими за провеждането на изпитванията, и изискванията, посочени в приложение I към Регламент (ЕО) № 78/2009.

Член 2

Изпитванията, посочени в приложение I към Регламент (ЕО) № 78/2009, се провеждат в съответствие с приложението към настоящия регламент.

Член 3

Когато в случай на изпитвания за одобрение на типа на превозно средство по отношение на монтираната система за предна защита или за одобрение на типа на такива системи като отделен технически възел, системата за предна защита, която ще се изпитва, е проектирана за употреба при повече от един тип превозно средство, посочената система се подлага на отделно одобряване на типа за всеки тип превозно средство, за което е предназначена тя.

Техническата служба обаче има право да прецени дали да се откаже от допълнителни изпитвания, когато счете, че предвидените типове превозни средства или типовете системи за предна защита са достатъчно подобни.

Член 4

Настоящият регламент влиза в сила на двадесетия ден след публикуването му в Официален вестник на Европейския съюз.

Настоящият регламент е задължителен в своята цялост и се прилага пряко във всички държави-членки.




ПРИЛОЖЕНИЕ

ЧАСТ I: ОБЩИ ИЗИСКВАНИЯ И ОПРЕДЕЛЕНИЯ

ЧАСТ II: СПЕЦИФИКАЦИИ НА ИЗПИТВАНИЯТА НА ПРЕВОЗНИТЕ СРЕДСТВА

Глава I: Общи условия

Глава II: Изпитване на удар на макет на долната част на крак с бронята

Глава III: Изпитване на удар на макет на горната част на крак с бронята

Глава IV: Изпитване на удар на макет на горната част на крак с предния ръб на капака

Глава V: Изпитване на удар на макет на глава на дете или на възрастен с нисък ръст с горната повърхност на капака

Глава VI: Изпитване на удар на макет на глава на възрастен с предното стъкло

Глава VII: Изпитване на удар на макет на глава на дете, на възрастен с нисък ръст или на възрастен с горната повърхност на капака

ЧАСТ III: СПЕЦИФИКАЦИИ НА СИСТЕМАТА ЗА ПОДПОМАГАНЕ НА СПИРАЧНОТО УСИЛИЕ (BAS)

Допълнение I: Метод на определяне на FABS и на aABS

Допълнение II: Обработка на данните за системата за подпомагане на спирачното усилие

ЧАСТ IV: СПЕЦИФИКАЦИИ НА ИЗПИТВАНИЯТА НА СИСТЕМИТЕ ЗА ПРЕДНА ЗАЩИТА

Глава I: Общи условия

Глава II: Изпитване на удар на макет на долната част на крак в система за предна защита

Глава III: Изпитване на удар на макет на горната част на крак в система за предна защита

Глава IV: Изпитване на удар на макет на горната част на крак в предния ръб на системата за предна защита

Глава V: Изпитване на удар на макет на глава на дете/възрастен човек с нисък ръст в системата за предна защита

ЧАСТ V: УДРЯЩИ ЕЛЕМЕНТИ В ИЗПИТВАНИЯТА

Допълнение I: Сертифициране на удрящите елементи

ЧАСТ I

ОБЩИ ИЗИСКВАНИЯ И ОПРЕДЕЛЕНИЯ

1.   Общи положения

При провеждането на измерванията на превозно средство, както е описано в настоящата част, превозното средство се намира в нормалното си положение за движение.

Ако превозното средство е означено със знак, емблема или друг конструктивен елемент, който би се извил назад или поддал при прилагането на сила до 100 N, то тази сила се прилага преди и/или по времето на провеждане на измерванията.

Всеки компонент на превозното средство, който може да промени формата си или положението си, с изключение на елементите с окачване или активни устройства, чието предназначение е осигуряване на безопасността на пешеходците, се привеждат в прибрано положение.

2.   Определения

За целите на настоящото приложение се прилагат следните определения:

2.1.

„Височина на предния контур (ръб) на капака“ за всяко сечение на превозното средство това е вертикалното разстояние между земята и базовата линия на предния контур (ръб) на капака.

2.2.

„Базова линия на предния контур (ръб) на капака“ означава геометричната следа на допирните точки между права линия с дължина 1 000 mm и предната повърхност на капака, когато правата линия, поддържана успоредно на надлъжната вертикална равнина на колата и наклонена на 50o назад от вертикала, с долен край, разположен на 600 mm над земята, се премества по предния ръб на капака и е в контакт с предния контур (ръб) на капака (виж фигура 16).

При превозни средства, чиято горна повърхност на капака е наклонен на 50o, така че правата линия се допира до един участък или до няколко точки вместо само в една, базовата линия се определя от права линия, наклонена назад на 40o от вертикала.

При превозни средства с такава форма, че първата допирна точка се намира на долния край на правата линия, тази точка се разглежда като част от базовата линия на предния контур (ръб) на капака в този частен случай.

При превозни средства със силует, при който първата допирна точка се намира на горния край на правата линия, геометричната следа на разгънатата дължина 1 000 mm, се използва като базова линия на предния ръб на капака в този частен случай.

Горният контур (ръб) на бронята също така се разглежда като базова линия на предния контур (ръб) на капака, ако той се допира до правата линия по време на тази процедура.

2.3.

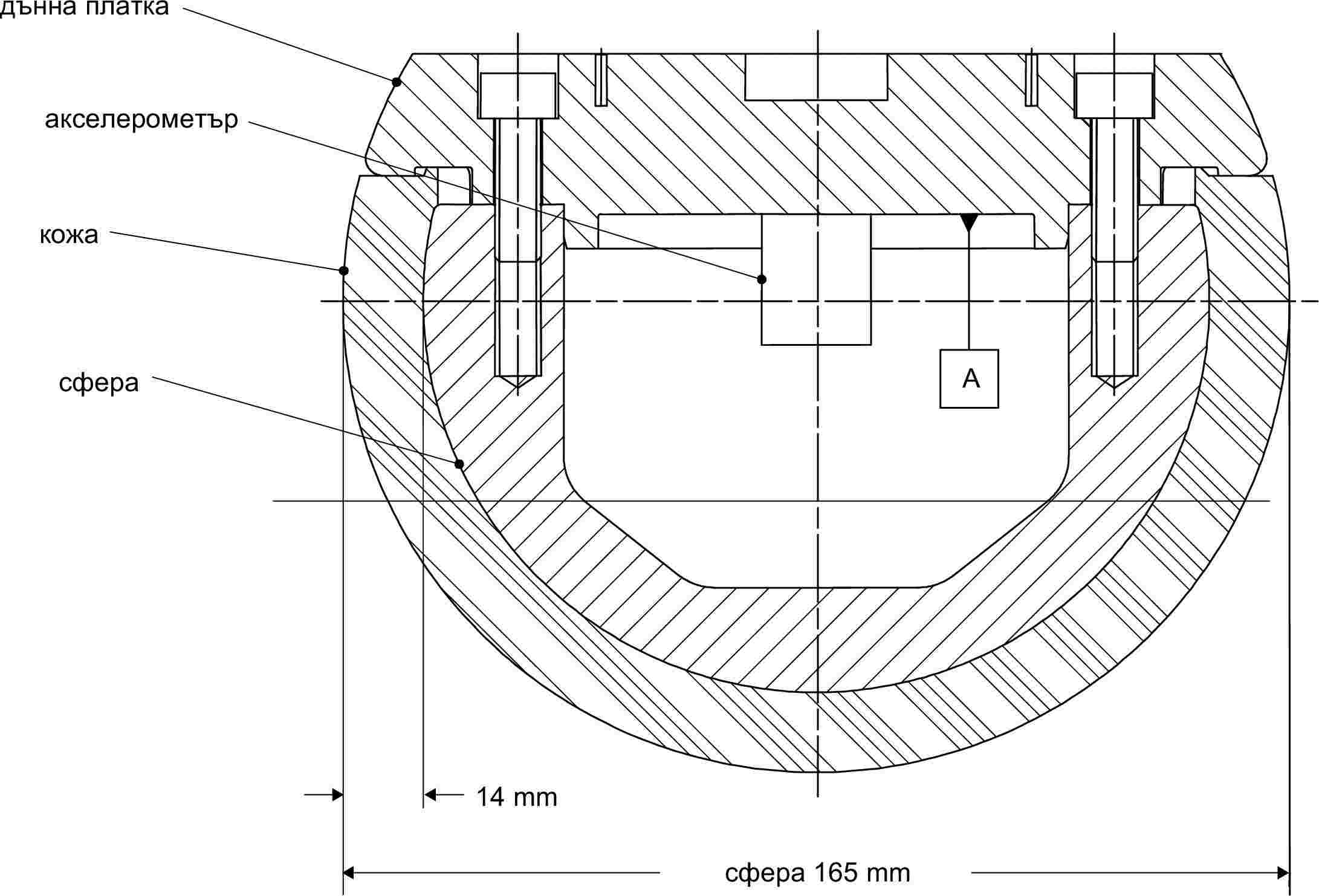
„Базова линия на капака“ е геометричната следа на най-задните допирни точки между сфера с диаметър 165 mm и предната горна повърхност на капака, когато сферата се поддържа в постоянен контакт с предното стъкло и се премества от едната към другата страна по горната повърхност на капака (виж фигура 1). Тази операция изисква демонтирането на четките и рамената на стъклочистачките;

Ако базова линия на капака е по протежение на широчина, по-голяма от 2 100 mm в разгънато положение, тази базова линия се определя от геометричната следа на точките по разгъната широчина 2 100 mm. Ако задната базова линия на капака и страничните базовите линии не се пресичат, задната базова линия на капака се изменя според процедурата, описана в точка 2.17;

2.4.

„Издаване напред на бронята“ за всяко надлъжно сечение на превозното средство е хоризонталното разстояние, измерено във вертикалната надлъжна равнина на превозното средство между горната базова линия на бронята и базовата линия на предния ръб на капака;

2.5.

„Център на коляното“ е действителната точка на сгъване на коляното;

2.6.

„Ъгъл на бронята“ е допирната точка между превозното средство и вертикална равнина, образуваща ъгъл 60° с вертикалната надлъжна равнина на превозното средство и явяваща се допирателна към външната повърхност на бронята (виж фигура 2).

2.7.

„Ъгъл на системата за предна защита“ е точката на допиране на системата за предна защита към вертикална равнина, която сключва ъгъл от 60° с вертикалната надлъжна равнина на превозното средство и е допирателна към външната повърхност на системата за предна защита (виж фигура 3);

2.8.

„Ъгъл на предния контур (ръб) на системата за предна защита“ представлява точката на допиране на системата за предна защита към вертикална равнина, която сключва ъгъл 45° с вертикалната надлъжна равнина на превозното средство и е допирателна към външната повърхност на системата за предна защита. Долната част на равнината следва да бъде на височина 600 mm или на 200 mm под най-високата част на системата за предна защита, като се взима по-високо разположеното от двете нива;

2.9.

„Връх на базовия ъгъл“ е пресечната точка на базовата линия на предния ръб на капака и страничната базова линия (виж фигура 4).

2.10.

„Основни външни предни размери“ представляват твърдите точки в пространството на рамката за изпитване, които представят всички точки на разглеждания тип превозно средство, с които системата за предна защита е вероятно да влезе в съприкосновение по време на изпитването;

2.11.

„Бедро“ са всички компоненти или части на компоненти (включително плътта, кожата, амортисьора, измервателната верига, както и захватите и направляващите ролки и другите елементи, закрепени към макета на крак за неговото задвижване), разположени над центъра на коляното.

2.12.

„Издаване напред на системата за предна защита“ за всяка точка на системата за предна защита представлява хоризонталното разстояние между горната базова линия на системата за предна защита и положението на разглежданата точка на системата за предна защита. Това разстояние се измерва в която и да е точка във вертикална равнина, успоредна на вертикалната надлъжна равнина на превозното средство;

2.13.

„Преден контур (ръб) на системата за предна защита“ представлява най-горната външна конструкция на системата за предна защита и изключва капака и калниците на превозното средство, горните и страничните елементи на корпусите на фаровете и всички други скрепителни елементи, като например решетките, защитаващи фаровете;

2.14.

„Височина на предния контур (ръб) на системата за предна защита“ за всяко вертикално надлъжно сечение на системата за предна защита означава вертикалното разстояние между базовото ниво на пътя и базовата линия на предния ръб на системата за предна защита на това сечение, като при това превозното средство се намира в нормално положение за движение;

2.15.

„Базова линия на предния контур (ръб) на системата за предна защита“ означава геометричната следа на допирните точки между права линия с дължина 1 000 mm и предната повърхност на системата за предна защита, когато правата линия, поддържана успоредно на надлъжната вертикална равнина на превозното средство и наклонена на 50° назад с долния край 600 mm над земята, се премества и допира до предния ръб на системата за предна защита. При системите за предна защита, чийто горен ръб на капака е наклонен точно на 50°, така че правата отсечка има непрекъснат контакт или има много допирни точки вместо една, базовата линия се определя от права линия, наклонена назад на 40°. При системите за предна защита, чиято форма е такава, че първата допирна точка се намира върху долния край на правата линия, тази точка се разглежда като базова линия на предния ръб на системата за предна защита в това положение. При система за предна защита с такава форма, че първата допирна точка се намира на горния край на правата линия, геометричната следа на точки по широчина от 1 000 mm в разгънато състояние се използва като базова линия на предния ръб на системата за предна защита в това положение. Горният контур (ръб) на системата за предна защита също така се разглежда като базова линия на предния контур (ръб) на системата за предна защита по смисъла на настоящия регламент, ако той влиза в допир с правата линия по време на тази процедура (виж фигура 5);

2.16.

„Точката на удар“ е точката върху превозното средство, където се осъществява първото съприкосновение с удрящия елемент по време на изпитването. Разстоянието на тази точка до целевата точка зависи от ъгъла на движение на удрящия елемент и контура на повърхността на превозното средство (виж точка B от фигура 6);

2.17.

„Пресечна точка на базовата линия на задната повърхност на капака и базовата линия на страничната повърхност на капака“. Ако базовата линия на задната повърхност на капака и базовата линия на страничната повърхност на капака не се пресичат, базовата линия на задната повърхност на капака се продължава и/или изменя, като се използва шаблон във формата на полукръг с радиус 100 mm. Шаблонът трябва да е от тънък лист гъвкав материал, който може лесно да се огъва по една кривина във всяко направление. Ако е възможно, шаблонът има съпротивление при огъване с двойна или сложна кривина, когато това може да доведе до гънки. Препоръчваният материал трябва да е тънък пластмасов лист, покрит с пенопласт, за да позволи „прилепване“ на шаблона към повърхността на превозното средство.

При шаблон, поставен върху равна повърхност, върху него се маркират четирите точки от „А“ до „D“, както е показано на фигура 7. Шаблонът се поставя върху превозното средство така, че ъглите „А“ и „В“ да съвпаднат със страничната базова линия. Като се внимава тези два ъгъла да продължават да съвпадат със страничната базова линия, шаблонът се плъзга постепенно назад, докато неговата дъга се допре до базовата линия на задната повърхност на капака. По време на цялата операция шаблонът трябва да е огънат така, че да следва колкото е възможно по-близко външния контур на горната повърхност на капака на превозното средство, без да се прегъва. Ако контактът между шаблона и базовата линия на задната повърхност на капака е допирателен и точката на допиране е разположена извън дъгата, определена от точките „С“ и „D“, базовата линия на задната повърхност на капака се продължава и/или изменя по дъгата на шаблона до достигането на базовата линия на страничната повърхност, както е показано на фигура 8.

Ако шаблонът не може да се допира едновременно до базовата линия на страничната повърхност на капака в точките „А“ и „В“ и до базовата линия на задната повърхност на капака или точката, в която се допират базовата линия на задната повърхност на капака и шаблонът е вътре в дъгата, определена от точките „С“ и „D“, трябва да се използват допълнителни шаблони, чиито радиуси нарастват постепенно с постоянната величина 20 mm, докато всички посочени по-горе условия бъдат изпълнени.

След като така се определи изменената базова линия на задната повърхност на капака, тя се използва във всички следващи точки и първоначалните ѝ краища на линията не се използват;

2.18.

„Минимална височина на бронята“ при напречно положение е разстоянието по вертикала между земята и долната базова линия на бронята, когато превозното средство е в своето нормално положение на движение.

2.19.

„Долна базова линия на бронята“ е линия, която означава долната граница на основните точки на контакт на пешеходеца при сблъсък с бронята. Линията е геометричната следа на най-ниските допирни точки между една права линия с дължина 700 mm и бронята, когато правата линия, поддържана успоредно на надлъжната вертикална равнина на превозното средство и наклонена на 25° напред, е в постоянен допир със земята и с повърхността на бронята и се премества по предната част на превозното средство (виж фигура 9).

2.20.

„Минимална височина на системата за предна защита“ при напречно положение е разстоянието по вертикала между земята и долната базова линия на системата за предна защита, когато превозното средство е в неговото нормално положение на движение.

2.21.

„Долна базова линия на системата за предна защита“ е линия, която означава долната граница на основните точки на контакт на пешеходеца при сблъсък със системата за предна защита. Линията е геометричната следа на най-ниските допирни точки между права линия с дължина 700 mm и системата за предна защита, когато правата линия, поддържана успоредно на надлъжната вертикална равнина на превозното средство и наклонена на 25° напред, е в постоянен допир със земята и с повърхността на бронята и се премества по предната част на превозното средство (виж фигура 10);

2.22.

„Базова линия на задния край на предното стъкло“ е геометричната следа на най-предните допирни точки между сфера и предното стъкло, когато сфера с диаметър 165 mm се поддържа в постоянен контакт с предното стъкло и се премества от едната към другата страна на горната част на рамката на предното стъкло, включително евентуалните уплътнители (виж фигура 11);

2.23.

„Базова линия на страничната повърхност“ е геометричната следа на най-високите допирни точки между права линия с дължина 700 mm и страничната повърхност на превозното средство, когато правата линия, поддържана успоредно на напречната вертикална равнина на превозното средство и наклонена на 45° напред, е в постоянен допир със страничните части на предната горна повърхност и се премества по страничната част на превозното средство (виж фигура 12);

2.24.

„Целевата точка“ е пресечната точка на проекцията на надлъжната ос на макета на глава с предната повърхност на превозното средство (виж точка А на фигура 6);

2.25.

„Една трета от предния контур (ръб) на капака“ е геометричната следа, разположена между върховете на базовите ъгли и измерена, следвайки външния контур на предния ръб на капака, с рулетка, разделена на три равни части.

2.26.

„Една трета от горната повърхност на капака“ е геометричната следа, разположена между базовите линии на страничните повърхности, измерена, следвайки външния контур на горната повърхност на капака в което и да е напречно сечение, с рулетка, разделена на три равни части.

2.27.

„Една трета от системата за предна защита“ е геометричната следа между ъглите на системата за предна защита, измерена, следвайки външния хоризонтален контур на системата за предна защита, с рулетка, разделена на три равни части;

2.28.

„Една трета от предния контур (ръб) на системата за предна защита“ е геометричната следа между ъглите на предния ръб на системата за предна защита, измерена, следвайки външния хоризонтален контур на системата за предна защита, с рулетка, разделена на три равни части;

2.29.

„Една трета от бронята“ е геометричната следа, разположена между ъглите на бронята и измерена, следвайки външния контур на бронята, с рулетка, разделена на три равни части;

2.30.

„Пищял“ са всички компоненти или части на компоненти (включително плътта, кожата, измерителната верига, както и направляващите ролки и другите елементи, закрепени към макета на крака за неговото задвижване), разположени под центъра на коляното. Трябва да се отбележи, че по дефиниция пищялът включва масата и другите характеристики на стъпалото;

2.31.

„Горна базова линия на бронята“ е линията, означаваща горната граница на основните точки на контакт на пешеходеца при сблъсък с бронята.

За превозни средства с определена структура на бронята тя се определя като геометричната следа на най-високите допирни точки между права линия и бронята, когато правата линия, поддържана успоредно на надлъжната вертикална равнина на превозното средство и наклонена 20° назад, е в постоянен допир с повърхността на бронята и се премества по предната част на превозното средство (виж фигура 13).

За превозни средства с неопределена структура на бронята тя се определя като геометричната следа на най-високите допирни точки между права линия с дължина 700 mm и бронята, когато правата линия, поддържана успоредно на надлъжната вертикална равнина на превозното средство и наклонена 20° назад, е в постоянен допир със земята и с повърхността на бронята и се премества по предната част на превозното средство (виж фигура 13);

Ако е необходимо, правата линия може да се скъси, за да се избегне всякакъв контакт с елементи, разположени над бронята.

2.32.

„Максимална височина на системата за предна защита“ при напречно положение е разстоянието по вертикала между земята и горната базова линия на системата за предна защита, когато превозното средство е в неговото нормално положение на движение.

2.33.

„Горна базова линия на системата за предна защита“ е линия, която означава горната граница на основните точки на контакт на пешеходеца при сблъсък със системата за предна защита. Линията е геометричната следа на най-високите допирни точки между права линия с дължина 700 mm и системата за предна защита, когато правата линия, поддържана успоредно на надлъжната вертикална равнина на превозното средство и наклонена на 20° напред, е в постоянен допир със земята и с повърхността на бронята и се премества по предната част на превозното средство (виж фигура 14);

Ако е необходимо, правата линия може да се скъси, за да се избегне всякакъв контакт с елементи, разположени над системата за предна защита;

2.34.

„Тип на превозно средство“ е категорията превозни средства, чиито съществени елементи, разположени пред А-колоните (предните колони), не се различават по никои от следните характеристики в такава степен, че да се счете, че промените влияят отрицателно върху резултатите от изпитванията на удар, предписани в Регламент (ЕО) № 78/2009:

а) конструкцията;

б) основните размери;

в) материалите на външните повърхности на превозното средство;

г) разположение на компонентите (външни или вътрешни);

д) методът на закрепване на системата за предна защита, където има такава.

За целите на разглеждане на системите за предна защита с оглед одобряването им като отделни технически възли всяко позоваване на превозно средство може да бъде интерпретирано като посочващо рамката, върху която системата за предна защита е монтирана за целите на изпитванията и която е предназначена да представя външните размери на предната част на съответното превозно средство, за което се одобрява типът на системата.

2.35.

„Разгъната дължина“ е геометричната следа, описана върху горната повърхност на капака или на системата за предна защита от единия край на рулетка, когато тя се държи във вертикална надлъжна равнина на превозното средство и се премества по предната горна повърхност или системата за предна защита. По време на тази процедура рулетката е опъната и единият ѝ край се поддържа в контакт с базово ниво на земята, във вертикално положение пред предната повърхност на бронята или системата за предна защита, а другият ѝ край се поддържа в контакт с горната повърхност на капака или системата за предна защита (виж фигура 15, например). Превозното средство се намира в нормално положение за движение.

Тази процедура се следва, като се използват рулетки за измерване със съответните дължини за описване на разгъната дължина от 900 mm (WAD900), 1 000 mm (WAD1000), 1 700 mm (WAD1700) и 2 100 mm (WAD2100).

image

image

image

image

image

image

image

image

image

image

image

image

image

image

image

image

ЧАСТ II

СПЕЦИФИКАЦИИ НА ИЗПИТВАНИЯТА НА ПРЕВОЗНИТЕ СРЕДСТВА

ГЛАВА I

Общи условия

1.   Комплектовано превозно средство

1.1.

За целите на изпитванията на комплектовано превозно средство превозното средство отговаря на условията, описани в подточки 1.1.1, 1.1.2 и 1.1.3.

1.1.1.

Превозното средство трябва да се намира в своето нормално положение за движение; то или трябва да е закрепено здраво за повдигнати опори, или да е неподвижно върху равна повърхност с включена ръчна спирачка.

1.1.2.

Всички устройства, конструирани за защита на уязвимите участници в движението по пътищата, трябва да са задействани правилно преди началото на изпитването и/или да са включени по време на протичането на изпитването. Заявителят за одобрение е длъжен да докаже, че устройствата функционират както е предвидено в случай на удар с пешеходец.

1.1.3.

Всички компоненти на превозното средство, които могат да изменят своята форма или положение и са различни от активните устройства за защита на пешеходците, както и такива, които имат повече от една фиксирана форма или положение, изискват превозното средство да отговаря на изискванията при всяка фиксирана форма или положение.

2.   Подсистема от превозното средство

2.1.

Когато за извършване на изпитванията е предоставена само една подсистема от превозното средство, тя трябва да отговаря на условията, определени в точки 2.1.1, 2.1.2, 2.1.3 и 2.1.4.

2.1.1.

Изпитването включва всички елементи от конструкцията на превозното средство, капака и всички компоненти, разположени под него или зад предното стъкло, които могат да участват при челен удар с уязвим участник в движението по пътищата, за да се покажат показателите и взаимодействията на всички участващи свързани компоненти на превозното средство.

2.1.2.

Подсистемата на превозното средство трябва да се постави и закрепи здраво за нормално положение за движение на превозното средство.

2.1.3.

Всички устройства, конструирани за защита на уязвимите участници в движението по пътищата, трябва да са задействани правилно преди началото на изпитването и/или включени по време на протичането на изпитването. Заявителят за одобрение е длъжен да докаже, че устройствата функционират както е предвидено в случай на удар с пешеходец.

2.1.4.

Всички компоненти на превозното средство, които могат да изменят своята форма или положение и са различни от активните устройства за защита на пешеходците, както и такива, които имат повече от една фиксирана форма или положение, изискват превозното средство да отговаря на изискванията при всяка фиксирана форма или положение.

ГЛАВА II

Изпитване на удар на макет на долната част на крак с бронята

1.   Приложно поле

Настоящата процедура за изпитване се прилага за изискванията, изложени в точка 2.1, буква а) и точка 3.1, буква а) от приложение I към Регламент (ЕО) № 78/2009.

2.   Общи положения

2.1.

Макетът на долната част на крак, използван като удрящ елемент в изпитванията на удар с бронята, трябва да се движи свободно в момента на удара. Удрящият елемент трябва да се освобождава на такова разстояние от превозното средство, че резултатите от изпитването да не се влияят от контакта на удрящия елемент със системата за задвижването при отскачането му назад.

2.2.

Удрящият елемент може да се задвижва от тласкач, който е пневматичен, хидравличен или с механична пружина, или от всяко друго средство, чиято еквивалентна ефективност е доказана.

3.   Спецификации на изпитването

3.1.

Целта на изпитването е да гарантира, че изискванията, предвидени в точка 2.1, буква а) и точка 3.1, буква а) на приложение I към Регламент (ЕО) № 78/2009, са изпълнени.

3.2.

Това изпитване се прилага за превозни средства с минимална височина на бронята, по-малка от 425 mm.

▼M1

За превозни средства с минимална височина на бронята, равна и по-голяма от 425 mm и по-малка от 500 mm, производителят може да избере да приложи настоящото изпитване или изпитването, предвидено в глава III.

▼B

За превозни средства с минимална височина на бронята, равна или по-голяма от 500 mm, се прилага глава III.

3.3.

Трябва да се извършат най-малко три изпитвания на удар на макет на долната част на крак с бронята — едно изпитване в средната една трета и по едно изпитване във всяка от страничните трети на бронята в местата, в които вероятността за наранявания е оценена като най-голяма. Изпитванията се извършват с различни типове конструкции, ако те се изменят в различните части на оценяваната зона. Точките, избрани за изпитванията, са на разстояние, не по-малко от 132 mm една от друга и на не по-малко от 66 mm навътре от определените ъгли на бронята. Минималните разстояния се определят с помощта на рулетка, опъната по външната повърхност на превозното средство. Положенията, изпитани в лабораториите, се посочват в протокола от изпитването.

▼M1

В случай че превозното средство се изпитва в съответствие с раздел 2.1, буква а) или б) от приложение I към Регламент (ЕО) № 78/2009, производителят може да подаде заявление за дерогация относно мястото на демонтируемия теглич, където да има зона с максимална широчина 132 mm, неподлежаща на това изискване.

▼B

4.   Процедура за изпитване

4.1.

Състоянието на превозното средство или на неговата подсистема отговаря на изискванията от глава I.

4.1.1.

Удрящият елемент или поне плътта от пенопласт се съхранява в продължение на поне четири часа в контролирана зона за съхранение с постоянна влажност от 35 процента ± 15 процента и постоянна температура от 20 ± 4 °C преди изваждането на удрящия елемент за изпитването. След изваждането от склада удрящият елемент не се излага на условия, различни от съществуващите в изпитната зона.

4.1.2.

Всяко изпитване се извършва до два часа от момента, в който използваният удрящ елемент е изваден от контролираната зона за съхранение.

4.2.

Долната част на макета на крак, който ще се използва за целите на това изпитване, отговаря на описанието в част V, раздел 1.

4.3.

Удрящият елемент се монтира, задвижва и освобождава, както е предвидено в точки 2.1 и 2.2.

4.4.

Посоката на вектора на скоростта на удара е в хоризонтална равнина и е успоредна на надлъжната вертикална равнина на превозното средство. Допустимото отклонение на направлението на вектора на скоростта в хоризонталната и надлъжната равнина е ±2° в момента на първоначалното съприкосновение.

4.5.

Оста на удрящия елемент е перпендикулярна на хоризонталната равнина с допустимо отклонение ±2° в напречната и надлъжната равнина. Хоризонталната, надлъжната и напречната равнина са взаимноперпендикулярни (виж фигура 1).

4.6.

Долният край на удрящия елемент е разположен на 25 mm над базовото равнище на земята в момента на първоначалния контакт с бронята (виж фигура 2) с допустимо отклонение ±10 mm.

▼M1

В случай че превозното средство се изпитва в съответствие с раздел 2.1, буква а) от приложение I към Регламент (ЕО) № 78/2009, долният край на удрящия елемент може също да е разположен на базовото равнище на земята в момента на първоначалния контакт с бронята с допустимо отклонение ± 10 mm.

▼B

При определянето на височината на задвижващата система се отчита влиянието на гравитацията по време на свободното движение на удрящия елемент.

В момента на първоначалния контакт удрящият елемент трябва да е в предвиденото направление спрямо своята вертикална ос с допустимо отклонение ± 5° (виж фигура 1), за да може коляновото съединение да функционира нормално.

4.7.

В момента на първоначалния контакт средната линия на удрящия елемент трябва да се удари в избраното място за удар с допустимо отклонение ±10 mm.

4.8.

В момента на първоначалния контакт между удрящия елемент и превозното средство удрящият елемент не трябва да докосва земята или който и да е обект, който не е част от превозното средство.

4.9.

Скоростта на удара на удрящия елемент при удара му в бронята е 11,1 ± 0,2 m/s. Влиянието на гравитацията се взима предвид, ако скоростта на удара се пресмята въз основа на измервания, извършени преди момента на първоначалния контакт.

image

image

ГЛАВА III

Изпитване на удар на макет на горната част на крак с бронята

1.   Приложно поле

Настоящата процедура за изпитване се прилага за изискванията, изложени в точка 2.1, буква б) и точка 3.1, буква б) от приложение I към Регламент (ЕО) № 78/2009.

2.   Общи положения

2.1.

Макетът на горната част на крак, използван като удрящ елемент, се монтира към системата за задвижване с помощта на съединение с ограничител на въртящия момент, за да се избегне повредата на направляващата система от значителни центробежни сили. Направляващата система е снабдена с водачи с нисък коефициент на триене, които не са чувствителни към извъносеви натоварвания, което позволява на макета да се движи само в зададеното направление в момента на удар с превозното средство. Водачите предотвратяват всяко преместване в друга посока, както и завъртането около която и да е ос.

2.2.

Удрящият елемент може да се задвижва от тласкач, който е пневматичен, хидравличен или с механична пружина, или от всяко друго средство, чиято еквивалентна ефективност е доказана.

3.   Спецификации на изпитването

3.1.

Целта на изпитването е да гарантира, че изискванията, предвидени в точка 2.1, буква б) и точка 3.1, буква б) на приложение I към Регламент (ЕО) № 78/2009, са изпълнени.

3.2.

Изпитването се прилага за превозни средства с минимална височина на бронята, равна на или по-голяма от 500 mm.

За превозни средства с минимална височина на бронята, равна и по-голяма от 425 mm и по-малка от 500 mm, производителят може да избере да приложи изпитването, предвидено в глава II.

За превозни средства с минимална височина на бронята, по-малка от 425 mm, се прилага глава II.

3.3.

Изпитванията на удар на макет на горната част на крак с бронята се извършват в местата за изпитване, избрани в глава II, точка 3.3.

4.   Процедура за изпитване

4.1.

Състоянието на превозното средство или на неговата подсистема отговаря на изискванията от глава I.

4.1.1.

Удрящият елемент или поне плътта от пенопласт се съхранява в продължение на поне четири часа в контролирана зона за съхранение със постоянна влажност от 35 процента ±15 процента и постоянна температура от 20 ± 4 °C преди изваждането на удрящия елемент за изпитването. След изваждането от склада удрящият елемент не се излага на условия, различни от съществуващите в изпитната зона.

4.1.2.

Всяко изпитване се извършва до два часа от момента, в който използваният удрящ елемент е изваден от контролираната зона за съхранение.

4.2.

Горната част на макета на крак, който ще се използва за целите на това изпитване, отговаря на описанието в част V, раздел 2.

4.3.

Удрящият елемент трябва да се монтира, задвижва и освобождава, както е посочено в точки 2.1 и 2.2.

4.4.

Посоката на удара е успоредна на оста на превозното средство, а оста на удрящия елемент в момента на първоначалния контакт е вертикална. Допустимото отклонение от тези посоки е ±2°. В момента на първоначалния контакт средната линия на удрящия елемент се намира вертикално по средата между горната базова линия на бронята и долната базова линия на бронята с допустимо отклонение ±10 mm, като вертикалната средна линия на удрящия елемент е позиционирана странично на избраното място за удар с допустимо отклонение ±10 mm.

4.5.

Скоростта на удара на удрящия елемент (макет на горна част на крак) при удара му в бронята трябва да е 11,1 ± 0,2 m/s.

ГЛАВА IV

Изпитване на удар на макет на горната част на крак с предния ръб на капака

1.   Приложно поле

Настоящата процедура за изпитване се прилага за изискванията, изложени в точки 2.2 и 3.2 от приложение I към Регламент (ЕО) № 78/2009.

2.   Общи положения

2.1.

Макетът на горната част на крак, използван като удрящ елемент, трябва да се монтира към системата за задвижване с помощта на съединение с ограничител на въртящия момент, за да се избегне повредата на направляващата система от значителни центробежни сили. Направляващата система е снабдена с водачи с нисък коефициент на триене, които не са чувствителни към извъносеви натоварвания, което позволява на макета да се движи само в зададеното направление в момента на удар с превозното средство. Водачите предотвратяват всяко преместване в друга посока, както и завъртането около която и да е ос.

2.2.

Удрящият елемент може да се задвижва от тласкач, който е пневматичен, хидравличен или с механична пружина, или от всяко друго средство, чиято еквивалентна ефективност е доказана.

3.   Спецификации на изпитването

3.1.

Целта на изпитването е да гарантира, че изискванията, предвидени в точки 2.2 и 2.3 на приложение I към Регламент (ЕО) № 78/2009, са изпълнени.

3.2.

Извършат се най-малко три изпитвания на удар на макет на горната част на крак с предния ръб на капака — едно изпитване в средната една трета и по едно изпитване във всяка от страничните трети на предния ръб на капака в местата, в които вероятността за наранявания е оценена като най-голяма. Точката на удара във всяка трета се избира, ако е възможно, така че изискваната кинетична енергия, определена в точка 4.8, да е по-голяма от 200 J. Изпитванията се извършват с различни типове конструкции, ако те се изменят в различните части на оценяваната зона. Точките, избрани за изпитванията, са на разстояние, не по-малко от 150 mm една от друга и на не по-малко от 75 mm навътре от върховете на определените базови ъгли. Минималните разстояния се определят с помощта на рулетка, опъната по външната повърхност на превозното средство. Положенията, изпитани в лабораториите, се посочват в протокола от изпитването.

3.3.

Всяко стандартно оборудване, монтирано върху предната част на превозното средство, трябва да е на мястото си.

4.   Процедура за изпитване

4.1.

Състоянието на превозното средство или на неговата подсистема отговаря на изискванията от глава I.

4.1.1.

Удрящият елемент или поне плътта от пенопласт се съхранява в продължение на поне четири часа в контролирана зона за съхранение със постоянна влажност от 35 процента ±15 процента и постоянна температура от 20 ± 4 °C преди изваждането на удрящия елемент за изпитването. След изваждането от склада удрящият елемент не се излага на условия, различни от съществуващите в изпитната зона.

4.1.2.

Всяко изпитване се извършва до два часа от момента, в който използваният удрящ елемент е изваден от контролираната зона за съхранение.

4.2.

Горната част на макета на крак, който ще се използва за целите на това изпитване, отговаря на описанието в част V, раздел 2.

4.3.

Макетът на горната част на крак, използван като удрящ елемент, се монтира и задвижва, както е определено в точки 2.1 и 2.2.

4.4.

Макета на горната част на крак, използван като удрящ елемент, е насочен така, че централната линия на задвижващата система и надлъжната ос на удрящия елемент са успоредни на надлъжната вертикална равнина на подложеното на изпитване превозно средство. Допустимото отклонение от тези посоки е ±2°. В момента на първоначалния контакт средната линия на удрящия елемент трябва да съвпада с базовата линия на предния ръб на капака с допустимо отклонение ±10 mm (виж фигура 3) и с избраното място за сблъсък с допустимо странично отклонение ±10 mm.

4.5.

Изискваната скорост на удара, посока на удара и маса на удрящия елемент са определени в указанията на точки 4.7 и 4.8. Допуска се отклонение ± 2 % за скоростта на удара и ± 2° — за посоката на удара. Влиянието на гравитацията се взима предвид, ако скоростта на удара се пресмята въз основа на измервания, извършени в момента на първоначалния контакт. Масата на удрящия елемент се измерва с точност, не по-малка от ± 1 %, ако измерената стойност се различава от изискваната маса, за компенсация се настройва изискваната скорост, както е посочено в точка 4.8.

4.6.

Определяне на формата на превозното средство:

4.6.1.

Положението на горната базова линия на бронята се определя в съответствие с част I.

4.6.2.

Положението на базова линия на предния ръб на капака се определя в съответствие с част I.

4.6.3.

За подложения на изпитване участък от предния ръб на капака височината на предния ръб на капака и за издаването напред на бронята се определят в съответствие с част I.

4.7.

В съответствие с фигури 4 и 5 трябва да се определят изискваната скорост на удара и посоката на удара, като за базови стойности се приемат стойностите, получени за височината на предния ръб на капака и за издаването напред на бронята съгласно точка 4.6.3.

4.8.

Пълната маса на макета на горната част на крак, използван като удрящ елемент, трябва да включва компонентите за задвижването и направляването, които остават закрепени към удрящия елемент в момента на удара, както и допълнителните тежести.

Стойността на масата на горната част на макета на крак се пресмята по следната формула:

M = 2E / V2

където:

М

=

е масата в kg;

Е

=

е енергията на удара в J;

V

=

е скоростта, в m/s.

Изискваната скорост на удара е стойността, определена според точка 4.7, и енергията се определя според фигура 6, като за база се приемат стойностите, получени за височината на предния ръб на капака и за издаването напред на бронята в съответствие с точка 4.6.3.

Масата на удрящия елемент може да се различава от тази стойност с ±10 %, като същевременно изискваната скорост на удара се изменя в съответствие с формулата по-горе, за да се запази същата кинетична енергия.

4.9.

Допълнителните тежести, необходими за привеждане на масата на удрящия елемент в съответствие със стойността, пресметната според точка 4.8, трябва да се закрепят отзад на задната част на удрящия елемент или към компонентите на направляващата система, които остават свързани с удрящия елемент в момента на удара.

image

▼C1

image

▼B

Бележки:

1. Допуска се линейна интерполация между кривите в хоризонтално направление.

2. При стойности под 5,56 m/s изпитването се извършва с 5,56 m/s.

3. При стойности над 11,1 m/s изпитването се извършва с 11,1 m/s.

4. При отрицателни стойности за издаването напред на бронята изпитването се извършва като при нулева стойност за издаването.

5. При стойности за издаването напред на бронята, по-големи от 400 mm, изпитването се извършва като при издаване на бронята, равно на 400 mm.

image



Легенда:

А = издаване напред на бронята 0 mm

В = издаване напред на бронята 50 mm

С = издаване напред на бронята 150 mm

Забележки:

1.  Допуска се линейна интерполация между кривите във вертикално направление.

2.  При отрицателни стойности за издаването напред на бронята

— изпитването се извършва като при нулева стойност за издаването.

3.  При стойности за издаването напред на бронята, по-големи от 150 mm,

— изпитването се извършва като при издаване на бронята равно на 150 mm.

4.  При стойности за височината на предния ръб на капака, по-големи от 1 050 mm,

— изпитването се извършва като при височина на предния ръб на капака от 1 050 mm.

image



Легенда:

А = издаване напред на бронята 50 mm

В = издаване напред на бронята 100 mm

С = издаване напред на бронята 150 mm

D = издаване напред на бронята 250 mm

Е = издаване напред на бронята 350 mm

Забележки:

1.  Допуска се линейна интерполация между кривите във вертикално направление.

2.  При стойности за издаването напред на бронята под 50 mm

— изпитването се извършва като при издаване на бронята равно на 50 mm.

3.  При стойности за височината на предния ръб на капака, по-големи от 1 050 mm,

— изпитването се извършва като при височина на предния ръб на капака от 1 050 mm.

4.  При изисквана кинетична енергия, по-голяма от 700 J,

— изпитването се извършва със стойност 700 J.

5.  При изисквана кинетична енергия, по-малка от или равна на 200 J,

— изпитване не се изисква.

6.  При стойности за издаването напред на бронята, по-големи от 350 mm,

— изпитването се извършва като при издаване на бронята равно на 350 mm.

ГЛАВА V

Изпитване на удар на макет на глава на дете или на възрастен с нисък ръст с горната повърхност на капака

1.   Приложно поле

Настоящата процедура за изпитване се прилага за изискванията, изложени в точка 2.3 от приложение I към Регламент (ЕО) № 78/2009.

2.   Общи положения

2.1.

Макетът на глава, използван като удрящ елемент в изпитванията на удар с горната повърхност на капака, се движи свободно в момента на удара. Удрящият елемент трябва да се освобождава на такова разстояние от превозното средство, че резултатите от изпитването да не се влияят от контакта на удрящия елемент със системата за задвижването при отскачането му назад.

2.2.

Удрящият елемент може да се задвижва от тласкач, който е пневматичен, хидравличен или с механична пружина, или от всяко друго средство, чиято еквивалентна ефективност е доказана.

3.   Спецификации на изпитването

3.1.

Целта на изпитването е да гарантира, че изискванията, предвидени в точка 2.3 на приложение I към Регламент (ЕО) № 78/2009, са изпълнени.

3.2.

Изпитванията, извършвани с макет на глава, използван като удрящ елемент, са насочени към горната повърхност на капака. Трябва да се извършат най-малко осемнадесет изпитвания с всеки удрящ елемент — шест изпитвания в средната една трета и по шест изпитвания във всяка от страничните трети на горната повърхност на капака в местата, в които вероятността за наранявания е оценена като най-голяма. Изпитванията се прилагат към различни типове конструкции, ако те се изменят в различните части на оценяваната зона.

От тези най-малко осемнадесет изпитвания поне дванадесет изпитвания се извършват в зоната „HPC1000“ и поне шест изпитвания се извършват в зоната „HPC2000“, както е определено в точка 3.2.1.

Точките трябва да се избират така, че удрящият елемент да не може да рикошира в горната повърхност на капака преди да се удари силно в предното стъкло или в една от А-колоните.

Точките, избрани за изпитването на удар на макет на глава на дете/възрастен с нисък ръст са раздалечени на не по-малко от 165 mm една от друга на не по-малко от 82,5 mm навътре от определените базови линии на страничните повърхности и на не по-малко от 82,5 mm пред определената базова линия на задната повърхност на капака.

▼M1

Всяка от точките, избрани за изпитването на удар на макет на глава на дете/възрастен с нисък ръст, също така се разполага на не по-малко от 165 mm зад базовата линия на предния ръб на капака или зад разгънатата дължина от 1 000 mm, което от двете е разположено най-напред спрямо избраната точка за изпитване, освен ако в никоя точка от зоната за изпитване в границите на разстояние от 165 mm странично не би била необходима кинетична енергия, по-голяма от 200 J, при изпитването на удар на макет на горната част на крак с предния ръб на капака.

▼B

Минималните разстояния се определят с помощта на рулетка, опъната по външната повърхност на превозното средство. Ако известен брой точки са избрани и останалата зона за изпитване е много малка, за да се изберат други точки на удар, като се спазва минималното изисквано разположение, може да се извършат по-малко от осемнадесет изпитвания. Положенията, изпитани в лабораториите, се посочват в протокола от изпитването.

Техническите служби, отговорни за извършването на изпитванията, обаче провеждат толкова изпитвания, колкото са необходими за гарантиране на съответствието на превозното средство с граничните стойности на критериите за защита на главата (НРС) от 1 000 за зоната „HPC1000“ и от 2 000 — за зоната „HPC2000“, особено в точките, близки до границите между двата типа зони.

3.2.1.

Определяне на зоните „HPC1000“ и „HPC2000“. Производителят трябва да определи зоните от горната повърхност на капака, в които критерият за защита на главата (НРС) не трябва да надвишава 1 000 (зона „HPC1000“) или 2 000 (зона „HPC2000“) в съответствие с изискванията, посочени в точка 2.3 от приложение I към Регламент (ЕО) № 78/2009 (виж фигура 7).

image

3.2.2.

Очертаването на зоната на удара върху горната повърхност на капака, както и на зоната „HPC1000“ и „HPC2000“, трябва да се извършва на базата на чертеж, предоставен от производителя, изобразяващ горната повърхност на превозното средство в равнина, успоредна на нулевата хоризонтална равнина на превозното средство. Производителят предоставя достатъчно координати ×и y за очертаване на зоните върху самото превозно средство, като се има предвид контурът на превозното средство по посока z.

3.2.3.

Зоните „HPC1000“ и „HPC2000“ могат да са съставени от няколко части, като броят на тези части не е ограничен. ►M1  Определянето на зоната на удара се прави спрямо точката на първото съприкосновение на макета на глава с горната повърхност на капака. ◄

3.2.4.

Пресмятането на повърхността на зоната на удара, както и на зоните „HPC1000“ и „HPC2000“, се извършва на базата на проекцията на капака върху хоризонтална равнина, успоредна на нулевата хоризонтална равнина над превозното средство, въз основа на данните от чертежа, предоставен от производителя.

4.   Процедура за изпитване

4.1.

Състоянието на превозното средство или на неговата подсистема отговаря на изискванията на глава I. Постоянната температура на апаратурата и на превозното средство или подсистемата е 20 °С ± 4 °С.

4.2.

Макетът на глава на дете/възрастен с нисък ръст, който ще се използва за целите на това изпитване, отговаря на описанието в част V, раздел 3.

4.3.

Удрящият елемент трябва да се монтира, задвижва и освобождава, както е посочено в точки 2.1 и 2.2.

4.4.

При изпитванията, насочени към задната част на горната повърхност на капака, удрящият елемент не допира предното стъкло или А-колона, преди да се удари в капака.

4.5.

Посоката на удара е по вертикална надлъжна равнина на превозното средство през точката на удара. Допустимото отклонение на тази посока е ± 2°. Ударът трябва да е насочен надолу и назад като при намиращо се на земята превозно средство. При изпитванията, извършвани с макет на глава на дете/възрастен с нисък ръст ъгълът на удара е 50° ± 2° спрямо базовото равнище на земята. Влиянието на гравитацията се взима предвид, ако ъгълът на удара се пресмята въз основа на измервания, извършени в момента на първоначалния контакт.

4.6.

В момента на първоначалния контакт точката на контакт на удрящия елемент се намира в избраната зона на удара с допустимо отклонение от ±10 mm.

4.7.

Скоростта на удрящия елемент при удара му в горната повърхност на капака е 9,7 ± 0,2 m/s.

4.7.1.

Скоростта на удрящия елемент се измерва в дадена точка по време на свободното движение преди удара в съответствие с метода, определен в стандарта ISO 3784:1976. Точността на измерването на скоростта е с отклонение от ±0,01 m/s. Измерената скорост се коригира, като се отчитат всички фактори, които може да окажат влияние върху удрящия елемент между точката на измерването и точката на удара, за да се определи скоростта на удрящия елемент в момента на удара.

4.8.

Различните стойности на времето на ускоряване се записват и се изчислява критерият HIC (критерий за нараняване на главата). Записва се първата точка на контакт с предната конструкция на превозното средство. Записването на резултатите от изпитванията се извършва в съответствие със стандарта ISO 6487:2002.

ГЛАВА VI

Изпитване на удар на макет на глава на възрастен с предното стъкло

1.   Приложно поле

Настоящата процедура за изпитване се прилага за изискванията, изложени в точка 2.4 от приложение I към Регламент (ЕО) № 78/2009.

2.   Общи положения

2.1.

Макетът на глава, използван като удрящ елемент в изпитванията на удар с горната част на предното стъкло, се движи свободно в момента на удара. Удрящият елемент трябва да се освобождава на такова разстояние от превозното средство, че резултатите от изпитването да не се влияят от контакта на удрящия елемент със системата за задвижването при отскачането му назад.

2.2.

Удрящият елемент може да се задвижва от тласкач, който е пневматичен, хидравличен или с механична пружина, или от всяко друго средство, чиято еквивалентна ефективност е доказана.

3.   Спецификации на изпитването

3.1.

Целта на изпитването е да гарантира, че изискванията, предвидени в точка 2.4 на приложение I към Регламент (ЕО) № 78/2009, са изпълнени.

3.2.

Изпитванията с макет на глава на възрастен се извършват върху предното стъкло. Извършат се най-малко пет изпитвания с макет на глава, използван като удрящ елемент в местата, в които вероятността за наранявания е оценена като най-голяма.

▼M1

Точките, избрани за изпитването на макет на глава на възрастен, използван като удрящ елемент върху предното стъкло, са раздалечени на не по-малко от 165 mm една от друга и са разположени на не по-малко от 82,5 mm навътре от границите на комплектованото предно стъкло, включително материала за прозрачно и непрозрачно остъкляване, независимо от зоните на полето на видимост, и поне 82,5 mm пред определената базова линия на задната повърхност на капака или пред разгънатата дължина от 2 100 mm, което от двете е разположено най-напред спрямо избраната точка за изпитване, като се гарантира, че макетът на глава не влиза в съприкосновение с външна структура на шасито (напр. заден ръб на капака, рамената на стъклочистачките) преди първото съприкосновение с предното стъкло (виж фигура 8).

▼B

Минималните разстояния се определят с помощта на рулетка, опъната по външната повърхност на превозното средство. Ако известен брой точки е избран и останалата зона за изпитване е много малка, за да се изберат други точки на удар, като се спазва минималното изисквано разположение, може да се извършат по-малко от пет изпитвания. Положенията, изпитани в лабораториите, се посочват в протокола от изпитването.

4.   Процедура за изпитване

4.1.

Състоянието на превозното средство или на неговата подсистема отговаря на изискванията на глава I. Постоянната температура на апаратурата и на превозното средство или подсистемата е 20 °С ± 4 °С.

4.2.

Макетът на глава на възрастен, който ще се използва за целите на това изпитване, отговаря на описанието в част V, раздел 4.

4.3.

Удрящият елемент се монтира, задвижва и освобождава, както е предвидено в точки 2.1 и 2.2.

4.4.

Посоката на удара е по вертикална надлъжна равнина на превозното средство през точката на удара. Допустимото отклонение на тази посока е ± 2°. Ъгълът на удара е 35° ± 2° надолу и назад спрямо базовото равнище на земята. Влиянието на гравитацията се взима предвид, ако ъгълът на удара се пресмята въз основа на измервания, извършени в момента на първоначалния контакт.

4.5.

В момента на първоначалния контакт точката на първоначалния контакт на удрящия елемент се намира в избраната зона на удара с допустимо отклонение ±10 mm.

4.6.

Скоростта на удрящия елемент при удара му в предното стъкло е 9,7 ± 0,2 m/s.

4.6.1.

Скоростта на удрящия елемент се измерва в дадена точка по време на свободното движение преди удара в съответствие с метода, определен в стандарта ISO 3784:1976. Точността на измерването на скоростта е с отклонение от ±0,01 m/s. Измерената скорост се коригира, като се отчитат всички фактори, които може да окажат влияние върху удрящия елемент между точката на измерването и точката на удара, за да се определи скоростта на удрящия елемент в момента на удара.

4.7.

Различните стойности на времето на ускоряване се записват и се изчислява критерият HIC (критерий за нараняване на главата). Записва се първата точка на контакт с предната конструкция на превозното средство. Записването на резултатите от изпитванията се извършва в съответствие със стандарта ISO 6487:2002.

image

ГЛАВА VII

Изпитване на удар на макет на глава на дете или на възрастен с нисък ръст, или на възрастен с горната повърхност на капака

1.   Приложно поле

Настоящата процедура за изпитване се прилага за изискванията, изложени в точки 3.3 и 3.4 от приложение I към Регламент (ЕО) № 78/2009.

2.   Общи положения

2.1.

Макетите на глава, използвани като удрящ елемент в изпитванията на удар с горната повърхност на капака, се движат свободно в момента на удара. Удрящите елементи се освобождават на такова разстояние от превозното средство, че резултатите от изпитването да не се влияят от контакта на удрящия елемент със системата за задвижването при отскачането му назад.

2.2.

Удрящите елементи може да се задвижват от тласкач, който е пневматичен, хидравличен или с механична пружина, или от всяко друго средство, чиято еквивалентна ефективност е доказана.

3.   Спецификации на изпитването

3.1.

Целта на изпитването е да гарантира, че изискванията, предвидени в точки 3.3 и 3.4 на приложение I към Регламент (ЕО) № 78/2009, са изпълнени.

3.1.1.

Трябва да се извършат най-малко девет изпитвания с всеки удрящ елемент — три изпитвания в средната една трета и по три изпитвания във всяка от страничните трети в областите за изпитване по горната повърхност на капака на макета на глава на дете/възрастен с нисък ръст в местата, в които вероятността за наранявания е оценена като най-голяма. Изпитванията, насочени към предната част на горната повърхност на капака, определена в точка 3.2, се извършват с макет на глава на дете/възрастен с нисък ръст. Изпитванията, насочени към задната част на горната повърхност на капака, определена в точка 3.3, се извършват с макет на глава на възрастен. Изпитванията се прилагат към различни типове конструкции, ако те се изменят в различните части на оценяваната зона и в местата, в които вероятността за наранявания е оценена като най-голяма.

3.2.

Избраните точки за изпитване на макета на глава на дете/възрастен с нисък ръст са:

а) на разстояние една от друга поне 165 mm;

б) поне 82,5 mm навътре от определените базови линии на страничните повърхности;

в) поне 82,5 mm пред определената базова линия на задната повърхност на капака или пред разгънатата дължина от 1 700 mm, което от двете е разположено най-напред спрямо избраната точка за изпитване;

г) поне 82,5 mm зад базовата линия на задната повърхност на капака или зад разгънатата дължина от 1 000 mm, което от двете е разположено най-назад спрямо избраните точки за изпитване.

3.3.

Избраните точки за изпитване на макета на глава на възрастен са:

а) на разстояние една от друга поне 165 mm;

б) поне 82,5 mm навътре от определените базови линии на страничните повърхности;

в) поне 82,5 mm пред определената базова линия на задната повърхност на капака или пред разгънатата дължина от 2 100 mm, което от двете е разположено най-напред спрямо избраната точка за изпитване;

г) поне 82,5 mm зад определената базова линия на предния ръб на капака или зад разгънатата дължина от 1 700mm, което от двете е разположено най-назад спрямо избраната точка за изпитване.

3.3.1.

Точките трябва да се избират така, че удрящият елемент да не може да рикошира в горната повърхност на капака, преди да се удари силно в предното стъкло или в една от А-колоните. Минималните разстояния се определят с помощта на рулетка, опъната по външната повърхност на превозното средство. Ако известен брой точки е избран и останалата зона за изпитване е много малка, за да се изберат други точки на удар, като се спазва минималното изисквано разположение, може да се извършат по-малко от девет изпитвания. Положенията, изпитани в лабораториите, се посочват в протокола от изпитването. Техническите служби, натоварени с извършването на изпитванията, обаче провеждат толкова изпитвания, колкото са необходими за гарантиране на съответствието на превозното средство с граничните стойности на критериите за защита на главата (НРС) от 1 000 за зоната на удар „HPC1 000“ и от 1 700 — за зоната на удар „HPC1700“, особено в точките, близки до границите между двата типа зони.

3.3.2.

Определяне на зоните на удар „HPC1 000“ и „HPC1700“. Производителят трябва да определи зоните на удар от горната повърхност на капака, в които критерият за защита на главата (НРС) не надвишава 1 000 (зона „HPC1000“) или 1 700 (зона „HPC1700“) в съответствие с изискванията, изложени в точка 3.5 от приложение I към Регламент (ЕО) № 78/2009. ►M1  Определянето на зоната на удара се прави спрямо точката на първото съприкосновение на макета на глава с горната повърхност на капака. ◄

image

3.3.3.

Маркирането на зоната на удара върху горната повърхност на капака, както и другите зони на удара трябва да се извършва на базата на чертеж, предоставен от производителя, изобразяващ горната повърхност на превозното средство в равнина, успоредна на равнината, в която е разположено превозното средство. Производителят предоставя достатъчно координати ×и y за очертаване на зоните върху самото превозно средство, като се има предвид контурът на превозното средство по посока z. Зоните „HPC1000“ и „HPC1700“ могат да са съставени от няколко части, като броят на тези части не е ограничен. Пресмятането на повърхността на зоните на удара се извършва на базата на проекцията на капака върху хоризонтална равнина, успоредна на нулевата хоризонтална равнина над превозното средство, въз основа на данните от чертежа, предоставен от производителя.

4.   Процедура за изпитване

4.1.

Състоянието на превозното средство или на неговата подсистема отговаря на изискванията на глава I. Постоянната температура на апаратурата и на превозното средство или подсистемата е 20 °С ± 4 °С.

4.2.

Макетът на глава на дете/възрастен с нисък ръст и на възрастен, които ще се използват за целите на тези изпитвания, отговарят на описанието в част V, раздели 3 и 4.

4.3.

Удрящите елементи се монтират, задвижват и освобождават, както е посочено в точки 2.1 и 2.2.

4.4.

При изпитванията, насочени към задната част на горната повърхност на капака, удрящият елемент не докосва предното стъкло или А-колона, преди да се удари в капака.

4.4.1.

Посоката на удара е по вертикална надлъжна равнина на превозното средство през точката, която се изпитва. Допустимото отклонение на тази посока е ± 2°. Ударът трябва да е насочен надолу и назад като при намиращо се на земята превозно средство. При изпитванията, извършвани с макет на глава на дете, ъгълът на удара трябва да е 50° ± 2° спрямо базовото равнище на земята. При изпитванията, извършвани с макет на глава на възрастен, ъгълът на удара трябва да е 65° ± 2° спрямо базовото равнище на земята. Влиянието на гравитацията се взима предвид, ако ъгълът на удара се пресмята въз основа на измервания, извършени в момента на първоначалния контакт.

4.5.

В момента на първоначалния контакт точката на контакт на удрящия елемент се намира в избраната зона на удара с допустимо отклонение от ±10 mm.

4.6.

Скоростта на удрящия елемент при удара му в горната повърхност на капака трябва да е 9,7 ± 0,2 m/s.

4.6.1.

Скоростта на удрящия елемент се измерва в дадена точка по време на свободното движение преди удара в съответствие с метода, определен в стандарта ISO 3784:1976. Точността на измерването на скоростта е с отклонение от ±0,01 m/s. Измерената скорост се коригира, като се отчитат всички фактори, които може да окажат влияние върху удрящия елемент между точката на измерването и точката на удара, за да се определи скоростта на удрящия елемент в момента на удара.

4.7.

Различните стойности на времето на ускоряване се записват и се изчислява критерият HIC (критерий за нараняване на главата). Записва се първата точка на контакт с предната конструкция на превозното средство. Записването на резултатите от изпитванията се извършва в съответствие със стандарта ISO 6487:2002.

ЧАСТ III

СПЕЦИФИКАЦИИ НА СИСТЕМАТА ЗА ПОДПОМАГАНЕ НА СПИРАЧНОТО УСИЛИЕ (BAS)

1.   Общи положения

Целта на тази част е да гарантира съответствие с изискванията за изпитванията за проверка на системата за подпомагане на спирачното усилие, както се изисква по раздел 4, приложение I към Регламент (ЕО) № 78/2009.

1.1.   Експлоатационни характеристики на системата за подпомагане на спирачното усилие, категория А.

При регистриране на аварийна ситуация от прилагането на сравнително голяма сила върху педала, се намалява допълнителната сила върху педала, която води до пълен цикъл на антиблокиращата спирачна система (ABS) в сравнение със силата върху педала, необходима без действието на системата за подпомагане на спирачното усилие.

Съответствието с това изискване се доказва, ако са спазени разпоредбите на точки 7.1—7.3.

1.2.   Експлоатационни характеристики на системата за подпомагане на спирачното усилие, категория В и категория С.

При регистриране на аварийна ситуация, поне от много бързо натискане на спирачния педал, системата за подпомагане на спирачното усилие повишава налягането, за да се постигне максимална спирачна сила или да се предизвика пълен цикъл на ABS.

Изискванията, изложени в тази точка, са изпълнени, когато са спазени разпоредбите на точки от 8.1—8.3.

2.   За целите на настоящата част се прилагат следните определения:

2.1.

„Система за подпомагане на спирачното усилие, категория А“ е система, която открива аварийна ситуация при спиране въз основа на силата, приложена върху спирачния педал от водача на превозното средство;

2.2.

„Система за подпомагане на спирачното усилие, категория В“ е система, която открива аварийна ситуация при спиране въз основа на скоростта на придвижване на спирачния педал от водача на превозното средство;

2.3.

„Система за подпомагане на спирачното усилие, категория С“ е система, която открива аварийна ситуация при спиране въз основа на редица критерии, един от които е честотата на използване на спирачния педал.

3.   Изисквания

При изпълнението на изпитванията, определени в тази част, се измерват следните променливи:

3.1.

сила върху спирачния педал, Fp, прилагана в центъра на горната повърхност на спирачния педал, по направление, допирателно на дъгата, описвана спрямо оста на спирачния педал;

3.2.

скорост в надлъжно направление на превозното средство, vx;

3.3.

ускорение в надлъжно направление на превозното средство, аx;

3.4.

температура на спирачките, Td, измерена върху работната повърхност на дисковете или барабаните на предните спирачки;

3.5.

налягане в спирачната уредба, Р, където е приложимо;

3.6.

ход на спирачния педал, Sp, измерен в центъра на горната повърхност на педала или в място на спирачния механизъм, където изместването е пропорционално на изместването в центъра на горната повърхност на педала, като е възможно просто калибриране на измерването.

4.   Измервания

4.1.

Изброените в раздел 3 променливи се измерват чрез съответните датчици. Грешката, работните обхвати, методите на филтриране, обработката на данните и други изисквания са описани в стандарт ISO 15037—1:2006.

4.2.

Грешката при измерванията на силата върху педала и температурата на диска е, както следва:



Измерване

Нормален работен обхват на датчиците

Препоръчителна максимална грешка в записите

Сила върху педала

0 до 2 000 N

±10 N

Температура на спирачния диск

0—1 000 °C

±5 °C

Налягане в спирачната уредба (1)

0—20 MPa (1)

±100 kPa (1)

(*)   Прилага се, както е посочено в точка 7.2.5.

4.2.1.

Изисква се честота на снемане на данните от поне 500 Hz.

4.2.2.

Повече информация за обработката на аналоговите и цифровите данни на процедурите на изпитване на системата за подпомагане на спирачното усилие са изложени в допълнение II към настоящата част.

4.2.3.

Може да се разрешат и други методи на измерване, освен посочените, при условие, че с тях се докаже поне еквивалентно ниво на точност на измерванията.

5.   Условия за провеждане на изпитването

5.1.

Натоварване на изпитателното превозно средство:

Превозното средство не трябва да е натоварено. Освен водача, може на предната седалка да има втори човек, който да отбелязва резултатите от изпитването.

6.   Метод на изпитване

6.1.

Описаните в раздели 7 и 8 изпитвания се провеждат с начална изпитателна скорост от 100 ± 2 km/h. Превозното средство се управлява с изпитателна скорост по права линия.

6.2.

Средната температура на предните спирачки се измерва в съответствие с точка 3.4 и се записва преди всяко изпитване, като преди изпитването трябва да е между 65 °C и 100 °C.

6.3.

Изпитването на спирачките се провежда на суха асфалтова изпитателна площадка (път) в съответствие със стандарт ISO 15037—1:1998.

6.4.

За изпитванията моментът на началото на отчитане, t0, се определя като момента, когато усилието върху спирачния педал достигне 20N.

Забележка:

За превозни средства, оборудвани със спирачна уредба, чието действие се усилва от енергиен източник, необходимата сила върху педала зависи от нивото на енергията в устройството за акумулиране на енергия. Поради това е необходимо да се осигури достатъчно количество енергия в началото на изпитването.

7.   Оценка на системата за подпомагане на спирачното усилие, категория А.

Система за подпомагане на спирачното усилие, категория А, отговаря на изискванията, съдържащи се в раздели 7.1 и 7.2.

7.1.   Изпитване 1: Контролно изпитване за определяне на FABS и aABS

7.1.1.

Контролните стойности FABS и aABS се определят в съответствие с описаната в допълнение I процедура.

7.2.   Изпитване 2: За активиране на системата за подпомагане на спирачното усилие

7.2.1.

При регистрирането на аварийно спиране, системите, чувствителни към силата върху педала, показват значително увеличение в съотношението на:

 налягането на спирачния флуид към силата върху педала на спирачката, когато това е разрешено по точка 7.2.5., или

 намаляването на скоростта на превозното средство към силата върху педала на спирачката.

7.2.2.

Експлоатационните изисквания за системата за подпомагане на спирачното усилие, категория А, са спазени, когато може да се определи конкретна характеристика на задействането на педала на спирачката, при която има намаление между 40 % и 80 % в необходимата сила върху педала на спирачката за (FABS – FT) в сравнение с (FABS екстраполирано – FT).

7.2.3.

FT и aT са прагова сила и прагово закъснение (отрицателно ускорение), както е показано на фигура 1. Стойностите на FT и aT се предоставят на техническата служба в момента на подаване на заявлението за одобрение на типа. Стойността на aT е между 3,5 m/s2 и 5,0 m/s2.

7.2.4.

Пусната е права линия от началната точка през точка FT, aT (както е показано на фигура 1а). Стойността на усилието върху педала на спирачката F в точката на пресичане между тази права и хоризонтална права, определена от a = aABS, се определя като FABS, екстраполиран:

image

7.2.5.

Като алтернативен вариант, който може да бъде избран от производителя, в случая с превозни средства с допустима маса над 2 500 kg от категория N1 или M1, преобразувани от превозните средства N1, стойностите на силата върху педала за FT, FABS,min, FABS,max и FABS,екстраполиран могат да се получат от характеристиката на промяната на налягането в спирачната система вместо характеристиката на отрицателното ускорение на превозното средство. Това се измерва при увеличаването на силата върху педала на спирачката.

7.2.5.1.

Налягането, при което започва цикличната работа на ABS, се определя чрез провеждането на пет изпитвания от 100 ± 2 km/h, при които педалът на спирачката се натиска до нивото, при което се задейства ABS, като петте налягания, при които това става, както е определено от отбелязаните стойности на налягането за предните колела, се записват, а междинната стойност се означава с pabs.

7.2.5.2.

Праговото налягане PT се обявява от производителя и съответства на отрицателно ускорение в интервала 2,5—4,5 m/s2.

7.2.5.3.

Фигура 1б се съставя по начина, посочен в точка 7.2.4., но като се използват измерванията на налягането в спирачната система, за да се определят параметрите, определени в точка 7.2.5. по-горе, където:

image

Фигура 1a

Стойности на силата върху педала на спирачката, необходими за постигането на максимално отрицателно ускорение при системата за подпомагане на спирачното усилие, категория А

image

Фигура 1б

Стойности на силата върху педала на спирачката, необходими за постигането на максимално закъснително движение при системата за подпомагане на спирачното усилие, категория А

image

7.3.   Оценка на данните

Наличието на система за подпомагане на спирачното усилие, категория А, е доказано, ако

image

където:

image

както и

image

8.   Оценка на наличието на системата за подпомагане на спирачното усилие, категория В.

Система за подпомагане на спирачното усилие, категория В, отговаря на изискванията, съдържащи се в раздели 8.1 и 8.2 от настоящата част.

8.1.   Изпитване 1: Контролно изпитване за определяне на FABS и aABS

8.1.1.

Контролните стойности FABS и aABS се определят в съответствие с описаната в допълнение I методика.

8.2.   Изпитване 2: За активиране на системата за подпомагане на спирачното усилие

8.2.1.

Превозното средство се движи по права линия с начална изпитвателна скорост, определена в 6.1. Водачът натиска рязко педала в съответствие с фигура 2, симулирайки аварийно спиране, така че се задейства системата за подпомагане на спирачното усилие, а системата ABS действа с максимална ефективност.

8.2.2.

За да се задейства системата за подпомагане на спирачното усилие, педалът на спирачката се натиска, както е определено от производителя на превозното средство. Производителят предоставя на техническата служба изисканата информация за педала на спирачката в момента на подаване на заявлението за одобрение на типа. За целите на одобряването от техническите служби се доказва, че системата за подпомагане на спирачното усилие се задейства при условията, определени от производителя, както следва:

8.2.2.1.

За системи от категория В определението за скоростта на педала се прави, за да се задейства системата за подпомагане на спирачното усилие (напр. скорост на натискане на педала от 9 mm/s по време на определен интервал от време)

8.2.2.2.

За системи от категория С — определение на началните променливи, които оказват влияние върху решението за активиране на системата за подпомагане на спирачното усилие, отношенията между тях и натискането на педала, необходимо за активиране на системата за подпомагане на спирачното усилие за изпитванията, описани в настоящата част.

8.2.3.

След време t = t0 + 0,8 s и докато превозното средство не е намалило скоростта си до 15 km/h, силата върху педала на спирачката се поддържа между FABS, горна стойност и FABS, долна стойност. Където FABS, горна стойност е 0,7 × FABS, а FABS, долна стойност е 0,5 × FABS.

8.2.4.

Счита се, че изискванията са спазени, ако след време t = t0 + 0,8 s, силата върху педала на спирачката пада под FABS, долна стойност, при условие че са спазени изискванията в точка 8.3.

8.3.   Оценяване на данните

Наличието на система за подпомагане на спирачното усилие, категория В, е доказано, ако се поддържа средна стойност на отрицателното ускорение от поне 0,85 × aABS от момента, когато t = t0 + 0,8 s до момента, когато скоростта на превозното средство е намалена на 15 km/h.

Фигура 2

Пример на изпитване 2 на системата за подпомагане на спирачното усилие, категория В.

image

9.   Оценка на наличието на системата за подпомагане на спирачното усилие, категория C.

9.1.

Система за подпомагане на спирачното усилие, категория С, отговаря на изискванията, съдържащи се в точки 8.2 и 8.3.

9.2.

Оценяване на данните

Системата за подпомагане на спирачното усилие, категория С, отговаря на изискванията, съдържащи се в точка 8.3.

Допълнение I

Метод на определяне на FABS и на aABS

1.

Силата върху спирачния педал FABS е минималната сила, която трябва да бъде приложена, за да може дадено превозно средство да достигне до максимална стойност на отрицателно ускорение, което показва, че ABS действа с максимална ефективност. aABS е отрицателното ускорение на дадено превозно средство по време на отрицателно ускорение с активиран ABS, както е определено в точка 7.

2.

Спирачният педал се натиска бавно (без да се задейства системата за подпомагане на спирачното усилие при системи категория В и С), като така се осигурява постоянно нарастване на отрицателното ускорение докато ABS не започне да действа с максимална ефективност (фигура 3).

3.

Максималното отрицателно ускорение се постига в рамките на 2,0 ±0,5 s. Кривата на отрицателното ускорение, снета във функция от времето, е в границите на ±0,5 s от централната линия на зоната на кривата на отрицателното ускорение. В примера от фигура 3 началото е в момента t0 при пресичането на линията aABS на 2 секунди. След постигането на максималното отрицателно ускорение ходът на педала, Sp, трябва да не намалява поне в продължение 1 s. Времето на пълно задействане на системата ABS се определя като времето, за което се постига спирачна сила FABS. Измерването е в рамките на „зоната“ на отклоненията при нарастването на отрицателното ускорение (виж фигура 3).

Фигура 3

Зона на отрицателното ускорение за определянето на FABS и на aABS

image

4.

Провеждат се пет изпитвания в съответствие с изискванията на точка 3. За всяко от тези валидни изпитвания, отрицателното ускорение на превозното средство се нанася като функция от pегистрираната сила върху педала на спирачката. При изчисленията, описани в следващите точки, се вземат само данните, снети при скорост над 15 km/h.

5.

За определянето на aABS и FABS се използва нискочестотен филтър за 2 Hz, както за отрицателното ускорение, така и за силата върху педала.

6.

Петте криви на „отрицателното ускорение във функция от силата върху педала на спирачката“ се осредняват чрез изчисляване на средната стойност на отрицателното ускорение на петте отделни криви на „отрицателното ускорение във функция от силата върху педала на спирачката“ при нараствания от 1 N на усилието върху педала. Резултатът е крива на средната стойност на отрицателното ускорение във функция от силата върху педала на скоростта, отбелязан като „крива maF“ в настоящото допълнение.

7.

Максималната стойност на отрицателното ускорение на превозното средство се определя от „кривата maF“ и се нарича „amax“.

8.

Всички стойности на „кривата maF“, които са над 90 процента от стойността на отрицателното ускорение „amax“ са усреднени. Тази стойност „а“ е отрицателното ускорение „aABS“, упоменато в настоящата част.

9.

Максималната сила върху педала (FABS, min), достатъчна за постигането на отрицателното ускорение aABS, изчислено в точка 7, се определя като стойността на F, съответстваща на a = aABS върху „кривата maF“.

Допълнение II

Обработка на данните за системата за подпомагане на спирачното усилие

1.   Обработка на аналоговите данни

Широчината на честотната лента на цялостната комбинация датчик/система за записване на данни трябва да е не по-малко от 30 Hz.

За да се извърши необходимото филтриране на сигнали, се използват филтри с ниска пропускливост от четвърти ред или по-голям. Широчината на лентата на пропускане (от 0 Hz до честота fo при –3 dB) трябва да е не по-малка от 30 Hz. Грешките за амплитудата трябва да са по-малки от ±0,5 % в съответния честотен интервал от 0 Hz до 30 Hz. Всички аналогови сигнали се обработват с филтри, които имат достатъчно сходни фазочестотни характеристики, за да се гарантира, че разликите във времезакъсненията поради филтрирането са в рамките на допустимата грешка при измерването на времето.

Забележка:

По време на аналоговото филтриране на сигнали с различен честотен спектър може да се появят дефазирания. Следователно за предпочитане е метод за обработка на данните, както е определено в раздел 2.

2.   Обработка на цифровите данни

2.1.   Общи бележки

Подготовката на аналоговите сигнали включва отчитане на намаляването на амплитудата във филтъра и на честотата на снемане на данните с цел избягване на грешки от застъпване на спектрите, изоставанията по фаза и времезакъсненията. От съображения за минимизиране на грешките при цифровизирането по време на снемането на дискретни данни и цифровизирането се включва усилване на сигналите преди снемането на данните. Брой битове за една проба от измерване; брой проби за цикъл; усилватели със запаметяване на нивото; избор на честота на дискретизация. Съображенията за допълнително безфазово цифрово филтриране включват избор на ленти на пропускане и ленти за задържане, както и потискането на допустимите пулсации във всяка от тях; коригиране на закъсненията по фаза. Всеки от тези фактори се отчита с цел постигане на обща относителна грешка при снемането на данните от ±0,5 %.

2.2.   Грешки от налагане на спектрите

За да се избегнат некоригируеми грешки от налагане на спектрите, аналоговите сигнали се филтрират по подходящ начин преди снемането на данни и цифровизирането им. Редът на филтрите и лентата им на пропускане се избират както според необходимата липса на стръмност в съответния честотен обхват, така и според честотата на снемане на данните.

Минималните характеристики на филтъра и честотата на снемане на данните трябва да са такива, че

а) в рамките на съответния честотен интервал от 0 Hz до fmax = 30 Hz затихването да е по-малко от разделителната способност на системата за събиране на данни; както и

б) при 1/2 от честотата на снемане на данните (т.е. честота на „най-високия хармоник в сигнала“ или честота на Найкуист) амплитудите на всички хармоници на сигнала и на шума биват намалени до по-малко от разделителната способност на системата.

За разделителна способност 0,05 %, затихването във филтъра трябва да е по-малко от 0,05 % в честотния интервал между 0 и 30 Hz, като затихването трябва да е над 99,95 % за всички честоти, по-големи от стойността, равняваща се на половината от честотата на снемане на данните (дискретизация).

Забележка:

За филтъра на Бътъруърт затихването се дава като:

image

където:

n е редът на филтъра

fmax е съответният честотен интервал (30 Hz)

fo е честотата на срязване на филтъра

fN е честотата на Найкуист.

За филтър от втори ред

за A = 0,9995:

fo = 2,37 × fmax

за A = 0,0005:

fS, = 2 × (6,69 × fo), където fS, е честотата на снемане на отчетите = 2 × fN.

2.3.   Дефазирания и времезакъснения за филтриране с цел избягване на изкривявания от налагане на спектрите

Прекомерното аналогово филтриране следва да се избягва и всички филтри следва да имат достатъчно сходни фазочестотни характеристики, за да се гарантира, че разликите във времезакъсненията са в рамките на допустимата грешка при времевото измерване. Дефазиранията са особено големи, когато измерваните променливи се умножават, за да дадат нови променливи, защото докато амплитудите се умножават, дефазиранията и съответните времезакъснения се прибавят. Дефазиранията и времезакъсненията се намаляват чрез увеличаване на fo. При известни уравнения, описващи филтрите преди дискретизацията, е практично да се премахне дефазирането в тях и времезакъсненията чрез прости алгоритми, изпълнени в честотната област.

Забележка:

В честотния интервал, в който амплитудночестотните характеристики останат без стръмност, дефазирането Φ във филтъра на Бътъруърт може да бъде изчислено приблизително чрез:

Φ = 81 × (f/f0) градуси за филтър от втори ред

Φ = 150 × (f/f0) градуси за филтър от четвърти ред

Φ = 294 ×(f/f0) градуси за филтър от осми ред

Времезакъснението за филтрите от всички редове е: t = (Φ/360) ×(1/f0)

2.4.   Дискретизация и представяне на данните в цифров вид

При 30 Hz амплитудата на сигнала се променя с до 18 % на милисекунда. За ограничаване на динамичните грешки, причинени от промяната на аналоговите начални данни с 0,1 %, интервалът на дискретизация и на преобразуването в цифров вид трябва да е по-малък от 32 μѕ. Всички двойки или набори от отчети, които ще се сравняват, трябва да се снемат едновременно или в рамките на достатъчно кратък интервал.

2.5.   Изисквания за системата

Системата за данните трябва да има разделителна способност от 12 бита (± 0,05 %) или повече и грешка от 2 най-младши бита (LSB) (± 0,1 %). Филтрите против изкривявания от налагане на спектрите трябва да са от 4 ред или по-висок и съответният интервал за данните fmax трябва да е от 0 Hz до 30 Hz.

За филтри от четвърти ред, горната честота на лентата на пропускане fo (от 0 Hz до честота fo) трябва да е над 2,37 × fmax, когато фазовите грешки се компенсират впоследствие при цифровата обработка на данните, и над 5 × fmax в останалите случаи. За филтри от четвърти ред честотата на снемане на данните fs трябва да е над 13,4 × fo.

ЧАСТ IV

СПЕЦИФИКАЦИИ НА ИЗПИТВАНИЯТА НА СИСТЕМИТЕ ЗА ПРЕДНА ЗАЩИТА

ГЛАВА I

Общи условия

1.   Системата за предна защита като оригинално оборудване, монтирано на превозно средство

1.1.

Системата за предна защита, монтирана на превозното средство, отговаря на условията, посочени в раздел 6 от приложение I към Директива (ЕО) № 78/2009.

1.2.

Превозното средство е в своето нормално положение за движение и или е надеждно закрепено на повдигнати опори, или е в неподвижно състояние върху равна повърхност с включена ръчна спирачка. Изпитваната система за предна защита е монтирана на превозното средство. Спазват се инструкциите на производителя за монтирането на системата за предна защита, които трябва да включват затягане на свързването на всички скрепителни елементи.

1.3.

Всички устройства, проектирани за защита на пешеходците и на другите уязвими участници в движението, изложени на риск, са правилно задействани преди и/или са задействани по време на съответното изпитване. Заявителят демонстрира, че устройствата функционират съобразно своето предназначение, ако превозното средство удари пешеходец или друг уязвим участник в движението по пътищата.

1.4.

Всички компоненти на превозното средство, които биха могли да променят своята форма или положение като „прибиращи се“ фарове и които не са специално предназначени за защита на пешеходците или другите уязвими участници в движението, се намират във форма или са в положение, които техническите служби смятат за най-подходящи за тези изпитвания.

2.   Система за предна защита като отделен технически възел

2.1.

Когато за изпитвания е предоставена само система за предна защита, тя е в състояние да отговори на изискванията, посочени в раздел 6 от приложение I към Регламент (ЕО) № 78/2009, когато е монтирана на типа превозно средство, с който е свързано конкретното одобрение за тип на системата за предна защита като отделен технически възел.

2.2.

Изпитванията може да бъдат проведени или със система за предна защита, монтирана на превозно средство от типа, за който тя е предназначена, или на рамка за изпитване, която стриктно представя съществените външни предни размери на типа превозно средство, за който е предназначена системата за предна защита. Ако при използване на рамка за изпитване системата за предна защита се удари в нея по време на изпитването, изпитването се повтаря, като при това системата за предна защита бъде монтирана на действителния тип превозно средство, за който тя е предназначена. Когато изпитването се провежда със система за предна защита, монтирана на превозно средство, се прилагат условията на раздел 1.

3.   Информация, която следва да се предоставя

3.1.

Всички системи за предна защита, независимо дали са част от типовото одобрение на превозно средство по отношение на оборудването му със система за предна защита или имат одобряване на типа като отделен технически възел, се съпътства с информация относно превозното средство или средства, за които тя е одобрена за монтиране.

3.2.

Всички типово одобрени като отделни технически възли системи за предна защита се съпътстват с подробни инструкции за монтиране, в които се предоставя достатъчно информация, така че компетентно лице да може да я монтира правилно на превозното средство. Инструкциите са на официалния(ите) език(ци) на държавата-членка, в която ще се продава системата за предна защита.

ГЛАВА II

Изпитване на удар на макет на долната част на крак в система за предна защита

1.   Приложно поле

Настоящата процедура за изпитване се прилага за изискванията, определени в точка 5.1.1 от приложение I към Регламент (ЕО) № 78/2009.

2.   Общи положения

2.1.

Макетът на долна част на крак, използван като удрящ елемент в изпитванията на удар със система за предна защита, се движи свободно в момента на удара. Удрящият елемент се освобождава на такова разстояние от превозното средство, че резултатите от изпитването да не се влияят от контакта на удрящия елемент със системата за задвижването при отскачането му назад.

2.2.

Удрящият елемент може да се задвижват от тласкач, който е пневматичен, хидравличен или с механична пружина, или от всяко друго средство, чиято еквивалентна ефективност е доказана.

3.   Спецификации на изпитването

3.1.

Провеждат се минимум три изпитвания на удар на макет на долната част на крак в система за предна защита в точки на изпитване между горната и долната базова линия на системата за предна защита. Точките на изпитване се избират по преценка на изпитващия орган, в които вероятността за наранявания е оценена като най-голяма. Изпитванията се извършват с различни типове конструкции, ако те се изменят в различните части на оценяваната зона. Точките на изпитване, избрани от техническите служби, се указват в протокола от изпитванията.

3.2.

За превозни средства с минимална височина на системата за предна защита от по-малко от 425 mm се прилагат изискванията на настоящото изпитване.

За превозни средства с минимална височина на системата за предна защита, която е равна на или повече от 425 mm и под 500 mm, могат да се прилагат изискванията на глава III по избор на производителя.

За превозни средства с минимална височина на системата за предна защита, равна на или повече от 500 mm, се прилагат изискванията на глава III.

4.   Процедура за изпитване

4.1.

Състоянието на превозното средство или на неговата подсистема отговаря на изискванията от глава I.

4.1.1.

Удрящият елемент или поне плътта от пенопласт се съхранява в продължение на поне четири часа в контролирана зона за съхранение със постоянна влажност от 35 процента ± 15 процента и постоянна температура от 20 ± 4 °C преди изваждането на удрящия елемент за изпитването. След изваждането от склада удрящият елемент не се излага на условия, различни от съществуващите в изпитната зона.

4.1.2.

Всяко изпитване се извършва до два часа от момента, в който използваният удрящ елемент е изваден от контролираната зона за съхранение.

4.2.

Удрящият елемент под формата на макет на долната част на крак е описан в раздел 1 на част V.

4.3.

Удрящият елемент се монтира и задвижва, както е предвидено в точки 2.1 и 2.2.

4.4.

Направлението на удара е в хоризонталната равнина и е успоредно на надлъжната вертикална равнина на системата за предна защита, както е монтирана на превозното средство или на рамката за изпитване. Допустимото отклонение на направлението на вектора на скоростта в хоризонталната и надлъжната равнина е ± 2° в момента на първото съприкосновение.

4.5.

Оста на удрящия елемент е перпендикулярна на хоризонталната равнина с допустимо отклонение ± 2° в напречната и надлъжната равнина. Хоризонталната, надлъжната и напречната равнина са взаимноперпендикулярни (виж фигура 2).

4.6.

Долната част на удрящия елемент е на 25 mm над базовото ниво на замята по време на първоначалното съприкосновение със системата за предна защита (виж фигура 1), с допустимо отклонение ±10 mm.

Когато се установява равнището на системата за задвижване, се има предвид влиянието на гравитацията по време на периода на свободно движение на удрящия елемент.

4.7.

По време на първоначалното съприкосновение удрящият елемент трябва да има предвидената ориентация относно своята вертикална ос с оглед на коректното действие на коляновото съединение, с допустимо отклонение ± 5°.

4.8.

В момента на първоначалното съприкосновение средната линия на удрящия елемент се намира в рамките на ±10 mm отклонение от избраната точка на удар.

4.9.

По време на съприкосновението между удрящия елемент и системата за предна защита удрящият елемент не е в съприкосновение със земята или с който и да е обект, който не е част от системата за предна защита.

4.10.

Скоростта на удара на удрящия елемент при удара му в системата за предна защита е 11,1 ± 0,2 м/сек. Влиянието на гравитацията се взима предвид, ако скоростта на удара се пресмята въз основа на измервания, извършени преди момента на първоначалния контакт.

image

image

ГЛАВА III

Изпитване на удар на макет на горната част на крак в система за предна защита

1.   Приложно поле

1.1.

Настоящата процедура за изпитване се прилага за изискванията, определени в раздел 5.1.2 от приложение I към Регламент (ЕО) № 78/2009.

2.   Общи положения

2.1.

Макетът на горната част на крак, използван като удрящ елемент в изпитвания на система за предна защита, се монтира към системата за задвижване с помощта на съединение с ограничител на въртящия момент, за да се избегне повредата на направляващата система от значителни центробежни сили. Направляващата система е снабдена с водачи с нисък коефициент на триене, които не са чувствителни към извъносеви натоварвания, което позволява на макета да се движи само в зададеното направление в момента на удар с превозното средство. Направляващите елементи не допускат движение в други направления, включително въртене около които и да било други оси.

2.2.

Удрящият елемент може да се задвижва от тласкач, който е пневматичен, хидравличен или с механична пружина, или от всяко друго средство, чиято еквивалентна ефективност е доказана.

3.   Спецификации на изпитването

3.1.

Провеждат се минимум три изпитвания на удар на горната част на макета на крак в система за предна защита в точки на изпитване между горната и долната базова линия на системата за предна защита. Точките на изпитване се избират по преценка на изпитващия орган, в които вероятността за наранявания е оценена като най-голяма. Изпитванията се извършват с различни типове конструкции, ако те се изменят в различните части на оценяваната зона. Точките на изпитване, избрани от изпитващите служби, се указват в протокола от изпитванията.

3.2.

За превозни средства с минимална височина на системата за предна защита от по-малко от 425 mm се прилагат изискванията на глава II.

За превозни средства с минимална височина на системата за предна защита, която е равна на или е повече от 425 mm и под 500 mm, могат да се прилагат изискванията на глава II по избор на производителя.

За превозни средства с минимална височина на системата за предна защита, равна на или по-голяма от 500 mm, се прилагат изискванията за това изпитване.

4.   Процедура за изпитване

4.1.

Състоянието на превозното средство или на неговата подсистема отговаря на изискванията от глава I.

4.1.1.

Удрящият елемент или поне плътта от пенопласт се съхранява в продължение на поне четири часа в контролирана зона за съхранение със постоянна влажност от 35 процента ± 15 процента и постоянна температура от 20 ± 4 °C преди изваждането на удрящия елемент за изпитването. След изваждането от склада удрящият елемент не се излага на условия, различни от съществуващите в изпитната зона.

4.1.2.

Всяко изпитване се извършва до два часа от момента, в който използваният удрящ елемент е изваден от контролираната зона за съхранение.

4.2.

Макетът на горната част на крак като удрящ елемент е описан в раздел 2 на част V.

4.3.

Удрящият елемент се монтира и задвижва, както е посочено в точки 2.1 и 2.2.

4.4.

Направлението на удара е успоредно на надлъжната ос на системата за предна защита, така както е монтирана на превозното средство или на рамката за изпитване, като оста на макета на горната част на крака трябва да е вертикална по време на първото съприкосновение. Допустимото отклонение в тези две посоки е ± 2°. По време на първото съприкосновение централната линия на удрящия елемент преминава през избраната точка за изпитване с допустимо отклонение ±10mm както странично, така и вертикално.

4.5.

Скоростта на удрящия елемент при съприкосновението със системата за предна защита е 11,1 ± 0,2 m/s.

ГЛАВА IV

Изпитване на удар на макет на горната част на крак в предния ръб на системата за предна защита

1.   Приложно поле

1.1.

Настоящата процедура за изпитване се прилага за изискванията, определени в раздел 5.2 от приложение I към Регламент (ЕО) № 78/2009.

2.   Общи положения

2.1.

Макетът на горната част на крак, използван като удрящ елемент в изпитвания на предния ръб на системата за предна защита, се монтира към системата за задвижване с помощта на съединение с ограничител на въртящия момент, за да се избегне повредата на направляващата система от значителни центробежни сили. Направляващата система е снабдена с водачи с нисък коефициент на триене, които не са чувствителни към извъносеви натоварвания, което позволява на макета да се движи само в зададеното направление в момента на удар с превозното средство. Направляващите елементи не допускат движение в други направления, включително въртене около които и да са други оси.

2.2.

Удрящите елементи може да се задвижват от тласкач, който е пневматичен, хидравличен или с механична пружина, или от всяко друго средство, чиято еквивалентна ефективност е доказана.

3.   Спецификации на изпитването

3.1.

Провеждат се минимум три изпитвания на базовата линия на предния ръб на системата за предна защита в точки, в които вероятността за наранявания е оценена от изпитващите органи като най-голяма. Изпитванията се извършват с различни типове конструкции, ако те се изменят в различните части на оценяваната зона. Точките на изпитване, избрани от изпитващите служби, се указват в протокола от изпитванията.

4.   Процедура за изпитване

4.1.

Състоянието на превозното средство или на неговата подсистема отговаря на изискванията от глава I.

4.1.1.

Удрящият елемент или поне плътта от пенопласт се съхранява в продължение на поне четири часа в контролирана зона за съхранение със постоянна влажност от 35 процента ± 15 процента и постоянна температура от 20 ± 4 °C преди изваждането на удрящия елемент за изпитването. След изваждането от склада удрящият елемент не се излага на условия, различни от съществуващите в изпитната зона.

4.1.2.

Всяко изпитване се извършва до два часа от момента, в който използваният удрящ елемент е изваден от контролираната зона за съхранение.

4.2.

Макетът на горната част на крак като удрящ елемент е описан в раздел 2 на част V.

4.3.

Удрящият елемент се монтира и задвижва както е посочено в точки 2.1 и 2.2.

4.4.

Удрящият елемент е позициониран по такъв начин, че централната линия на системата за задвижване и надлъжната ос на удрящия елемент да са успоредни на надлъжната ос на системата за предна защита, така както е монтирана на превозното средство или на рамката за изпитване. Допустимото отклонение от тези посоки е ±2°. По време на първото съприкосновение централната линия на удрящия елемент преминава през избраната точка на съприкосновение с допустимо отклонение ±10 mm (виж фигура 3), а допустимото странично отклонение е ±10 mm.

4.5.

Изискваната скорост при удара, ъгълът на удара и масата на удрящия елемент са определени в съответствие с точки 4.6 и 4.8.1. Допустимото отклонение на скоростта при удара е ±2 % и допустимото отклонение на посоката на удара е ±2°. Ефектът на гравитацията се отчита преди момента на първото съприкосновение. Масата на удрящия елемент е измерена с точност до ± 1 %, и ако измерената стойност се различава от изискваната стойност, за компенсация се променя изискваната скорост в съответствие с точка 4.8.1.

4.6.

Изискваната скорост при удара и ъгълът на удара се определят от фигури 4 и 5, като се отчита вертикалната височина на избраната точка за нанасяне на удар в базовата линия на предния ръб на системата за предна защита и в издадената част на системата за предна защита.

4.7.

Необходимата енергия за изпитването на удрящия елемент се определя чрез справка с фигура 6.

4.8.

Общата маса на удрящия елемент включва тези задвижващи и направляващи компоненти, които ефективно са част от удрящия елемент по време на удара, включително допълнителните тежести.

4.8.1.

Необходимата стойност на масата на удрящия елемент при изпитването се изчислява със следната формула:

M = 2E / V2

където

М

=

е пресмятаната маса, в kg

Е

=

е енергията на удара, в J

V

=

е скоростта, в m/s.

Необходимата скорост е стойността, получена в точка 4.6, а енергията се получава от фигура 6, като се имат предвид стойностите на височината на предния ръб на системата за предна защита и на издаването напред на системата за предна защита по вертикалната надлъжна ос през желаната точка на удара.

Масата на удрящия елемент може да бъде коригирана в сравнение с изчислената стойност с ±10 %, при условие че изискваната скорост при удара бъде също променена, като се използва горната формула с оглед да се запази изискваната кинетична енергия на удрящия елемент.

4.9.

Допълнителните тежести, необходими за привеждане на масата на удрящия елемент — макет на горната част на крак, в съответствие със стойността, пресметната според точка 4.8.1, трябва да се закрепят отзад на задната част на удрящия елемент или към компонентите на направляващата система, които остават свързани с удрящия елемент в момента на удара.

image

▼C1

image

▼B

Бележки:

1. Допуска се линейна интерполация между кривите в хоризонтално направление.

2. При стойности под 5,56 m/s изпитването се извършва с 5,56 m/s.

3. При стойности над 11,1 m/s изпитването се извършва с 11,1 m/s.

4. При отрицателни стойности за издаването напред на СПЗ, изпитването се извършва като при нулева стойност за издаването.

5. При стойности за издаването на СПЗ, по-големи от 400 mm, изпитването се извършва като при издаване, равно на 400 mm.

image



Легенда:

А = издаване напред на СПЗ 0 mm

В = издаване напред на СПЗ 50 mm

С = издаване напред на СПЗ 150 mm

Бележки:

1.  Допуска се линейна интерполация между кривите във вертикално направление.

2.  При отрицателни стойности за издаването напред на СПЗ

— изпитването се извършва като при нулева стойност за издаването.

3.  При стойности за издаването напред на СПЗ,

— по-големи от 150 mm, изпитването се извършва като при издаване на СПЗ, равно на 150 mm.

4.  При стойности на височината на точките на удара, по-големи от 1 050 mm,

— изпитването се извършва като при височина от 1 050 mm.

image



Легенда:

А = издаване напред на СПЗ 50 mm

В = издаване напред на СПЗ 100 mm

С = издаване напред на СПЗ 150 mm

D = издаване напред на СПЗ 250mm

Е = издаване напред на СПЗ 350 mm

Забележки:

1.  Допуска се линейна интерполация между кривите във вертикално направление.

2.  При стойности за издаването напред на СПЗ, по-малки от 50 mm, изпитването се извършва като при издаване на бронята, равно на 50 mm.

3.  При стойности за издаването напред на СПЗ, по-големи от 350 mm, изпитването се извършва като при издаване на бронята, равно на 350 mm.

4.  При стойности на височината на точките на удара, по-големи от 1 050 mm, изпитването се извършва като при височина, равна на 1 050 mm.

5.  При необходима кинетична енергия, по-голяма от 700 J, изпитването се извършва със стойност 700 J.

6.  При необходима кинетична енергия, равна на или по-малка от 200 J, изпитването се извършва със стойност 200 J.

ГЛАВА V

Изпитване на удар на макет на глава на дете/възрастен човек с нисък ръст в системата за предна защита

1.   Приложно поле

1.1.

Настоящата процедура за изпитване се прилага за изискванията, изложени в точка 5.3 от приложение I към Регламент (ЕО) № 78/2009.

2.   Общи положения

2.1.

Макетът на глава на дете/възрастен човек с нисък ръст, използван като удрящ елемент в изпитванията на удар със система за предна защита, се движи свободно в момента на удара. Удрящият елемент се освобождава на такова разстояние от превозното средство, че резултатите от изпитването да не се влияят от контакта на удрящия елемент със системата за задвижването при отскачането му назад.

2.2.

Удрящите елементи може да се задвижват от тласкач, който е пневматичен, хидравличен или с механична пружина, или от всяко друго средство, чиято еквивалентна ефективност е доказана.

3.   Спецификации на изпитването

3.1.

Провеждат се минимум три изпитвания на удар на макет на глава на дете/възрастен човек с нисък ръст в точки, за които изпитващите лаборатории считат, че вероятността за наранявания е най-голяма. Изпитванията се извършват с различни типове конструкции, ако те се изменят в различните части на оценяваната зона. Точките на изпитване, избрани от техническите служби, се указват в протокола от изпитванията.

3.2.

Точките на изпитване при удар на макет на глава на дете/възрастен човек с нисък ръст, използван като удрящ елемент, се избират на части от системата за предна защита, за които разгърнатата дължина надхвърля 900 mm при превозно средство в нормално положение за движение или когато системата за предна защита е монтирана на рамка за изпитване, представяща превозното средство, към което е предвидено тя да бъде монтирана, както при нормално положение за движение.

4.   Процедура за изпитване

4.1.

Състоянието на превозното средство или на неговата подсистема отговаря на изискванията от глава I на тази част. Постоянната температура на изпитвателното оборудване и на превозното средство или на отделния технически възел е 20° ± 4°С.

4.2.

Удрящият елемент под формата на макет на глава на дете/възрастен с нисък ръст е описан в раздел 3 на част V.

4.3.

Удрящият елемент се монтира и задвижва, както е посочено в точки 2.1 и 2.2.

4.4.

Посоката на удара е по вертикална надлъжна равнина през системата за предна защита през точката, която се изпитва. Допустимото отклонение на тази посока е ± 2°. Посоката на удара е напред и назад под ъгъл от 50° ± 2° спрямо базовото ниво на земята. Влиянието на гравитацията се взима предвид, ако ъгълът на удара се пресмята въз основа на измервания, извършени в момента на първоначалния контакт.

4.5.

В момента на първото съприкосновение точката на първото съприкосновение на удрящия елемент е в рамките на ±10 mm допустимо отклонение от избраната точка на удар.

4.6.

Скоростта на удара на удрящия елемент в точката на изпитване е 9,7 ± 0,2 m/s.

4.6.1.

Скоростта на удрящия елемент се измерва в дадена точка по време на свободното движение преди удара в съответствие с метода, определен в стандарта ISO 3784:1976. Точността на измерването на скоростта е с отклонение от ±0,01 m/s. Измерената скорост се коригира, като се отчитат всички фактори, които може да окажат влияние върху удрящия елемент между точката на измерването и точката на удара, за да се определи скоростта на удрящия елемент в момента на удара.

4.7.

Различните стойности на времето на ускоряване се записват и се изчислява критерият HIC (критерий за нараняване на главата). Записва се първата точка на контакт с предната конструкция на превозното средство. Записването на резултатите от изпитванията се извършва в съответствие със стандарта ISO 6487:2002.

ЧАСТ V

УДРЯЩИ ЕЛЕМЕНТИ В ИЗПИТВАНИЯТА

1.   Макет на долната част на крак

1.1.

Макетът на долната част на крак, използван като удрящ елемент, се състои от две твърди части, покрити с пенопласт, представляващи бедрото (горната част на крака) и пищяла (долната част на крака), съединени чрез изкуствено деформируемо коляново съединение. Цялата дължина на удрящия елемент е 926 ± 5 mm, в съответствие с фигура 1.

Дължината на бедрото и пищяла е съответно 432 mm и 494 mm от центъра на коляното.

Центровете на тежестта на бедрото и пищяла са разположени на разстояния съответно 217 ± 10 mm и 233 ± 10 mm спрямо центъра на коляното.

Направляващите елементи, ролките и другите елементи, закрепени към удрящия елемент за неговото задвижване, могат да променят размерите, показани на фигура 1 с изключение на местоположението на центъра на тежестта.

1.2.

Диаметрите на бедрото и на пищяла е 70 ± 1 mm и те трябва да са покрити с „плът“ и кожа от пенопласт. Плътта се състои от пенопласт Confor™ тип CF-45 с дебелина 25 mm или от еквивалентен материал. Кожата е с обща дебелина 6 mm и е съставена от неопренов пенопласт, покрит от двете страни с найлонов плат с дебелина 0,5 mm.

1.3.

Масата на бедрото е 8,6 ± 0,1 kg, тази на пищяла е 4,8 ± 0,1 kg, а цялата маса на макета на крак е 13,4 ± 0,2 kg.

1.4.

Инерционните моменти на бедрото и на пищяла спрямо хоризонтална ос, преминаваща през съответния център на тежестта и перпендикулярна на посоката на удара, трябва да бъдат съответно 0,127 ± 0,010 kgm2 и 0,120 ± 0,010 kgm2.

1.5.

Поставят се датчици за измерване на ъгъла на сгъване на коляното и на изместването при срязването. Едноосовият акселерометър се поставя върху страната на пищяла, с която не се нанася удара, на разстояние 66 ± 5 mm от центъра на коляното, с чувствителната ос, насочена по посока на удара.

1.6.

Системата за преместването при срязването е съоръжена с амортисьор, който може да се монтира към всяка точка от задната страна или във вътрешността на удрящия елемент. Характеристиките на амортисьора са такива, че удрящият елемент да удовлетворява статичните и динамичните изисквания към преместването при срязването и да предотвратява подлагането на системата за преместването при срязването на много силни вибрации.

1.7.

Стойността на реакцията CFC (честотен клас на измервателната верига) на измервателната верига, така както е дефинирана в стандарта ISO 6487:2002, е 180 за всички датчици. Стойностите на реакцията САC (клас за амплитуда на канала) на измервателната верига, така както са дефинирани в стандарта ISO 6487:2002, са 50° за ъгъла на сгъване на коляното, 10 mm за преместването при срязване и 500 mm за ускорението. Това не означава, че самият удрящ елемент трябва да е физически способен да възпроизведе сгъване и срязване, съответстващи на посочените ъгли и премествания.

1.8.

Удрящият елемент отговаря на изискванията към сертифицирането му, изброени в раздел 2 на допълнение I, и е съоръжен с елементи на коляновото съединение от същата партида, както използваните при сертифицирането.

1.8.1.

За всяко ново изпитване удрящият елемент е покрит с нов пенопласт, срязан от един от най-много четири последователни слоя от листове пенопласт Confor™ или еквивалентен материал, изработени от една и съща производствена партида (изрязани от един блок или топка пенопласт), като при това пенопластът на един от тези листове е бил използван при динамичното изпитване за сертифициране и отделните маси на тези листове се отклоняват с не повече от ±2 % от масата на листа, използван за сертифициране.

1.8.2.

Удрящият елемент или поне плътта от пенопласт се съхранява в продължение на поне четири часа в контролирана зона за съхранение със постоянна влажност от 35 процента ± 15 процента и постоянна температура от 20 ± 4 °C преди изваждането на удрящия елемент за калибрирането. След изваждането от склада удрящият елемент не се излага на условия, различни от съществуващите в изпитната зона.

1.8.3.

Всяко изпитване се извършва до два часа от момента, в който използваният удрящ елемент е изваден от контролираната зона за съхранение.

1.9.

Сертифицираният удрящ елемент може да бъде използван не повече от 20 пъти, преди отново да бъде сертифициран. При всяко изпитване се използват нови елементи за деформируемото коляно.

Удрящият елемент трябва също да бъде сертифициран отново, ако от предишното сертифициране е изминала повече от една година или изходящите сигнали на който и да е от датчиците при какъвто и да е удар надвишават определената стойност за САС или са достигнали механичните гранични стойности на капацитета за деформация на удрящия елемент във формата на макет на крак.

image

2.   Макет на горната част на крака

2.1.

Макетът на горната част на крак, използван като удрящ елемент, е твърда част, покрита с пенопласт от страната на удара, с дължина 350 ± 5 mm и отговарящ на фигура 2.

Разстоянието между средните линии на датчиците за усилие трябва да е 310 ± 1 mm, а диаметърът на челната част е 50 ± 1 mm.

2.2.

Съединението с ограничител на въртящия момент се закрепва така, че надлъжната ос на челната част да е перпендикулярна на оста на направляващата система с допустимо отклонение ± 2°, а триещият въртящ момент е регулиран на 675 ± 25 Nm.

2.3.

Центърът на тежестта на частите на удрящия елемент, разположени пред съединението с ограничителя на момента, включително евентуалните тежести, се разполага върху надлъжната линия на удрящия елемент с допустимо отклонение ±10 mm.

2.4.

Пълната маса на макета на горната част на крак, използван като удрящ елемент, включително компонентите за задвижването и направляването, които остават закрепени към удрящия елемент, е 9,5 kg ± 0,1.

Пълната маса на челната част и на другите компоненти, разположени пред местата за монтиране на датчиците за усилие, прибавена към масата на частите и техните скрепителни елементи, разположени пред активните елементи, с изключение на пенопласта и кожата, е 1,95 ± 0,05 kg.

2.5.

Поставят се два датчика за измерване поотделно на силите, приложени във всеки край на челната част на макета на горната част на крак, който е удрящ елемент.

2.6.

Три тензодатчици се поставят върху удрящия елемент за измерване на огъващите моменти в три точки на челната част, както е показано на фигура 2, като за всеки от тях се използва отделен канал. Двата външни тензодатчика се разполагат на разстояние 50 ± 1 mm от едната и от другата страна на оста на симетрия на удрящия елемент. Централният тензодатчик се разполага върху оста на симетрия на удрящия елемент с допустимо отклонение ± 1 mm.

2.7.

Стойността на реакцията CFC (честотен клас на измервателната верига) на измервателната верига, така както е дефинирана в стандарта ISO 6487:2002, е 180 за всички датчици. Стойностите на реакцията на класа за амплитуда на канала (САC), така както са дефинирани в стандарта ISO 6487:2002, са 10 kN за силовите датчици и 1 000 Nm за измерванията на огъващите моменти.

2.8.

Макетът на горната част на крак, използван като удрящ елемент, отговаря на изискванията за сертифициране, изброени в раздел 3 на допълнение I. Частта се покрива от пенопласт, изрязан от листа материал, който е бил използван при динамичното изпитване за сертифициране.

2.9.

За всяко изпитване плътта се състои от два нови листа пенопласт ConforTM, тип CF-45 или еквивалентен материал с дебелина 25 mm. Кожата трябва да е от каучуков слой, усилен с нишки с дебелина 1,5 mm. Комплектът от пенопласта и кожата (с изключение на всеки елемент за усилване, монтиране и т.н., използван за закрепване на краищата на кожата отзад на частта) е с маса 0,6 ± 0,1 kg.

Пенопластът и каучукът трябва да се огънат зад частта, като кожата се закрепи към задната част на частта с помощта на обтегачи, които да поддържат страните й успоредни.

Големината и формата на пенопласта позволяват между пенопласта и компонентите, разположени зад челната част, да се образува едно пространство, достатъчно за избягването на зони на значителни усилия между тях.

2.9.1.

Удрящият елемент или поне плътта от пенопласт се съхранява в продължение на поне четири часа в контролирана зона за съхранение с постоянна влажност от 35 процента ± 15 процента и постоянна температура от 20 ± 4 °C преди изваждането на удрящия елемент за калибрирането. След изваждането от склада удрящият елемент не се излага на условия, различни от съществуващите в изпитната зона.

2.9.2.

Всяко изпитване се извършва до два часа от момента, в който използваният удрящ елемент е изваден от контролираната зона за съхранение.

2.10.

Сертифицираният удрящ елемент може да се използва не повече от 20 пъти, преди отново да бъде сертифициран (това ограничение не се прилага към компонентите за задвижване или направляване).

Удрящият елемент трябва също да бъде сертифициран отново, ако от предишното сертифициране е изминала повече от една година или изходящите сигнали на който и да е от датчиците за удар при който и да е удар надвишават определената стойност за САС.

image

3.   Удрящ елемент под формата на макет на глава на дете/възрастен с нисък ръст

3.1.

Макетът на глава на дете или на възрастен с нисък ръст, използван като удрящ елемент е твърда сфера от алуминий, покрита с изкуствена кожа, и съответстваща на фигура 3 от настоящата част. Нейният диаметър е 165 ± 1 mm, както е показано на фигурата. Пълната маса на удрящия елемент, включително инструментите, е 3,5 ± 0,07 kg.

3.2.

Поне половината от повърхността на сферата е покрита с изкуствена кожа с дебелина 14,0 ± 0,5 mm.

3.3.

Центърът на тежестта на макета на глава, включително измервателната верига, е разположен в центъра на сферата с допустимо отклонение ± 2 mm. Инерционният момент спрямо ос, преминаваща през центъра на тежестта и перпендикулярна на посоката на удара, е в обхвата между 0,008 и 0,012 kgm2.

3.4.

Кухина в сферата позволява монтирането на един триосов акселерометър или на три едноосови акселерометри с отклонение спрямо мястото на сеизмичната маса в рамките на ±10 mm от центъра на сферата за измервателната ос и с отклонение спрямо мястото на сеизмичната маса в рамките на ±1 mm от центъра на сферата за перпендикулярната посока към измервателната ос. Акселерометрите са разположени в съответствие с точки 3.4.1 и 3.4.2.

3.4.1.

Ако се използват три едноосови акселерометри, оста на максималната чувствителност на един от акселерометрите трябва да е перпендикулярна на монтажната повърхност А (фигура 3) и неговата сеизмична маса трябва да е разположена в цилиндрично пространство с радиус 1 mm и дължина 20 mm. Средната линия на това пространство е перпендикулярна на монтажната повърхност и неговата средна точка съвпада с центъра на сферата.

3.4.2.

Осите на максималната чувствителност на останалите акселерометри трябва да са взаимно перпендикулярни и успоредни на монтажната повърхност А. Тяхната сеизмична маса трябва да е разположена в сферично пространство с радиус 10 mm. Центърът на това пространство съвпада с центъра на сферата.

3.5.

Стойността на реакцията CFC (честотен клас на измервателната верига) на измервателната верига, така както е дефинирана в стандарта ISO 6487:2002, е 1 000. Стойността на реакцията на класа за амплитуда на канала (САC), така както е дефинирана в стандарта ISO 6487:2002, трябва да е 500 g. за ускорението.

3.6.

Удрящият елемент отговаря на критериите за натоварване, посочени в раздел 4 на допълнение I. Сертифицираният удрящ елемент може да се използва максимум 20 пъти преди отново да бъдат сертифицирани. Удрящият елемент се удостоверява отново, ако от предишното сертифициране е изминала повече от една година или изходящите сигнали на някой от датчиците за удар при който и да е удар надвишават определените стойности за САС.

▼M1

3.7.

Първата естествена честота на удрящия елемент е над 5 000 Hz, като се препоръчва използването на коефициент на затихване приблизително 0,7.

▼B

image

4.   Макет на глава на възрастен

4.1.

Макетът на глава на възрастен, използван като удрящ елемент е твърда сфера от алуминий, покрита с изкуствена кожа, и съответстваща на фигура 4. Нейният диаметър е 165 ± 1 mm, както е показано на фигурата.

4.1.1.

За целите на изпитването на съответствието с част II, глава VI пълната маса на удрящия елемент, включително измервателната верига, е 4,8 ± 0,1 kg.

4.1.2.

За целите на изпитването на съответствието с част II, глава VII пълната маса на удрящия елемент, включително измервателната верига, е 4,5 ± 0,1 kg.

4.2.

Поне половината от повърхността на сферата е покрита с изкуствена кожа с дебелина 14,0 ± 0,5 mm.

4.3.

Центърът на тежестта на макета на глава, включително измервателната верига, е разположен в центъра на сферата с допустимо отклонение ± 5 mm. Инерционният момент спрямо ос, преминаваща през центъра на тежестта и перпендикулярна на посоката на удара, е в обхвата между 0,010 и 0,013 kgm2.

4.4.

Кухина в сферата позволява монтирането на един триосов акселерометър или на три едноосови акселерометри с отклонение спрямо мястото на сеизмичната маса в рамките на ±10 mm от центъра на сферата за измервателната ос и с отклонение спрямо мястото на сеизмичната маса в рамките на ±1 mm от центъра на сферата за перпендикулярната посока към измервателната ос. Акселерометрите са разположени в съответствие с предписанията на точки 4.4.1 и 4.4.2.

4.4.1.

Ако се използват три едноосови акселерометри, оста на максималната чувствителност на един от акселерометрите трябва да е перпендикулярна на монтажната повърхност А (фигура 4) и неговата сеизмична маса трябва да е разположена в цилиндрично пространство с радиус 1 mm и дължина 20 mm. Средната линия на това пространство е перпендикулярна на монтажната повърхност и неговата средна точка съвпада с центъра на сферата.

4.4.2.

Осите на максималната чувствителност на останалите акселерометри трябва да са взаимно перпендикулярни и успоредни на монтажната повърхност А. Тяхната сеизмична маса трябва да е разположена в сферично пространство с радиус 10 mm. Центърът на това пространство съвпада с центъра на сферата.

4.5.

Стойността на реакцията CFC (честотен клас на измервателната верига) на измервателната верига, така както е дефинирана в стандарта ISO 6487:2002, е 1 000. Стойността на реакцията на класа за амплитуда на канала (САC), така както е дефинирана в стандарта ISO 6487:2002, трябва да е 500 g за ускорението.

4.6.

Удрящият елемент отговаря на критериите за сертифициране, посочени в раздел 4 на допълнение I. Сертифицираният удрящ елемент може да се използва максимум 20 пъти преди отново да бъдат сертифицирани. Удрящият елемент се удостоверява отново, ако от предишното сертифициране е изминала повече от една година или изходящите сигнали на някой от датчиците за удар при който и да е удар надвишават определените стойности за САС.

▼M1

4.7.

Първата естествена честота на удрящия елемент е над 5 000 Hz, като се препоръчва използването на коефициент на затихване приблизително 0,7.

▼B

image

Допълнение I

Сертифициране на удрящите елементи

1.   Изисквания при сертифициране

1.1.

Удрящите елементи, използвани при изпитванията, описани в част II и част IV, трябва да отговарят на критериите за натоварване, които са приложими към тях.

Изискванията към макета на долната част на крак, използван като удрящ елемент, са определени в раздел 2; изискванията към макета на горната част на крак, използва като удрящ елемент, са определени в раздел 3 и изискванията към макетите на глави на възрастен, на дете и на възрастен с нисък ръст, използвани като удрящ елемент, са определени в раздел 4.

2.   Макет на долната част на крака

2.1.   Статични изпитвания

2.1.1.

Макетът на долната част на крак, използван като удрящ елемент, отговаря на критериите, изброени в точка 2.1.2, когато изпитванията се извършват според указанията на точка 2.1.4, и на критериите, изброени в точка 2.1.3, когато изпитванията се извършват според указанията на точка 2.1.5.

При двата типа изпитвания удрящият елемент е насочен по предвидената посока спрямо своята надлъжна ос с допустимо отклонение ± 2°, за да може коляновото съединение да функционира правилно.

Постоянната температура на удрящия елемент по време на изпитването за сертифициране е 20 ± 2 °C.

Стойностите на реакцията САC, така както са дефинирани в стандарта ISO 6487:2002, са: 50° за ъгъла на сгъване на коляното и 500 N за приложената сила, когато удрящият елемент е подложен на огъване съгласно точка 2.1.4; 10 mm за преместването при срязване и 10 kN за приложената сила, когато удрящият елемент е подложен на срязване съгласно точка 2.1.5. При двата вида изпитване се допуска подходящо филтриране на ниските честоти, за да се отстранят шумовете с по-висока честота, без да се влияе значително върху измерването на реакцията на удрящия елемент.

2.1.2.

Когато удрящият елемент е подложен на огъване съгласно точка 2.1.4, отношението приложена сила/ъгъл на сгъване се намира в границите, посочени на фигура 1. Енергията, необходима за получаване на сгъване от 15,0°, е 100 ± 7 J.

2.1.3.

Когато удрящият елемент е подложен на срязване съгласно точка 2.1.5, отношението приложена сила/ъгъл на сгъване се намира в границите, посочени на фигура 2.

2.1.4.

Макетът на крак, без пенопласта и кожата, се монтира така, че пищялът се поддържа здраво в захващащо приспособление, закрепено към хоризонтална повърхност, а бедрото се вкарва плътно в метална тръба, както е показано на фигура 3. Оста на въртене на удрящия елемент, който е коляново съединение, е вертикална. За да се избегнат грешки от триенето, бедрото и металната тръба не се опират на никаква опора. Огъващият момент, приложен към центъра на коляновото съединение, от теглото на металната тръба и другите компоненти (с изключение на самия макет на крак) не е по-голям от 25 Nm.

Сила, перпендикулярна на хоризонталата, се прилага към металната тръба на разстояние 2,0 ±0,01 m от центъра на коляновото съединение и полученият ъгъл на огъване на коляното се записва. Натоварването се увеличава по такъв начин, че степента на увеличение на ъгъла на отклонение е между 1 и 10°/s, докато ъгълът на отклонение на коляното надмине 22°. Позволени са кратки отклонения от тези стойности, дължащи се, например, на употреба на ръчна помпа.

Енергията се пресмята, като силата се интегрира по отношение на ъгъла на сгъване в радиани и резултатът се умножава по дължината на лоста, която е 2,0 ±0,01 m.

2.1.5.

Макетът на крак, без пенопласта и кожата, се монтира така, че пищялът се поддържа здраво в захващащо приспособление, закрепено към хоризонтална повърхност, а бедрото да се вкара плътно в метална тръба, която е обездвижена с помощта на поддържащо приспособление, разположено на разстояние 2,0 m от центъра на коляновото съединение, както е показано на фигура 4.

Сила, перпендикулярна на хоризонталата, трябва да се приложи към металната тръба на разстояние 50 mm от центъра на коляновото съединение и полученото преместване на бедрото се записва. Натоварването се увеличава по такъв начин, че увеличението при преместването при срязването на коляното е между 0,1 и20 mm/s, докато преместването при срязването на коляното надвиши 7,0 mm или товарът надвиши 6,0 kN. Позволени са кратки отклонения от тези стойности, дължащи се, например, на употреба на ръчна помпа.

2.2.   Динамични изпитвания

2.2.1.

Макетът на долната част на крак, използван като удрящ елемент, отговаря на критериите, изброени в точка 2.2.2, когато изпитванията се извършват според указанията на точка 2.2.4.

2.2.1.1.

Плътта от пенопласт за удрящия елемент се съхранява в продължение на поне четири часа в контролирана зона за съхранение с постоянна влажност от 35 процента ± 10 процента и постоянна температура от 20 ± 2 °C преди изваждането на удрящия елемент за калибрирането. Самият удрящ елемент е с температура от 20 ° ± 2 °C в момента на удара. Отклонението в температурата за удрящия елемент се прилага в относителна влажност от 40 ± 30 процента след период на овлажняване от четири часа преди използването му в изпитването.

2.2.1.2.

Изпитващото устройство, използвано за изпитването на калибрирането, е с постоянна влажност от 40 ± 30 процента и постоянна температура от 20 ± 4 °C по време на калибрирането.

2.2.1.3.

Всяко калибриране се извършва до два часа от момента, в който удрящият елемент, който ще се калибрира, е изваден от контролираната зона за съхранение.

2.2.1.4.

Относителната влажност и температура на помещението за калибриране се измерва в момента на калибрирането и се записва в доклада за калибрирането.

2.2.2.

Когато макетът на крак бъде ударен с удрящия елемент за сертифициране, насочен по линейна траектория, както е описано в точка 2.2.4, максималното ускорение в горния край на пищяла е не по-малко от 120 g и не по-голямо от 250 g. Максималният ъгъл на сгъването трябва да е не по-малък от 6,2° и не по-голям от 8,2°. Максималното преместване при срязване е не по-малко от 3,5 mm и не по-голямо от 6,0 mm.

При всички тези величини стойностите се отчитат при първоначалния удар с удрящия елемент за сертифициране, а не през фазата на спирането. Всяко устройство, предназначено да спре макета на крак или удрящия елемент за сертифициране, е конструирано така, че фазата на спиране да не съвпада с първоначалния удар. Спирачното устройство не предизвиква изходящите сигнали на датчиците да надвишават определената стойност на реакцията САС.

2.2.3.

Стойността на реакцията CFC (честотен клас на измервателната верига) на измервателната верига, така както е дефинирана в стандарта ISO 6487:2002, трябва да е 180 за всички датчици. Стойностите на реакцията САC (клас за амплитуда на канала) на измервателната верига, така както са дефинирани в стандарта ISO 6487:2002, са 50° за ъгъла на сгъване на коляното, 10 mm за преместването при срязване и 500 g за ускорението. Това не означава, че самият удрящ елемент трябва да е физически способен да възпроизведе сгъване и срязване, съответстващи на посочените ъгли и премествания.

2.2.4.

Процедура за изпитване

2.2.4.1.

Макетът на крак, използван като удрящ елемент, включително пенопласта и кожата, се окачва хоризонтално с три метални въжета с диаметър 1,5 ±0,2 mm и дължина, не по-малка от 2,0 m, както е показано на фигура 5а. Неговата надлъжна ос трябва да е хоризонтална, с допустимо отклонение ± 0,5°, и перпендикулярна на траекторията на удрящия елемент за сертифициране, с допустимо отклонение ± 2°. Удрящият елемент е ориентиран по предвидената посока спрямо своята надлъжна ос с допустимо отклонение ± 2°, за да може коляновото съединение да функционира нормално. Макетът на крака отговаря на критериите, изброени в точка 3.4.1.1 на глава II от част II, когато опорите за закрепване на металните въжета са монтирани.

2.2.4.2.

Масата на удрящия елемент за сертифициране е 9,0 ±0,05 kg, включително компонентите за задвижването и направляването, които остават закрепени към удрящия елемент за сертифициране в момента на удара. Размерите на челото на удрящия елемент са уточнени на фигура 5б. Челото на удрящия елемент е от алуминий и има грапавост, по-голяма от 2,0 микрометра.

Направляващата система е снабдена с водачи с нисък коефициент на триене, които не са чувствителни към извъносеви натоварвания, което позволява на макета да се движи само в зададеното направление в момента на удар с превозното средство. Водачите предотвратяват всяко преместване в друга посока, както и завъртането около която и да е ос.

2.2.4.3.

Подложеният на сертифициране макет на крак е покрит с неизползван пенопласт.

2.2.4.4.

Пенопластът не се подлага на многобройни манипулации или деформации преди изпитването, по време или след монтирането си.

2.2.4.5.

Удрящият елемент за сертифициране се удря в неподвижния макет на крак по хоризонтална траектория със скорост 7,5 ± 0,1 m/s, както е показано на фигура 5а. Удрящият елемент за сертифициране е разположен така, че неговата централна линия да съвпада с точка, разположена върху централната линия на пищяла на разстояние 50 mm от центъра на коляното с допустими отклонения ±3 mm странично и ±3 mm по вертикала.

3.   Макет на горната част на крака

3.1.

Макетът на горната част на крак, използван като удрящ елемент, отговаря на критериите, изброени в точка 3.2, когато изпитванията се извършват според указанията на точка 3.3.

3.1.1.

Плътта от пенопласт за удрящия елемент се съхранява в продължение на поне четири часа в контролирана зона за съхранение със постоянна влажност от 35 процента ± 10 процента и постоянна температура от 20 ± 2 °C преди изваждането на удрящия елемент за калибрирането. Самият удрящ елемент е с температура от 20 ° ± 2 °C в момента на удара. Отклонението в температурата за удрящия елемент се прилага в относителна влажност от 40 ± 30 процента след период на овлажняване от четири часа преди използването му в изпитването.

3.1.2.

Средата при изпитването на калибрирането, е с постоянна влажност от 40 ± 30 процента и постоянна температура от 20 ± 4 °C по време на калибрирането.

3.1.3.

Всяко калибриране се извършва до два часа от момента, в който удрящият елемент, който ще се калибрира, е изваден от контролираната зона за съхранение.

3.1.4.

Относителната влажност и температура на помещението за калибриране се измерва в момента на калибрирането и се записва в доклада за калибрирането.

3.2.

Изисквания

3.2.1.

Когато удрящият елемент се удари в неподвижно цилиндрично махало, максималната сила, измерена от всеки силов датчик, е не по-малка от 1,20 kN и не по-голяма от 1,55 kN, като разликата между силите, измерени от датчиците в горната и долната част на бедрото, е не по-голяма от 0,10 kN. Същевременно максималният огъващ момент, измерен от тензодатчиците, е не по-малък от 190 Nm и не по-голям от 250 Nm в средното положение и не по-малък от 160 Nm и не по-голям от 220 Nm в крайните положения. Разликата между максималните огъващи моменти в горната и долната част на бедрото е не по-голяма от 20 Nm.

При всички тези величини стойностите се отчитат при първоначалния удар с махалото, а не през фазата на спирането. Всяко устройство, предназначено да спре макета на крак или махалото, е конструирано така, че фазата на спиране да не съвпада с първоначалния удар. Спирачното устройство не предизвиква изходящите сигнали на датчиците да надвишават определената стойност на реакцията САС.

3.2.2.

Стойността на реакцията CFC (честотен клас на измервателната верига) на измервателната верига, така както е дефинирана в стандарта ISO 6487:2002, трябва да е 180 за всички датчици. Стойностите на реакцията САC, така както са дефинирани в стандарта ISO 6487:2002, са 10 kN за силовите датчици и 1 000 Nm — за измерванията на огъващите моменти.

3.3.

Процедура за изпитване

3.3.1.

Макетът на горната част на крак, използван като удрящ елемент, се закрепва към системата за задвижване и направляване с помощта на съединение с ограничител на въртящия момент. Съединението с ограничител на въртящия момент се закрепва така, че надлъжната ос на челната част да е перпендикулярна на оста на направляващата система с допустимо отклонение ± 2°, а триещият момент е регулиран на не по-малко от 675 ± 25 Nm. Направляващата система е съоръжена с водачи с ниско триене, които допускат преместване на удрящия елемент само по определената посока на удара в момента на контакт с махалото.

3.3.2.

Масата на удрящия елемент е 12 ±0,1 kg, включително компонентите за задвижването и направляването, които остават закрепени към удрящия елемент в момента на удара.

3.3.3.

Центърът на тежестта на частите на удрящия елемент, разположени пред съединението с ограничител на въртящия момент, включително допълнителните тежести, е разположен върху централната надлъжна линия на удрящия елемент с допустимо отклонение ±10 mm.

3.3.4.

Подложеният на сертифициране макет на крак е покрит с неизползван пенопласт.

3.3.5.

Пенопластът не се подлага на многобройни манипулации или деформации преди изпитването, по време или след монтирането си.

3.3.6.

Удрящият елемент с вертикална челна част удря неподвижното махало по хоризонтална траектория със скорост 7,1 ±0,1 m/s, както е показано на фигура 6.

Тръбата на махалото има маса 3 ±0,03 kg, външен диаметър 150 mm + 1 mm/- 4 mm и дебелина 3 ±0,15 mm. Нейната пълна дължина е 275 ± 25 mm. Тръбата на махалото е от безшевна студено изтеглена стомана (допуска се метализиране на повърхността ѝ за защита срещу корозия) с грапавост на външната повърхност, по-голяма от 2,0 микрометра. Тя е окачена с две метални въжета с диаметър 1,5 ±0,2 mm и дължина, не по-малка от 2,0 m. Повърхността на махалото е чиста и суха. Тръбата на махалото е разположена така, че надлъжната ос на цилиндъра е перпендикулярна на челната част (т.е. хоризонтална) с допустимо отклонение ±2° и на траекторията на удрящия елемент с допустимо отклонение ±2°, като центърът на махалото е разположен срещу челната част на удрящия елемент с допустими отклонения ±5 mm по вертикала и ±5 mm странично.

4.   Макети на глави

4.1.   Критерии за оценка

Макетите на глави, използвани като удрящи елементи, отговарят на критериите, изброени в раздел 4.2, когато изпитванията се извършват според указанията на раздел 4.4.

4.2.   Изисквания

4.2.1.

Когато удрящите елементи под формата на макети на глави са пуснати от височина 376 ± 1 mm в съответствие с точка 4.4, най-голямото получено ускорение, измерено от един триосов (или три едноосови) акселерометър (акселерометри) в удрящия елемент под формата на макет на глава, е:

а) за удрящия елемент под формата на макет на глава на дете/възрастен с нисък ръст— не по-малко от 245 g и не повече от 300 g;

б) за удрящия елемент под формата на макет на глава на възрастен — не по-малко от 225 g и не повече от 275 g.

Кривата на времето на ускорението е едномодална.

4.2.2.

Стойността на реакцията CFC (честотен клас на измервателната верига) и на САC (клас за амплитуда на канала) на измервателната верига за всеки акселерометър е съответно 1 000 Hz и 500 g, както е определено в стандарта ISO 6487:2002.

4.2.3.

Температурни условия

Удрящите елементи под формата на макети на глави са с температура 20 ± 2 °C в момента на удара. Отклонението в температурата се прилага в относителна влажност от 40 ± 30 процента след период на овлажняване от четири часа преди използването му в изпитването.

4.3.

След удовлетворяване на изискванията на изпитването за сертифициране, всеки удрящ елемент под формата на макет на глава може да се използва за максимум 20 изпитвания при удар.

4.4.

Процедура за изпитване

4.4.1.

Макетът на глава, използван като удрящ елемент, се окачва на платформа за пускане, както е показано на фигура 7.

4.4.2.

Удрящият елемент под формата на макет на глава се пуска от определената височина по начин, който гарантира моментално освобождаване върху здраво укрепена хоризонтална стоманена плоча с дебелина над 50 mm и площ над 300 ×300 mm квадрата, която има чиста суха повърхност и грапавост между 0,2 и 2,0 микрометра.

4.4.3.

Удрящият елемент под формата на макет на глава се пуска със задната си страна под следния ъгъл спрямо вертикала:

а) 50° ± 2° за удрящия елемент под формата на макет на глава на дете;

б) 65° ± 2° за удрящия елемент под формата на макет на глава на възрастен.

4.4.4.

Окачването на удрящия елемент под формата на макет на глава е такова, че не позволява въртене по време на падането.

4.4.5.

Изпитването на падането се провежда три пъти с удрящия елемент под формата на макет на глава, завъртян на 120° около симетричната си ос между изпитванията.

image

image

image

image

image image

image

Бележки:

1. Може да се направи изрязване във формата на седло за компенсиране на диаметъра и да се разреже, както е показано, за да се получат два компонента.

2. Защрихованите части могат да се отстранят, за да се получи алтернативния вариант на формата, както е показано.

3. Отклонението при всички размери е ±1,0 mm.

Материал: алуминиева сплав

image

image



( 1 ) ОВ L 35, 4.2.2009 г., стр. 1.

( 2 ) ОВ L 263, 9.10.2007 г., стр. 1.

( 3 ) ОВ L 321, 6.12.2003 г., стр. 15.

( 4 ) ОВ L 309, 25.11.2005 г., стр. 37.

( 5 ) Проучване за изпълнимостта на мерките относно безопасността на пешеходците и останалите уязвими участници в пътното движение — окончателен вариант 2006 г., Изследователска лаборатория за транспорт, Обединеното кралство.

( 6 ) ОВ L 31, 4.2.2004 г., стр. 21.

( 7 ) ОВ L 140, 29.5.2006 г., стр. 33.